【導讀】工程師畫PCB的時候,難免會遇到一些連接器件,很多原因使得工程師要手拿游標卡尺去量,這樣很容易造成連接錯誤,誤差使得畫出來的PCB接插件按不上去。這里集合了很多接插件的知識點,如耳機插座等,是一篇實用性很強的技術文,希望能幫助到PCB工程師。
【集合一】畫PCB時一些常用的接插件知識
http://www.yttele.cn/connect-art/80025221
【集合二】畫PCB時一些常用的接插件知識
http://www.yttele.cn/connect-art/80025222
這篇文章集合了包括:耳機插座,DC電源輸入插座,USB B型母頭,DB9 串口母口插座,SD卡插座的尺寸和管腳資料。是一篇實用性很強的技術文。
由于篇幅問題,小編分成兩個部分,這部分主要講解:耳機插座,DC電源輸入插座,USB B型母頭的相關資料。
http://www.yttele.cn/connect-art/80025221
【集合二】畫PCB時一些常用的接插件知識
http://www.yttele.cn/connect-art/80025222
這篇文章集合了包括:耳機插座,DC電源輸入插座,USB B型母頭,DB9 串口母口插座,SD卡插座的尺寸和管腳資料。是一篇實用性很強的技術文。
由于篇幅問題,小編分成兩個部分,這部分主要講解:耳機插座,DC電源輸入插座,USB B型母頭的相關資料。
工程師畫PCB的時候,難免會遇到一些連接器件,在中國,由于一些原因,很多時候,這些連接器件很難像國外那樣,能向廠家索要機械尺寸文檔,所以很多時候,都需要手拿游標卡尺去量。這樣就造成,一來我們不知道連接器的管腳接線,很容易連接錯誤;二來自己測量的,總有誤差,最后畫出來的PCB接插件按不上去。接插件的標準化與否和尺寸標準圖是否完全,我看這就是中國與國外的差距之一。不單在芯片方面,而是在這些細節方面我們做得也不好。
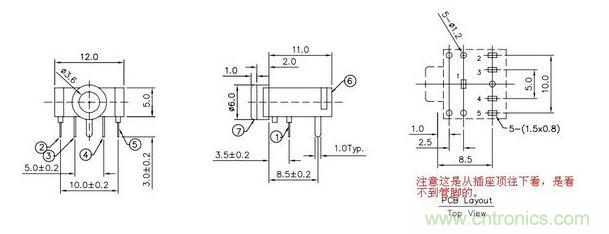
耳機插座尺寸

這是我們在電子市場上買到的3.5mm立體聲耳機插座。它的機械尺寸如下:

從耳機插座底面的管腳旁邊會有①②③④⑤的編號,對應尺寸圖。
一般來說耳機采用3段式的插頭,插頭直徑一般有3.5mm和2.5mm,不同直徑的插頭對應不同直徑孔的耳機插座,所以“公”和“母”要對應.

根據三段式的耳機插頭的接線,就可以確定耳機插座的連接:

1腳接地,2腳接右聲道(Right),5腳接左聲道(Left)。在耳機接頭沒插入插座的時候,2腳和3腳,4腳和5腳是接在一起的,而一旦接頭插入插座的時候,2腳和3腳,4腳和5腳會分開。所以從系統可靠性的角度來說,3腳和4腳應該接地,這樣的話,耳機沒插的時候,左右聲道輸入接地,系統輸入為0。很多時候,我們都會把不用的3腳4腳懸空,那么2腳和5腳也是懸空的,這樣帶來的風險就是, 萬一會從外界串入一個大電流,會從2腳和5腳傳到板子上,從而會燒毀芯片。
[page]
耳機接頭除了有三段式之外,還有四段式,四段式比三段式加多了一個話筒/接聽鍵,國標(大部分手機)從頭到尾(尾巴是有線那邊)的定義是:左聲道、右聲道、MIC、地。要注意iphone的四段式耳機接頭的順序是不一樣的,從頭(尖)到尾是左聲道、右聲道、地、MIC。


單聲道耳機插座
單聲道耳機插座也可以用作輸入。要注意的是A為地,B應該接輸入端,而F端應該接地。在沒有耳機接頭接入的時候,B腳和F腳是連在一起的,這樣保證,輸入接地,輸入信號為0。當有耳機接頭接入的時候,B腳和F腳分離,F腳與A接連在一起。
DC電源輸入插座尺寸

這是我們通常使用的DC電源輸入插座。尺寸如下:

這個DC電源插座是對應內徑2.1mm,外徑5.5的插頭。

外徑5.5mm,內徑2.1mm,長約10mm

電源極性:內正外負
要注意的是插頭一般是內正外負的,但也不排除少數自己做的插頭是反的,所以保險起見,最好使用前用萬用表量一下,免得燒毀芯片。

DC電源插座接線
DC電源插座的2腳和3腳在插頭沒有插進的時候是連在一起的,當插頭插進的時候,3腳與2腳分開。所以3腳和1腳應該連地。
USB接口插座引腳
USB是英文Universal Serial Bus的縮寫,中文含義是“通用串行總線”。
USB的版本:
第一代:USB 1.0/1.1的最大傳輸速率為12Mbps。1996年推出。
第二代:USB 2.0的最大傳輸速率高達480Mbps。USB 1.0/1.1與USB 2.0的接口是相互兼容的。
第三代:USB 3.0 最大傳輸速率5Gbps, 向下兼容USB 1.0/1.1/2.0
畫PCB板的時候要知道USB的引腳排列。以下均為插座或插頭的前視圖,即將插座或插頭面向自己。
USB-A型插座是用在主機上的,USB-B型插座是用在外設上的。
USB A型插座和插頭:

USB B型插座和插頭:

USB-B型插座是用在外設上的

USB A-B型引腳功能:

USB mini-B 插座和插頭:

USB mini-B型引腳功能:

關于插座插頭的機械尺寸請參考USB標準上的典型機械尺寸,更可靠的是以連接器生產廠的尺寸為準。





