【導讀】隨著科技不斷進步和人們對更高生活質量的追求,智能樓宇成為了未來建筑發展的重要方向。智能樓宇的出現主要是為了對樓宇環境進行智能控制和優化,應用現代傳感器、網絡通信、自動控制、安全防范、音頻視頻等先進技術,將樓宇結構、設備、服務等優化組合形成有機整體,實現節能、安全、舒適以及可持續發展的建筑環境,進一步促進智慧城市的建設。
隨著科技不斷進步和人們對更高生活質量的追求,智能樓宇成為了未來建筑發展的重要方向。智能樓宇的出現主要是為了對樓宇環境進行智能控制和優化,應用現代傳感器、網絡通信、自動控制、安全防范、音頻視頻等先進技術,將樓宇結構、設備、服務等優化組合形成有機整體,實現節能、安全、舒適以及可持續發展的建筑環境,進一步促進智慧城市的建設。
與此同時,城市化和氣候變化等全球性挑戰也加速了對智能樓宇的需求。通過在安全、可擴展、互聯的系統中使用多個數據源,可以實時執行有效的決策,從而實現更節能、更高效的環境。高精度數據使樓宇和用戶之間能夠實時驅動和交互,創造一個安全高效的空間,可應用于商業、住宅甚至工業等諸多領域。
圖一: 樓宇控制系統
樓宇自動化系統在支持可擴展的情況下,可較大限度提高舒適性、安全性和能效。從HVAC到照明,要充分提高工作性能,就需要一個能提供精準數據和連接的復雜且可靠網絡。隨著樓宇控制系統逐漸本地化,可以節省時間和成本的平臺解決方案應運而生,其具備的低功耗和靈活性讓樓宇更易于重新配置,可滿足不斷變化的需求。
ADI的樓宇自動化系統技術能夠應對互聯設備數量激增的挑戰,為實現智能樓宇提供支持。這些更小巧、可擴展的低功耗解決方案支持使用樓宇控制平臺方法,在本地或更高層面上監測、控制和重新配置,不僅適合現有的樓宇網絡拓撲和標準,還支持更先進的新技術。
如圖二所示,樓宇自動化系統分為四層。從上往下第一層是管理層(Management Layer),服務器的設備、上層的管理技術都是在里體現,這一層可以通過電腦上的服務器查詢到每個子系統當前的工作狀態。
第二層是網絡分發層/集成層(Integration Layer),這一層就會面對每個控制設備,集成層的子系統可能都管理著一個小系統,比如照明的系統、溫度的系統、暖通的系統等等,這樣既有助于分門別類的管理,也可以拓展出更復雜的系統。
接下來就是控制器層(Controller Layer),這一層已經深入到上面所說的分散控制,分布式管理最核心的設備就在這里。可以將其理解成一個現場的大腦,通過這個現場的大腦可以迅速決策。比如發現溫度過高之后,通過內置的PID算法來驅動風扇更快的工作,從而將溫度調低,因此樓宇控制器有大量的模擬傳感器I/O。
最下面一層就是傳感器層(Field sensor Layer)。這一層會接大量傳感器來感知到現場或整個樓宇的狀態,是獲取信息的關鍵,因此是非常重要的。其實,嚴格來說還有最后一個設備層,包含了壓縮機等設備,這層有時也同樣會接在控制器層,總而言之就是現場的設備。
圖二:樓宇自動化系統
現代化的樓宇自控系統將電梯、水泵、風機、空調、暖通、照明等設備連接在一起,實現在線監控。通過設置相應傳感器,行程開關自動控制溫度、濕度、照明等參數。樓宇控制器(Direct Digital Controller)作為樓宇自動化的核心設備,承擔著接收上位機系統設置,接收現場傳感器實時數據,輸出控制動作,從而實現真正的閉環控制系統。
樓宇控制器也叫數字控制器,其核心任務就是對外部的模擬量、數字量的輸入/輸出進行感應,因為內置了很多樓宇自動化所需要的PID控制單元,以此來控制整個系統。ADI在樓宇控制系統中有很多的產品,大致可分為Software lO、10Base-T1L、RS-485以及SPoE等幾大類,下面會有相應的產品介紹。
ADI產品介紹
開入/開出,模擬輸入/輸出是樓宇控制器設備的關鍵信號輸入輸出及動作接口,傳統的控制系統采用一組復雜的通道模塊、模擬和數字信號轉換器以及與操作面的機器、儀器和傳感器進行通信的單獨有線輸入/輸出,需要進行成本高昂且工作強度大的手動配置。
ADI推出用于樓宇控制和過程自動化的I/O芯片極大地降低了設計難度,采用通用接口應對不同的需求,大大簡化硬件設計復雜度同時,為制造商和工業運營商的現場靈活配置通道功能提供了可能。
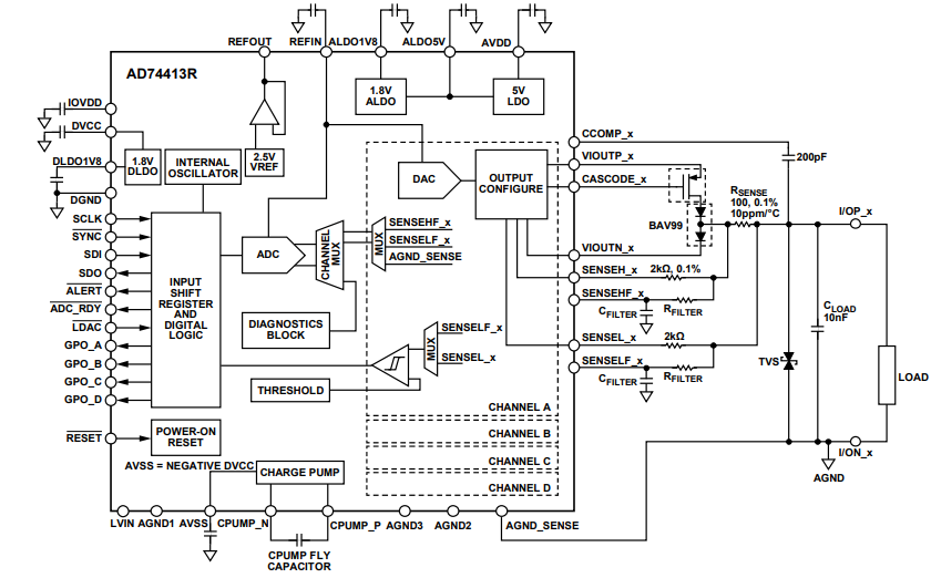
與ADI合作了三十多年的技術型授權代理商Excelpoint世健,多年來基于ADI的產品和解決方案組合,打造了多個貼近客戶應用需求的解決方案并獲得了市場的認可。針對發射鏈路的兩種方式,世健結合當前市場重點推薦AD74412R/AD74413R。
圖三:AD74412R/AD74413R框圖
這兩款產品都具有可重構的模塊通道,可快速、輕松地實現遠程可靈活控制系統的設計,同時無需進行大規模的重新布線。這就極大地提高了制造商和工業運營商實現速度和靈活性,并使其能夠在不大量增加成本和停機時間的情況下進行更改。
AD74412R和AD74413R是適用于樓宇和過程控制應用的四通道軟件可配置輸入/輸出解決方案,包含用于模擬輸出、模擬輸入、數字輸入和電阻溫度檢測器(RTD)測量的功能,這些功能通過串行外設接口(SPI)集成在一個單芯片解決方案中。該套件采用一個16位Σ-?模數轉換器(ADC)和四個可配置的13位數模轉換器(DAC),可提供四個可配置輸入/輸出通道和一套診斷功能。AD74412R/AD74413R均包含一個高精度2.5 V的內部基準電壓源用于驅動DAC和ADC,可提供多種輸入/輸出模式。
ADI創新連接技術:10Base-T1L
新樓宇中配備了一些先進技術,可遠程控制HVAC系統、檢測空間占用情況、自動控制照明并監控環境條件,從而使這些樓宇更具可持續性,同時也可提升樓宇用戶的安全性與舒適度。ADI開發的先進測量、連接和處理技術,旨在提高新樓宇和現有樓宇的可持續性,助力樓宇健康發展,支持樓宇改造以重復使用雙絞線基礎設施,并通過10BASE-T1L以太網連接現代系統。
10Base-T1L和傳統以太網最核心的區別就是雙線制。常規的以太網都是三線制甚至更多,線減少就能大幅降低整個安裝要求,因為傳統的以太網必須要專用的網線,而10Base-T1L只要普通的雙絞線就能工作,這就解決了現場布置和安裝的挑戰,相當于用普通雙腳線也可以獲得10兆以太網的速度。
圖四是樓宇自動化整個通信鏈路過程大概的一個拓撲的結構,數據流量從上到下越來越小,但內容卻越來越多。上面非常集中、流量較大,下面比較零散、流量相對偏少,中間的樓宇控制器是呈上啟下的重要作用,將現場采集到的這些數字量信號轉換成數字信號,最后送到服務器,這里面就會存在大量通信需求。
圖四:樓宇自動化通信鏈路過程拓撲結構簡圖
RS-485依舊是目前樓宇自動化里面比較主流的一個方式,在過去的幾十年廣泛應用于工業或民用的幾乎每一個領域。它最大的特點就是雙線制,使用非常方便,而且這種菊花鏈(Daisy chain)的形式非常容易安裝和配置,通信的速率、距離分別可達38.4kbps、1.2Km。
盡管RS-485在樓宇自動化里面應用比較廣泛,但是技術也是需要革新的。在過去長期的市場應用過程中也出現了一些問題,比如這種架構的調試難度比較大,單個設備節點故障就會影響整個總線,只能逐個退下來排查后再裝上去,而實際中智能樓宇的施工面積是非常大的,無論是一個機場、體育館還是商業建筑,這都意味著巨大的工作量。
典型的智能樓宇有控制器和各節點組成樓宇自動化系統,要想輕松連接到所有這些設備并不容易。Excelpoint世健推薦ADI公司的一款兼容IEEE 802.3cg和10BASE-T1L標準的經典交換機產品——ADIN2111,可以將以太網引入點對點、環形等線路網絡配置中的控制器和邊緣節點,減輕了控制器的負擔,讓升級更容易。
ADIN2111是一款低功耗、低復雜度、雙以太網端口交換機。它集成了10BASE-T1L PHY和一個串行外設接口(SPI)端口,使用低功率受限節點,面向工業以太網應用且符合IEEE? 802.3cg-2019?以太網標準,適用于長距離10 Mbps單對以太網(SPE)。
圖四:樓宇自動化通信鏈路過程拓撲結構簡圖
RS-485依舊是目前樓宇自動化里面比較主流的一個方式,在過去的幾十年廣泛應用于工業或民用的幾乎每一個領域。它最大的特點就是雙線制,使用非常方便,而且這種菊花鏈(Daisy chain)的形式非常容易安裝和配置,通信的速率、距離分別可達38.4kbps、1.2Km。
盡管RS-485在樓宇自動化里面應用比較廣泛,但是技術也是需要革新的。在過去長期的市場應用過程中也出現了一些問題,比如這種架構的調試難度比較大,單個設備節點故障就會影響整個總線,只能逐個退下來排查后再裝上去,而實際中智能樓宇的施工面積是非常大的,無論是一個機場、體育館還是商業建筑,這都意味著巨大的工作量。
典型的智能樓宇有控制器和各節點組成樓宇自動化系統,要想輕松連接到所有這些設備并不容易。Excelpoint世健推薦ADI公司的一款兼容IEEE 802.3cg和10BASE-T1L標準的經典交換機產品——ADIN2111,可以將以太網引入點對點、環形等線路網絡配置中的控制器和邊緣節點,減輕了控制器的負擔,讓升級更容易。
ADIN2111是一款低功耗、低復雜度、雙以太網端口交換機。它集成了10BASE-T1L PHY和一個串行外設接口(SPI)端口,使用低功率受限節點,面向工業以太網應用且符合IEEE? 802.3cg-2019?以太網標準,適用于長距離10 Mbps單對以太網(SPE)。
圖六:LTC9111框圖
基于SCCP的分類可確保供電設備(PSE)僅在連接有效的PD時提供全工作電壓。LTC9111在分類時利用微功耗操作,最大限度降低存儲電容器的要求,可驅動兩個外部N通道MOSFET開關,外部N通道MOSFET開關在分類和出現浪涌時從連接器隔離輸出電容。
當PD輸入電壓超過所配置類的ON電壓閾值時或經過強制延遲后,電壓監控器可啟用外部MOSFET。在控制的GATE引腳斜升后,EN輸出會發生斷言,輸入電壓降至所配置類的關閉電壓閾值以下時也會禁用MOSFET。LTC9111利用1.6V的低啟動電壓為極性校正驅動一對外部低端N通道MOSFET,可減少功率損耗。
【總結】
綜上所述,Excelpoint世健認為,ADI公司的創新技術和系統專業知識正在幫助塑造智能樓宇行業的未來,其產品和解決方案能為智能樓宇控制系統提供可配置、簡易化以及高性能發展趨勢的同時,也為市場未來的技術創新提供了基礎,能幫助市場更好地迎接各類挑戰。
(來源:世健)
免責聲明:本文為轉載文章,轉載此文目的在于傳遞更多信息,版權歸原作者所有。本文所用視頻、圖片、文字如涉及作品版權問題,請聯系小編進行處理。
推薦閱讀:
上海首家第三方整車OTA測試實驗室攜手MVG 填補智能網聯汽車測試領域空白




