【導讀】夏天現在正處于高峰期,我想現在可能是在工作空間附近安裝風扇的時候了。然而,要做到節能,開關操作風扇不是一個好主意。因此,我想設計一個運動傳感器風扇電路,可以感知我的運動,并根據我在工作區中的存在打開或關閉風扇。
夏天現在正處于高峰期,我想現在可能是在工作空間附近安裝風扇的時候了。然而,要做到節能,開關操作風扇不是一個好主意。因此,我想設計一個運動傳感器風扇電路,可以感知我的運動,并根據我在工作區中的存在打開或關閉風扇。
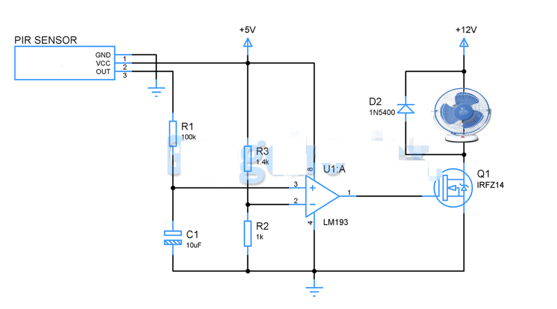
運動傳感器風扇電路圖:
運動傳感器風扇
該運動檢測器風扇電路的工作從 PIR
運動傳感器開始。PIR(被動紅外傳感器)被廣泛用于檢測運動或運動。該傳感器發射紅外光束并測量距離內物體輻射的紅外輻射。通過這種方式,它可以檢測一定距離內的任何運動。當傳感器前面沒有移動時,它的輸出將處于低電平狀態。而如果有任何移動,輸出會立即切換到3.3v的高狀態。
我們必須知道傳感器并不完美,甚至在我們接近工作空間之前也可能會有一些錯誤觸發?;蛘撸诠ぷ鲿r,我可能需要從工作空間移動一點。在這些情況下,我們不希望風扇打開或關閉。因此,我們將使用
RC 定時電路在 PIR 傳感器檢測到運動后產生時間延遲,以確保它不是誤觸發。
遙控網絡:
當PIR傳感器檢測到運動時,其輸出電壓將等于3.3v?,F在,電容器 C1 開始通過電阻 R1 充電。計算由 R1C1 值生成的時間段
T = R x C
=100k x 10 uF
T = 1 秒
當您觀察電容器充電曲線時,在 1T 或 1RC 電容器的時間段內,最多只能充電施加電壓的
63%。因此,在這種情況下,63.3v的3%將是2.1v?,F在,這應該被視為比較器的參考電壓,以便我們在PIR檢測到運動后一秒鐘激活電機。使用分壓器R3和R2(1.4k和1k),我們將2.1v的固定基準電壓饋送到比較器的反相輸入。當電容電壓超過此2.1v標記時,比較器提供高輸出。
場效應管驅動器:
當比較器輸出變為高電平時,它將激活MOSFET IRFZ14,同樣激活直流風扇。LM193
的輸出電流非常低,無法激活直流風扇。因此,必須使用MOSFET或達林頓晶體管添加驅動級。該額定值為 12v/ 1A 的直流風扇連接到 MOSFET
的漏極引腳。當比較器的輸出變為高電平時,電流開始從漏極流向源極,從而打開風扇。
關閉:
只要 PIR 傳感器感應到用戶存在,此智能風扇就會保持打開狀態。一旦用戶離開工作區,PIR
的輸出將切換回低電平狀態,這將觸發電容器放電。當電容器中的電壓降至 2.1v 以下時,比較器將其輸出切換回低電平狀態,關閉直流風扇。
電路板設計:
這是此運動傳感器風扇電路的PCB設計,該電路應使用直流適配器供電,并且您要控制的風扇應連接到“風扇端子”。
注意:
PIR 傳感器的位置應以監視用戶在工作區中默認位置的方式進行設置。
觀察您將要使用的風扇的額定值,并相應地選擇激活器(MOSFET或達林頓晶體管)。
該電路只需稍作調整即可修改為運動傳感器燈或任何其他運動傳感應用。
免責聲明:本文為轉載文章,轉載此文目的在于傳遞更多信息,版權歸原作者所有。本文所用視頻、圖片、文字如涉及作品版權問題,請聯系小編進行處理。
推薦閱讀:




