【導讀】任何有影響力的技術都伴隨著一系列風險,這些風險在與汽車安全相關的系統中尤為嚴重。國際標準化組織 (ISO) 26262 系列標準道路車輛 – 功能安全旨在通過提供汽車電氣和電子系統功能安全的指南和要求來降低道路車輛的風險。ISO 26262 分為 12 個部分發布,于 2018 年進行了更新,以適應不斷發展的汽車技術,該標準現在包含對半導體的具體要求。ISO 26262 詳細說明了一種特定于汽車且基于風險的方法,用于確定風險等級 - 稱為汽車安全完整性等級 (ASIL) - 這些等級是根據嚴重性、暴露概率和駕駛員可控性三個變量對潛在危險進行風險分析而建立的。
功能安全和 ISO 26262
任何有影響力的技術都伴隨著一系列風險,這些風險在與汽車安全相關的系統中尤為嚴重。國際標準化組織 (ISO) 26262 系列標準道路車輛 – 功能安全旨在通過提供汽車電氣和電子系統功能安全的指南和要求來降低道路車輛的風險。ISO 26262 分為 12 個部分發布,于 2018 年進行了更新,以適應不斷發展的汽車技術,該標準現在包含對半導體的具體要求。ISO 26262 詳細說明了一種特定于汽車且基于風險的方法,用于確定風險等級 - 稱為汽車安全完整性等級 (ASIL) - 這些等級是根據嚴重性、暴露概率和駕駛員可控性三個變量對潛在危險進行風險分析而建立的。
在開發符合功能安全標準的平臺時,汽車制造商需要 ASIL 系統級等級的各種分級。例如,環視、駕駛員監控以及用于高級駕駛輔助系統 (ADAS) 的雷達和激光雷達需要 ASIL D 系統級等級。與此同時,數字駕駛艙和信息娛樂系統等終端設備只需要 ASIL B 等級。此類安全關鍵型系統的一個首要主題是需要通過汽車電池電源可靠地為大電流片上系統 (SoC) 和多核處理器負載供電。
具有外部電壓監控功能且符合功能安全標準的設計
同步降壓控制器集成電路 (IC) 可在汽車設計中實現直流/直流轉換,這些設計采用 12V、24V 和 48V 電池輸入,滿足大電流處理器負載的要求,其電流規格通常超過 100A。圖 1 展示了一種雙輸出配置,該配置在系統的每個輸出上都包含一個電壓監控 IC,以實現 ASIL D 功能安全合規性。
圖 1:具有輸出電壓監控 IC 的非電池供電雙路輸出降壓前置穩壓器
圖 1 中的 Q3 和 Q6 指定在存在輸出故障的情況下斷開的輸出斷開開關。圖 1 所示的傳統雙路輸出降壓控制器使用電源正常 (PG1/2) 引腳將基本的診斷信息返回到系統微控制器 (MCU)。
具有同步降壓控制器且符合功能安全標準的設計
80V 雙通道直流/直流降壓控制器 LM5137F-Q1 包括為高功率 SoC 內核和 I/O 電源軌實施高效同步降壓穩壓器所需的所有功能。該器件所屬的控制器系列提供了三個適用于功能安全的類別:TI 功能安全型、ASIL B 或 ASIL D,器件型號中的“F”后綴指定后兩個選項。
該系列還提供電壓可擴展性,支持 12V、24V 和 48V 電池輸入,開關頻率范圍為 100kHz 至 2.2MHz。集成電荷泵柵極驅動器具有 100% 的占空比功能,并且支持真正的直通模式運行。LM5137F-Q1 還具有超低靜態電流,可延長電池壽命,提高輕負載效率,并具有雙隨機展頻 (DRSS),可在各種頻率下成功應對電磁干擾 (EMI)。
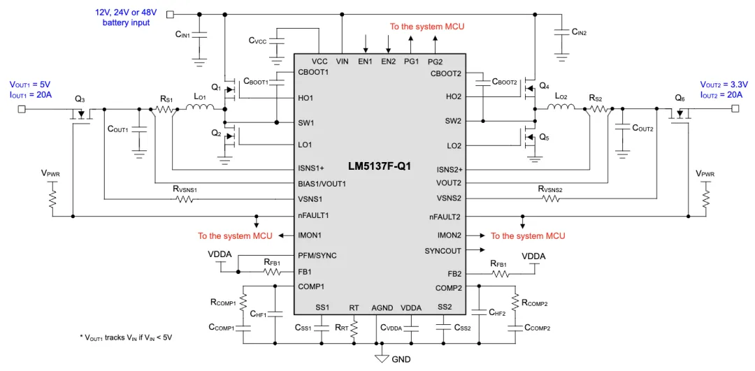
圖 2 展示了使用 LM5137F-Q1 降壓控制器的 ASIL D 系統中前置穩壓器設計的完整電路原理圖。該設計具有與圖 1 基本相同的工作規格和功率級元件,但不需要外部電壓監控 IC。為了提高靈活性,您可以將降壓控制器配置為具有兩個交錯相位的單輸出實現方案(或針對要求特別嚴苛的高電流負載將其堆疊至四個相位)。
圖 2:使用 LM5137F-Q1 降壓控制器實現 ASIL D 的非電池供電雙路輸出降壓前置穩壓器
LM5137F-Q1 包含安全機制,可幫助滿足 ISO 26262 系統功能和硬件完整性功能安全要求,最高可達 ASIL D。此類安全機制包括模擬內置自檢 (ABIST),可在允許輸出啟動之前驗證 LM5137F-Q1 控制器和周圍元件的運行狀況。該器件還具有冗余輸出電壓監控功能,無需外部電路,并且可以節省硬件成本,減小尺寸和復雜性。其他安全機制包括高級故障報告、過流監測和報告、輸出欠壓和過壓保護以及冗余熱關斷。
如圖 2 所示,功能安全降壓控制器的系統級和電路級優勢包括:
集成式診斷功能,包括啟動前的 ABIST 和正常運行期間的每通道電流監控。
集成冗余,包括高級故障識別和容錯功能,可降低基于時基故障 (FIT) 的故障率。
不再需要補充的電壓和電流監測 IC,從而減少元件數量并節省空間。
具有同步降壓轉換器且符合功能安全標準的設計
具有集成開關的降壓轉換器提供電壓和電流可擴展性,是前置穩壓級的另一種選擇。例如,65V、8A LM68680-Q1 和 65V、4.5A LM68645-Q1 降壓轉換器系列可以耐受 70V 的輸入瞬態,同時滿足必須至少達到 ASIL C 的系統要求。這些轉換器可擴展至 12V、24V 和 48V 輸入,提供與上述 LM5137F-Q1 控制器相似的功能安全特性。
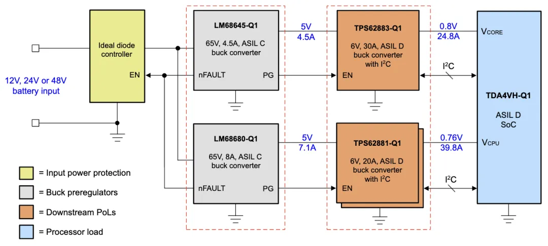
圖 3 是使用 LM68680-Q1 和 LM68645-Q1 作為前置穩壓器為 30A TPS62883-Q1 和 20A TPS62881-Q1 可堆疊兩相負載點 (PoL) 降壓轉換器供電的系統方框圖。通過輸出電壓的差分遙感和超快速負載瞬態響應,這些 PoL 可為 ADAS 域控制器應用中使用的 Jacinto? TDA4VH-Q1 汽車 SoC 提供嚴格的電壓調節。
圖 3:采用降壓轉換器為汽車 SoC 供電的系統方框圖
無論選擇哪種具有控制器或轉換器選項的架構來為各種 SoC 電壓軌供電,TI 都會提供業界通用報告和其他資源 - 包括 IC 級文檔,例如功能安全時基故障率和故障模式影響和診斷分析 (FMEDA) - 以幫助簡化您的功能安全系統級認證。
結語
隨著汽車電力電子產品朝著符合功能安全標準的設計發展,這些設計具有更高的密度、更小的封裝、更高的性能和更低的成本,因此必須重新思考選擇降壓前置穩壓器功率級的控制器和轉換器。在這種情況下,在設計需要高密度降壓前置穩壓器的系統時,實現高達 ASIL D 的功能安全合規性是面臨的主要挑戰之一。
當針對需要輔助監控和監控元件以實現功能安全合規性的傳統控制器設計進行基準測試時,LM5137F-Q1 等降壓控制器具有多項固有優勢。此外,TI 的功能安全合規型具有 65V 額定電壓的降壓轉換器為低功耗設計提供了一種替代方案。
文章來源:德州儀器
免責聲明:本文為轉載文章,轉載此文目的在于傳遞更多信息,版權歸原作者所有。本文所用視頻、圖片、文字如涉及作品版權問題,請聯系小編進行處理。
推薦閱讀:




