【導讀】線性調制IC:如線性低壓降穩壓器(LDO)等,包括正向和負向調節器,以及低壓降LDO調制管,在限定電源和供電能力下提供穩定的輸出電壓。
電源管理芯片有哪些
電源管理芯片(PMIC)是在單片芯片內包括多種電源軌和電源管理功能的集成電路,主要功用為在存在多個電源的情況下,選取、分配電力給主系統各部分使用。電源管理芯片種類繁多,大致可歸納為以下幾類:
AC/DC調制IC:內含低電壓控制電路及高壓開關晶體管,實現交直流轉換。
DC/DC調制IC:主要用來實現電壓轉換,如升壓/降壓變換。
功率因數控制PFC預調制IC:提供具有功率因數校正功能的電源輸入電路。
脈沖調制或脈幅調制PWM/PFM控制IC:用于驅動外部開關的脈沖頻率調制和/或脈沖寬度調制控制器。
線性調制IC:如線性低壓降穩壓器(LDO)等,包括正向和負向調節器,以及低壓降LDO調制管,在限定電源和供電能力下提供穩定的輸出電壓。
電池充電和管理IC:包括電池充電、保護及電量顯示IC,以及可進行電池數據通訊的“智能”電池IC。
熱插板控制IC:免除從工作系統中插入或拔除另一接口的影響。
MOSFET或IGBT的開關功能IC。
此外,驅動芯片也是電源管理芯片的一種,它主要是通過電壓、電流等信號的調整來驅動電子器件正常運行以及運行控制,包括LED驅動、LCD驅動、電機驅動等。保護芯片則主要負責電路過電壓、過電流保護,包括電池充電IC、負載開關等。
電源管理芯片怎么測好壞
要測試電源管理芯片的好壞,可以遵循以下步驟和方法:
觀察外在特征:首先,理性觀察電源管理芯片的質量標準,包括其外觀、標識等,以確保芯片符合基本的質量要求。
進行全面專業測試:選擇代表性的規格型號,對電源管理芯片進行全面測試。這包括電氣特性測試、功能測試和環境適應性測試。
電氣特性測試:包括輸入電壓范圍測試,以確保芯片在不同輸入電壓下的工作狀態正常,并記錄輸出電壓、電流等參數;輸出電壓精度測試,以確保其符合規格要求;效率測試,在標準輸入電壓和負載條件下,確保芯片具有較低的能耗。
功能測試:測試芯片的啟動與關機功能,確保其正常工作;以及過流保護功能,驗證其在過流情況下的保護效果。
環境適應性測試:將芯片置于溫度箱中,進行溫度循環試驗,以檢驗其在不同溫度下的工作穩定性。
選擇專業知名品牌:如果完全不了解怎么鑒別電源管理芯片質量,可以選擇專業正規品牌來對比,這樣能知道哪個品牌更值得信賴,并確保在質量方面具有優勢。
使用專業測試工具:在測試過程中,可以使用示波器、多用途電表、負載板、外接電源等工具。示波器可以測量電壓、電流和波形等參數;多用途電表可以測量電壓、電流、電阻、電容等多個參數;負載板可以模擬真實的負載情況;外接電源可以提供穩定的電壓和電流。
電源管理芯片的作用及工作原理
電源管理芯片在電子設備系統中擔負著對電能的變換、分配、檢測及其他電能管理的職責。它主要負責識別CPU供電幅值,產生相應的短矩波,推動后級電路進行功率輸出。
其作用主要體現在以下幾個方面:
節能和延長電池壽命:電源管理芯片可以根據不同的應用場景和負載要求,實現電源的高效管理和控制,以達到節能和延長電池壽命的目的。例如,它可以通過動態調整電源電壓和電流等參數,來適應不同的負載要求,從而提高電池使用效率和壽命。
保護系統安全和穩定性:電源管理芯片可以監測電池電量、電源溫度、電壓和電流等關鍵參數,以保證系統的安全和穩定性。在電池電量過低或過高、電流過大或過小等情況下,電源管理芯片會自動控制和保護電源系統,防止系統因電源問題而損壞或出現故障。
提高系統效率和性能:電源管理芯片通過優化電源系統的效率和性能,可以提高整個系統的效率和性能。例如,它可以提高電壓穩定性,防止電壓反向等。
電源管理芯片正常工作電壓是多少
電源管理芯片的正常工作電壓是根據不同的芯片型號而有所不同。通常,電源管理芯片的工作電壓可以在芯片的數據手冊中找到。例如,常見的電源管理芯片TL431的工作電壓范圍是2.5V到36V,其他型號的電源管理芯片可能會有不同的工作電壓范圍。因此,需要根據具體芯片型號來確定其正常工作電壓。
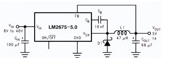
本文將以一顆DC/DC降壓電源芯片LM2675為例,看看電源芯片內部結構。
LM2675-5.0的典型應用電路:
打開LM2675的DataSheet,首先看看框圖:
這個圖包含了電源芯片的內部全部單元模塊。BUCK結構我們已經很理解了,這個芯片的主要功能是實現對MOS管的驅動,并通過FB腳檢測輸出狀態來形成環路控制PWM驅動功率MOS管,實現穩壓或者恒流輸出。這是一個非同步模式電源,即續流器件為外部二極管,而不是內部MOS管。
其工作原理主要包括以下幾個方面:
電源監測:電源管理芯片可以實時監測電源的輸入和輸出電壓、電流、溫度等參數,以確保電源工作在安全可靠的范圍內。
電源調節:根據系統的需求,電源管理芯片可以對電源進行調節,以確保穩定的電壓和電流輸出,滿足各個部件的供電需求。
電源保護:電源管理芯片可以實現對電源的過流保護、過壓保護、過溫保護等功能,防止電源因異常情況而損壞,保護系統的穩定運行。
電源管理:通過軟件控制,電源管理芯片可以實現對電源的開關、休眠、喚醒等管理功能,以提高系統的能效和使用便利性。
在電源管理芯片的工作原理中,首先需要接收電源輸入信號,通常來自于外部電源適配器、鋰電池或其他電源源的直流電壓。然后,電源管理芯片會對輸入的電源信號進行穩壓處理,以確保輸出電壓穩定并適合所需的電路工作。這一穩壓處理過程一般通過反饋回路來檢測輸出電壓的實際值,并與期望的輸出電壓進行比較,實現精確的電壓穩定控制。
請注意,不同的電源管理芯片可能具有不同的特性和功能,因此在具體應用中,需要根據實際需求選擇合適的電源管理芯片,并參考相關的技術文檔和資料,以確保其正確和有效的使用。
免責聲明:本文為轉載文章,轉載此文目的在于傳遞更多信息,版權歸原作者所有。本文所用視頻、圖片、文字如涉及作品版權問題,請聯系小編進行處理。
推薦閱讀:




