【導讀】本應用筆記介紹了采用表面貼裝封裝的 n 通道雙 MOSFET 的低壓電機驅動設計。它描述了使用不同電壓應用的設計,以及自適應 MOSFET 柵極驅動器,這是驅動雙 n 溝道半橋的第三種方法。
本應用筆記介紹了采用表面貼裝封裝的 n 通道雙 MOSFET 的低壓電機驅動設計。它描述了使用不同電壓應用的設計,以及自適應 MOSFET 柵極驅動器,這是驅動雙 n 溝道半橋的第三種方法。
低壓電機驅動器使用兩種基本 MOSFET 配置:n 溝道半橋以及 p 和 n 溝道(互補)半橋?;パa方法的主要優點是其柵極驅動電路的簡單性,如 Vishay Siliconix 應用筆記 AN90-4 中所述。當 n 溝道 MOSFET 用于高側(或“上部”)開關時,柵極驅動信號需要電平轉換,從而導致復雜性和成本增加。
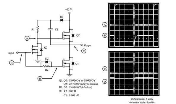
5V 應用
在圖 1 中,電荷泵電路用于將 5 V 電源(實際上為 4.5 V)升壓至足以直接驅動上部和下部 MOSFET 柵極的電壓。

5V、三相電機驅動
下部 n 溝道器件的額定電壓,并為上部 n 溝道 MOSFET 提供至少 7.5 V 的柵極增強電壓?!败壍杰墶彬寗铀袞艠O 考慮到輸入電平變化(4.5 至 5.5 V)和電荷泵損耗,產生的電源電壓范圍約為 12 至 16 V。該電壓范圍安全地在 20 -V 柵源導致較低器件的阻抗稍低。然而,在電機驅動中,總阻抗(一個上部 MOSFET 加一個下部 MOSFET)通常比對稱性更重要。
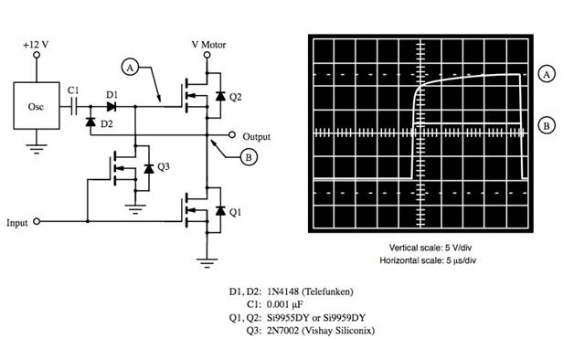
12V 應用
如果可以接受動態柵極驅動技術,則可以大大簡化中間低壓應用(大約 12V)。自舉電容器布置是一種簡單且廉價的方法,可提供驅動高側柵極所需的電壓(圖 2)。在相對較窄的電壓范圍(約 10 至 20 V)內,可以選擇簡單的無源上拉 (R1) 值,以提供快速轉換速率和可容忍的開關損耗。對于高于 20V 的工作電壓,可能需要采用有源上拉電平移位裝置,并且應使用齊納二極管對 Q2 的柵源進行鉗位,以保證不違反 V GS 額定值。采用這種技術時,工作電壓低于約 10 V 可能會導致 Q2 柵極驅動不足。自舉電容器中存儲的電壓等于 10V(電源電壓)減去二極管壓降,再減去 MOSFET 壓降(Q1 上的負載電流 xr DS(on))。該電壓因電荷而進一步降低,必須傳輸電荷才能充分增強 Q2 的柵極,并且電壓會因流經 D1 和 Q3 的漏電流而隨時間衰減。

12V電機驅動
在圖 2 中,下部 MOSFET (Q1) 和電平轉換 MOSFET (Q3) 的輸入連接在一起。自舉布置并不能完全消除使用關閉兩個輸出器件的換向或調制序列,并且有必要在開啟 Q2 之前開啟 Q1 以對自舉電容器進行再充電。Q2 不能無限期地保持,并且自舉裝置固有的“動態”性質使其無法在某些電機驅動應用中使用。但對于許多其他人來說,它可以提供技術上可接受且極具成本效益的解決方案。
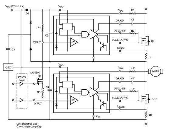
12V 至 36V 應用
簡單、元件少的電荷泵電路可為中壓應用提供靜態操作和可容忍的開關時間。圖 3 所示的電荷泵電路已減少到少數量的組件,并假設系統 12V 電源可用于驅動接地參考 MOSFET 柵極和振蕩器。遠高于所需開關頻率的振蕩器頻率將利用小電荷泵電容 (C1) 在短的時間內對高側 MOSFET 柵極進行充電。在此示例中,為了實現 20kHz 開關頻率和可容忍的開關損耗,選擇了 2MHz 振蕩器和 0.001μF 電荷泵電容器以獲得 500ns 的輸出上升時間。

12 至 36 V 電機驅動
Si9910DY 自適應 MOSFET 柵極驅動器(圖 4)提供了第三種驅動雙 n 溝道半橋的方法。雖然 Si9910 設計用于以更高功率水平驅動 MOSFET,但事實證明,Si9910 對于低功率系統來說是一種極具成本效益的解決方案(與分立解決方案相比)。

Si9910 在集成 MOSFET 柵極驅動器中,它提供低輸出阻抗,同時在開啟(輸出高電平)時消耗小于 1 A 的電源電流。這使得驅動器能夠以高側開關的源極為參考,并由自舉電容器、電荷泵或兩者的組合供電。將 Si9910 與自舉電容器的高峰值電流能力相結合,可實現快速、高效的轉換速率。添加小型電荷泵將克服導通狀態泄漏損耗,從而提供高側輸出器件的連續(靜態)操作。Si9910 還提供 di/dt、dv/dt 和直通電流控制以及欠壓和災難性電流保護的方法。
免責聲明:本文為轉載文章,轉載此文目的在于傳遞更多信息,版權歸原作者所有。本文所用視頻、圖片、文字如涉及作品版權問題,請聯系小編進行處理。
推薦閱讀:


