【導讀】目前市面上出現了一個新的芯片組,它由具有耐用的750V氮化鎵(GaN)初級側開關的反激式IC方案與創新的高頻有源鉗位方案組合而成,能夠為手機、平板電腦和筆記本電腦設計出額定功率高達110W的新型超緊湊充電器。此芯片組來自Power Integrations,包含內部集成PowiGaN?開關的InnoSwitch?4-CZ零電壓開關(ZVS)反激式控制器和提供有源鉗位解決方案的ClampZero?產品系列。這些新IC可用于設計效率高達95%且在不同輸入電壓條件下保持恒定的反激式電源。
目前市面上出現了一個新的芯片組,它由具有耐用的750V氮化鎵(GaN)初級側開關的反激式IC方案與創新的高頻有源鉗位方案組合而成,能夠為手機、平板電腦和筆記本電腦設計出額定功率高達110W的新型超緊湊充電器。此芯片組來自Power Integrations,包含內部集成PowiGaN?開關的InnoSwitch?4-CZ零電壓開關(ZVS)反激式控制器和提供有源鉗位解決方案的ClampZero?產品系列。這些新IC可用于設計效率高達95%且在不同輸入電壓條件下保持恒定的反激式電源。
這種InnoSwitch4-CZ/ClampZero組合為反激式電源設計帶來了耳目一新的新性能。由于變壓器中存在初級漏感,初級側需要有源鉗位電路。當初級側開關關斷時,漏感換向會導致電壓過沖,從而損壞MOSFET。一種常見的解決方案是使用無源電阻-電容-二極管(RCD)鉗位來保護MOSFET(見圖1)。鉗位將漏感能量轉移到鉗位電容中,并在電阻中以熱量的形式耗散。RCD鉗位會降低反激效率,但可為MOSFET提供保護。
圖1. 無源初級鉗位RCD解決方案需要耗散大量的熱量并且會限制反激式電源的效率
在每個開關周期中,鉗位中的能量都會損失。這迫使設計者限制最大開關頻率,而這又需要使用更大的變壓器。因此,無源鉗位解決方案會降低反激效率或導致電源體積更大和/或溫度更高。更有效的方法是用有源鉗位代替無源RCD網絡。
有源鉗位
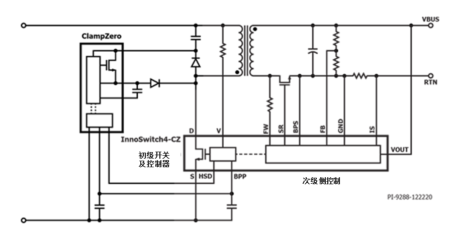
有源鉗位不消耗能量,而是再循環漏感能量,從而提高效率并減少熱量產生。在有源鉗位設計中,RCD緩沖器中的電阻由開關代替。如果使用ClampZero,開關則是PowiGaN器件(見圖2)。初級開關關斷后,次級控制指示ClampZero開關開通,并在初級開關開通前將鉗位電容儲能傳輸至次級。再循環鉗位電路使得漏感電流得以換向,還可確保初級開關上的電壓在其開通前為零(ZVS)。
圖2. InnoSwitch4-CZ/ClampZero反激方案
在傳統的有源鉗位設計中,初級MOSFET和有源鉗位開關以互補方式進行工作(因此這些鉗位電路被稱為“互補模式有源鉗位”電路)。在這種工作模式下,變換器只能工作于非連續導通模式或臨界導通模式,不能工作于連續導通模式。當需要寬輸出電壓范圍的設計(如USB PD和PPS充電器)時,這對設計者來說是一個挑戰,導致設計出電源在高輸入電壓下的導通必須非常不連續。然而,InnoSwitch4-CZ/ClampZero芯片組克服了這個限制。
InnoSwith4-CZ和ClampZero
InnoSwitch4-CZ和ClampZero IC芯片組采用復雜、非對稱的非互補有源鉗位控制方法,實現智能的零電壓開關,同時支持非連續和連續導通工作模式,可提高設計靈活性,并在所有工作條件下實現效率最大化。新型反激式開關IC具有優異恒壓/恒流精度,不受外圍元件參數公差的影響,并且在提供輸入電壓檢測等安全及保護功能的情況下,其空載功耗小于20mW。
InnoSwitch4-CZ產品系列采用薄型InSOP?-24D封裝,同時集成了750V開關、初級和次級控制器、ClampZero接口、同步整流以及符合安全標準的反饋電路。高達140kHz的穩態滿載開關頻率降低了變壓器尺寸,進一步提高功率密度。
InnoSwitch4-CZ/ClampZero芯片組適合于高效、緊湊的USB PD適配器、高密度反激式AC/DC電源和高達110W的高效恒壓/恒流電源。InnoSwitch4-CZ IC支持可變輸出電壓和電流特性,并具有完善的保護功能,包括用于輸出過壓和欠壓保護的自動重啟動或鎖存故障響應方式、輸入欠壓保護以及鎖存或遲滯過溫保護。
設計范例
設計者可以將InnoSwitch4-CZ和ClampZero IC與Power Integrations之前推出的MinE-CAP? IC產品搭配使用,以設計出超緊湊型反激電源。MinE-CAP是對InnoSwitch4-CZ和ClampZero IC的自然補充;它可大幅縮小輸入大容量電容的尺寸,而不會影響輸出紋波、工作效率且無需重新設計變壓器。
與傳統技術(如極高開關頻率工作)相比,MinE-CAP可實現同等或更大的整體電源尺寸縮小,同時可避免與極高頻設計相關的復雜EMI濾波和變壓器/鉗位耗散增加的挑戰。MinE-CAP還能精確地管理交流上電時的浪涌電流,從而無需使用功耗較大的NTC或大型慢熔保險絲。
Power Integrations推出的DER-928設計范例是一款適用于手機和筆記本電腦的超緊湊型60W USB PD 3.0充電器。設計特色如下:
●使用了具有高壓PowiGaN開關的InnoSwitch4-CZ有源鉗位反激式開關IC (INN4073C)
●使用了ClampZero有源鉗位IC (CZ1062M)
●使用了MinE-CAP大電容小型化IC (MIN1072M)
●輸入:90VAC - 265VAC
●USB-C PD輸出:5V/3A;9V/3A;15V/3A;20V/3A
圖3. DER-928設計范例:使用InnoSwitch4-CZ、ClampZero和MinE-CAP芯片組的60W超小型USB PD充電器,體積僅有24.4立方厘米(44平方毫米 x 高12.6毫米)
在上述設計中,用130μF輸入電容替換100μF大電容可將峰值功率提高到90W。其他性能特性包括:
●輕松符合DOE6和CoC v5 2016能效標準
●提供輸出過壓和過流保護
●內部集成熱關斷保護特性
●空載輸入功率<60mW,微控制器功耗為20mW
●具有高功率密度的緊湊設計:30.3W/in3,不含外殼(即,60W/1.77in X 1.77in X 0.63in)
InnoSwitch4-CZ/ClampZero解決方案所包含的芯片組可提供65W至110W的輸出功率(見表1)。它們可用于適配器或敞開式設計,支持85-264VAC輸入電壓,也可通過添加功率因數校正(PFC)前端電路支持385VDC工作。
表1. InnoSwitch4-CZ和ClampZero產品系列
總結
Power Integrations的InnoSwitch4-CZ/ClampZero芯片組使設計者能夠為手機、平板電腦和筆記本電腦設計高達110W的超高密度充電器,這些設計在以前是無法實現的。InnoSwitch4-CZ IC可提供可變輸出電壓及恒流特性,非常適合于高效緊湊型USB-PD適配器和高效恒壓/恒流電源。它們在提供輸入電壓檢測等安全及保護功能的情況下,空載功耗小于30mW,并且可提供高達95%的效率,即使在不同輸入電壓、系統負載和輸出電壓下也能保持非常恒定的高效率。
免責聲明:本文為轉載文章,轉載此文目的在于傳遞更多信息,版權歸原作者所有。本文所用視頻、圖片、文字如涉及作品版權問題,請電話或者郵箱editor@52solution.com聯系小編進行侵刪。
推薦閱讀:




