【導讀】當今電源 IC的高度發展要求性能卓越的功率電感。構建通用封裝的標準電源將有助于減少設計時間和生產成本。 而要在 PCB 空間以及散熱和成本效率方面實現最佳性能,確定電感和 IC 之間的最佳匹配至關重要。
本文將探討在設計降壓(buck或step-down)變換器時哪些參數最重要,以及如何將其與可用的最佳電感配對。我們還將學習如何計算基本參數,并解釋開關模式電源 IC 和電感的一些參數要求,包括紋波電流、電感 (L)、飽和電流 (ISAT) 和額定電流 (IR)。
當今電子行業
近10 年來,消費者越來越期望技術使他們的生活更輕松。與此同時,普通家庭的電子產品數量也在增加。不斷增多的連接和電子設備選擇意味著這些設備必須更加高效才能保持競爭力。對電源設計人員來說,要支持消費者在電子產品使用方面的這些轉變,最佳方法就是使用具有高性能部件的降壓變換器,將電壓輸入轉換為必要的電源軌。
降壓變換器是最常見的電源拓撲。其主要組件包括輸入和輸出電容器、開關(例如 MOSFET)和電感。這些設備的目標是調節輸出電壓。而上下管MOSFET只有與穩壓器結合使用時才會發揮作用,它們會形成一個集成的降壓穩壓器 IC。
選擇具有最佳電感的恰當IC 并不是很困難。要成功選擇與降壓變換器配合良好的電感,以避免過多功耗并提高效率,最關鍵是注意一些設計參數。
降壓變換器功耗與效率基本原理
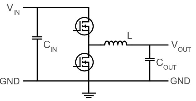
通過降壓變換器及其基本部件的功能框圖,我們可以清楚了解哪些組件有助于提高效率,以及哪些參數應予以考慮(見圖 1)。

圖1:降壓變換器基本原理圖
如果分解降壓變換器的效率和功耗,我們可以看到對功耗和效率影響最大的是 MOSFET 和電感,靜態電流和可調電阻則貢獻不多(見圖 2)。

圖 2:帶MPL-AL6060-150 15μH 電感的 MPQ4572 降壓變換器效率曲線
圖 3 顯示了帶 2A 負載的 24V 至 5V 降壓變換器效率分解圖。電感和 MOSFET 貢獻了870mW的功耗,而靜態功耗僅在總功耗上增加了900µW。為了實現最高效率并避免浪費能源,我們必須確保將最先進的開關元件與高性能電感相結合。

圖3: 降壓穩壓器的效率分解圖
電感量(L) 根據經驗,通常建議以 30% 至 40% 的紋波電流開始設計變換器。首先用公式 (1)計算出標稱電感 (L): $$L = (1-DC) times left(frac {V_{OUT}} {f_{sw times Delta I_{L}}}right)$$
其中 DC 為變換器占空比,VOUT為輸出電壓,fSW 為開關頻率,而?IL 為紋波電流。在本例中,輸入電壓為 24V,輸出電壓為 5V,紋波電流為800mA(平均 2A 負載),開關頻率為 500kHz。 根據這些數值,我們可以計算出典型電感值為 9.89µH。
紋波電流(?IL )
紋波電流 (?IL) 是疊加在平均負載電流上的低頻交流電流量,它流經主功率電感并為輸出電容器 (COUT) 充電。紋波電流可以通過等式 (2) 來估算:
$$Delta I_{L} = (1-DC) left(frac{V_{OUT}}{{f_{SW}}^{times L}}right)$$
圖 4 展示的重要設計參數包括峰值電流 (IPEAK) 和平均電流 (IAVG)。平均電流是我們系統的預期負載電流,它與降壓變換器的輸出有關。紋波電流 ((?IL) 的一半被添加到平均負載電流上,形成峰值電流。對一個成功且高效的降壓變換器設計來說,其電感飽和電流 (ISAT) 必須超過峰值電流。

圖4: 平均負載電流上的紋波電流
圖 5 顯示了一個經優化的 24V 至 5V 降壓變換器示例,該變換器采用了MPS 的MPQ4572和一個 15µH電感 (MPL-AL6060-150)。其紋波電流圍繞 2A 負載電流振蕩,具有完美的三角波形。

圖 5:24V 降壓變換器的電感電流(藍色)和開關節點電壓(黃色)
飽和電流(ISAT)
現代電感中使用的鐵磁材料具有的物理特性是,匝數越多和電感 (L) 越高,飽和電流 (ISAT) 就越低。 圖 6顯示了一個典型的ISAT曲線圖。從中我們可以預期在 2A 負載電流下的有效電感為 13µH。

圖6: 飽和電流(ISAT)與電感電流(IL)之間的函數關系
當流過電感的電流增加時,電感會降低,作為一個電源設計人員,記住這一點很重要 。 溫度升高會降低有效電感。 根據電感中使用的技術、結構和材料,飽和電流曲線可以穩定至高達幾安培。
由于高效電感具有軟飽和特性,且降壓變換器IC 具有峰值電流限制等保護功能。 因此電感不可能選錯。即使電感過高或過低,我們仍然可以得到合理的結果。但是,飽和電流留有足夠的裕度很重要,因為裕度不足會導致系統效率低下,而較低的飽和電流會導致電感電流出現尖峰(見圖 7)。

圖 7:飽和電流過低的電感電流(藍色)和開關節點電壓(黃色)
額定電流(IR)和直流電阻(RDC)
另一個需要考慮的重要參數是額定電流 (IR)。 請記住,隨著電感的增加,額定電流 (IR) 會降低。再進一步,我們可以直接使用平均負載電流來估計有效溫升 (?T)。
由于銅繞組內部的直流損耗,溫升與自熱直接相關。 這意味著直流電阻越低,自熱越低,電感的額定電流(IR)就越高。
在較小的封裝尺寸中,構成電感線圈的漆包銅線直徑也很小。這會導致較高的直流電阻、直流損耗和較低的IR。因此,在封裝尺寸和額定電流之間選擇一個好的折衷方案,對于成功設計降壓變換器非常重要。根據經驗,平均工作條件下,20°C 至 30°C 的溫升是較為可靠的起點(見圖 9)。另外,要保證EMC性能,PCB上的元件需要非常小,這樣才能讓熱回路也更小。

圖9: 額定電流曲線圖
匹配電感和降壓穩壓器以獲得最佳效率
現在我們已經了解了基本原理,要實現降壓變換器的最佳效率,我們需要選擇彼此性能匹配的一個穩壓器 IC 和一個電感。 如果忽略電感的交流損耗和 MOSFET 的轉換損耗,則可以關注直流功耗。
任何導體的功耗 (PLOSS) 都可以用公式 (3) 來計算: $$P_{LOSS} = I^2 times R_{DC} $$
由于MOSFET 有開有關,因此開關 MOSFET 的傳導損耗并不總是在整個開關周期內累加。 當上管MOSFET (HS-FET) 導通時,其功率損耗要乘以占空比 (DC) 。通過比較電感的直流電阻 (RDC) ) 與MOSFET 的導通電阻RDS(ON),我們可以取RDS(ON)的分數進行匹配。(RDC) ) 和(DC x RDS(ON))應彼此接近。它們不需要完全相等,但在差值非常接近時(1mΩ以內),我們可以得到很高的效率。
例如,對于 24V 到 5V 的轉換,占空比為VOUT / VIN = 0.208,這意味著 HS-FET 僅在 20.8% 的時間內傳導電感電流。 也意味著傳導損耗僅占總傳導損耗的 20.8%。但是,下管MOSFET (LS-FET) 以 79.2% 的占空比傳導電感電流,即在大多數情況下都處于導通狀態。 這就是為什么大多數現代降壓穩壓器都具有不同的MOSFET上下管開關比。
為了最大限度地降低損耗并實現尺寸、性能和成本之間的最佳折衷,首先需將電感的直流電阻與 MOSFET 的 RDS(ON)比率進行匹配。
由于現代降壓變換器的導通電阻范圍從數十到數百 mΩ,因此,采用圓形或扁平銅線以及模塑鐵氧體化合物的小型高導電功率電感,可以相匹配獲得最佳性能。
Conclusion
市場上有大量不同的電感,因此匹配合適的電感和降壓變換器將是一項挑戰。即使需要在尺寸、效率和成本之間做出妥協,但總有一款電感可以滿足我們最終應用的技術和環境要求。
現代降壓穩壓器 IC 和模塑功率電感都具有數十毫歐范圍的直流電阻和傳導電阻。確保所有電阻都在同一范圍內將有助于在尺寸和效率之間實現最佳平衡。較大的封裝電感和 MOSFET 通常有助于降低功率損耗。然而,在一定的尺寸下,成本和 PCB 空間會迅速增加而無法顯著提高性能。 因此,針對必要的飽和電流 (ISAT)、額定電流 (IR)、電阻 ((RDC)) 和導通電阻 (RDS(ON)) ,通過合理的努力實現功率電感與降壓變換器的最佳匹配,這是獲得最佳性能的一種快速簡便的方法。
來源:MPS
免責聲明:本文為轉載文章,轉載此文目的在于傳遞更多信息,版權歸原作者所有。本文所用視頻、圖片、文字如涉及作品版權問題,請聯系小編進行處理。
推薦閱讀:




