【導讀】工程師們一直在努力尋找更有效、更高效且成本更低的解決方案。當需要對模擬輸出進行非常精確的控制時,系統設計人員通常使用精密數模轉換器(DAC)。需要精確控制輔助功能的設計通常還需要結合使用分立式模擬元件和微控制器(MCU)來控制DAC的輸出。
選擇合適元件、編寫軟件并確保系統可協調工作的過程不必非常復雜,即使在實現基本功能時也是如此。在本文中,我將探討如何使用智能DAC這一新型器件在降低成本和縮短開發時間的同時提高系統性能。
智能DAC是出廠可編程的精密DAC,具有集成的非易失性存儲器(NVM)、可編程狀態機邏輯、脈寬調制(PWM)發生器和內置的自定義波形發生器。由于智能DAC無需使用軟件,因此可以填補DAC電路、MCU電路以及使用精密電阻器、電容器和電感器等元件構建的離散型電路之間的差距。圖1顯示了智能DAC如何提供獨特的常規實施方法。

圖1:智能DAC填補了離散、DAC和MCU電路之間的差距
在以下幾種用例中,您可以借助智能DAC使用更少的系統資源來執行簡單的功能,從而節省時間和系統成本。
無需軟件即可實現可靠的加電和基本的可編程性
基于軟件的MCU設計雖然對某些汽車和工業設計中的主要監視和控制應用非常有用,但在設計僅需要輔助電壓裕量、偏置或微調的次級應用或子系統時,卻需要過多的資源。諸如照明控制之類的應用僅需要一個簡單的感測控制反饋回路。另一個示例是實現電器的常見功能,即當微波爐或冰箱的門打開時,里面的燈會亮。由于這是一項需要較少資源即可實現的簡單功能,因此智能DAC可以提供幫助。
圖2顯示了具有集成NVM的智能DAC。借助在系統生產期間將寄存器設置存儲在存儲器中的功能,您可以在存儲器中對智能DAC的加電狀態進行編程。符合汽車電子委員會Q100標準的智能DAC可以在125°C的工作溫度下將存儲記憶保留20年之久,因此非常適用于汽車和工業應用,例如汽車日間行車燈的多斜率熱折返,或航空航天和國防系統中的陸地和移動無線電。

圖2:具有NVM的DAC53701方框圖
生成定制輸出
智能DAC同樣適合需要生成PWM的應用,例如內置可配置的模擬至PWM占空比轉換或通用輸入 (GPI) 至PWM轉換的遠程故障管理。與MCU或基于計時器的解決方案(如555計時器)不同,智能DAC不需要研發時間或其他容易出現溫漂的分立式元件。圖3顯示了使用10位電壓輸出DAC53701智能DAC進行溫度至PWM轉換的示例,其中PWM輸出的脈沖寬度會隨溫度變化而調整。您可以在技術文章“使用智能數模轉換器生成脈寬調制信號”中了解其他PWM應用。

圖3:DAC53701會根據溫度變化調整PWM輸出
您還可以在患者監護系統中生成音調時實現這些波形,在此類系統中,智能DAC可通過提供預配置圖形和基于通用輸入/輸出(GPIO)的觸發功能來生成醫療警報。我們的“揭開醫療警報設計的神秘面紗,第1部分:IEC60601-1-8標準要求”系列對此主題進行了更詳細的介紹。
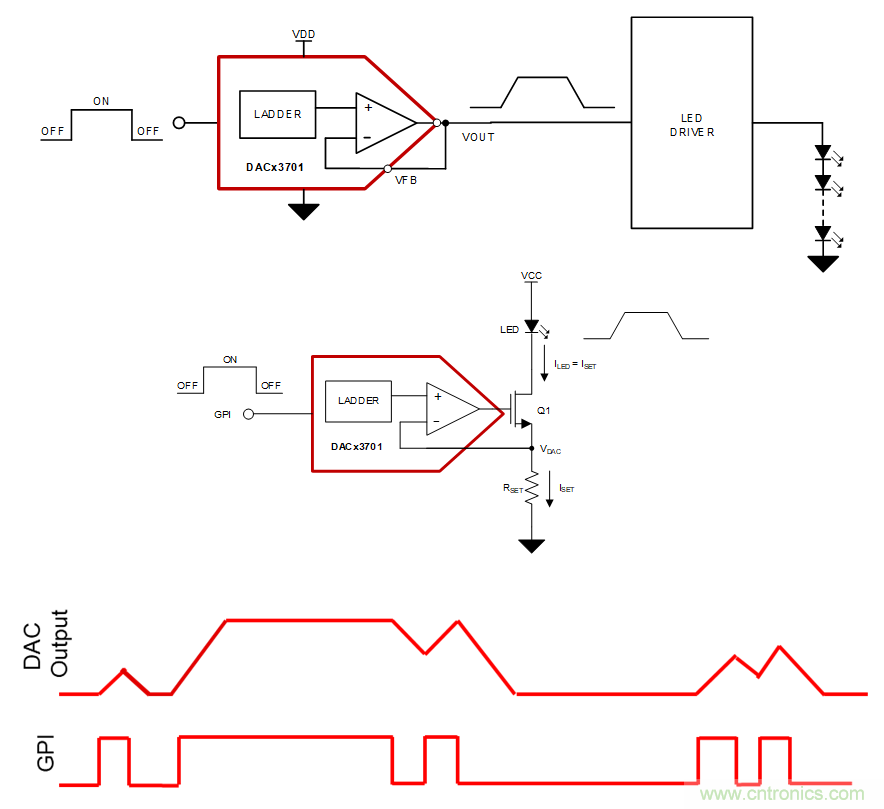
生成LED淡入、淡出和熱折返
在電器和車輛的照明應用中,智能DAC可生成淡入和淡出信號,從而提供數字輸入觸發和可編程計時。設計人員可以通過重新編程NVM來構建模塊化系統并在各個電路板上進行LED亮度等調整,從而減少開發時間和成本。
LED可靠性與工作溫度成反比,為了提高LED的使用壽命,必須進行主動熱折返以改善熱管理。汽車照明中的日間行車燈(DRL)可一直打開,并在白天暴露于日光下。此時需要通過熱折返來更大限度地延長LED壽命,而智能DAC可通過內置特性幫助簡化系統設計。
圖4顯示了電路以及GPI輸入和DAC輸出之間的關系,以及如何由GPI直接控制DAC輸出的上升和下降以產生轉向的LED淡入或淡出。電器通常使用傳感器來確定門處于打開還是關閉狀態,GPI將其表示為高電平或低電平。

圖4:電器淡入和淡出信號的GPI脈沖時間與DAC輸出斜坡時間的關系
作為可編程比較器
在家電、醫療設備、零售自動化和其他工業應用中,智能DAC還能作為可編程比較器,提供可編程遲滯或輸出鎖存功能,并有助于簡化故障管理軟件和減小電路板尺寸。
圖5顯示了可編程遲滯和鎖存比較器功能,以及如何在存儲于NVM中的高裕度和低裕度值設置的閾值范圍內跟蹤DAC輸出。
對于可編程遲滯,如果輸入超過高裕度值,則GPI將切換為低電平。如果跟蹤的值繼續下降到低于高裕度值,則GPI不會發生任何變化。直到該值下降至低裕度值以下,將導致GPI觸發高電平。這可用于在給定值超出有限范圍時發出警報。對于鎖存比較器實現,反饋電壓僅需小于VDD(因為運算放大器由VDD供電),因此如果鎖存為高電平,則輸出將再次變為低電平。

圖5:智能DAC作為可編程比較器,具有遲滯和鎖存比較器
結束語
如這些用例所示,智能DAC可用簡單的單芯片解決方案代替分立式模擬電路和MCU,從而幫助您設計獨立的電路,這會節省時間并降低系統成本。使用此預過濾產品搜索功能來探索TI的智能DAC產品系列。
其他資源
DACx3701-Q1數據表顯示了熱折返回路的實施方法。
免責聲明:本文為轉載文章,轉載此文目的在于傳遞更多信息,版權歸原作者所有。本文所用視頻、圖片、文字如涉及作品版權問題,請聯系小編進行處理。
推薦閱讀:


