【導讀】第一講中我們主要講解了單端/偽差分輸入、高阻抗單端轉差分和單電源,本文主要講解驅動單極性精密ADC的單通道雙放大器配置。相信大家閱讀本文后,能夠對模擬電子中的數據轉換過程深入了解。
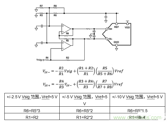
這是一款常用配置,可用來擴展輸入范圍,尤其是+/-10V工業IO。 放大器可采用電壓較低的單電源,因為輸入共模電壓由R5/R6和R7/R8固定。 在此配置中,R7=R8且R3=R4。 R1/R2和R5/R6可根據輸入范圍和電平轉換要求進行設置。 其典型比率如下表所示,但可靈活匹配各種輸入范圍。

圖1
利與弊

圖2
用這種方法實現的單端轉差分具有最低的噪聲,適合單電源類應用,可耐受阻性輸入。 有關采用FDA的設計詳情可參見應用筆記AN-1026:高速差分ADC驅動器設計考慮因素。 就噪聲性能而言,似乎顯然應該采用這種方法;然而,有些時候可能并不存在合適的FDA,而使用雙放大器的定制電路可能更為合適。 就單個放大器而言,可選產品種類要多得多。

圖3
[page] 差分至差分驅動
如果輸入信號是差分的,那么萬一所選FDA受到限制,則使用雙放大器可增加產品選擇數量。 若輸入同時也是全差分的,則相比任意雙放大器選項,FDA可能具有更低的輸出噪聲和功耗;但是,在有源濾波器應用中,雙放大器可能更為穩定,并因為更廣泛的分類產品而獲得更多的靈活性(FET輸入、超精度、RRIO等)。
差動放大器
本配置提供帶增益的高輸入阻抗;然而,輸入共模固定為Vref/2的ADC共模。從Vref/2開始的任意輸入共模變化都會導致ADC輸入共模的偏移,同時降低性能和信號擺幅。該配置用來測量電橋(比如電子秤和稱重傳感器等)時非常有用。

圖4
提供電平轉換的差分轉差分
該配置采用兩個放大器,將一個輸入信號電平轉換至Vref/2的ADC共模電壓。在此配置中,R1=R3,R2=R4,并且可針對增益或衰減配置。 R5和R6之比用來將信號電平轉換至所需范圍。 任意輸入共模變化都會導致ADC輸入共模的偏移,同時降低性能和信號擺幅。

圖5
采用FDA實現差分轉差分針對特定應用,如果可以找到合適的FDA,則采用該配置可獲得最佳噪聲性能。 可方便地進行電平轉換,但以阻性輸入為代價。 反相配置允許單電源/軌到軌供電。 如需更多詳情,可參考前文提及的應用筆記AN-1026:高速差分ADC驅動器設計考慮因素。

圖6




