【導讀】現如今,蓄電池被普遍應用,快速充電技術也逐漸被重視。傳統充電技術時間過長,而且損耗電池壽命,已經逐漸淘汰。本文中對快速充電技術進行了總結和歸納,深入探討了快速充電技術的可行性。
一、快速充電原理
蓄電池的種類很多,目前應用最廣的主要是密封鉛酸蓄電池和鎳鎘電池。這2種蓄電池的充放電原理都是一樣的,即都是通過化學反應產生正負離子形成電流。
電池在充放電的過程中會產生氧氣,在密封式蓄電池中,這些正極產生的氧氣可以通過隔膜和氣室被負極吸收,整個化學反應形成一個循環的反應形式。就密封式電池而言,它的內壓有限,因此負極的吸收速度也是有限的。如果充電電壓過高,正極產生氧氣的速度過快,負極的吸收速度跟不上氧氣的產生速度,長時間之后必然造成電池失水,從而誘發電池的微短路硫酸化等失效現象,損害電池的質量,縮短其使用壽命。同時高速率充電時電池的極化會造成電池內部壓力上升,電池溫度上升,電池內阻升高,這不僅會縮短電池壽命,而且有可能對電池造成永久性傷害。蓄電池的這一化學反應原理是研究制定快速充電方法的根本。一方面,快速充電要盡量加快電池的化學反應,使充電速度得到最大的提高;另一方面,又要保證負極的吸收能力,使其能夠跟得上正極氧氣產生的速度,同時要盡可能消除電池的極化現象。
提高蓄電池的化學反應速度有2種方式,一是改進蓄電池的結構以降低其內阻和提高反應離子的擴散速度,二是改進蓄電池的充電方法。本文中對充電方法作了重點論述。
二、快速充電方法
不同種類的蓄電池,具有不同的充放電曲線,其相應的充電方法也有很大的不同。在研究具體的充電方法時,要考慮到這一點以選擇合適的方法。 以鉛酸蓄電池為例,傳統的充電方法(恒流充電或恒壓充電)由于本身的弊端,已基本被淘汰。現行的充電方法大都是使其充電曲線盡可能地模擬蓄電池的最佳充電曲線。 60年代中期,美國科學家馬斯(J.A.MAS)提出了以最低出氣率為前提的蓄電池可接受的充電電流曲線,即任一時刻蓄電池能接受的充電電流為 I=I0expAt 式中:I0為初始充電電流;A為充電接受比;t為充電時間。
圖1示出蓄電池的最佳充電曲線。可以看出,充電電流隨時間按指數規率下降。

圖1:蓄電池的最佳充電曲線
1)如果充電電流工作在N區,則電流過大,會導至溫升,在充電電壓過高時會有大量氣體析出,會對電池造成損壞。2)如果充電電流工作在M區,是可接受的,但充電時間不能達到最短。
3)如果充電電流沿著曲線軌道變化,是理想的充電狀態。實驗證明,如果充電電流按這條曲線變化,可以大大縮短充電時間,并且對電池的容量和壽命也沒有影響。這條充電曲線即為最佳充電曲線。
分級定流充電法和脈動式充電法的基本思想就是使其充電曲線盡可能地模擬最佳充電曲線。圖2是分級定流充電法中三級充電法的充電曲線圖,圖3是脈動式充電曲線圖。在目前蓄電池充電機的市場中,分級定流充電法得到了廣泛地應用。脈動式充電法大多數是采用脈沖充電法和分級定流充電法相結合的方法,將充電過程曲線分為幾段,每段分別采取恒流脈沖充電或恒壓脈沖充電。

圖2:蓄電池的三級充電法

圖3:蓄電池的脈沖充電法

圖3:蓄電池的脈沖充電法
廈門大學的陳體銜教授近2年提出間歇充電法,其特點是將恒流充電段改為限壓變電流間歇充電段。充電前期的恒電流充電段采用最佳充電電流,獲得絕大部分充電量;充電后期采用定電壓充電,獲得過充電量,將電池恢復至完全放電態。圖4是采用變電流間歇充電法的電壓為6V、容量為4Ah的完全放電態電池(荷電態為0)的充電曲線。這一曲線形象地表明了變電流間歇充電的過程。

圖4:變電流間歇充電曲線
筆者以變流間歇充電為基礎,提出了變壓間歇充電法。這種充電方法是把變流間歇充電中的變流改為變壓,通過間歇停充,使蓄電池化學反應產生的氧氣有時間被重新化合吸收掉,從而減輕了蓄電池的內壓,使蓄電池可以吸收更多的電量。變壓充電更符合蓄電池的最佳充電曲線。這是因為:1)蓄電池的容量在使用大電壓恒充后已經得到很大的補充,再次充電時使用同樣的電壓恒充,電池本身的接受能力已有了一定的限制,充電效率會下降。采用降低一級的電壓進行恒充,就等于是在電池已經降低接受能力的情況下用最適宜此時接受 能力的電流充電,因此充電效果顯然是最好的。

圖5:蓄電池的等效模型
2)在研究充電動態特性時,可以將電池近似地看為一個大 電容和一個小電阻,用圖5的簡單模型表示。其中:U是充電電壓,IC是充電電流。 ICRs+UC=U 其中 IC=CdUC/dtUC=a+bexp(-t/T) 則 IC=dexp(-t/T) 其中:a,b,d為常數;T為時間常數,T=RsC。在恒壓充電期間,電池等效內阻Rs近似不變,則充電電流按指數規律衰減。 圖6是變壓間歇充電的曲線圖,和圖1相比較可以看到,這種充電曲線能夠充分模擬最佳充電曲線。試驗結果驗證,這種充電方法的確能夠有效地提高充電的速度和效率。

圖6:變電壓間歇充電曲線
3)從工程角度來看,恒壓控制更容易實現。三、快速充電電源
目前市場上有許多充電集成電路,但大多是針對小功率充電器的,大功率充電器則需要自行設計相應的充電電源。傳統的充電電源主要是相控電源,因為包含工頻變壓器造成電源本身體積較大,且功率損耗也很大。開關電源由于開關頻率比較高,所以有體積小、重量輕、損耗小和效率高等特點。開關電源的發展非常迅速,其應用也日益廣泛,有逐步取代傳統電源的趨勢。
筆者根據系統的要求,設計了30kHz的高頻開關電源作為充電電源。高頻電源中的損耗主要有導通損耗、開關損耗、截止損耗和磁芯損耗,其中導通損耗和開關損耗占據很大的比重。為了有效地降低開關損耗和導通損耗,選擇IGBT作為功率開關管。IGBT是一種新型復合器件,它集雙極型功率晶體管和MOSFET的優點于一體,具有電壓型控制、輸入阻抗高、驅動功率小、控制電路簡單和元件容量大等優點。功率開關管的驅動電路選用專用的IGBT驅動集成電路EXB841,用于驅動大容量、高速IGBT(容量在300A,1200V以下,頻率在40kHz以下)的專用驅動芯片;它由放大部分、過流保護部分和5V電源基準部分組成。過流保護部分實現過流檢測和延時保護功能,能夠提供+15V和-5V2種電壓,以滿足IGBT開通時所需的正偏壓和關斷時所需的負偏壓。
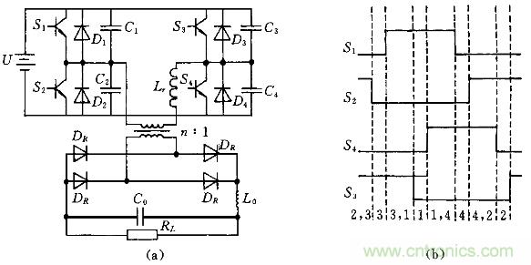
在系統中,設計了移相式零電壓全橋逆變電路,其電路原理圖和波形圖見圖7。這種變換器是在恒頻變換器和移相控制諧振變換器兩者的基礎上發展起來的,它利用變壓器的漏感和開關管的寄生電容來實現零電壓;采用移相控制,每相橋臂的導通相差一個移相角。系統中采用的移相控制芯片是美國Unitrode公司生產的UC3875。

圖7:移相式零電壓開關的全橋變換器結構(a)和控制波形(b)
同普通的全橋電路相比,電路中增加了一個諧振電感Lr,在4個功率開關管上并聯了一個電容Ci(i=1,2,3,4),Ci含開關器件的寄生電容。開關管的控制波形如圖7(b)所示。其中的3,1,4,2段即死區時間,除死區時間外,電路中總是有2個開關管同時導通,共有4種組合:2和3,3和1,1和4,4和2;周而復始地工作。其中的2和3,1和4組合為全橋逆變電路,輸出能量;3和1,4和2不輸出能量。調節這2類組合的時間比例,即調節移相角,就可以實現輸出信號的調節。電路的諧振發生在4種組合相互轉換的死區時間內,每一開關周期有4次。逆變電路參數的不同,使相位超前的橋臂開關S1和S2容易實現零電壓導通,而相位滯后的橋臂開關S3和S4不太容易實現零電壓導通。這就要求相應電感的選取要符合一定的條件,以滿足系統諧振的要求。
[page]
進行了電源移相控制測試試驗(圖8)。試驗結果表明,在負載一定的情況下,移相控制角由0~180°的調整,可以線性地調整電源輸出電壓。當移相控制角為0°時,電源輸出電壓為0,充電電源停止輸出電流;當移相控制角為180°時,電源輸出電壓和輸入電壓基本一致,此時充電電源的輸出電壓最大。
經過功率變換器后的輸出波形見圖9(a),通過高頻變壓器后的波形與其相同。經整流輸出后的波形如圖9(b),是移相控制角為90°,變換器前置直流電壓50V時的情況,這種情況下的輸出電壓波形接近占空比為50%的方波。

圖8:移相控制角與輸出功率和輸出電壓的關系 (a)功率變換器輸出波形(變壓器次級輸出波形)(b)電源高頻整流輸出波形

圖9:測試試驗中的輸出波形
四、模糊控制器結構設計系統采用了變壓間歇充電法,可以適時轉變充電及其間歇過程。系統通過實時控制其充電間歇過程采集蓄電池端電壓。當蓄電池達到預定的停充電壓時,停止充電并間歇預定的時間,然后系統調整進入下一階段的充電過程。恒壓充電過程,采用筆者提出的模糊控制方法,即在每一個恒壓階段,根據輸入變量的變化進行模糊推理,決定輸出變量的變化量,使充電電壓保持恒定。
模糊控制器的基本結構見圖10。選擇蓄電池端電壓的誤差e和誤差變化率e作為模糊控制器的輸入量,選擇移相控制角作為輸出變量。系統通過實時采集蓄電池的端電壓,計算出誤差和誤差變化率,經折算后判斷其所處的狀態,進行模糊推理,再經清晰化,獲得控制量U,通過調整移相控制角的大小,即可調整充電電壓的大小。整個設計過程包括3個部分:精確模糊化,模糊推理和控制量的清晰化。

圖10:蓄電池模糊控制器的基本結構圖
關于精確模糊化,在此作一說明。本系統選定蓄電池端電壓Ud的誤差e(e=Ur,Ur為給定電壓)及誤差變化率e 作為模糊控制器的輸入變量,移相控制角作為模糊控制器的輸出語言變量。由于誤差和誤差變化率實際變化范圍很大,需將它們轉換到固定區域內。端電壓在充電過程中總處于上升階段,因此e的變化范圍只選正半部分;考慮到誤差變化率在接近出氣點時數值很大,模糊語言變量可以考慮再增加PVL(正向非常大的變化)。因此e的語言變量選 PS,PM,PL,PVL;e? 的語言變量選NS,ZE,PS,PM,PL,PVL。再根據實際情況,確定輸入語言變量的量化因子,輸出語言變量的比例因子和隸屬函數。總結
快速充電的實現與充電效果密不可分,充電系統的設計需要以充電對象和適合的充電方法為依據,再根據系統要求的集成電路,確定充電電路和合適的充電電源,這樣才能有效地實現快速充電的目的。
相關閱讀:
分享:單機快速充電器和充電電池的電路設計
揭秘:快速充電真的是“電池殺手”嗎?
基于LTC4156可快速充電的大功率充電器設計




