【導讀】本篇文章詳細解析了在Cypress最新推出的PSoC4平臺上,開發傳感器BLDC的電機控制系統的設計方案。文中詳述了BLOD的電機控制原理,同事介紹了PSoC產品的相關特性。分析在可編程片上系統上開發傳感器BLOD的電機控制系統的優勢及方法,總結出具有實時性的解決方案。
Cypress在2013年推出了可編程片上系統PSoC(Programmable System on Chip)家族的最新產品PSoC4,采用ARM Cortex-M0作為處理核心。PSoC4完全繼承了PSoC芯片家族本身的高度可編程的靈活性,并融合了Cortex-M0高性價比的處理器核架構,使得PSoC4系列產品成為一個具有高度可擴展性的處理器平臺,在性價比、功耗等方面優勢顯著。更值得一提的是,PSoC4針對電機控制提供了完整和極具特色的片內資源,因此工程師在PSoC4上開發電機控制系統時將更加直觀與快捷。
PSoC4產品系列目前推出的是CY8C4100和CY8C4200兩個入門級產品系列。本文即以CY8C4200為例,介紹如何在PSoC4上開發有傳感器的三相無刷直流電機控制系統。
1、PSoC4架構及電機控制的片內資源簡介
1、PSoC4架構及電機控制的片內資源簡介
PSoC 4是基于ARM Cortex-M0 CPU(處理器)的可編程嵌入式系統控制器家族,為嵌入式應用提供了強大的可編程平臺。它集合了可編程模擬資源、可編程內部互聯、用戶可編程數字邏輯、通用的固定功能外設計以及高性能的ARM Cortex-M0 CPU子系統。
(1)高達48MHz,43 DMIPS 的32位Cortex-M0 CPU,支持單周期乘法
(2)多達32 KB Flash及4KB SRAM內存
(3)四個獨立的可支持中央對齊的TCPWM,支持互補的可編程死區及同步ADC操作
(4)兩個支持比較器模式及SAR ADC輸入緩沖功能的運算放大器
(5)兩個電流數模轉換器(IDAC),可以輸出給內部模塊,或通過GPIO輸出到外部成為可定制的用戶電流源。
(6)四個可編程數字邏輯模塊(UDB)
(7)一個支持零開銷通道切換功能的12位1 Msps ADC
(8)CapSense驅動

圖1:PSoC4的系統框圖
PSoC4在開發環境方面與PSoC家族的上一代產品保持一致,仍然為PSoC Creator,延續了將片內資源抽象為模塊化Component的開發方法,控制系統架構清晰具體,簡單快捷。用戶可以更多關注產品的功能開發,而較少的注意芯片的硬件結構細節。
2、基于PSoC4 的無刷直流電機控制系統設計實例
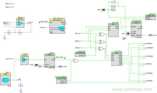
① 控制原理圖設計
霍爾信號經I/O引腳后直接輸入UDB換相邏輯表LUT_Cmut直接驅動三相全橋電路,完成電機的硬件換相。同時霍爾信號也同步輸入另一個UDB邏輯表LUT_Spd,實現霍爾傳感器的失效狀態檢測并完成電機的速度檢測。電機電流經采樣電路后輸入片內運放Opamp_1,經運放和濾波后輸入片內比較器,與片內IDAC產生的過流閾值基準進行比較,反轉后將直接關斷PWM輸出,通過換相邏輯表LUT_Cmut來使電機斷電。

圖2:BLDC電機控制原理圖
② 控制系統軟件設計
由于采用了PSoC4片內硬件進行換相、霍爾失效檢測和過流檢測保護,因此系統的的軟件設計較為簡捷,只需讀取用戶命令和完成速度閉環調節等即可。

圖3:控制系統主程序流程框圖
控制主程序首先初始化和配置PSoC4的內部資源,在主循環中首先檢測用戶的起停命令和速度給定,在執行速度閉環PI調節。最后檢測母線電壓狀態。
③ 控制系統實驗結果
完成系統前述的系統原理圖和程序設計后,在PSoC Creator環境下編譯BLDC電機控制工程,并連接PSoC4開發板,三相全橋驅動板與BLDC電機,通電后電機可正常運行。圖4顯示電機運行在4000RPM時的霍爾信號與三相繞組反電動勢波形。通道1,2,3分別為相繞組A,B,C反電動勢波形。
由圖可以看出,BLDC電機運行穩定,反電動勢為標準的梯形波。

圖4:霍爾信號與三相繞組反電動勢波形
[page]
3、基于PSoC4的無刷直流電機控制架構及優勢分析
PSoC4采用的ARM Cortex-M0高性能處理核心不僅能夠快速完成電機的閉環速度調節和其它相應的控制運算,其內部集成的可編程UDB可以將圖5所示的換相邏輯以CPLD的形式固化在芯片中,實現更快速可靠的硬件換相,無須軟件干涉;此外,UDB更可以直接檢測霍爾信號的失效狀態,并立即關斷PWM輸出,迅速保護電機。
PSoC4內部集成有支持比較器模式的運算放大器(Opamp)和可編程IDAC電流源,因此對電機電流的監控也可以完全集成到PSoC4片內完成,而不需要任何外部有源器件。電機電流經采樣電阻后進入片內Opamp,放大后作為片內比較器的正端輸入,比較器的負端輸入為片內IDAC電流源產生的過流閾值基準。比較器輸出的跳變將直接關斷PWM輸出,保護電機。

圖5:基于PSoC4的無刷直流電機控制框圖
對比基于PSoC4的控制方案和當前市場上的主流商用方案我們不難發現,PSoC4由于集成了豐富的片內模擬和數字資源,可以完全用片內的硬件來完成無刷直流電機的順序換相和電流監控,比軟件實現更加快速可靠,且節省了可觀的片外有源器件的成本。此外,片內的UDB還可以直接檢測霍爾傳感器的失效狀態,并迅速保護電機,這也是其它廠商所不具備的重要功能。
① 無刷直流電機控制原理
無刷直流(Brushless Direct Current, BLDC)電機正在汽車、家電、工業自動化、航空航天及醫療設備領域獲得廣泛的應用,并將繼續逐步取代有刷電機。由于采用電子換相,BLDC電機具有更長的壽命和更小的運轉噪音。此外,隨著軟磁材料技術的進一步提高和價格的不斷下降,BLDC電機將更多的采用高性能的釹鐵硼稀土材料制作永磁轉子,其較高的磁能積和穩定的特性使BLDC電機擁有更好的機械特性和動態響應,更高的效率和轉速范圍。因此,在環境和性能要求比較苛刻的中高端應用中,BLDC電機將獲得進一步的推廣。
從電機結構原理上來說,BLDC電機定子和轉子磁場具有相同的頻率和轉速,因此是同步電機的一種。定子繞組可繞制成單相、兩相和三相,其中三相BLDC電機因輸出功率大、轉矩脈動小和效率高應用最廣泛。本文的研究對象也將放在三相BLDC電機的控制系統上。
三相BLDC電機采用兩相順序通電模式產生旋轉磁場,定子各相繞組的導通與否由轉子位置唯一確定,以保證轉子能夠始終輸出最大轉矩。由于取消了自動換向的機械電刷,因此需要實時檢測轉子的空間位置,霍爾效應傳感器因其較高的性價比和安裝方便被廣泛采用。對于兩相導通的三相BLDC電機來說,每個電周期分成6個不同的通電區間,因此需要三個霍爾傳感器來進行分區。圖6為典型的霍爾傳感器輸出信號與相應的導通相之間的關系圖,霍爾傳感器的每一個變化都要求導通相的實時改變,電機即按照既定的邏輯連續順序運行。

圖6:霍爾傳感器輸出信號與相應的導通相之間的關系圖
② 無刷直流電機主要商用控制方案分析
目前各大主流半導體廠商均推出了各自的有傳感器BLDC電機控制方案,技術類似,也比較成熟。概括說來,將三路霍爾傳感器的輸出接到MCU的輸入引腳上,每一路電平的變化將會觸發中斷,在中斷服務程序中根據圖7的邏輯來查表改變相應的導通相,達到換向的目的。
圖7為市場上的主流商用方案示意圖,通過簡單的分析我們可以發現MCU通過中斷服務程序來進行換相,在對電機電流的監控上,電流信號由外部采樣及運放電路送入ADC后由軟件程序來比較判斷是否過流并關斷PWM輸出,保護電機及電路系統。

圖7:主流商用方案示意圖
總的說來,與永磁同步電機和步進電機相比,BLDC電機的控制較為簡單。各半導體廠商的解決方案結構大體類似,技術也日趨同質化。通過進一步的分析可以發現,電機的換相和電流的監控都在軟件中完成,但是電流的放大與處理需要外部的運放電路,速度慢,成本較高且不可靠。此外,對霍爾傳感器失效的硬件檢測缺乏實時有效的手段,影響電機的安全運行。
結語:本文詳述了在Cypress推出的PSoC4平臺上開發有傳感器BLDC電機控制系統。設計方案的實例證明,BLOD電機借助PSoC4片內集成資源能夠達到換相的目的,而且霍爾失效檢測可以通過內部硬件完成實驗過程,提高了電機控制系統軟件設計的可靠性和實效性。此外,在芯片內部,比較器的電流檢測以及片內集成的運放都可以成為現實。加快了過流檢測的反應速度,從而降低了成本。因此,使用PSoC4設計出的有傳感器BLDC電機控制系統和產品具有更高的實用價值和高效性。
相關閱讀:
基于電機控制的高效家電設計實現
電機控制交流感應電動機
TI無傳感器的Insta SPIN-FOC電機控制
結語:本文詳述了在Cypress推出的PSoC4平臺上開發有傳感器BLDC電機控制系統。設計方案的實例證明,BLOD電機借助PSoC4片內集成資源能夠達到換相的目的,而且霍爾失效檢測可以通過內部硬件完成實驗過程,提高了電機控制系統軟件設計的可靠性和實效性。此外,在芯片內部,比較器的電流檢測以及片內集成的運放都可以成為現實。加快了過流檢測的反應速度,從而降低了成本。因此,使用PSoC4設計出的有傳感器BLDC電機控制系統和產品具有更高的實用價值和高效性。
相關閱讀:
基于電機控制的高效家電設計實現
電機控制交流感應電動機
TI無傳感器的Insta SPIN-FOC電機控制




