【導讀】建筑物照明線路如果采用4線制的電子開關去控制這些照明燈,還要另接電源而改造線路,且工程耗時費力,又影響美觀。今天我們來設計并制作了一款單線紅外遙控開關。它只有單根進線、單根出線,可以直接代換家居中非常普及的墻壁開關,安裝和代換都很方便;還可以方便地實現遙控。
現在的建筑物照明線路大都采用暗線,如果采用4線制的電子開關去控制這些照明燈,還要另接電源而改造線路,且工程耗時費力,又影響美觀。今天我們來設計并制作了一款單線紅外遙控開關。它只有單根進線、單根出線,可以直接代換家居中非常普及的墻壁開關,安裝和代換都很方便;還可以方便地實現遙控。
一、性能簡介:
該電路的優點是:⑴電路采用電流互感器原理來升壓,采用二極管限幅、穩壓, 巧妙地解決了開關自身供電的難題;⑵ 適用范圍廣,隨便用彩電或影碟機遙控器就能遙控 ⑶它還具有自身壓降小、功耗小等優點。

二、工作原理:
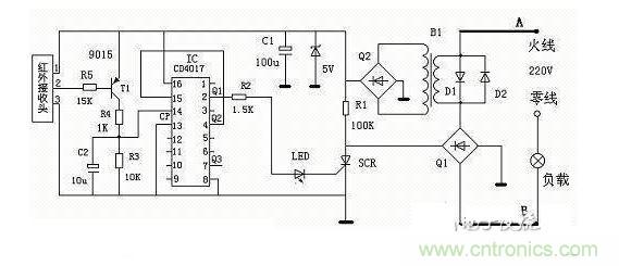
如圖所示,電路左邊A B端為單線進出端,和負載串聯后接在220V市電上。集成塊CD4017 接成雙穩態觸發電路,用來控制單向可控硅;SCR作為控制負載的通斷的開關,可控硅導通相當于開關閉合;微型變壓器B1是用來解決電子開關導通時自身電源的供給;二極管D1 D2并接在變壓器的初級,將初級電壓限制在0.7V左右,可以防止微型變壓器初級線圈燒壞,也可以防止因負載電流過大而造成輸出電壓過高 。
當紅外接收頭接收到紅外遙控信號時輸出負脈沖,通過三極管T1到相后,通過R3 C2構成脈寬選通電路,輸入到IC的脈沖輸入端14腳。集成塊IC 接成雙穩態觸發電路 ,每輸入一個脈沖輸出端②腳的狀態就翻轉一次,從而實現開、關的控制。
開關斷開時:IC1的②腳為低電平,可控硅截止,負載斷電。此時,市電通過全橋Q1整流、然后通過電阻R1分壓后給電子開關提供低壓直流電,保障了待機電源的供給。
開關導通時, IC1的輸出端②腳為高電平,可控硅被觸發導通,相當于開關閉合,負載得電而正常工作。負載回路中有電流流過,必然有電流流過變壓器的初級線圈。由微型變壓器升壓,然后通過全橋Q2整流后,同樣能給電子開關提供低壓直流電。
可見,不論電子開關是導通還是截止,都能夠解決電子開關電路的自身供電問題。每按動遙控器一次,電子開關的狀態就會改變一次,從而實現遙控開關的功能。
三、器材選用與調試:
1. 圖中可控硅、二極管、橋堆應根據負載電流大小而選定,擊穿電壓要在400V以上。
2. 微型變壓器B1選用EE12以下的微型鐵心。制作時,可以通過調整線圈匝數和匝數比,使次級輸出電壓達到電路的要求。如:輸出電壓要求為5V,那么初級和次級的匝數比一般選在1:10左右便可。
3. 紅外接收頭應選用負脈沖輸出的一體化接收頭,最好加裝金屬屏蔽罩,可以提高抗干擾能力



