開關變壓器的工作原理與設計
2-1.開關變壓器的工作原理
現代電子設備對開關電源的工作效率、體積以及電磁兼容和安全要求等技術性能指標越來越高,在決定這些技術性能指標的諸多因素中,基本上都與開關變壓器的技術指標有關。開關變壓器是開關電源中的關鍵器件,因此,在這一章中我們將非常詳細地對與開關變壓器相關的諸多技術參數進行理論分析。
在分析開關變壓器的工作原理的時候,必然會涉及磁場強度H和磁感應強度B以及磁通 等概念,為此,這里我們首先簡單介紹它們的定義和概念。
2-1-1.三個基本概念——磁場強度、磁感應強度、磁通
在自然界中無處不存在電場和磁場,在帶電物體的周圍必然會存在電場,在電場的作用下,周圍的物體都會感應帶電;同樣在帶磁物體的周圍必然會存在磁場,在磁場的作用下,周圍的物體也都會被感應產生磁通。
現代磁學研究表明:一切磁現象都起源于電流,即,載流子的運動。磁性材料或磁感應也不例外,鐵磁現象的起源是由于材料內部原子核外電子運動形成的微電流,亦稱分子電流,這些微電流的集合效應使得材料對外呈現各種各樣的宏觀磁特性。因為每一個微電流都產生磁效應,所以把一個單位微電流稱為一個磁偶極子。因此,磁場強度的大小與磁偶極子的分布有關。
在宏觀條件下,磁場強度可以定義為空間某處磁場的大小。我們知道,電場強度的概念是用單位電荷在電場中所產生的作用力來定義的,而在磁場中就很難找到一個類似于“單位電荷”或“單位磁場”的帶磁物質來定義磁場強度,為此,電場強度的定義只好借用流過單位長度導體電流的概念來定義磁場強度,但這個概念本應該是用來定義電磁感應強度的,因為電磁場是可以互相產生感應的。
幸好,電磁感應強度不但與流過單位長度導體的電流大小相關,而且還與介質的屬性有關。所以,電磁感應強度可以在磁場強度的基礎上再乘以一個代表介質屬性的系數來表示,這個代表介質屬性的系數人們把它稱為導磁率。
在電磁場理論中,磁場強度H的定義為:在真空中垂直于磁場方向的通電直導線,受到的磁場的作用力F跟電流I和導線長度 的乘積I 的比值,稱為通電直導線所在處的磁場強度。或:在真空中垂直于磁場方向的1米長的導線,通過1安培的電流,受到磁場的作用力為1牛頓時,通過導線所在處的磁場強度就是1奧斯特(Oersted)。
電磁感應強度一般也稱為磁感應強度。由于在真空中磁感應強度與磁場強度在數值上完全相等,因此,磁感應強度在真空中的定義與磁場強度在真空中的定義是完全相同的。所不同的是磁場強度H與介質的屬性無關,而磁感應強度B卻與介質的屬性有關。
但很多書上都用上面定義磁場強度的方法來定義電磁感應強度,這是很不合理的;因為,電磁感應強度與介質的屬性有關,而磁場強度與介質的屬性無關,那么,比如在固體介質中,人們就很難用通電直導線的方法來測量通電直導線在磁場中所受的力,既然不能測量,就不應該假設它所受的力與介質的屬性有關。其實介質的導磁率也不是通過作用力來測量的,而是通過電磁感應的方法來測量的。這樣一來,磁場強度反而變成了一個輔助的物理量,因為我們無法直接對它進行測量。
磁場強度H和磁感應強度B由下面公式表示:

(2-1)式中磁場強度H的單位為奧斯特(Oe),力F的單位為牛頓(N),電流I的單位為安培(A),導線長度 的單位為米(m)。(2-2)式中,磁感應強度B的單位為特斯拉(T),
為導磁率,單位為亨/米(H/m),在真空中的導磁率記為
,
= 1。由于特斯拉的單位太大,人們經常使用高斯(Gs)作為磁感應強度B的單位。1特斯拉等于10000高斯(1T=104Gs)。
由于磁現象可以形象地用磁力線來表示,故磁感應強度B又可定義為磁力線通量的密度(簡稱磁通密度),即:單位面積內的磁力線通量。磁力線通量密度可簡稱為磁感應強度,因此,電磁感應強度又可以表示為:

(2-3)式中,磁感應強度B的單位為特斯拉(T),磁通量
的單位為韋伯(Wb),面積的單位為平方米(m2)。如果磁感應強度B用高斯(Gs)為單位,則磁通量
的單位為麥克斯韋(Mx),面積的單位為平方厘米(cm2)。其中,1特斯拉等于10000高斯(1T = 104Gs),1韋伯等于10000麥克斯韋(1Wb = 104Mx)。
電磁感應強度除了可以稱為磁感應強度、磁通密度外,很多人還把它稱為磁感密度。至此,已經說明,電磁感應強度B、磁感應強度B、磁通密度B、磁感應密度B等,在概念上是完全可以通用的。
順便說明,在其它書上有人把磁感應強度B的定義為:B=
(H+M),其中H和M分別是磁場強度和磁化強度,而
是真空導磁率,這完全是為了使磁場強度與電場強度對應、磁感應強度與電感應強度對應的緣故。為了簡單,本書中我們不準備引入太多的其它概念,如有特別需要,可通過(2-2)式的定義來與其它概念進行轉換。
磁感應強度與磁場強度的概念一直以來都比較混亂,這是因為歷史的原因。1900年,國際電學家大會贊同美國電氣工程師協會(AIEE)的提案,決定CGSM制磁場強度H的單位名稱為高斯,這實際上是一場誤會。AIEE原來的提案是把高斯作為磁感應強度B的單位,由于翻譯成法文時誤譯為磁場強度,造成了混淆。當時的CGSM制和高斯單位制中真空磁導率
是無量綱的純數1,所以,真空中的B和H沒有什么區別,致使一度B和H都用同一個單位——高斯。
1900年后,在科技界中展開了一場關于B和H性質是否相同的討論,同時也討論到電感應強度(電位移)D和電場強度E的區別問題。1930年7月,國際電工委員會才在廣泛討論的基礎上作出決定:真空磁導率
有量綱,B和H性質不同,B和D對應,H和E對應,在CGSM單位制中以高斯作為B的單位,以奧斯特作為H的單位。
直至1960年第十一屆國際計量大會決定:將六個基本單位為基礎的單位制,即米、千克、秒、安培、開爾文和坎德拉,命名為國際單位制,并以SI(法文Le System International el''''''''''''''''''''''''''''''''''''''''''''''''''''''''''''''''Unites的縮寫)表示,磁感應強度與磁場強度的概念才基本得到統一。
由于歷史的原因,在電磁單位制中還經常使用兩種單位制,一種是SI國際單位制,另一種CGSM(厘米、克、秒)絕對單位制;兩個單位的主要區別是,在CGSM單位制中真空導磁率
=1,在SI單位制中真空導磁率
。因此,只需要在CGSM單位制前面乘以一個系數
,即可把CGSM單位制轉換成SI單位制,一般可寫成
,看到這個符號即可知道是采用SI單位制;但這里的
或 一般稱為相對導磁率,是一個不帶單位的系數,而
則要帶單位。
這里還需要強調指出,用來代表介質屬性的導磁率并不是一個常數,而是一個非線性函數,它不但與介質以及磁場強度有關,而且與溫度還有關。因此,導磁率所定義的并不是一個簡單的系數,而是人們正在利用它來掩蓋住人類至今還沒有完全揭示的,磁場強度與電磁感應強度之間的內在關系。不過為了簡單,當我們對磁場強度與電磁感應強度進行分析的時候,還是可以把導磁率當成一個常數來看待,或者取它的平均值或有效值來進行計算。
[page]
2-1-2.開關變壓器工作原理簡介
對于開關電源,開關變壓器的工作原理與普通變壓器的工作原理是不同的。普通變壓器輸入的交流電壓或電流的正、負半周波形都是對稱的,并且輸入電壓和電流波形一般都是連續的,在一個周期之內,輸入電壓和電流的平均值等于0,這是普通變壓器工作原理的基本特點;而開關變壓器一般都是工作于開關狀態,其輸入電壓或電流一般都不是連續的,而是斷續的,輸入電壓或電流在一個周期之內的平均值大多數都不等于0,因此,開關變壓器也稱為脈沖變壓器,這是開關變壓器與普通變壓器在工作原理方面的最大區別。
除此之外,開關變壓器對于輸入電壓來說,有單激式和雙激式之分;對于輸出電壓來說,又有正激式和反激式之分。單激式和雙激式開關電源,或正激式和反激式開關電源,它們使用的開關變壓器,在工作原理方面也有很大的不同。
當開關變壓器的輸入電壓為直流脈沖電壓時,稱為單極性脈沖輸入,這種單極性脈沖輸入的開關電源稱為單激式變壓器開關電源;當開關變壓器的輸入電壓為正、負交替的脈沖電壓時,稱為雙極性脈沖輸入,這種雙極性脈沖輸入的開關電源稱為雙激式變壓器開關電源;當變壓器的初級線圈正在被直流脈沖電壓激勵時,變壓器的次級線圈正好有功率輸出,這種開關電源稱為正激式變壓器開關電源;當變壓器的初級線圈正好被直流脈沖電壓激勵時,變壓器的次級線圈沒有向負載提供功率輸出,而僅在變壓器初級線圈的激勵電壓被關斷后才向負載提供功率輸出,這種變壓器開關電源稱為反激式開關電源。
設開關變壓器鐵芯的截面為S,當幅度為U、寬度為τ的矩形脈沖電壓施加到開關變壓器的初級線圈上時,在開關變壓器的初級線圈中就有勵磁電流流過;同時,在開關變壓器的鐵芯中就會產生磁場,變壓器的鐵芯就會被磁化,在磁場強度為H的磁場作用下又會產生磁感應強度為B的磁力線通量,簡稱磁通,用“
”表示;磁感應強度B或磁通
受磁場強度H的作用而發生變化的過程,稱為磁化過程。所謂的勵磁電流,就是讓變壓器鐵芯充磁和消磁的電流。
根據法拉第電磁感應定理,電感線圈中的磁場或磁感應強度發生變化時,將在線圈中產生感應電動勢;線圈中感應電動勢為:

式中,N為開關變壓器的初級線圈的匝數;
為變壓器鐵芯的磁通量;B為變壓器鐵芯的磁感應強度或磁感應強度平均值。
這里引進磁感應強度平均值的概念,是因為變壓器鐵芯中的磁通并不是均勻分布,磁感應強度與鐵芯或鐵芯截面上的磁通實際分布有關。因此,在分析諸如變壓器的某些宏觀特性的時候,有時需要使用平均值的概念,以便處理問題簡單。
從(2-4)式可知,當磁感應強度的變化以等速變化進行時,則可表示:

如果能忽略渦流的影響,則磁場強度H的平均值取決于導磁體材料的性質。變壓器初級線圈內的磁化電流 的增長與H成正比。在特性曲線的直線段內磁場強度H、磁化電流 和磁感應強度B都以線性變化。
脈沖電壓作用結束后( t > τ ),變壓器中的磁化電流將按變壓器的輸出電路特性,即電路參數確定的規律下降,變壓器鐵芯內的磁場強度和磁感應強度也相應減弱,此時,在變壓器線圈內會產生反極性電壓,即反電動勢。變壓器的輸出電路特性實際上就是第一章中已經詳細介紹過的正、反激電壓輸出電路特性。
上面分析雖然都是以單極性脈沖輸入為例,但對雙極性脈沖輸入同樣有效;在方法上,只須把雙極性脈沖輸入看成是兩個單極性脈沖分別輸入即可。
開關變壓器分單激式開關變壓器和雙激式開關變壓器,兩種開關變壓器的工作原理和結構并不是完全一樣的。單激式開關變壓器的輸入電壓是單極性脈沖,并且還分正反激電壓輸出;而雙激式開關變壓器的輸入電壓是雙極性脈沖,一般是雙極性脈沖電壓輸出。
另外,為了防止磁飽和,在單激式開關變壓器的鐵芯中一般都要留氣隙;而雙激式開關變壓器的鐵芯磁感應強度變化范圍相對來說比較大,一般不容易出現磁飽和現象,因此,一般都不用留氣隙。
單激式開關變壓器還分正激式和反激式兩種,對兩種開關變壓器的技術參數要求也不一樣;對正激式開關變壓器的初級電感量要求比較大,而對反激式開關變壓器初級電感量的要求,其大小還與輸出功率有關。
雙激式開關變壓器鐵芯的磁滯損耗比較大,而單激式開關變壓器鐵芯的磁滯損耗比較小。這些參數基本上都與變壓器鐵芯的磁化曲線有關,因此,下面首先對變壓器鐵芯的磁化過程進行詳細分析。
[page]
2-1-3.脈沖序列對單激式開關變壓器鐵芯的磁化
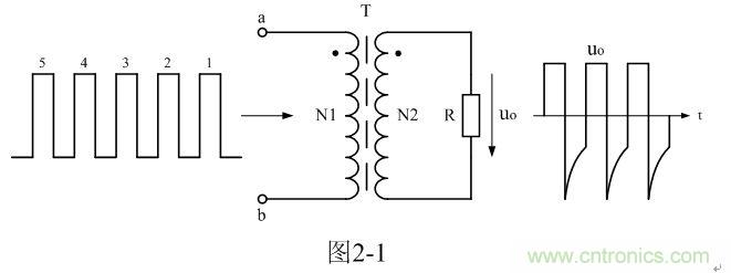
為了簡單起見,我們把單激式變壓器開關電源等效成如圖2-1所示電路,其中我們把直流輸入電壓通過控制開關通、斷的作用,看成是一序列直流脈沖電壓,即單極性脈沖電壓,直接給開關變壓器供電。這里我們特別把變壓器稱為開關變壓器,以表示圖2-1所示電路與一般電源變壓器電路在工作原理方面是有區別的。
在一般的電源變壓器電路中,當電源變壓器兩端的輸入電壓為0時,表示輸入端是短路的,因為電源內阻可以看作為0;而在開關變壓器電路中,當開關變壓器兩端的輸入電壓為0時,表示輸入端是開路的,因為電源內阻可以看作為無限大。

在圖2-1中,當一組序列號為1、2、3、…的直流脈沖電壓分別加到開關變壓器初級線圈a、b兩端時,在開關變壓器的初級線圈中就會有勵磁電流流過,同時,在開關變壓器的鐵芯中就會產生磁場,在磁場強度為H的磁場作用下又會產生磁感應強度為B的磁力線通量,簡稱磁通,用“ ”表示。
在變壓器鐵芯中,磁感應強度B或磁通 受磁場強度H的作用而發生變化的過程,稱為磁化過程;因此,用來描述磁感應強度B與磁場強度H之間對應變化的關系曲線,人們都把它稱為磁化曲線。圖2-2是單激式開關變壓器鐵芯被磁化時,磁感應強度B與磁場強度H之間對應變化的關系曲線圖。
在分析變壓器鐵芯的磁化過程中,經常使用磁感應強度和磁通密度這兩個名稱,前面已經提到,這兩個名稱在本質上沒區別的,可以互相通用,不同場合使用不同名稱,只是為了使用方便。
如果開關變壓器的鐵芯在這之前從來沒有被任何磁場磁化過,并且開關變壓器的伏秒容量足夠大,那么,當第一個直流脈沖電壓加到變壓器初級線圈a、b兩端時,在變壓器初級線圈中將有勵磁電流流過,并在變壓器鐵芯中產生磁場。
在磁場強度H的作用下,變壓器鐵芯中的磁感應強度B將會按圖2-2中0-1磁化曲線上升;當第一個直流脈沖電壓將要結束時,磁場強度達到第一個最大值Hm1,同時磁感應強度將會被磁場強度磁化到第一個最大值Bm1 ;由此產生一個磁感應強度增量ΔB, 。磁感應強度增加,表示流過變壓器初級線圈中的勵磁電流產生的磁場在對變壓器鐵芯進行充磁。

[page]
當序列脈沖電壓加到開關變壓器初級線圈a、b兩端時,在變壓器鐵芯中會產生的磁場,這磁場完全是由流過變壓器初級線圈的勵磁電流產生的,流過變壓器初級線圈的勵磁電流為:

(2-8)式中,
為流過變壓器初級線圈的勵磁電流,U為加到變壓器初級線圈兩端的電壓,L1為變壓器初級線圈的電感量,t為時間,
為初始電流,即t = 0時刻流過變壓器初級線圈的勵磁電流。
當序列脈沖電壓加到開關變壓器初級線圈a、b兩端時,如果脈沖序列的占空系數(占空比)D滿足磁化電流在后一個脈沖進入前下降為零,即:(2-8)式中的
,則流過變壓器初級線圈電流為臨界連續或不連續狀態,磁化曲線如圖2-2所示。
如果在后一個脈沖進入前,磁化電流不為零,即:(2-8)式中的
,此時,磁場強度的初始值也不等于0,即:H(0)>0 ,開關電源工作于電流連續狀態,占空比 ,相當于在開關變壓器的初級線圈或次級線圈中設置了一個偏置電流,圖2-2中的B軸則需要向右平移一段距離。
當第一個直流脈沖結束以后,由于加于開關變壓器初級線圈的電壓為0(開路),流過開關變壓器初級線圈中的電流將為0(回路被切斷),但由于開關變壓器鐵心中的磁通
不能因變壓器初級線圈中勵磁電流為0而產生突變,此時,開關變壓器鐵心中存儲的能量(磁能)將在變壓器的初、次級線圈中產生反電動勢(反激輸出),此時,在變壓器的初、次級線圈回路中都有電流流過。
流過變壓器次級線圈的電流會給負載電阻提供功率輸出,與此同時,流過變壓器次級線圈的電流又會在開關變壓器鐵芯中產生反向磁場,使開關變壓器鐵芯退磁;而流過初級線圈的電流還會對初級線圈中的漏感和分布電容進行充、放電,當負載較輕時,漏感和分布電容在進行充、放電的過程中會在初級線圈回路中產生高頻振蕩,同樣,流過初級線圈的電流也會在開關變壓器鐵芯中產生反向磁場,使開關變壓器鐵芯退磁。
反電動勢的大小與變壓器初、次級線圈回路中等效電阻的大小有關,還與勵磁電流在開關變壓器鐵芯中產生磁場存儲的能量大小有關,即與
的大小也有關。
由于反電動勢產生的感應電流會在變壓器鐵芯中產生反向磁場,使變壓器鐵芯退磁,磁場強度H開始由第一最大值Hm1逐步下降到0;但變壓器鐵芯中的磁感應強度B并不是按充磁時的0-1磁化曲線原路返回,跟隨磁場強度下降到零;而是按另一條新的磁化曲線1-2返回到2點,即:返回到第一個剩余磁感應強度Br1處。因此,人們都習慣地把磁感應強度位于2點的值,稱為剩余磁感應強度(或剩余磁通密度),簡稱“剩磁”。變壓器鐵芯有剩磁,說明變壓器鐵芯有記憶特性,這是鐵磁材料的基本特性。
磁場強度H下降到零,但變壓器鐵芯中的磁感應強度B不能跟隨磁場強度下降到零,而只能下降到原磁感應強度曲線上的某個值(剩余磁感應強度),這種現象稱為變壓器鐵芯具有磁矯頑力,簡稱矯頑力,用Hc表示。變壓器鐵芯具有磁矯頑力,這是鐵磁材料或磁性材料最基本的性質。
同理,當第二個直流脈沖加到變壓器初級線圈a、b兩端時,變壓器鐵芯中的磁感應強度B將按圖2-2中新的磁化曲線2-3上升,磁感應強度被磁場強度磁化到第二個最大值Bm2,使磁感應強度產生一個增量ΔB,
。
第二個直流脈沖結束以后,流過變壓器初級線圈中的勵磁電流下降到零,變壓器初、次級線圈產生的反電動勢,又會使磁感應強度按另一條新的退磁化曲線3-4返回到第二個剩余磁感應強度Br2處;當然,Br2同樣也只是變壓器鐵芯被退磁時磁感應強度變化過程中的又一個臨時剩余值。
其余依次類推,第3、4個直流脈沖電壓同樣也會讓磁感應強度增加一個增量ΔB ,即:
![]()
(2-9)式中,ΔB為磁感應強度增量。由于輸入脈沖的幅度U和寬度τ分別與磁感應強度增量ΔB和磁場強度增量ΔH的大小相對應,只要作用于開關變壓器線圈上的脈沖電壓的幅度U和脈沖寬度τ不變,則流過變壓器次級線圈回路中的電流也不變,這只是在導磁率為常數的情況下;但由于導磁率不是一個常數,即變壓器鐵芯磁化曲線的非線性,致使經過若干個脈沖序列之后,開關變壓器鐵芯中的最大磁感應強度 和剩磁 就會相對穩定在某個值上。此時剩磁 對應每個輸入直流脈沖的起點(0電壓),而最大磁感應強度 對應每個直流脈沖的終點(電壓最大值)。
由于流過變壓器次級線圈回路中的電流會在開關變壓器鐵芯中產生反磁通,會對開關變壓器的鐵芯起退磁作用,因此,開關變壓器鐵芯中的剩磁 和最大磁感應強度 在磁化曲線上的位置,除了與輸入脈沖的幅度U以及寬度τ的大小有關外,還與流過開關變壓器次級線圈回路中的電流大小有關;而流過開關變壓器次級線圈回路中的電流除了與負載大小有關外,還與輸入直流脈沖的占空比D的大小也有關。
由此可知,開關變壓器鐵芯中的剩磁 和最大磁感應強度 在磁化曲線上的位置,與輸入脈沖的幅度U和寬度τ,以及占空比D的大小和輸出負載的大小,均有關系......
未完待續:下文將接著為大家介紹:《脈沖序列對單激式開關變壓器鐵心的磁化》的余下內容以及“開關變壓器鐵芯的導磁率”、“變壓器鐵心的初始磁化曲線”,請耐心等待......
——關于變壓器初、次級線圈會同時產生反電動勢對變壓器鐵芯進行退磁的概念,請參考第一章《1-5-1.單激式變壓器開關電源的工作原理》部分的內容。
相關閱讀:
陶老師談:單激式變壓器開關電源的工作原理
http://www.yttele.cn/power-art/80022120
反轉式串聯開關電源的工作原理及電路參數的計算
——陶顯芳老師談開關電源原理與設計
http://www.yttele.cn/power-art/80022150
串聯式開關電源工作原理及電路參數的計算
——陶顯芳老師談開關電源原理與設計
http://www.yttele.cn/power-art/80022144
陶顯芳老師談開關電源原理與設計
http://www.yttele.cn/power-art/80021940



