中心議題:
- 矩陣級聯型變頻器的拓撲結構及其特點
- 矩陣級聯型變頻器的實現方法
- 矩陣級聯型變頻器的系統仿真
解決方案:
- 將矩陣變換器引入H橋級聯型高壓變頻器
1 引言
近幾年,H橋級聯式高壓變頻器得到了很快的推廣和普及,其“完美無諧波”的特點,被更多的人所贊譽和接受,這主要歸功于一個簡單的思路,即:用相對獨立的低壓變換單元,通過串聯的辦法來解決高壓問題。思路很簡單,但實現起來方法卻各有不同。
本文就提出了一種將矩陣變換器引入H橋級聯型高壓變頻器的新方法,并替換其中的H橋功率單元,舍棄了直流環節和串、并聯電解電容器組,實現了交—交形式的直接變換,因此大大延長了變頻器的使用壽命,體積也可以減小許多。
2 拓撲結構及其特點
2.1 矩陣變頻器
矩陣式變換器,主要由矩陣開關以m×n陣列形式構成,當用作電機驅動時m和n的值都取3,組成矩陣變頻器,其電路拓撲如圖1所示。

圖1 矩陣變換器
虛線框內為矩陣開關,由兩支反串聯的IGBT構成,也可以由兩支反并聯的晶閘管構成,它的作用是實現電流的雙向控制。
(1)特點:
- 可以實現四象限運行;
- 無需電解電容器;
- 無需電力變壓器;
- 體積小,重量輕;
- 效率高。
(2)缺點:
- 開關型功率器件數量多;
- 功率器件需要能耗型吸收電路;
- 采用IGBT時,受器件耐壓限制,高電壓變換難于實現。
[page]
2.2 交—交變頻器
交—交型變頻器,主要由電力變壓器和三個單相交—交變換器共同組成,一般通過星形連接形成三相輸出,電路拓撲結構如圖2所示。

圖2 交—交變頻器
虛線框內為單相交—交變換器功率單元,由數支反并聯的晶閘管構成,作用也是實現可換向整流控制。但是需要說明的是,晶閘管的關斷需要依賴電源交流電壓的自然換向才能實現。
(1)特點:
- 可以實現四象限運行;
- 無需電解電容器;
- 效率較高。
(2)缺點:
- 需要電力變壓器,體積大,較重;
- 晶閘管數量多,需要能耗型吸收電路;
- 晶閘管的關斷依賴電源的交流電壓;
- 輸出諧波較大;
- 輸出頻率范圍因諧波原因受到較大的限制。
2.3 H橋級聯型高壓變頻器
H橋級聯型高壓變頻器,主要由移相式輸入變壓器和多個H橋單相逆變單元共同組成,單元與單元之間串聯,并最終進行星形連接,從而實現三相輸出。如圖3所示,是一個3kV H橋級聯型高壓變頻器的電路拓撲形式,它的每一個相電壓由3個H橋單元串聯而成。

圖3 H橋級聯型高壓變頻器
虛線框內為H橋單相逆變單元,由三相輸入整流、濾波電容組和H橋逆變電路(全橋)共同組成,本質是一個AC-DC-AC變換器。
(1)特點:
- 功率因數高;
- 輸入、輸出電流波形接近正弦波,諧波小;
- 效率較高;
- 高電壓變換容易實現。
[page]
(2)缺點:
- 需要復雜的電力變壓器;
- 體積大,較重;
- 功率器件數量多;
- 依賴直流電容器,如果采用電解電容器,還需要定期維護。
2.4 矩陣級聯型高壓變頻器
本文提出的矩陣級聯型高壓變頻器,主要由移相式輸入變壓器和多個矩陣單相變換單元共同組成,它是在H橋級聯型變頻器基礎上,將矩陣變換單元引入并替代H橋單相逆變單元而形成的,其單元與單元之間也采取串聯及星形連形式,并最終實現三相輸出的。拓撲結構如圖4所示,是一個3kV矩陣級聯型高壓變頻器的電路形式,它的每一個相電壓由3個3×2矩陣變換單元串聯而成,三相共需要9個這樣的單元。

圖4 矩陣級聯型高壓變頻器
虛線框內為3×2矩陣變換單元,通過虛擬整流技術及可三電平輸出的PWM控制技術,實現了三相交流電輸入和單相三電平交流電的輸出,可以適應感性負載的變化。
(1)特點:
- 可以實現四象限運行;
- 無需電解電容器,壽命較長;
- 變流器的體積較H橋單元的小;
- 輸入、輸出電流波形接近正弦波,諧波小;
- 功率因數高;
- 效率較高;
- 高電壓變換容易實現;
- 輸出頻率范圍寬。
(2)缺點:
- 需要復雜的電力變壓器,體積大,較重;
- 功率器件數量多;
- 功率器件需要能耗型吸收電路。
[page]
3 矩陣級聯型變頻器的實現方法
矩陣級聯型高壓變頻器,采用3×2矩陣變換單元相互串聯而成,實現了高電壓的輸出,具有與H橋級聯型高壓變頻器相似的特點,同時又具備矩陣、交—交變換器的四象限運行能力。
其實現方法是:三相高壓交流電經移相變壓器的降壓、隔離和相移,形成互差一定角度的三相交流電。將該三相交流電分別送到各個矩陣變換單元,經虛擬整流、換向、PWM斬波控制和三電平轉換,得到單相的交流電輸出。將數臺矩陣變換單元的輸出端串聯起來,并組合成星形,便得到了可直接驅動高壓電動機的三相交流電。每臺矩陣變換單元通過一對光纖接受控制器的指令和PWM信號,同時也能向控制器傳送狀態和告警信息。矩陣變換單元,采用虛擬整流技術,沒有真正的直流環節,不需要平波電容器,所以使用壽命得到延長,可以減少維護量,甚至可以設計出免維護的產品。
3.1 虛擬整流技術
虛擬整流技術的實現,主要通過三相同步檢測電路取得同步控制信號,然后控制功率器件來模擬二極管橋式整流電路對三相交流電進行整流,同時防止輸入的三相交流電相間短路。其原理如圖9所示,是一個輸出方向固定的虛擬整流電路。仿真波形如圖5所示,它們分別是矩陣變換單元的三相輸入電壓、6路同步信號和虛擬整流后得到的輸出電壓波形。

圖5 方向固定的虛擬整流仿真波形
3.2 換向技術
換向技術,是通過可換向虛擬整流技術實現的,可以設計一個邏輯轉換電路接收由控制器發出的輸出方向給定信號,可以在任意時刻改變虛擬整流電路的輸出方向,仿真波形如圖6所示。

圖6 輸出可換向的虛擬整流波形
[page]
3.3 PWM斬波控制
對虛擬整流波形進行斬波控制,便可以得到占空比可任意調節的PWM波形。如圖7所示,是通過SPWM控制得到的輸出波形圖。可以看出它的包絡就是虛擬整流得到的波形。

圖7 輸出經SPWM斬波控制的輸出波形
3.4 三電平控制
雖然經過上述過程實現了輸出的斬波控制,但是它僅僅實現了通和斷的轉換,并不能為負載提供續流能力。而變頻器應對的都是感性的負載,因此矩陣變換單元必須具備輸出續流環節,為此考慮采用三電平控制策略是必須的。
4 矩陣級聯型變頻器的系統仿真
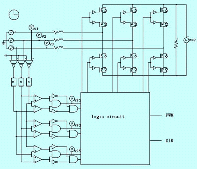
矩陣級聯型高壓變頻器采用的矩陣變換單元,本質上是一個三相輸入,單相輸出的AC-AC變換器,即圖4虛線框內所指的部分,仿真的具體電路原理如圖8所示。

圖8 矩陣變換單元電路仿真原理圖
圖8所示邏輯電路,其作用是完成三電平的轉換和安全機制的處理,限于篇幅的原因不做進一步的分解。
討論如何建立矩陣級聯型變頻器系統仿真模型,應首先討論如何建立單相矩陣級聯模型。
[page]
4.1 單相矩陣級聯
以圖4所示的A相為例,建立由3個矩陣變換單元串聯而成的仿真模型,將電網輸入電壓相互相移20°,每個變換單元在產生SPWM控制信號之前,將三角波參照自身互相相移120°,其他部分完全相同。把變換單元A1、A2和A3尾首相連,A1的首和A3的尾懸空并用于測量。于是得到單相串聯輸出波形圖如圖9所示,參照圖4,它們分別是:變換單元A1輸入三相電壓、A1輸出單相電壓、A2輸出單相電壓、A3輸出單相電壓、A相總輸出單相電壓波形,以及A相給定的基波電壓。

圖9 單相矩陣級聯的仿真波形
通過上述仿真模型得出的結果,不難看出由3個具有三電平輸出能力的矩陣變換單元,可以通過串聯得到3×2+1=7個電平數,這與H橋級聯型變頻器的情況相類似,不同的是矩陣級聯變換器輸出的電平是虛擬整流波形的包絡。值得說明的是,矩陣變換單元串聯的越多,其輸入電壓和調制三角波的相移角度也會選擇的越緊密,系統輸出就越接近正弦波。
4.2 三相矩陣級聯
將單相矩陣級聯串組合成星形連接,便形成了三相輸入三相輸出的交流電。如圖10所示,

圖10 三相矩陣級聯電壓輸出圖
它們分別是A相單臺矩陣變換單元輸出電壓、A相輸出總電壓、B相輸出總電壓和A-B總輸出線電壓的波形圖。
5 結論
本文揭示和描述了一種新型的矩陣級聯型高壓變頻器,并著重闡述了它的拓撲形式、組成原理、實現方法和研究內容等。矩陣級聯式高壓變頻器具有矩陣變頻器、交—交變頻器和H橋級聯型高壓變頻器的三重特點,采用虛擬的多重化整流和PWM逆變技術,不需要電容器組,具有體積小,效率高,低諧波,長壽命等特點,所以對它進行深入的研究將具有十分重要的意義。本文對比了矩陣變頻器、交—交變頻器和H橋級聯型高壓變頻器的拓撲原理、技術特點和優缺點等。




