中心議題:
- 單片機在空調逆變器的運用
- 空調逆變器主回路分析
解決方案:
- 采用INTEL公司的單片機N87C196MC
- 片內集成一個3相波形發生器WFG
- 軟件設計
引言
隨著國內經濟的飛速發展,空調車、豪華車也進入了新的發展階段。空調逆變器是一種新型高效無污染“綠色”能源,其應用前景非常廣闊。
SPWM技術是空調逆變器中主要的控制技術,要生成SPWM脈沖常采用兩種方法:一是由模擬電路生成;二是由單片機等數字電路生成。前者電路復雜,抗干擾性能差,有溫漂現象,系統可靠性和一致性低;數字方法則利用計算機實時計算,這樣系統一致性很高,沒用溫漂現象,同時調試工作量大大降低。INTEL公司推出的16位微處理器N87C196MC/MD是專為電機拖動設置的低成本單片機芯片,片內集成了一個3相波形發生器WFG(Wave Form Generator),這一外設裝置大大簡化了產生SPWM波形的控制軟件和外部硬件,完成整套控制電路十分簡潔。
1 N87C1 96MC片內波形發生器簡介
1.1 WFG的功能特點
N87C196MC片內WFG有3個同步的PWM模塊,每個模塊包含一個相位比較寄存器、一個無信號時間發生器和一對可編程的輸出,即WFG可產生獨立的3對6個PWM波形,它們有共同的載波頻率、無信號時間和操作模式。一旦工作以后,WFG只要求單片機在改變PWM的占空比時對WG COMPX寄存器改變賦值即可。
WFG產生SPWM波形是在下列專用寄存器的控制下完成的。
a.雙向計數寄存器WG COUNT。16位雙向計數器是3對輸出信號的時基發生器。它的時鐘頻率是振蕩頻率處于2,每個狀態周期WG COUNT改變一個計數值。用戶可對WG RELOAD寄存器進行寫操作,而它的值周期地裝入到計數器中。
b.重裝載寄存器WG RELOAD。該寄存器實際包含一對1 6位寄存器,當讀或寫該寄存器時,訪問的是WG RELOAD寄存器。寫到WG_RELOAD的值,被周期地(取決于操作方式)裝入到第二個寄存器。這后一個寄存器叫做計數器比較寄存器,它是WG_COUNT實際與之比較的時間寄存器。
c.相位比較寄存器WG_COMPx。共有3個(X=1,2,3)可讀寫的16位相位比較緩沖器。每一個相位比較緩沖器有一個關聯的比較寄存器,它的值與每次計數后的WG_COUNT相比較。這些寄存器不能直接被用戶訪問。
d.控制寄存器WG_CON。WG_CON是一個16位寄存器。可控制計數方式及產生3個10位無信號時間(deadtime)。利用無信號時間重裝載寄存器可以隨時改變無信號時間。
e.輸出控制緩沖寄存器WG_OUT。可用于選擇輸出引腳的輸出信號方式。可對每個引腳獨立定義有效狀態。
1.2 WFG的基本工作原理
a.從功能上,WFG可分為3部分:時基發生器、相位驅動通道和控制電路。
(1)時基發生器為PWM建立載波周期。該周期值取決于WG_RELOAD的值;
(2)相位驅動通道決定PWM波形的占空比,共有3個獨立的相位驅動通道,每一個通道有一對可編程輸出,每個相位驅動器包含一個可編程的無信號時間發生器;
(3)控制電路包含一些用來確定工作模式和其它配置信息的寄存器。
b.時基發生器WG_COUNT有4種工作方式。當選通波形發生器工作時,根據所選擇的工作方式,作為時基發生器的WG_COUNT連續向上計數或向上/向下計數,每次計數時,WG_COUNT內容與計數比較寄存器WG_RELOAD的值作比較,當二者匹配時,按所選擇的工作方式產生相應操作。
我們一般選擇第0種工作模式,中心對準PWM方式:
載波周期Tc=(4×WG RELOAD)/Fxtal(μ s)
[page]
不考慮無信號時間,輸出"有效"的時間Toutput=(4×WG_COMPx)/Fxtal(μ s)。
不考慮無信號時間,占空比=(WG COMPx/WG RELOAD)×100%。
其中Fxtal為XTAL1引腳上晶振頻率,MHz;WG COMPx為16位值,等于或小于WG_RELOAD,如果大于WG_RELOAD的值輸出占空比為1。
由上式可知,WG COMPX值的變化,改變了PWM波的占空比。而SPWM波形的產生正是由正弦規律的數據值經計算后賦給WG COMPX的,每一次中斷都賦給WG COMPX一個隨正弦規律變化的值,從而產生一系列脈寬不等的SPWM波。
c.WFG的中斷。與波形發生器有關的中斷有2種:WFG中斷和EXTINT中斷。WFG中斷在重裝載WG COUNT時產生。方式0在WG_COUNT=WG_RELOAD時產生一次WFG中斷,每次中斷都產生一個正弦規律的脈沖波,從而形成SPWM波。
EXTINT中斷由保護電路產生。可編程設置產生中斷的方式是邊沿觸發或電平觸發,當控制系統檢測到過流信號,單片機自動封鎖SPWM波形,從而關斷IGBT, 來保護電力電子開關器件。
2 空調逆變器主回路
空調逆變電源主要由下列幾個部分組成:
2.1 主電路
它的形式為DC/AC逆變電路。輸入電壓為DC600V,經輸入接觸器、預充電電路、支撐電容供給逆變器。主開關器件選用德國SIEMENS公司的2單元IGBT模塊,加上輸出濾波電路構成空調逆變器。輸出用隔離變壓器得到三相四線電。
2.2 控制電路
N87C196MC微處理器以及少量外圍芯片構成本電源控制電路,十分簡潔。單片機產生三相6路SPWM信號,同時完成輸入電壓、輸出電壓、輸入電流等采樣,檢測保護,封鎖SPWM脈沖信號,保護IGBT等功能。

圖1 控制電路
2.3 驅動電路
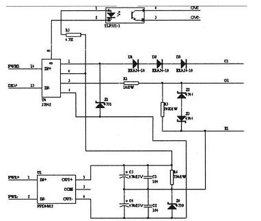
逆變器驅動電路采用日本三菱公司為驅動IGBT設計的專用集成電路M5 7962L,加少量外圍元件構成。N87C196MC輸出SPWM信號通過外圍電路放大后直接給驅動模塊,驅動模塊直接驅動IGBT管,最大可驅動400AIGBT。當M57962L檢測到IGBT管上C、E極電壓高與8V,而且此時IGBT管開通時,持續時間大于2.5 μ s,則發出故障信號,同時封鎖驅動波形,并且發出故障信號給N87C196MC,單片機產生EXTINT中斷,封鎖各路SPWM信號,高速關斷IGBT。

圖2 空調逆變器驅動電路[page]
3 軟件設計
軟件是整個控制系統的核心,所有的電路均為軟件來服務,它決定逆變器的性能,如輸出電壓穩定度、輸出諧波含量。
輸出電壓值、電流限流值均由瑞士LEM公司霍爾傳感器來檢測,經整理后給保護電路和N87C196MC,經N87C196MC片內A/D通道轉換成數字量。輸出電壓給定值經運算作為穩壓的依據。
4 實驗結果及結論
按照上述電路制作了一臺三相35kVA的空調電源。主要參數是輸入為DC600V,三相輸出380V/50HZ。取載波頻率6kHz,無信號時間2.5 μ s。采用輸出濾波(濾波電容50 μ F,電感O.6mH)后輸出電壓,用FLUKE電源分析儀測,總諧波含量3%,效率為97%。
實驗表明,在研制空調逆變器過程中,采用了INTEL公司單片機N87C196MC后,整個控制電路只需加少量外圍器件,結構緊湊,降低了成本,提高了可靠性。通過測試取得了比較理想的結果。同時,只需通過改變軟件,該系統即可用于單相逆變電源,應用十分靈活,因此作者認為N87C196MC單片機在電機拖動控制領域有良好的實用價值。



