- 基于Labview的光伏發電數據監測系統的設計
- 學習光伏監測系統原理
- 采用光伏監測系統
- 采用DataSocket技術實現網絡通信功能
1 引言
光伏發電系統的能量輸出因周圍環境的變化而表現出較大的差異,對光伏發電系統進行實時監測,可以獲得原始測量數據,為系統的改進與優化以及以后的科學研究提供有用數據,對系統環境參數及其系統本身的電氣性能進行監測和分析是保證系統正常高效運行的前提。光伏發電系統的運行一般是在無人職守的情況下進行,對地面上很分散的光伏系統進行監測維護是十分困難繁瑣的,需要大量的時間和人力物力,因此在光伏發電系統中采用遠程數據監測系統具有重要意義。Labview可以利用高性能的模塊化硬件,結合高效靈活的軟件來完成各種測試、測量和自動化應用。靈活高效的軟件可以創建自定義的光伏監測系統的用戶界面并能提供強大的后續數據處理能力,可以方便的設置數據處理、轉換、存儲的方式[4].模塊化的硬件能方便的提供全方位的系統集成,另外Labview還有網頁發布、報告生成、數據管理以及軟件連接等功能。本文利用Labview的強大功能配合FieldPoint模塊化分布式I/O設計了一種光伏發電數據監測系統,并通過網頁發布的功能達到遠程監測的目的。
2 光伏監測系統原理
圖1為光伏數據監測系統的原理框圖。用電流、電壓、溫度、風速等傳感器感應光伏發電系統及周圍環境的信息,生成可測量的電信號。由于傳感器得到的信號可能會很微弱或者含有大量噪聲,需通過信號調理裝置進行放大、衰減、隔離、多路復用、濾波等操作。通過調理后的信號就可以與數據采集設備連接了。監測系統采用工業RS485總線實現下位機與監控主PC之間的通訊。RS485總線最大的通信距離約為1219m,最大傳輸速率為10Mb/S,傳輸速率與傳輸距離成反比,在100Kb/S的傳輸速率下可達到最大的通信距離,加中繼器以后可以達到更大的傳輸距離。Labview軟件及其配套的DAQ(Data Acquisition)驅動程序與數據采集硬件形成了一套完整的數據采集、分析和顯示系統。同時Labview軟件還能夠完成數據存儲任務,以便為以后的科學研究提供可靠數據。通過軟件中的Web發布工具,可以通過互聯網隨時登入監測系統進行遠程數據監測。

圖1光伏數據監測系統原理框圖
[page]3 光伏監測系統硬件設計
3.1 傳感器和變換器
光伏發電監測系統需要從現場獲取的信息主要包括:①光伏方陣運行時的直流電流值、電壓值、功率值,以及經過功率調節器以后的蓄電池充電參數。②采集風速值、光伏組件表面和周圍環境的溫度以及太陽的輻照度。③通過一定時期內采集的數據進行累計發電量、平均溫度、平均輻照度等數值的計算。
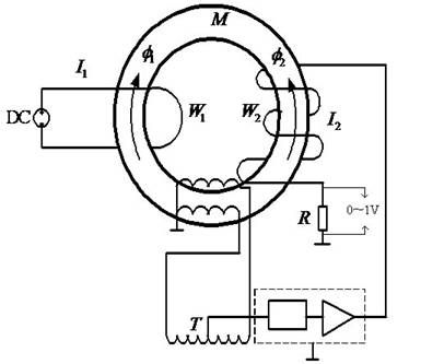
采用與以上信息相對應的傳感器和變換器對數據進行測量,溫度傳感器采用精密鉑電阻溫度傳感器PT100,該傳感器按照IEC751國際標準設計和制作,利用鉑電阻在溫度發生變化時其電阻值也發生變化的特性來測量溫度,傳感器元件由鉑絲燒制,穩定性高,測量范圍廣,利用兩個溫度傳感器可以分別對光伏組件表面溫度和環境溫度進行測量,將被測溫度轉換成(4~20)mA DC二線制標準信號而遠程發送。電壓的測量采用四通牌ST-A系列的STCV-800電壓傳感器,該系列傳感器廣泛用于電力系統的監測,電壓測試范圍分別為0~1200V.直流電流的測量選用武漢儀表公司生產的HD系列高精度直流大電流傳感器。其工作原理如圖2所示。

圖2 電流傳感器原理圖
采用磁性比較方法,M為高導磁率材料鐵芯,、為比例繞組,、分別提供給、直流電流。得到的直流磁勢分別為, ,由于兩個磁勢和方向相反,當時,即鐵芯內合成磁通為零時,磁勢平衡方程為,且當時,.上述說明,即使是一個數值較大的單個電流,只要有足夠的匝數,便可以用較小的與之平衡,并可用表示相應的數值,數值較小,便于直接進行精密測量,且為常量不受其他量的影響,因此用磁性比較方法測量直流大電流可以達到較高的精度。同樣風速、太陽輻射量等信號的測量選用與光伏發電系統相配套傳感器和變換器將信號其轉換為標準電信號才能送入數據調理單元。
3.2 信號調理和數據采集裝置
直接采集來的信號由于噪聲等原因不一定能夠滿足采集系統的要求,為了適合數據采集設備的輸入范圍,由傳感器生成的電信號必須經過處理。信號調理裝置能夠按照要求放大或者縮小電壓電流范圍,并對信號進行隔離濾波等處理。光伏監測系統的信號調理圖如圖3所示。

圖3 光伏監測系統的信號調理
信號調理裝置SCXI(Signal Conditioning Extension for Instrumentation)由信號調理機箱、信號調理模塊和信號連接端口組成。分布式信號采集系統采用模塊化的方式,完成信號調理、數據采集和網絡通訊的功能。分布式信號采集系統非常適合于工業現場的測試,它可以使信號調理在靠近傳感器的位置進行。監測系統采用NI公司的FieldPoint模塊化分布式I/O產品,利用RS485串行接口可以方便的連接到本地PC.FieldPoint內裝信號調理部件,可以直接連接到傳感器,具有精確可靠的16位模擬輸入,可供混用與搭配的獨立I/O模塊能夠在惡劣環境下使用。另外,FieldPoint具有將I/O功能、信號終端和通訊方式模塊化的創新結構。系統設計周期短而且性能穩定,FieldPoint系統包括大量隔離模擬與數字I/O 模塊、接線座, 以及網絡接口, 以便更容易地與標準開放式網絡相連接[9].用戶可以單獨選擇最合適的特定應用網絡接口模塊、I/O 模塊或信號終端類型。光伏發電監測系統選用NI FP-AI-110 單端輸入模塊、NI FP-TC-120 熱電偶模塊和NI FP-1001 網絡接口模塊。
由于太陽能輻射傳感器是利用其頂部的光電探測器來測量太陽輻射的,能夠將光信號轉換為電壓信號,于是采集選用NI FP-AI-110模塊,它是8通道單端輸入模塊,用于從各種傳感器直接測量電壓和電流信號。 溫度的采集選用NI FP-TC-120,8通道熱電偶模塊,操作溫度范圍為-40到70°C ,用于標準J、K、T、N、R、S、E和B熱電偶的溫度的測量,具有信號調理、雙層絕緣隔離、輸入噪聲過濾的功能和高精度delta-sigma 16位模-數轉換器,保證測量數據的精確。以上兩模塊均提供HotPnP(熱插拔)操作且配置簡單,可自我診斷和自動調整到工程單位,是專為高效高可靠度的測量而設計的,提供濾波處理的低噪音16位分辨率模擬輸入和過量程保護、板載診斷的功能都確保了無故障的安裝和維護,且均附有NIST校準認證書以確保精確可靠的模擬測量,非常適合在光伏發電監測系統中進行應用。為了實現FieldPoint和RS485總線之間的通訊,還采用NI FP-1001網絡接口模塊,每個FP-1001網絡模塊可將多達9個FieldPoint I/O 模塊作為結點連接到RS485網絡。FP-1001通過FieldPoint端子基座連成的本地高速總線,管理PC和I/O模塊間的通信。 FP-1001還提供若干診斷和自動化的功能,令安裝、使用和維護得以簡化。
[page]
4 光伏監測系統的軟件設計
虛擬儀器技術(Virtual Instrumentation,VI)是隨著計算機技術、大規模集成電路等技術的飛速發展,儀器系統與計算機軟件技術緊密結合,而對傳統儀器概念的突破。美國國家儀器(NI)公司開發的圖形化軟件開發環境Labview(Laboratory Virtual Instrument Engineering Workbench)是一種用圖標代替文本行創建應用程序的圖形化編程語言,是目前實現虛擬儀器軟件設計最流行的工具之一,被公認為標準的數據采集和儀器控制軟件,現已成為測試測量和控制行業的標準軟件平臺[10].
4.1 監測系統前面板設計
由于Labview使用G語言(圖形化語言)進行程序設計,因此該系統界面包含了光伏發電監測系統所要進行監測的溫度、電流、電壓以及輻照度等的全部信息,Labview中的VI程序由前面板、程序框圖、VI圖標3部分構成,其中前面板是VI 程序的用戶操作界面,是VI程序的交互式輸入和輸出端口。如圖4所示,系統前面板即系統界面主要由主監測界面以及各種參數界面組成。主界面主要由發電參數監測模塊、環境參數監測模塊和數據處理模塊3部分組成,各獨立參數模塊可以進行有關的參數設置,實時顯示數據,數據處理模塊可以存儲相關的歷史數據并進行數據回放,以便對特定模塊單獨進行分析處理。

圖4 光伏監測系統前面板
圖5是光伏發電數據監測系統前面板對應的部分程序框圖,主要包括電壓采集、電流采集、輻照度采集、溫度采集及其處理程序。

圖5 光伏監測系統部分程序框圖
4.2 數據庫的建立
實現數據庫功能的第一步是建立數據源,由于Labview數據庫工具只能操作而不能創建數據庫,所以必須借助第三方數據庫管理系統,選用Microsoft公司的Access軟件來創建數據庫。建立一個名為PVData.mdb的數據庫文件,利用通用數據連接UDL(Universal Data Link)來獲得數據庫信息以實現數據庫連接,建立與數據庫文件對應的PVData.udl文件。數據庫連接完成后便可以對數據庫進行操作了,包括創建表格、刪除表格、添加測試記錄、查詢記錄等操作。如用Labview數據庫工具包中的DB Tools Create Table.vi來創建光伏組件表面溫度測試數據表,數據表中包括測試時間、測試數值、測試人等多項信息,用DB Tools Drop Table.vi來刪除某個表格,用DB Tools Insert Data.vi添加一條記錄。數據存儲到數據庫之后,用DB Tools Select Data.vi來將已存儲的數據讀出,進行記錄的查詢。從Tools Select Data.vi讀出的數據是動態數據類型需要用Database Variant To Data.vi將其轉換成正確的數據類型。
大多數情況下,并不需要把光伏發電監測系統數據庫中的數據全部讀出,由于Labview數據庫工具包完全支持SQL語言(Structured Query Language),在Tools Select Data.vi的optional clause輸入端按照SQL語法輸入條件語句,即可讀出需要的數據。如輸入語句"Where TestTime='2008-9-12 10:24:20';",就能把此時間的數據記錄讀出來。
5 網絡通信功能的實現
5.1 DataSocket通信技術
光伏發電監測系統本地計算機的數據通信可以采用DataSocket技術,它是NI公司推出的面向測控領域的網絡通信技術,基于Microsoft的COM和ActiveX技術,對TCP/IP協議進行高度封裝,用于共享和發布實時測量數據。DataSocket能夠有效的支持本地計算機上不同應用程序對特定數據的同時應用,以及網絡上不同計算機的多個應用程序之間的數據交互,實現跨機器、跨語言、跨進程的實時數據共享,在10M的網絡中的傳輸速率可以達到640kbps,完全能夠達到本監測系統的要求。利用DataSocket和網絡技術,可以更有效的進行數據采集、分析、處理和顯示。如對于光伏發電系統溫度信號的監測,在不同主機上分別創建一個DataSocket服務器VI和一個DataSocket客戶端VI,使用DataSocket函數節點傳遞數據。首先運行DataSocket Server應用程序,它是一個獨立運行程序,通過內部數據自描述格式對TCP/IP進行優化和管理,然后利用服務器VI中的DataSocket Write節點將溫度數據發送到dstp格式指定的連接中,最后在創建的客戶端VI中使用設置好的DataSocket Read節點將數據從指定的地址讀取數據,并顯示在波形圖上。
5.2 遠程訪問
在Labview中,可以通過遠程訪問來實現網絡通信。在光伏發電監測系統中,首先對服務器進行相應的配置,主要包括用來設定服務器目錄和日志屬性的"Web服務器配置",設定對客戶端開放的VI程序"Web服務器中可見VI "和用來設置客戶端訪問權限的"Web服務器瀏覽器訪問".在配置完成后,在完成在服務器端發布網頁的操作,在客戶端便可以通過網頁瀏覽器訪問服務器發布的頁面,實現了監測系統的遠程訪問。
6 結束語
本文將虛擬儀器技術應用于光伏發電系統的數據監測,借助于Labview強大的軟件支持構建了一個完整的光伏監測和分析系統。該系統可以方便的對光伏發電系統的發電特性及周圍環境進行實時監測,得到可靠的監測數據。選用了適合本系統的各類傳感器及變換器,并闡述了建立本監測系統數據庫的方法,創新性的應用DataSocket通信技術和Labview遠程訪問技術實現了系統遠程監測的功能。由于FieldPoin模塊化及Labview軟件自身的特點,在需要研究其他運行特性的時候可以很方便的進行擴充,本系統運行穩定,界面友好,操作簡單方便,而且具有成本低,使用方便的特點,是一套通用的監測系統,具有很好的應用前景。



