蓄電池容量均衡方法的中心議題:
- 電阻消耗均衡法
- 開關電容法
- 雙向DC-DC 變流器法
- 多繞組變壓器法
- 多模塊開關均衡法
- 開關電感法
摘要:蓄電池由于其儲能時間長,價格低等特點在電動車、新能源發電等領域得到了廣泛應用。但蓄電池單體電壓、容量較小,為了滿足增大蓄電池容量的要求,一般將蓄電池單體串聯使用,但由于單體的個體差異,在長時間使用后會導致單體的容量各不相同,對整個電池組的效率產生嚴重的影響。因此對蓄電池組各單體的容量均衡就非常重要,是保證蓄電池長期、有效運行的關鍵技術。文中將對現有的各種蓄電池均衡技術進行介紹,并指出各種方法的優缺點。
引言
在由蓄電池作為儲能單元的系統中,由于蓄電池單體往往容量比較低,不能夠滿足大容量系統的要求,因此需要將蓄電池單體串聯,形成蓄電池組以提高供電電壓和存儲容量,例如在電動汽車、微電網系統等領域大多需要蓄電池串聯。由于蓄電池單體自身制作工藝等原因,不同單體之間諸如電解液密度、電極等效電阻等都存在著差異,這些差異導致即便串聯蓄電池組每個單體的充放電電流相同,也會使每個單體的容量產生不同,進而影響整個蓄電池組的工作。最壞的情況,在一個蓄電池組中,有一個單體的剩余容量接近為100%,另一個單體的剩余容量為0,則這個蓄電池組既不能充電也不能放電,完全不能使用。因此對蓄電池容量的均衡是非常重要的,尤其是在大量蓄電池單體串聯的情況。
蓄電池容量均衡的方法主要有電阻消耗均衡法、開關電容法、雙向DC-DC 變流器法、多繞組變壓器法、多模塊開關均衡法、開關電感法等。
1.電阻消耗均衡法
電阻消耗均衡法是通過與電池單體連接的電阻,將高于其他單體的能量釋放,以達到各單體的均衡,如圖1 所示。每個蓄電池單體通過一個三極管與一個電阻連接,通過控制三極管的導通與關斷實現蓄電池單體對電阻的放電。該種結構控制簡單,放電速度快,可多個單體同時放電。但缺點也很明顯,能量消耗大,只能對單體進行放電不能充電,而且其他蓄電池單體要以最低的單體為標準才能實現均衡,效率低。

圖1 電阻消耗均衡法結構圖[page]
2.開關電容法
開關電容法是在每兩個相鄰的蓄電池之間通過開關器件與一個電容并聯,如圖2 所示。通過控制開關器件驅動信號PWM 的占空比實現相鄰兩個電池之間能量的傳遞。例如若蓄電池單體容量B1 高于B2,G1 開通G2 關斷時,電容C1 和電池單體B1 并聯,B1 將能量傳遞給C1;G1 關斷G2 開通時,電容C1和電池單體B2 并聯,C1 將能量傳遞給B2,完成這個周期內的能量傳遞。以此類推,通過控制開關器件的開通與關斷,利用電容實現能量的逐個傳遞。

圖2 開關電容均衡法結構圖
該電路可以等效成如圖3 所示電路,在每兩個電池單體之間連接一個等效電阻,可以推出如等式淵1冤給出的等效阻值。這種方法由于能量逐個傳遞,因此均衡時間較長,可以根據等式淵1冤,通過改變開關器件的開關頻率和電容容值的方法調節等效電阻,改變充放電電流。

圖3 開關電容法等效電路

式中:f 為開關頻率;t=RC;D為占空比。
開關電容法控制簡單,可實現充電和放電均衡,但由于是逐級傳遞能量,因此均衡速度較慢。
[page]
3.雙向DC-DC變流器法
該方法每個蓄電池單體都連接一個雙向DCDC變流器后再串聯,如圖4 所示。由于蓄電池單體電壓等級比較低,一般情況下將蓄電池單體作為低壓側。在給蓄電池組充電時,根據圖5 的控制策略,可以實現對每個蓄電池單體的恒壓充電,如果將該控制策略的電壓外環打開,可以根據均衡的需要進行恒流充放電控制。在放電時,如果連接負載較重,有些雙向DC-DC 變流器的電感可能工作在斷續狀態。

圖4 雙向DC-DC 變流器法結構圖

圖5 蓄電池單體恒壓充電控制框圖
這種均衡方法可以同時對所有電池單體進行充放電,并針對不同電池單體的容量情況控制充放電電流。此方法控制靈活,充放電均衡時間短。但由于每個蓄電池單體都需要一個雙向DC-DC 變流器,因此成本較高。
[page]
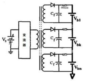
4.多繞組變壓器均衡法
多繞組變壓器法是將每個蓄電池單體連接到變壓器的一個副邊,如圖6 所示。在對蓄電池組進行電壓均衡時,控制變壓器副邊電壓首先高于最低的一個蓄電池單體,此時這個單體電路中的二極管導通,其他單體連接的二極管由于承受反壓關斷,僅給電壓最低的蓄電池單體充電,等到這個單體充至倒數第二高時,再提高副邊電壓,給最低的兩個單體充電,照這種方法持續下去,充電電壓如圖7所示。

圖6 多繞組變壓器法結構圖

圖7 變壓器副邊充電電壓波形圖
這種充電方式的多繞組變壓器設計復雜,而且價格較貴,需要根據不同的蓄電池單體數量改變繞組個數,不易于蓄電池組的擴展曰僅能通過給蓄電池單體充電的方式實現均衡。
[page]
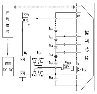
5.多模塊開關選擇均衡法
該種方法的結構如圖8 所示,由于串聯蓄電池單體數量較多,可以將這些單體分為M 個模塊,每個模塊有K 個單體。每個蓄電池單體均有一組開關與雙向DC-DC 變流器連接,開關由兩個反向串聯的MOSFET 組成,在單體未選中進行充放電時,控制芯片控制相應MOSFET 關斷,單體與變流器斷開曰由控制器選擇給某個單體進行充電時,通過控制芯片開通對應的光耦,令MOSFET 導通,將該蓄電池單體接入DC-DC 變流器,如圖9 所示。

圖8 多模塊開關選擇均衡法結構圖

圖9 多模塊開關選擇均衡法控制電路
這種方法可以對任何一個單體進行單獨充放電,充放電電流可控,但是每次只能針對一個電池單體,因此整個蓄電池組的充放電均衡時間較長,尤其在單體數量很大的情況下。
[page]
6.開關電感法
開關電感法是在相鄰兩個蓄電池單體之間通過MOSFET 與一個電感相連,如圖10 所示,若當單體容量B1 大于B2 時,首先令開關Q1 導通Q2 斷開,B1 給電感L1 充電,然后Q1 斷開Q2 閉合,此時電感將存儲的能量釋放給B2,為了保證Q1 和Q2 不同時導通,會加入死區,在死區時間里,電感L1 通過B2,D2 續流。同時B2 也可以給B3 傳遞能量,也可以實現能量反方向的流動,直到所有電池單體容量相同為止。

圖10 開關電感法電路結構圖
開關電感法可以實現相鄰電池單體間能量的同時傳遞,可以減少均衡時間,對于N 個蓄電池單體,需要2N-2 個MOSFET 和N-1 個電感。
7.結論
蓄電池組各單體容量的均衡對于串聯蓄電池組的工作效率和安全起著非常重要的作用,長時間的不均衡會導致整個蓄電池組壽命縮短,嚴重影響整個系統的工作。本文介紹了各種蓄電池均衡方法的工作原理和優缺點,從中我們可以看出,沒有一種方法是十全十美的,需要根據應用場合堯均衡時間堯串聯數量堯成本等因素綜合考慮,進行實際應用的選擇。




