- 探究電容式觸控電荷轉移橫向模式技術
- 分析單層觸控屏幕的工作特點
- 利用電荷轉移技術解決應用挑戰
- 采用雙軸多觸點技術
目前電阻式觸控面板由于其多層材料堆棧架構的限制,使其在透光度與計算手指位置的精確度上不若電容式觸控面板來得好,電容式觸控面板若采用電荷轉移技術中的橫向模式方案,則更可解決電容式觸控屏幕噪聲與噪訊比的問題,從而開發更具優勢的電容式觸控屏幕。
由于觸控屏幕反應迅速,而且是直觀式操作,因此正迅速被各類消費電子產品和交通售票系統等工業及商業設備選為使用者接口。
在技術層面上,觸控屏幕早在數10年前就已確實可行,但早期技術并不適用于低成本的大眾市場應用,這些技術包括紅外線系統與表面聲波感測系統,由于紅外線系統采用由水平和垂直兩個方向構成的傳感器數組,用以檢測使用者的手指是否靠近屏幕表面,而阻斷經過調制的光束,而表面聲波傳感器,因手指接近屏幕表面時會吸收聲波,因此該技術可根據聲波的變化確定是否有手指觸及屏幕。
除上述提到的技術之外,還有幾種其它技術,不過目前的主流趨勢是電阻式和電容式感測,這兩種技術都有其優勢,但最新的電容式控制IC不單能簡化單觸控應用,而且還可以實現電阻式感測系統無法提供的多指觸控功能。
電阻式觸控面板 囿于架構而導致諸多缺點
電阻式觸控屏幕已擺脫從1970年代就存在的專利限制桎梏,這種技術的工作原理很簡單,主要部分是由兩層微小空氣隙隔離的透明電阻材料組成,一般是淀積在塑料膜和玻璃基板上的氧化銦錫(ITO),其中,頂層是軟性的(Flexible),而低層是硬性的(Rigid),中間有許多細小的透明間隔點以隔離兩個導電層(圖1),當用戶手指按壓頂層時,在接觸點形成電壓梯度時,電子控制組件會對之進行感測,并計算出X、Y坐標的位置。

圖1:電阻式觸控面板原理示意

圖2:電阻式觸控屏幕電極正交電位計
在最簡單的四線(Four-wire)電阻式連接中,頂層兩端和低層兩端分別各連接兩個電極,兩層的電極互相呈九十度交叉,形成四線星狀連接結構,這實際上就是一對彼此正交的電位計(圖2),相當于機械操縱桿的平面屏幕模擬。為了在X軸方向測量觸摸位置,觸控板的控制器將X-設為接地,而X+偏置為參考電壓,然后從Y層的兩端讀取電壓,以找出X軸上兩層的接觸點。同樣地,控制器透過在Y層的電極上加載驅動電壓,并從X層讀取觸摸點電壓,可以確定Y軸上的觸摸位置。
[page]
這種技術的變化形包括五線系統,基板帶有ITO涂層,四邊都有電極。軟性隔膜為第五個電極,當用戶手指壓按時,控制器可測量出X和Y軸的電壓,從而確定觸摸的位置。這種排列通常可提供比四線結構更佳的穩定性和更長的壽命。其它變化還有適用于大型屏幕、分辨率更高的六線和八線系統。
電阻式技術的主要優勢在于其接口電子結構很簡單,控制器只須在一對電極上加載參考電壓,同時測量另一對電極間的電勢即可,而這一點利用片上(On-chip)金屬氧化物半導體場效晶體管(MOSFET)開關、模擬多路器和模擬數字轉換器(ADC)就可輕松做到。若ADC進行差分測量,測量結果實際上成為比率計(Radiometric),可使用Vcc和接地作激勵(Stimulus),透過適當的設計,就完全有可能獲得4,09*,096的分辨率。
相反地,這種技術的主要缺點源于觸控屏幕的多層結構。其基層一般是玻璃,表面涂有一層均勻的ITO,頂層通常由聚乙烯對苯二甲酸酯(PET)制造,內表面(Inner Surface)也涂有一層均勻的ITO,而外表面(Outer Surface)則有硬涂層,以為保護作用,而形成空氣隙以把這些導電層隔離開的細小透明間隔點常在打印制程中產生。這種多層材料堆棧的多層結構對透光性有所影響,一般將降至約透明玻璃透光率的75%,同時,空氣間隙可能產生薄霧效應,進一步降低清晰度。此外,這種結構很容易刮傷損壞,而且因為機械軸性不重合,還須仔細校準以確定X、Y坐標范圍,其它弱點還包括可能吸收電氣噪聲,尤其是來自液晶顯示器(LCD),這時一般須進行濾波,將導致反應時間的延長,當然,控制器一次只能處理一個觸摸位置,也是一大局限。
利用電荷轉移技術解決應用挑戰
由于電阻式觸控屏幕存在缺陷和局限性,許多設計人員已轉向投射式電容感測技術。這種技術在IC形式上分為好幾種電路,主要包括容抗(RC)時間常數測量電路,如弛張振蕩器、直流(AC)電流測量組件,以及電荷轉移(Charge-transfer)組件。電荷轉移組件又分為單端模式(Single-ended)和橫向模式(Transverse-mode),選擇上述任何一種方法,利用在兩層或更多迭層上的電極行列數組,都可以實現觸控屏幕。
RC時間常數技術的基本原理是,當電容組件C隨手指觸摸改變時,電極區域充電或放電所需的時間也隨之改變。測量充/放電期間的變化可得到C的變化,因為C是未知,所以假設為Cx,這種方法有許多變化形式,可測量頻率或時間、可自由運行或以單周期為基礎。RC時間常數測量的缺點是速度較慢,并易受泄漏電流干擾,其動態范圍也非常有限,很難校準,而且容易受到恒定漂移問題的影響。此外,由于其電路的高阻抗特性,所以也極易受外界噪聲干擾,盡管如此,仍有部分觸控屏幕采用這種方案。
至于AC電流測量方法,由一個AC電壓源驅動阻抗,繼而驅動Cx,故測量阻抗產生的電壓就可確定Cx的值。這些電路也有很多和RC電路相同的局限性,不過前者的驅動阻抗一般較低,然而其須利用放大器恢復串聯阻抗產生的小電壓,但訊噪比等方面的問題又隨之而來,這種方法在觸控屏幕中已有一定運用,尤其是在帶低阻抗邊沿的前表面板中。
和RC及AC技術相同,單端電荷轉移電容傳感器也是在每個感測通道采用一個電極板,但不依賴于時序測量或放大器,而是采用互補式金屬氧化物半導體(CMOS)開關把電荷泵入Cx,并把電荷轉移到一個參考采樣電容(Cs)中。透過計算Cs達到預先設定的電壓值所需的周期數,就可很容易求得電荷電平,且這個周期數與Cx成反比。眾所周知,電荷轉移方法有助于抑制泄漏電流的影響,而且由于其采用一個很大的Cs作為檢測器,這個檢測器相當于對外界的一個低阻抗,故其抗外部電氣噪聲的能力非常強。
與之相反,橫向模式電荷轉移感測是每個感測元素都采用兩個電極?;旧?,其電氣行為與單端電荷轉移感測相同,但這些電路在發送/接收矩陣中采用電極數組創造觸控屏幕功能。該方案的優點是其需要的布線較少,更甚之能同時識別和區分多個觸點之間的差異,單端電路也可感測多個觸點,不過由于訊號本身模糊,故不能區分。此外,橫向模式方案還有速度快和功耗低的優勢,因為其能同時測量一條驅動線路上的所有節點,所以可減少50%的采集周期數。這種雙電極式結構具有自我屏蔽外部噪聲的功能,在定功率級上可提高訊號穩定性,因此,量研科技(Quantum Research)一直將橫向模式感測技術作為驅動觸控屏幕的主要方案,利用高載模式采樣、擴頻調制及數字訊號處理等各種增強型技術的結合,促成抗噪聲源干擾能力強,即使在惡劣環境下也較穩健的解決方案。
在電氣方面,橫向模式感測的工作原理非常類似于T橋衰減器電路,使用者的手指實際上相當于一對電容之間的Cx項(圖3)。手指觸控屏幕表面吸收驅動電極和接收電極之間的耦合電荷,電荷經由大量雜散電容路徑返回至電路的接地,這會降低訊號的強度,而降低的程度很容易且可靠地測出。

圖3:橫向模式感測的工作原理
盡管功耗極低,橫向模式傳感器卻容易可穿過好幾毫米厚的塑料、玻璃及其它材料,檢測出使用多手指觸摸,電極可由任何導電材料制作而成,如ITO,而且幾乎任何尺寸和形狀都可以。噪聲消除算法可幫助這些傳感器消除LCD等模塊產生的噪聲,通常毋需單獨的屏蔽層,從而提高顯示器的光傳輸性能,同時降低產品的建構成本和背光功率的要求,而廠商推出的QMatrix橫向模式電路采用一種雙斜坡轉換形式,可確保電路對時間和溫度的變化具有高度穩定性(圖4)。

圖4:QMatrix橫向模式電路示意圖
廠商發展的芯片透過與驅動脈沖同步開關的采樣電容收集耦合到接收電極中的訊號,并利用一個脈沖串改進訊噪比,每個脈沖串的脈沖數量將直接影響電路的增益,因此,可方便調整電路增益,使其適合于不同的面板材料、按鍵尺寸和面板厚度。
脈沖串產生的第一個斜坡是加到采樣電容上的梯級波形訊號,脈沖串過后,驅動器把斜率電阻的參考端切換為高電平,對采樣電容進行放電,直到將電荷用完,電壓比較器檢測出零交叉點為止,獲得零交叉點所需的斜坡時間與X、Y電荷耦合成比例,并隨用戶手指觸摸面板表面而減小(圖5)。

圖5:零交叉點所需的斜坡時間與X、Y電荷耦合比例圖
單層觸控屏幕崛起
由于組件可以在片上執行所有訊號調節任務,故只需少量離散式電阻與電容,再加上一個簡單的序列接口,如I2C即可。從軟件程序設計人員的角度來看,組件擁有簡單的命令集(Command Set)和用于不同寄存器的儲存映像結構,這樣一來,設計人員的主要任務就簡化為設計感測矩陣和編寫接口代碼。投射式電容觸控屏幕需要一個X、Y透明電極矩陣(圖6),以精確確定手指的位置。

圖6:投射式電容觸控屏幕所需之X、Y透明電極矩陣
上述通常需要在玻璃或塑料涂敷的透鏡后迭壓兩層或兩層以上的ITO,由于每增加一層就會增加成本,并降低9%的透光性,因此應該盡可能減少層數。雖然廠商的觸控屏幕芯片完全能支持多層鉆石型圖案,但這些芯片也可采用專有的單層膜技術。相較多層技術,單層膜電極的透明度要高得多、薄得多,成本也低得多,這些優點自然使其大受設計人員青睞。
雙軸多觸點技術面世
利用單層膜同步執行雙觸點檢測也是可行的,但若采用能夠同時解決多觸點事件的雙層技術,性能便會好得多。如圖7顯示在一個實驗室測試模型中使用者用三根指頭和大拇指時,電場的三維測量結果。

圖7:使用多手指時電場三維測量結果
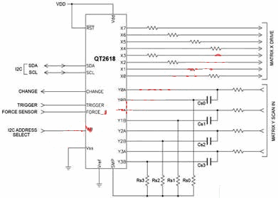
透過連接一個放在六電極Y層上的八電極X層,控制器可支持大至8寸的雙觸控屏幕,而且這種多功能控制器能感測多達六個滑塊或四十八個離散式按鍵,或按鍵、滑塊與觸摸區域的組合,該控制器為接腳數精簡的版本,利用類似的簡單布線圖(圖8),能夠驅動八條X軸和接收四條Y軸,或區分多達三十二個離散式按鍵。

圖8:控制器電路圖
而直接影響增益的斜率電阻器一般在1mΩ數量級,X和Y方向上可選配的電阻器能改善電磁兼容(EMC)性能和抗靜電放電(ESD)能力,典型值在1~20kΩ范圍。除了控制器外,廠商并推出觸控屏幕演示*測工具套件,設計人員毋須使用使用者界面解釋手勢,如某個手勢可能包含兩根手指以水平或垂直方式或成某一角度的分開行動,在照片應用的情況中,這也許意味著對圖像的某個區域局部縮放,而在全球衛星定位系統(GPS)地圖繪制應用中,相同的動作則可能集中在某個特定區域或感興趣的街道。此外,旋轉手勢可能代表旋轉CAD程序三維空間中的某個物體,或是游戲作戰區中某個外星指揮官的太空艦隊著陸。正如其它眾多創新一樣,在設計人員的工具套件中增加概念簡單的工具,可以激勵創新性,催生出在諸多同類產品中脫穎而出的產品。





