- 開光電源兩種導通模式的比較
- 開關控制器的選擇
- 線路保護功能的應用
開關電源的使用日益普及,電視機、機頂盒和錄像機均采用這種方式供電,移動電話充電器、PDA(個人數字助理),甚至一些電動牙刷都采用開關電源。
與傳統的線性電源相比,開關電源具有許多優點。在通常情況下,如果只需要一個直流輸出,采用一個變壓器、整流器和濾波電容就可構成線性電源。有時,可采用一個線性穩壓器提供穩壓輸出。這種系統的主要優點是簡單,所以成本通常較低。而開關電源通常結構復雜、價格昂貴,所以線性電源獲得了廣泛應用。表1列出了兩種系統的優點和缺點。

表1線性與開關電源對比

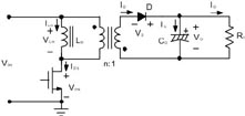
開關電源電路有許多種,但最常見的是反激式轉換器,其原理如圖1所示,電源輸入首先經過整流,然后濾波,接下來經過變壓器和初級開關,以及初級控制器;這個控制器根據反饋信號來改變開關的占空比,反饋信號是由次級反饋而來。

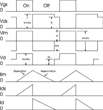
盡管可采用電感器,但所示設計采用的是未隔離的變壓器。隔離設計在離線設備中更為常見,在離線設備中,變壓器具有隔離作用,可方便地實現占空比調整。反激式開關電源可在非連續導通和連續導通兩種模式下工作,不連續導通模式如圖2所示。Ilm和Vlm是變壓器磁化電感通過的電流和施加的電壓。
表2開關電源的兩種導通模式
[page]當開關閉合時,電壓施加在變壓器初級的兩端,因為此時次級二極管是截止的,變壓器所起的作用就像電感器。經過初級線圈的電流會上升,同時能量儲存在磁通量中。當開關斷開時,次級二極管導通,電流通過次級時會下降,因為能量被轉換至次邊大容量電容器。如果電流經過磁化電感區后降至零,這是不連續導通模式。如果磁化電流未降至零,如圖3所示,則系統以連續導通模式工作。
表2列出了兩種模式的優缺點。
兩種模式各有其優缺點,可根據設計要求進行選擇。可以挑選大負載的連續模式設計,或選擇小負載的非連續模式設計。有電壓和電流兩種控制模式,在電壓模式中,次邊電壓被反饋,直接控制工作循環;而在電流模式中,次邊電壓被反饋,控制最大的開關電流,即控制IC的PWM部分使開關閉合,當電流達到反饋設定的極限時,開關就斷開。
控制器的選擇
過去,大多數SMPS系統采用分立控制器IC和用場效應晶體管(FET)作為開關,現在可以采用集成控制器,這些集成器件針對各種功率級別和應用進行了優化,通常可分為雙芯片式和單芯片式兩類。雙芯片式包括控制器芯片和MOSFET芯片,而單芯片式僅有一個芯片,一般采用BCDMOS工藝制造。采用BCDMOS工藝制造高壓功率MOSFET器件,它的局限性多于采用優化MOSFET工藝制造的器件。通常,采用BCDMOS工藝制造的芯片的單位面積RDS(on)值會高出許多。
然而,單芯片解決方案的成本較低,在低功率應用領域具有優勢。因此,一般是為高功率應用選擇雙芯片方案,而為低功率應用選擇單芯片方案,高低功率的分界點在15至20W左右,飛兆半導體有提供兩種類型的功率開關。

應用實例
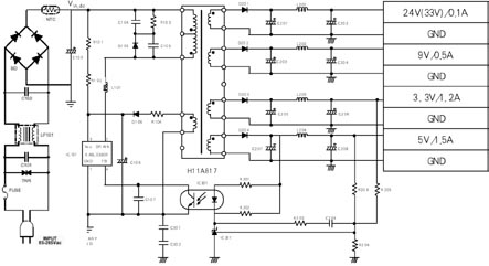
圖4所示為采用KA5M0365R的通用開關模式電源的電路圖,KA5M0365R是雙芯片器件。電源的輸入電壓為85~265VAC,開關頻率為66kHz,輸出為3.3V、1.2A,5V、1.5A,9V、0.5A和33V、0.1A。
內部MOSFET的額定值為3A和650V,但不是簡單的MOSFET,而是SenseFET,其源極面積約有1%被隔離出來,形成次感應源極。漏極電流的1%來自感應源極,它流經集成電阻器,便于準確地測量電流值,不存在與外部電流采樣電阻器相關的損耗。
自線路輸入端開始,首先是一個用于抑制EMI的濾波器,接下來是橋型整流器、NTC電阻器和濾波電容器。NTC電阻器用于避免開關閉合時的電流浪涌。在第一次接通電源時,FPS以旁路模式工作,吸收極少的電流,Vcc電容器被充電,一旦達到電壓鎖定閾值15V范圍的上限,該器件就開始開關,它的電流需求增加,Vcc電壓開始下降。然而,假定Vcc電容器足夠大,Vcc電壓仍保持在電壓鎖定閾值范圍的較低水平,在正常運作期間,第三線圈開始供電。
緩沖網絡(SnubberNetwork)連接在變壓器初級的兩端,以確保變壓器泄漏電感引起的尖峰信號,不會造成開關漏極電壓超過其擊穿電壓。如果超過擊穿電壓,器件會發生雪崩,由于它具有一定的雪崩額定值,這樣僅僅多消耗一點功率,不需配置昂貴的齊納緩沖器。
有四個次級線圈提供四路電壓輸出,通過一個光耦,由431型電壓參考器提供反饋信號。
保護功能
所有的離線式電源必須達到一定的安全標準,圖4所示的設計具有良好的保護功能,得益于控制器具有的過載保護、過壓保護、過流保護、欠壓保護和過熱保護特性。
如果電源超負載但未短路,輸出電壓將會降低,反饋電壓上升,占空比增加以進行補償。然而,因為初邊電流有限,可轉換的最大功率也是有限的,因此反饋電壓將繼續上升。一旦它達到閾值,器件的開關動作就會停止。過載保護可延時以避免負載瞬變導致的錯誤觸發。如果在反饋回路中出現開路故障,反饋引腳電壓將上升,導致工作循環增加,輸出電壓也將上升,Vcc引腳電壓同樣也上升,一旦Vcc電壓達到保護閾值,設備就關閉,以避免損害次級。
如果在反饋回路中出現短路故障,反饋引腳將接地,器件的開關動作也會停止。如果次級整流器發生短路,或負載短路,在開關閉合之后,立即有大電流流經開關,從而造成損害。因此,器件會測量在開關閉合后極短時間內的電流,如果電流值比閾值高,器件會停止運轉。如果器件試著自動重新啟動,保護功能會鎖死開關動作以避免重復的應力。另外,器件具有前沿屏蔽功能。
針對特定應用的改進
低功率電源常常是備用、輔助電源,或用于內務處理,FSDH0165或FSDH565等單芯片器件適用于此類電源,芯片集成了控制器和SenseFET。

由于器件采用BCDMOS技術制造,不存在起動電阻器。有可能將高壓整流電源直接連接到器件上,其起動與雙芯片器件相似,然而,區別是該器件用內部電流源為Vcc電容器充電,一旦Vcc引腳電壓達到閾值電壓,器件起動,電流源從內部斷開,因此在正常運作期間,不從電路中直接吸取能量,因而效率提高。對于較高功率電源,可采用圖5所示的系統,它與先前的系統很相似,但它以準諧振模式工作,Lm不是一個單獨的元件,而是變壓器的一部分。
在這種模式下,開關頻率與輸入電壓和負載水平無關,在低輸入電壓和大負載的情況下,頻率降低,而在高輸入電壓和小負載的情況下,開關頻率升高。在最大輸入電壓下,所需頻率不應超過最高開關頻率150kHz,因此施加的負載應有所限制。準諧振模式的優點是EMI較低和效率較高。
這里未出現先前所用的傳統RCD(電阻器電容器二極管)緩沖器,作為替代,采用一個與開關并聯的小型電容器,電源開關配有一個額外的同步引腳,用于開通SenseFET。在次級二極管截止之前,其工作與非連續電流反激方式基本相同。在初級二極管截止后,開關管漏極開始振鈴動作,頻率由串聯的電容器和初級電感量所決定。同步引腳電壓開始下降,當電壓超過閾值時,開關再次閉合。選擇合適的同步引腳元件,使得漏極電壓達到最小值時,同步電壓達到閾值。該系統為軟開關型,具有很小的EMI,因為漏極電壓很小,開關損耗也降至最低。但這里忽略了功率因數校正問題,因為在歐洲已經要求所有功耗超過75W的設備需進行功率因數校正。
有幾種方法可實現功率因數校正,從簡單的無源解決方案到較復雜和性能較好的有源解決方案。飛兆半導體的ML4803采用小型8引腳封裝,集成了PFC和PWMSMPS控制器,在技術和成本具有相當的優勢。現在已經有多種適合不同應用和功率范圍的器件,使離線式開關電源的設計變得更為簡單。



