幾種基本類型的開關電源
顧名思義,開關電源就是利用電子開關器件(如晶體管、場效應管、可控硅閘流管等),通過控制電路,使電子開關器件不停地“接通”和“關斷”,讓電子開關器件對輸入電壓進行脈沖調制,從而實現DC/AC、DC/DC電壓變換,以及輸出電壓可調和自動穩壓。
開關電源一般有三種工作模式:頻率、脈沖寬度固定模式,頻率固定、脈沖寬度可變模式,頻率、脈沖寬度可變模式。前一種工作模式多用于DC/AC逆變電源,或DC/DC電壓變換;后兩種工作模式多用于開關穩壓電源。另外,開關電源輸出電壓也有三種工作方式:直接輸出電壓方式、平均值輸出電壓方式、幅值輸出電壓方式。同樣,前一種工作方式多用于DC/AC逆變電源,或DC/DC電壓變換;后兩種工作方式多用于開關穩壓電源。
根據開關器件在電路中連接的方式,目前比較廣泛使用的開關電源,大體上可分為:串聯式開關電源、并聯式開關電源、變壓器式開關電源等三大類。其中,變壓器式開關電源(后面簡稱變壓器開關電源)還可以進一步分成:推挽式、半橋式、全橋式等多種;根據變壓器的激勵和輸出電壓的相位,又可以分成:正激式、反激式、單激式和雙激式等多種;如果從用途上來分,還可以分成更多種類。
下面我們先對串聯式、并聯式、變壓器式等三種最基本的開關電源工作原理進行簡單介紹,其它種類的開關電源也將逐步進行詳細分析。
串聯式開關電源
串聯式開關電源的工作原理
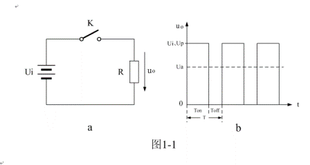
圖1-1-a是串聯式開關電源的最簡單工作原理圖,圖1-1-a中Ui是開關電源的工作電壓,即:直流輸入電壓;K是控制開關,R是負載。當控制開關K接通的時候,開關電源就向負載R輸出一個脈沖寬度為Ton,幅度為Ui的脈沖電壓Up;當控制開關K關斷的時候,又相當于開關電源向負載R輸出一個脈沖寬度為Toff,幅度為0的脈沖電壓。這樣,控制開關K不停地“接通”和“關斷”,在負載兩端就可以得到一個脈沖調制的輸出電壓uo 。
圖1-1-b是串聯式開關電源輸出電壓的波形,由圖中看出,控制開關K輸出電壓uo是一個脈沖調制方波,脈沖幅度Up等于輸入電壓Ui,脈沖寬度等于控制開關K的接通時間Ton,由此可求得串聯式開關電源輸出電壓uo的平均值Ua為:


式中Ton為控制開關K接通的時間,T為控制開關K的工作周期。改變控制開關K接通時間Ton與關斷時間Toff的比例,就可以改變輸出電壓uo的平均值Ua 。一般人們都把 稱為占空比(Duty),用D來表示,即:

或

串聯式開關電源輸出電壓uo的幅值Up等于輸入電壓Ui,其輸出電壓uo的平均值Ua總是小于輸入電壓Ui,因此,串聯式開關電源一般都是以平均值Ua為變量輸出電壓。所以,串聯式開關電源屬于降壓型開關電源。
串聯式開關電源也有人稱它為斬波器,由于它工作原理簡單,工作效率很高,因此其在輸出功率控制方面應用很廣。例如,電動摩托車速度控制器以及燈光亮度控制器等,都是屬于串聯式開關電源的應用。如果串聯式開關電源只單純用于功率輸出控制,電壓輸出可以不用接整流濾波電路,而直接給負載提供功率輸出;但如果用于穩壓輸出,則必須要經過整流濾波。
串聯式開關電源的缺點是輸入與輸出共用一個地,因此,容易產生EMI干擾和底板帶電,當輸入電壓為市電整流輸出電壓的時候,容易引起觸電,對人身不安全。




