- 新的應用需求為PFC提出更高要求
- 介紹兩種新的PFC拓撲——交錯式PFC和無橋PFC
解決方案:
- 交錯式PFC
交錯式PFC采用的150 W的PFC就比300 W的PFC更易于設計,便于采用模塊化的方案
兩個DCM PFC就像一個CCM PFC轉換器,簡化電磁干擾(EMI)濾波,并減小輸入電流有效值
采用兩個較小PFC的設計能夠支持厚度低至10 mm的超薄型液晶電視設計,且能效極高 - 無橋PFC
傳統的無橋PFC可以提高能效但存在問題,如EMI
Ivo Barbi無橋升壓PFC架構不需要特定的PFC控制器,具有增強的熱性能,且負相總是接地,解決了EMI問題
功率因數校正(PFC)是電源設計人員面臨的重要任務。根據IEC61000-3-2諧波標準中的D類規定,功率在75W以上的個人計算機和電視機等電子系統的電源要進行功率因數校正。
根據輸入電流控制原理的不同,PFC可以分為不同的類型,如臨界導電模式(CrM)、不連續導電模式(DCM)、連續導電模式(CCM)和頻率鉗位臨界導電模式(FCCrM)等。CrM的的主要特征是電流有效值(RMS)大,開關頻率不固定,常用于需要簡單控制方案的照明和交流適配器等低功率應用,典型解決方案如安森美半導體NCP1606;DCM的主要特征是電流有效值最高,線圈電感較低及穩定性最佳,常見于中低功率應用;CCM的主要特征是總是硬開關,電感值最大,電流有效值最小,在較高功率(>300 W)應用中特別受到青睞,典型解決方案如安森美半導體NCP1654;FCCrM的主要特征是電流有效值大,頻率被限制,線圈電感較小,在中等功率條件下具有極高能效,典型解決方案如安森美半導體NCP1605。
值得一提的是,FCCrM可以視作帶有頻率鉗位功能(由振蕩器設定)的臨界導電模式,綜合了CrM和DCM的優點:DCM限制最大開關頻率,而CrM降低最大電流應力。總的來看,FCCrM解決方案似乎擁有最高的能效。
新的應用需求為PFC提出更高要求
一些新的應用需求推動著業界開發新的PFC技術。這其中頗為受人矚目的就是新興的能效標準要求計算機ATX電源具有越來越高的能效。例如,80 PLUS銀級標準(等同于“能源之星”5.0版計算機電源標準及CSCI標準第三階段目標)要求,到2010年6月,多路輸出ATX電源在20%、50%和100%負載條件的能效分別達到85%、88%和85%,詳見表1所示。
要提高ATX電源能效,以滿足最新能效標準的更高要求,重要的是以系統性的途徑來分析功率損耗來源,并針對性地降低功率損耗。通常而言,我們可以將ATX電源分為PFC段、主開關電源段和次轉換器段。以常見的75%能效ATX電源為例,據測算,PFC段的損耗要占總損耗的40%。因此,將PFC段的能效提至最高,有利于實現更高的系統總能效。這就需要優化PFC控制器及其工作模式與其它元器件的選擇。

表1:80 PLUS等能效標準對多路輸出ATX電源的能效要求
此外,液晶電視市場近年來高速發展,而纖薄型設計則為液晶電視提供特別的賣點,受到消費者的青睞。最新的液晶電視設計更是趨向于將厚度降至10 mm以下,這就使元器件高度受到嚴格限制,設計人員必須盡可能采用更小型的元器件,并降低安裝高度。PFC段同樣受到這方面的制約,值得一提的是,縮小PFC段元器件能夠幫助系統降低高度。
在這些背景下,一些新的PFC拓撲結構已經開始涌現和應用。其中尤以交錯式PFC和無橋PFC為典型。我們將探討這兩種新PFC拓撲結構的特征、解決方案及性能測試結果。
交錯式PFC的優勢及解決方案
交錯式PFC的主要想法是在原本放置單個較大功率PFC的地方并行放置兩個功率為一半的較小功率的PFC,參見圖1。這兩個較小功率PFC以180°的相移交替工作,它們在輸入端或輸出端累加時,每相電流紋波的主要部分將抵消。雖然交錯式PFC使用較多的元器件,但其好處也很明顯,如150 W的PFC就比300 W的PFC更易于設計,便于采用模塊化的方案,且兩個DCM PFC就像一個CCM PFC轉換器,這就簡化電磁干擾(EMI)濾波,并減小輸入電流有效值。特別是采用兩個較小PFC的設計能夠支持厚度低至10 mm的超薄型液晶電視設計,且能效極高。

圖1:采用兩顆NCP1601 PFC控制器實現的交錯式PFC架構的功能框圖。
交錯式PFC有兩種具體實現方案:一為主/從(Master/Slave)方案,一為獨立相位(Independent Phases)方案。主/從方案指主分支自由工作,而從分支相對于主分支180°相移工作。主/從方案的主要挑戰在于保持在CrM工作模式(沒有CCM模式,沒有死區)。
獨立相位方案指每個相位都恰當地工作在CrM或FCCrM模式,而兩個分支相互配合以設定180°相移。獨立相位方案的主要挑戰是保持準確的相移。安森美半導體的雙NCP1601交錯式PFC方案是一種獨特的FCCrM方案,適合輸入電壓范圍較寬的應用。在這種方案中,2顆NCP1601驅動2個獨立的PFC分支,這2個分支具有相同的導通時間因而具有相同的開關周期,它們同步但彼此獨立工作,從而保證DCM工作模式(零電流檢測),沒有CCM工作風險,且在滿載時兩個分支都進入CrM工作模式。

圖2:安森美半導體雙NCP1601交錯式PFC方案在不同負載范圍下的能效。
對基于安森美半導體NCP1601交錯式PFC方案的寬輸入范圍、300 W PFC預轉換器進行的測試顯示,這解決方案在很寬的負載范圍內(從20%到100%)、90 Vrms電壓條件下實現95%的能效,如圖2所示。
無橋PFC的優勢及解決方案
傳統有源PFC中,交流輸入經過EMI濾波后會經過二極管橋整流器,但在整流過程中存在功率耗散,其中既包括前端整流橋中兩個二極管導通壓降帶來的損耗,也包括升壓轉換器中功率開關管或續流二極管的導通損耗。據測算,在低壓市電應用(@90 Vrms)中,二極管橋會浪費大約2%的能效。有鑒于此,近年來業界提出了無橋PFC拓撲結構。實際上,如果去掉二極管整流橋,由此帶來的能效提升效果很明顯。這種PFC電路采用1只電感、兩只功率MOSFET和兩只快恢復二極管組成。
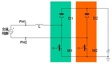
對于工頻交流輸入的正負半周期而言,這種無橋升壓電路可以等效為兩個電源電壓相反的升壓電路的組合。其中左邊的藍色方框是PH1為高電平、MOSFET開關管M2關閉時的開關單元,右邊的橙色方框是PH2為高電平、MOSFET開關管M1關閉時的開關單元。當PH1為高電平、PH2為低電平時,電路工作在正半周期,這時M2相當于體二極管(body diode),PH2通過M2接地;而當PH1為低電平、PH2為高電平時,電路工作在負半周期,這時M1相當于體二極管,PH1通過M1接地。

圖3:傳統的無橋PFC結構示意圖。
相對于傳統PFC段而言,這種無橋PFC節省了由二極管整流橋導致的損耗,但不工作MOSFET的體二極管傳遞線圈電流。最終,這種結構消除了線路電流通道中一個二極管的壓降,提升了能效。但實際上,這種架構也存在幾處不便,因為交流線路電壓不像傳統PFC那樣對地參考,而是相對于PFC段接地而浮動,這就需要特定的PFC控制器來感測交流輸入電壓,而這種結構中的簡單電路并不能完成這項任務。這種架構也不能方便地監測線圈電流。 此外,EMI濾波也是一個主要問題。
圖4是Ivo Barbi無橋升壓PFC架構的新穎解決方案,這種方案中沒有全橋,相反,PFC電路的地通過二極管D1和D2連接至交流線路,且每個端子用于1個PFC段。故這種解決方案可視作2相PFC,其中2個分支并聯工作。這種架構也省下了電流通道中的一個二極管,并因此提升了能效。這種2相式架構并不需要特定的PFC控制器,具有增強的熱性能,且負相總是接地,解決了EMI問題。

圖4:改進的Ivo Barbi無橋升壓PFC架構
安森美半導體基于這種架構開發了800 W PFC段的原型。這原型采用NCP1653 PFC控制器及MC33152 MOSFET驅動器。經測試,這原型在90 Vrms、滿載、無風扇(機箱打開,室 溫)條件下的能效達94%,而在100 Vrms時達95%。在20%負載時能效更接近或超過96%。這種無橋PFC架構將是適合大功率應用的一種高能效解決方案。
總結:
交錯式PFC和無橋PFC等新穎拓撲結構的先進PFC技術可用于滿足功率大于75 W電源的新趨勢,有利于設計厚度低至10 mm以下的超薄型液晶電視,及滿足80 PLUS等能效標準越來越高的要求。安森美半導體身為全球領先的高性能、高能效硅解決方案供應商,提供基于NCP1601的交錯式PFC和基于NCP1653的無橋PFC等創新解決方案,具有小外形因數,適用于緊湊型設計,并減少PFC段的功率損耗,提供極高的能效,符合嚴苛的能效標準要求,幫助客戶在市場競爭中占據先機。
供稿:安森美半導體
參考資料:
1、安森美半導體,《先進的功率因數校正》,http://www.onsemi.com/pub_link/Collateral/TND344-D.PDF
2、Joël TURCHI,安森美半導體,《800 W無橋PFC段》,http://www.onsemi.com/pub_link/Collateral/AND8392-D.PDF
3、Joël TURCHI,安森美半導體,《交錯式PFC段特性》,
http://www.onsemi.com/pub_link/Collateral/AND8355-D.PDF
4、安森美半導體,《液晶電視AC-DC電源架構》,http://www.onsemi.com/pub_link/Collateral/TND353-D.PDF




