【導讀】為了幫助廣大從事電氣工作人員掌握更多的電工電路連接的應用知識,特選取十例常見照明電路,目的是給初、中級電工技術人員或想從事電氣維修工作的人員,如職業學院的學生以及下崗再就業人員,提供一些更實用、更具有操作性的電路圖,使廣大讀者能活學活用。
隨著我國經濟的不斷發展,電氣技術也在日漸普及,各個行業中從事電氣工作的人員也越來越多,這就要求廣大從事電工、機械設備操作的技術人員與時俱進,掌握更多的電氣方面的設計、安裝以及更實際的操作維修技能。為了幫助廣大從事電氣工作人員掌握更多的電工電路連接的應用知識,特選取十例常見照明電路,目的是給初、中級電工技術人員或想從事電氣維修工作的人員,如職業學院的學生以及下崗再就業人員,提供一些更實用、更具有操作性的電路圖,使廣大讀者能活學活用。在較短的學習時間中,學到最實用的電工電路知識,并能應用到實際工作當中,從而達到學以致用,取得立竿見影的良好效果,在自己的工作中取得更好的經濟效益。
照明電路—雙熒光燈的戶外廣告雙燈管接電路
雙熒光燈接線電路如圖1所示。一般在接線時應盡可能減少外部接頭。安裝熒光燈時,鎮流器、輝光啟動器必須和電源電壓、燈管功率相配合。這種電路一般用于廠礦和戶外廣告等要求照明度較高的場所。

圖1 雙熒光燈的戶外廣告雙燈管接線電路
照明電路—單連開關控制三盞燈電路
用一只單連開關控制三盞燈及三盞以上燈的線路見圖2所示,要注意通過開關的電流值不能超過該開關允許的范圍。按實物圖連接就能使電路工作,非常直觀實用。這對初學電工很有借鑒意義。

圖2 一只單連開關控制三盞燈電路
照明電路—三個開關控制一盞燈電路
在日常生活中,經常需要用兩個或多個開關來控制一盞燈,如樓梯上有一盞燈,要求上、下樓梯口處各安裝一個開關,使人員上、下樓時都能開燈或關燈。這就需要一燈多控。圖3所示是三個開關控制一盞燈電路。開關S1和S3用單刀雙擲開關,而S2用雙刀雙擲開關。S1、S2、S3三個開關中的任何一個都可以獨立地控制電路通斷。

圖3 用三個開關控制一盞燈電路
照明電路—路燈光電控制電路
這是一種簡單的光控開關電路,工作原理如圖4所示。當晚上(照度低)時,光敏電阻GR的電阻增大,VT1的基極電流減小直至截止,于是VT2也截止。VT2的集電極電壓上升使VT3導通,繼電器KA吸合,點亮路燈。早上天剛亮(照度高),GR的阻值減小,使VT1導通,于是與上述過程相反,關閉路燈。繼電器KA為JRX-13F型。

圖4 路燈光電控制電路
照明電路—感應延時燈光控制電路
電路如圖5所示。當有人進入控制區時,白熾燈會自然點亮;而當人走過或在控制區內靜止不動時,它會延時一段時間自動關燈。但是,只要人在被控制的范圍內活動,燈就會給人照明。這種裝置還設有光控電路,在室內可見度較好的環境下,盡管人來人往,由它控制的燈不會點亮。
晶體管VT1、L1、L2、C1及R1~R4等組成近微波段自激振蕩電路,其振蕩頻率在700~1000MHz范圍內可調,由微調電容器C1設定。所產生的電磁波由L1發射到周圍空間,其幅射面積在50~80m2,且無方向性。當有人在該范圍內活動時,根據電磁波的多普勒效應,人體的反射波將通過L1接收到,使VT1的振蕩頻率和幅度產生變化,電容器C2正端的電位發生波動。電位波動的頻率與人體活動快慢有關,而幅度與人體至L1的距離有關。該波動電位信號經電解電容器C2和電阻R5耦合到運算放大器N1A的反相輸入端②腳進行高增益放大。為了使N1A輸出幅度變化最大,其同相輸入端③腳的偏置電壓設定在直流電源電壓的一半處,即+6V左右。也就是說,適當地選取R7、R17、R12等的電阻值,使N1A靜態時輸出端①腳電位為6V。當有人在燈下被監控范圍內活動時,N1A輸出端①腳電位就會在6V左右變化。這個變化的電信號通過C5、R8微分,送到N1B進行比較放大,這時N1B的輸出端將在0~+10V之間大幅度變化,再送入比較器N1C進行比較。當N1C的反相輸入端電壓高于同相輸入端電壓時,N1D的輸出立刻由高電位轉化為低電位,二極管VD2導通,使N1D的反相輸入端電位低于同相輸入端電位,N1D輸出端⑦腳呈高電位,通過R15觸發雙向晶閘管VS導通,白熾燈泡EL點亮。

圖5 人體感應延時燈光控制電路
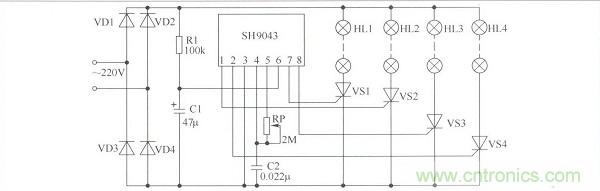
照明電路—追逐式彩燈電路
本例是一種跳躍感特別強的新穎彩燈,其控制閃亮順序采取1→3→2→4的跳馬追逐方式。電路如圖6所示。
二極管VD1~VD4組成橋式整流電路,輸出全波整流電壓作為4路彩燈的電源,同時通過限流電阻R1并經電容C1濾波后作為集成電路SH9043的電源。電位器RP和電容C2是SH9043的外接電阻和電容,調節RP可以調節芯片內部振蕩器的振蕩頻率,從而改變4路彩燈跳馬追逐速率,閃光頻率可以在1~200Hz之間變化。集成電路的①腳、②腳、⑦腳、⑧腳分別與晶閘管VS2、VS4、VS1、VS3的控制極相接。4路輸出信號用來控制晶閘管的導通與否,從而使得串接在晶閘管陽極回路中的燈串HL1~HL4閃亮。
制作時,集成電路用SH9043,VD1~VD4用1N4004型二極管,VS1~VS4用2N6565型單向晶閘管。R1用RTX-2W型碳膜電阻器,RP用WH5型合成碳膜電位器;C1用CD11-10V型普通電解電容器,C2可用CT1型瓷介電容器;HL1~HL4用功率小于100W的市售彩燈串,也可用60個3.8V的小電珠串聯而成。

圖6 追逐式彩燈電路
照明電路—彩燈(滿天星霓虹燈)電路
電路如圖7所示,主要由CD4060及外圍元件組成。CD4060是一種帶有振蕩器的十四級計數器,用其輸出端控制晶閘管導通,使各組燈串發光。由于CD4060輸出方式是二進制狀態,所以很難看出燈串的發光變化規律,從而好似滿天星星。

圖7 節日彩燈——滿天星霓虹燈電路
照明電路—“流水式”廣告彩燈控制電路
大功率“流水式”廣告彩燈,可以在商場、劇院、舞廳或其他建筑物上使用,使夜景顯得很美,特別是在節日里用于廣告時,更增加了節日的歡樂氣氛。
這里介紹一種元件少、功率大,可同時點亮60盞25W彩燈的電路。燈光呈追逐式跳動閃光。電路如圖8所示,VSl、VS2、VS3組成相同的三個單元電路。當接通電源后,電源通過VD1、EL1、R1對C1充電,使A點電位升高。同理,B、C點電位也逐漸升高。由于電子元件性能的差別,某一組雙向晶閘管會首先觸發導通,如C點電位升高使VS1首先觸發導通,ELl燈亮,電容C3經電阻R6向VSl放電,C點電位下降,而電容C1繼續充電,A點電位升高,一段時間后,VS2導通,EL2燈亮,VS1截止。這時電容C1經R2向VS2放電,A點電位下降,而C2繼續充電,B點電位升高,一段時間后,VS3導通,EL3燈亮,VS2截止。以下過程相同。這樣,燈泡按次序輪流發光,產生“流水式”廣告彩燈效果。

圖8 大功率“流水式”廣告彩燈控制電路
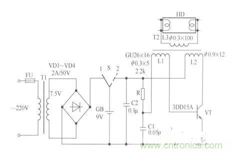
照明電路—應急照明燈電路
應急照明燈電路如圖9所示。當開關S在“1”的位置時,220V的交流電源經變壓器T1降壓、VD1~VD4整流后向蓄電池GB充電。當停止交流供電時,可把開關S撥向“2”的位置,此時蓄電池向逆變變壓器T2二次[側]輸出高壓,使燈管啟輝。
逆變變壓器采用鐵氧體罐形磁芯繞制,規格為GU26&TImes;16。繞制時,要注意高壓繞組L3的絕緣。電池組可根據條件選用。電源變壓器可用10V?A鐵芯繞制。燈管可選用7W的H形或U形節能燈。
電路安裝無誤后,如通電不起振,則有可能是反饋線圈接反,一般來講,將L1兩端對調,即可正常工作。調整C1的容量可改變振蕩頻率,C1的容量越大,振蕩頻率越低。
應急燈的應用很廣泛,若應用在消防工程中時,除應具有產品相關合格證外,燈具還必須采用金屬外殼,燈頭(指白熾燈)不允許采用塑料制品。

圖9 應急照明燈電路
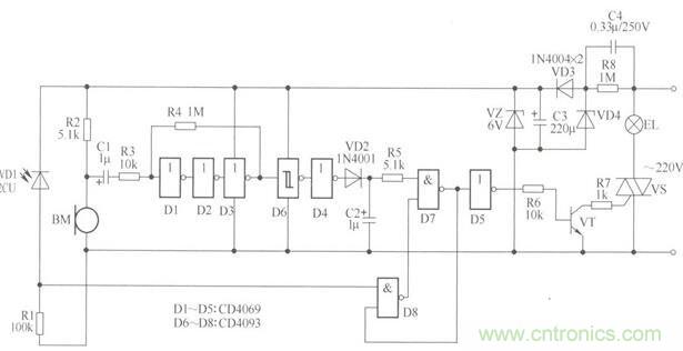
照明電路— 聲光控自動照明燈電路
這是一種智能燈具,能夠只在夜晚有人時才自動開燈,人走后即自動關燈,既滿足了照明的需要,又最大限度地節約了電能。電路如圖10所示,主要元器件使用了數字集成電路,簡化了電路結構,提高了工作可靠性。
電路工作原理如下:
(1)光敏二極管VD1等組成光控電路。白天由于環境光很亮,VD1導通,D8輸出低電平封閉了與非門D7,照明燈泡EL不亮。夜晚VD1截止,D8輸出高電平開啟了與非門D7,燈泡EL亮或不亮取決于聲控電路。
(2)駐極體話筒BM等組成聲控電路。沒有行人時燈泡EL不亮。當有行人接近時,行人的腳步聲或講話聲由話筒BM接收、D1~D3放大、D6整形、D4倒相后,經過與非門D7使開關管VT和雙向晶閘管VS導通,照明燈EL點亮。
(3)VD2、C2等組成延時電路。當聲音信號消失后,由于延時電路的作用,照明燈EL將繼續點亮數十秒后才關閉。
(4)與非門D7輸出端的信號又回送至光控門D8,在燈泡EL點亮時封閉光控電路信號,這樣即使本燈的燈光照射到光敏二極管VD1上,系統也不會誤認為是白天而造成照明燈剛點亮就立即關閉。
該燈電路可以安放在燈座中,外表只留感光孔和感聲孔,如圖10所示組成一個整體,特別適合安裝在樓梯、走廊等公共場所。

圖10 聲光控自動照明燈電路


