【導讀】隨著能源的逐漸消耗減少,新能源越來越成為新的關注熱點。太陽能作為可利用新型能源的一種,更是受到世人的關注。而其重點之處就是如何讓光伏電池處于最佳的狀態,通過這種情況的拓撲電路有何秘密,讓我們一起去看一看!
在獨立太陽能發電系統中,為了降低成本、提高效率和可靠性,既要使光伏電池輸出最大功率,又要使蓄電池正確充放電,同時還要最大限度地利用所發電能。在目 前的光伏系統中,這三者的實現存在矛盾,通常只顧及到一個方面,如只追蹤光伏電池最大功率點而放棄蓄電池的最佳充放電,從而限制了系統的效率和壽命。本文 將就此問題進行研究探討,并設計一套高效充放電電路,提出相應的控制策略.光伏發電系統充放電所面臨的問題
1、光伏電池的運行特點
光伏電池所發功率取決于照射到其表面的太陽輻射量。由于受到當地緯度、經度、時間、空氣狀態及氣象條件等各種因素的影響,實際上在某個地方所能接收到的輻 射量時時刻刻都在變化著,偶然的陰影遮蔽也會使輸出功率降低,因此,光伏電池所發功率是不斷變化的。圖1是光伏電池的I—V與P—V特性曲線,圖2是其輸 出變量與溫度的關系曲線,可以看出光伏電池的輸出最大功率點Pmax、短路電流Isc、開路電壓Voc隨著輻射強度、環境溫度在不停地變化,所以,光伏發 電系統要不停地調整,以使光伏電池工作于最大功率點上,但這又同時使得光伏電池的輸出電流、電壓在不斷變化,即輸出功率是不斷變化的。

圖1 光伏電池的I—V和P—V特性曲線

圖2 光伏電池輸出變量Pmax,Voc和Isc的相對值(對應于25℃時)與溫度的關系
2、鉛酸蓄電池充放電特性
目前,免維護鉛酸蓄電池作 為儲能設備,由于維護量小,使用方便等優點,在光伏系統中得到大量應用。在獨立太陽能發電系統中,其充放電方式與傳統充放電方式不同,既要因夜間帶負荷而 需要循環充放電,又要在蓄電池快充滿時進行浮充。而鉛酸蓄電池有其充放電特性,如不按照其充放電特性進行充放電就會造成損壞且效率較低,日常的合理維護措 施是必不可少的。目前,在光伏系統中蓄電池是一個薄弱環節,鉛酸蓄電池用于光伏系統后壽命縮短,限制了光伏系統的使用壽命,增加了系統的成本和維護費用。 研究發現,問題在于蓄電池用于光伏時,充電電流較小和充電時間受限。涓流充電和部分放電容易造成電極上樹枝狀晶體的生長,導致所謂的記憶效應,蓄電池的充 電容量將會降低;強行過充電會使電解液分解,產生氣體,造成電解液的丟失。也有人指出,在光伏系統中限制蓄電池壽命的主要因素是蓄電池中的酸分層。在光伏 系統中,由于蓄電池一般都處于欠充狀態,進一步擴大了蓄電池底部和頂部的硫酸濃度之差,加劇了硫酸鹽化和容量損失。同時小電流放電下所形成的PbSO4結 晶顆粒粗大,這種結晶溶解困難,最終影響了蓄電池的壽命。在光伏系統中,蓄電池的放電率要比蓄電池應用在其他場合低。
光伏電池板比較昂貴,在目前的光伏發電效率下,最大限度地節約所發出的電能是降低成本的一個有效途徑,因此,要盡可能地存儲和利用所發出的電能,減少光伏 電池的空運行。而光伏系統的特點決定了鉛酸蓄電池欠充的可能性比較大。目前,在設計光伏系統時,將光伏電池和負載及蓄電池進行固定匹配,同時,存在上面空 運行和欠充兩個問題,其基本電路結構如圖3所示。DC/DC變換器的輸出端直接與蓄電池和負載相連,這樣做可以避免過充,但卻無法解決可能出現的欠充,蓄 電池缺乏有效保護,得不到最佳充電,長此下去將導致蓄電池壽命降低,增加了系統維護費用。另外,當光伏電池輸出功率較大時,由于負載一般不隨意變化,在一 定時間段內就可能出現充電功率過大現象,需要啟動保護電路限制充電強度,這樣勢必會造成能源浪費,間接地增加了系統發電成本。同樣,由于負載的不確定性, 在蓄電池單獨供電時就會出現所有電池單元部分放電現象,即蓄電池不能完全放電,這樣對蓄電池也是有害的。

圖3 傳統系統電路圖
系統拓撲結構及其控制方案
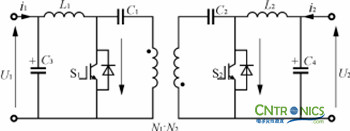
對于上述問題,本文提出了一種新型充放電電路拓撲,采用動態功率跟蹤匹配法加以控制。即根據實時功率差,動態地匹配充放電的蓄電池容量(蓄電池個數),也 就是動態地變換系統結構,從而實現最佳充放電。系統電路如圖4所示,光伏電池經DC/DC變換器與負載和充電電路相連。負載可以變化。充電電路由直流母線 和多個蓄電池充電單元組成,每個充放電單元包括雙向DC/DC變換電路Hn和蓄電池Bn兩部分。雙向DC/DC變換電路如圖5所示,蓄電池側為低壓側,能 夠實現升壓和降壓[6]。該雙向變換電路能實現高低壓側的有效電氣隔離,效率高,控制靈活。與傳統光伏系統相比,本系統運行靈活,高效可靠,整體壽命得到 提高;另一個很大的優點是,容易進行規模擴充,易實現模塊化系統集成,能夠較好地解決蓄電池在目前的光伏發電系統中所面臨的問題。由于蓄電池組容量是可以 靈活變化的,所以,需要擴充規模時,只需增加光伏電池板、增加并聯的DC/DC變換器數目、增加蓄電池充電單元、更改控制軟件程序即可。

圖4 系統電路圖

圖5 雙向DC/DC變換器
本系統真正實現了在光伏電池最大功率輸出下對蓄電池進行最佳充放電。由圖1可看出,光伏電池的最大功率點電壓、電流在不同的情況下是 變化的。所以,在負載不變的情況下,就需要系統同時調節充電電流來協調光伏電池最大功率跟蹤,這樣才能實現光伏電池最大功率輸出。為了實現光伏電池最大功 率輸出時對蓄電池進行最佳充放電,負載確定后,控制器同時同方向調整DC/DC變換器和充電器的占空比D,實現最佳充電,也使放電的蓄電池按最佳放電電流 放電。在光伏電池運行于最大功率點的前提下,本系統方案包括:
1)規定負載的最高限值,保證蓄電池能完成晚間或陰天的單獨供電。
2)充電時,同時調節光伏工作點跟蹤DC/DC變換器和雙向DC/DC變換器,由其動態地確定需充電蓄電池數;
3)放電時,同樣要判斷光伏輸出功率和負載功率的最大差,以此來確定參加放電的蓄電池數;
4)充放電都要維持蓄電池的最佳充放電模式。
從圖4可以看出,直流母線電壓和DC/DC變換器輸出電壓及負載輸入電壓相等,總充放電電流ic為DC/DC變換器輸出電流與負載電流之差。設DC/DC 變換器輸出電壓uo,輸出電流io,輸出功率po,負載電流iL,負載功率pL,總充電電流ic,各充放電單元高壓側電流icn,低壓側電流icn′,蓄 電池電壓uBn,(n為充放電單元的個數),則
Po=uoio,PL=uoiL(1)
ic=io-iL= icn
(2)
另外,對于雙向DC/DC變換器,由功率守恒得出
u1i1=u2i2(3)
又占空比D=ton/T,則:
(4) 
icn=i1=
ic=
icn′(6)
(6)式中:Dn為第n個充電器的開關占空比,充電時為高壓側開關,放電時為低壓側開關。
所以,測得icn′后即可得到icn,得到Ic。這樣,控制器實時采集io,uo,iL,icn′,各蓄電池端電壓uBn等各數據,得出控制命令和保護措施。
系統充放電流程圖如圖6所示。充放電之前,控制器將滿荷電和已被開啟充放電的蓄電池從荷電量序列中去掉。然后按照各個蓄電池荷電多少對其余電池進行排列, 將荷電量不滿且缺量最多的蓄電池Bmax作為第一個充電的電池,然后依次確定充電次序。充電器先從第一個開始充電,即先將第一個充電器與DC/DC變換器 一起進行協調控制。當第一個充電器的充電電流達到其蓄電池的最佳充電電流時,轉入保護充電模式,對其開始進行恒流充電。在蓄電池端電壓達到水解電壓(一般 為2.3V/單體,高于此值便開始出現電池酸液水解現象)時,轉為恒壓保護充電,并對過充電壓值進行溫度補償,溫度補償系數取-4mV/℃,直至充滿。然 后按照上述所說方法開啟第二個充電器,將其添加到被控制隊列中,依次類推。控制器協調各個充電器,使其都盡可能處于最佳充電模式下,并盡可能將先充電的蓄 電池充滿。放電時與充電相似,實時計算po與pL之差,并以此計算出需放電的蓄電池數nf,計算時以單個蓄電池的最佳放電電流ifb為條件,也就是說,由于icn′ =-ifb,nf=Ic/|icn|。放電順序與充電相同,先從荷電量最大的蓄電池開始放電,以防荷電量小的個體電池完全放電后得不到及時再充。當po與 pL之差減小時,以相反的順序斷開充放電單元。當所有蓄電池端電壓到達設置的放電終止電壓后,立刻停止放電,避免發生過放電。看出,放電控制比充電控制相對簡單。

圖6 充放電系統運行流程圖
實驗結果
為了驗證方案的有效性,進行了相關實驗。出于冗余考慮,實驗用了額定功率3800W的38D1010X400型光伏電池方陣,15只 100A•h(20h 率),放電深度為60%的蓄電池和一臺1000W的負載、一臺500W的負載,每3個蓄電池串聯為一個單元。其中1000W的負載一直運行,而500W的 負載在13時加入,并在15時退出。實驗數據見表1,結果表明,在各充放電電流為最佳的情況下,總充放電電流仍能夠跟蹤光伏電池輸出功率的變化。最大功率 跟蹤和蓄電池充放電情況良好,只有一組蓄電池由于負載變化沒有充滿。系統既實現了光伏發電最大功率跟蹤,又對蓄電池實現了最佳充放電。實驗結果與理論分析 一致,證明該充放電電路拓撲及其控制方法是可行的。

表1 實驗數據
這種新型充放電電路拓撲及其控制方法,運行靈活,能使光伏系統工作于最佳狀態,解決了光伏電池最大功率跟蹤和蓄電池最佳充電之間的沖突,提高了系統的效率和可靠性,還能用于其它新能源發電系統。
相關閱讀:
如何解決太陽能逆變器的電磁兼容問題
2010太陽能展望:不斷增長的需求、持續降低的成本將帶來高獲利
電源轉換中反激轉換器和降壓拓撲結構的設計案例




