【導讀】設計基于STC8G8K64U單片機的高速ADC采樣板,可以為普通的電路實驗提供快速波形采樣的模塊。該模塊也可以應用于全國大學生智能車競賽聲音信標組數據采集實驗中,作為向同學們介紹的解決方案,明天給出相應實驗結果。
設計采集板的目標
設計基于STC8G8K64U單片機的高速ADC采樣板,可以為普通的電路實驗提供快速波形采樣的模塊。
該模塊也可以應用于全國大學生智能車競賽聲音信標組數據采集實驗中,作為向同學們介紹的解決方案,明天給出相應實驗結果。
設計采樣板的技術指標:
1. 采樣頻率:10kHz;
2. 采樣通道:2通道
3. 采樣信號:0~5V,數據位12bit。
4. 外部數據接口:(1)UART2通過USR-WiFi接口發送到局部無線網;(2)通過串口UART1通過調試器將數據發送到調試界面;
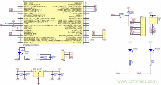
電路板設計
1. 原理圖設計

▲ 原理圖設計
對外接口定義:

2. PCB版圖設計

▲ PCB板圖設計

▲ 焊接之后的電路板

▲ 安裝有WiFi-UART模塊后的電路板
3. 電路軟件調試
「(1)單片機的硬件配置:」
由于配置STC8H8K工作在48MHz,提高單片機運行速度。

▲ 單片機硬件配置
「(2)串口波特率配置:」
1. UART1:配置波特率115200 ,這與下載器上的PL2303可以使用的波特率相匹配;
2. UART2::配置的波特率為460800,這與WiFi-UART

▲ 硬件連接調試
「(3)配置WiFI-UART:」
STEP1:使用手機,或者平板電腦,選擇USR-WIFI232-T-191無線網關,登錄 10.10.100.254地址。在登錄界面輸入用戶名和密碼都是「admin」。

▲ 無線登錄界面
STEP2:按照下面的設置,設置WIFI-UART模塊的工作參數。
「STA設置:」

▲ STA設置
「AP設置:」

▲ AP設置
「網絡設置:」

▲ 網絡設置
「串口設置:」

▲ 串口設置
「設置后的系統信息:」

▲ 設置后的系統信息
4. 軟件命令
模塊通過UART1(115200),UART2(460800)接收字符命令,分別輸出采集的結果以及重新開始新的采集過程。具體的功能可以參見下面一段程序:

5. PYTHON獲取數據程序
過PYTHON編程,可以從WiFi獲取采集板的8k數據。
具體的程序可以在CSDN對應的博文中看到。
模塊測試性能
1. 數據傳送時間
通過WiFi-UAR收到4096(8192 bytes)數據為0.489s左右。
下圖是對兩路正弦波采集到的數據波形:

▲ 兩個通道采集的波形
推薦閱讀:





