【導讀】"若不能度量,則無法管理。"這是工業領域的一句口頭禪,尤 其適合于流量測量。簡單說來,對流量監測的需求越來越多, 常常還要求更高速度和精度的監測。有幾個領域中,工業流量 測量很重要,比如生活廢棄物。隨著人們越來越關注環境保護, 為使我們的世界更干凈衛生、污染更少,廢棄物的處置和監測 就變得非常重要。人類消耗著大量的水,隨著全球人口增長, 用水量會越來越大。流量計至關重要,既能監測生活廢水,也 是污水處理廠過程控制系統不可或缺的一部分。
當今有哪些工業領域使用流量計?
"若不能度量,則無法管理。"這是工業領域的一句口頭禪,尤 其適合于流量測量。簡單說來,對流量監測的需求越來越多, 常常還要求更高速度和精度的監測。有幾個領域中,工業流量 測量很重要,比如生活廢棄物。隨著人們越來越關注環境保護, 為使我們的世界更干凈衛生、污染更少,廢棄物的處置和監測 就變得非常重要。人類消耗著大量的水,隨著全球人口增長, 用水量會越來越大。流量計至關重要,既能監測生活廢水,也 是污水處理廠過程控制系統不可或缺的一部分。

圖1. 污水處理廠簡圖
流量計還被用于許多工業控制過程,包括化學/制藥、食品飲 料、紙漿造紙等。此類應用常常需要在有大量固體存在的情況 下測量流量 — 大部分流量技術不能輕松勝任這一要求。
輸送計量領域處理兩方之間的產品轉移和支付,需要高端流量 計。實例之一是通過大型管道系統輸送油品。在這種應用中, 流量測量精度隨時間的變化即便很微小,也可能導致某一方損 失或獲得重大利益。
電磁感應技術為什么非常適合液體流量測量?
對于液體流量測量,電磁流量計技術有多種優勢。它的傳感器 一般是連接到管道中,其直徑與管道直徑一致,因而測量時不 會干擾或限制介質的流動。由于傳感器不是直接浸沒在液體 中,沒有活動部件,因此不存在磨損問題。
電磁方法測量的是體積流量,這意味著測量對流體密度、溫度、 壓力和粘度等參數的變化不敏感。一旦用水標定電磁流量計, 就可以使用它來測量其他類型的導電流體,無需進一步標定。 這是其他類型流量計所不具備的一個重要優勢。
電磁流量計特別適合測量固液兩相介質,例如泥漿等帶懸浮泥 土、固體顆粒、纖維或粘稠物的高導電率介質。它可用于測量 污水、泥漿、礦漿、紙漿、化學纖維漿及其他介質。這使得它 特別適合食品、制藥等行業,利用它可測量玉米糖漿、果汁、 酒類、藥物、血漿及其他許多特殊介質。
電磁流量計的工作原理是什么?
電磁流量計的工作原理基于法拉第電磁感應定律。根據法拉第 定律,當導電流體流經傳感器的磁場時,一對電極之間就會產 生與體積流量成正比的電動勢,其方向與流向和磁場垂直。電 動勢幅度可表示為:
其中,E 為感生電勢,k 為常數,B 為磁通密度,D 為測量管的內徑,v 為測量管內的流體在電極截面軸向上的平均速度。

圖2. 磁流量計工作原理
傳感器輸出范圍是多少?
傳感器提供差分輸出。其靈敏度典型值為150 μv/(mps)至200 μv/ (mps)。由于激勵電流的方向不斷交替,因而傳感器輸出信號 幅度會加倍。對于0.5 米/秒至15 米/秒的流速測量范圍,傳感 器輸出信號幅度在75 μv 至4-6 mV 之間。圖3 顯示了用恒流 源激勵且有流體流經傳感器時的傳感器輸出信號。在傳感器輸 出引線上捕捉到的示波器圖顯示,有一個電平非常低的信號位 于較大共模電壓上。紫色曲線對應正電極,紅色曲線對應負電 極。粉色曲線是將正負電極相減的數學計算通道。低電平信號 位于較大共模電壓之中。

圖3. 電磁流量傳感器的輸出信號
傳感器測量的傳統方法是什么?
傳統方法大致上是模擬式 — 具有高輸入阻抗和高輸入共模 抑制性能的前置放大器用來應對傳感器漏電流效應,然后是三 階或四階模擬帶通濾波器和采樣保持級,最后是模數轉換。典 型模擬前端方法如圖4 所示。傳感器輸出信號首先經由儀表放 大器放大。必須盡量放大目標信號,同時要避免不需要的直流 共模電壓引起放大器輸出飽和。這通常會將第一級儀表放大器 的增益限制在最多10 倍。帶通濾波器級進一步消除直流影響, 并再次放大信號,然后進入采樣保持電路 — 正是這個差值信 號代表流速 — 隨后送至模數轉換器。

圖4. 傳統模擬前端方法
影響電磁流量計架構變化的市場趨勢有哪些?
有多種行業趨勢在呼喚新架構。其中之一是對數據日益增加的 需求。對于液體,監測除流量外的其他屬性的能力正在變得越 來越有價值。例如,為了確定液體中可能有哪些污染物,或者 為了確定液體是否有適合特定應用的正確密度/粘度。增加這 種診斷能力有許多此類要求和好處。利用傳統模擬方法是無法 輕松獲取此類信息的,因為大部分傳感器信息會在同步解調階 段中丟失。
另外,制造工藝持續要求提高生產力和效率。例如在液體投注/ 灌裝應用中,增加的灌裝節點越來越多;制造工藝規模的擴大, 灌裝速度的提高,要求更快速、更精確的流量監測。

圖5. 液體投注/灌裝
傳統上利用機械或稱重技術來確定灌裝過程中要添加的正確 液體量,或生產工藝中的精確灌裝量。這些方式往往非常昂貴, 而且難以擴展。為了滿足這種需求,流量計(尤其是針對液體 的電磁流量計)已成為首選技術。
新的電磁流量計架構是什么樣子?
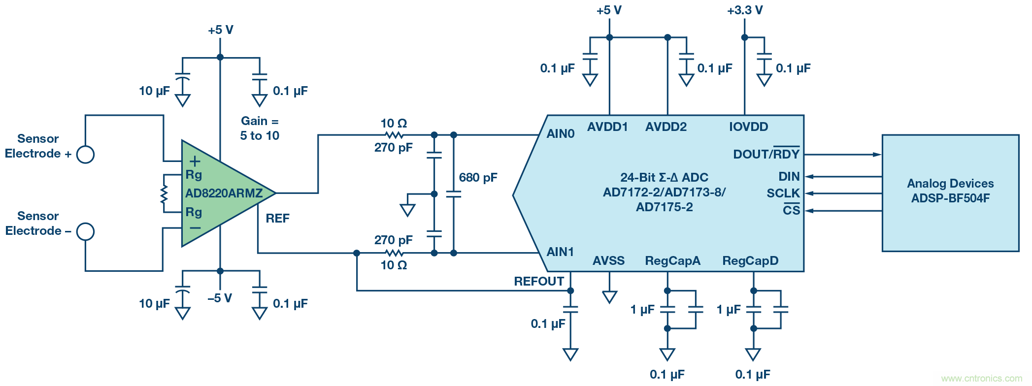
過采樣方法大大簡化了模擬前端設計。模擬帶通濾波器和采樣 保持電路不再需要。電路中的前置放大器僅有一級儀表放大器 — 在我們的例子中是AD8220 JFET 輸入級軌到軌輸出儀表放 大器,它可以直接連接到高速Σ-Δ 型轉換器。

圖6. 采用AD8220 和AD717x-x 的過采樣架構模擬前端
對于模擬前端,重要的是什么,它如何影響我的設計?
放大器和ADC 是此類應用中最重要的兩個模塊。第一級放大 器有幾項關健要求。
一個要求是共模抑制比 (CMRR)。液體電解質中的離子會發生 定向運動,因此,電極與流體之間會產生電勢,這就是所謂極 化。如果兩個電極完全一致,電極上的電勢應彼此相等。不同 金屬的極化電壓在數百毫伏到±2 伏之間不等。這是出現在傳 感器輸出端和前置放大器輸入端的直流共模電壓。前置放大器 是抑制此共模電壓的關健。

圖7. 前置放大器的共模抑制
100 dB 共模抑制比會將0.3 伏直流共模衰減到3 微伏,后者作 為直流失調出現在放大器輸出端,可通過校準予以消除。理想 情況下,傳感器上的共模電壓保持不變,但實際上,它會隨時ss 間而變化,并且會受到液體質量或溫度等其他因素的影響。共 模抑制比越高,對連續后臺校準的需求就會越少,流量穩定性 也越高。
表1. 共模抑制對實際流速的影響

電極的金屬材料與電解質液體接觸。液體電解質與電極之間的 摩擦會產生較高頻率的交流共模電壓。雖然幅度通常很小,但 交流共模表現為完全隨機的噪聲,更難抑制。這就要求前置放 大器不僅具有良好的直流共模抑制比,而且要有出色的較高頻 率共模抑制比。AD8220 放大器在直流到5 千赫茲范圍內具有 出色的共模抑制比。對于AD8220 B 級,直流到60 赫茲范圍 的最小共模抑制比為100 dB,5 千赫茲以下為90 dB,能夠很 好地將共模電壓和噪聲抑制到微伏水平。當共模抑制比為120 dB 時,0.1 伏峰峰值降低到0.1 微伏峰峰值。表2 顯示了較差 的CMRR 對輸出傳感器信號的影響。

圖8. AD8220 直流和交流共模抑制效應
前置放大器級的低漏電流和高輸入阻抗是又一重要參數,因為 電磁流量傳感器的輸出阻抗可能高達GΩ。放大器的高輸入阻 抗可防止傳感器輸出過載,避免信號幅度減小。放大器的漏電 流應足夠低,這樣當它流經傳感器時,不會成為一個顯著的誤 差源。AD8220 的最大輸入偏置電流為10 pA,輸入阻抗為1013Ω, 因此它能支持電磁流量傳感器的廣泛輸出特性。表2 列出了前 置放大器輸入阻抗對10 GΩ 高輸出阻抗傳感器的影響。
表2. 放大器輸入阻抗對流速的影響

最后,0.1 赫茲至10 赫茲范圍的1/f 噪聲設置應用的噪底。 當增益配置為10 時,AD8220 折合到輸入端的電壓噪聲約為 0.94 μV p-p,它能分辨6 毫米/秒的瞬時流速和小于1 毫米/秒 的累計流速。
如何選擇ADC,對應用而言哪些方面比較重要?
過采樣方法既帶來了挑戰,也對ADC 模塊提出了更高的性能 要求。由于沒有后級模擬濾波器有源增益級,所以僅有一小部 分的ADC 輸入范圍獲得使用。過采樣和平均本身不等于性能 的顯著提高,因為各傳感器周期需要完全建立下來才能用于流 量計算。此外,需要從這些有限的數據點獲得足夠多的模數轉 換樣本,從而在固件處理過程中消除意外毛刺。

圖9. 流量信號采樣
過采樣架構一般要求ADC 數據速率大于20 kSPS,越快越好。 這與實際流量測量沒有明確關系。由于不存在模擬帶通濾波 器,ADC 輸入端會直接看到傳感器原始輸出。這種情況下, 傳感器的上升沿未經濾波,因此ADC 在上升沿和下降沿期間 須具有足夠高的分辨率,以便足夠準確地捕捉這些邊沿。
流量計的精度本身可通過瞬時流量測量或累計流量測量來確 定。流量計標準采用累計流量技術 — 測量長時間(比如30 或60 秒)內某一水量的平均流量。通過這種測量(而非瞬時 流量測量)可確定系統精度為±0.2%。瞬時流量適合需要實時 流速的應用場合。它對電子器件的精度要求要高得多。理論上, 為了分辨5 毫米/秒的瞬時流量,ADC 需要在一個激勵周期(約 600 樣本的后置FIR 濾波器)內實現20.7 位的峰峰值分辨率。 這可通過模擬前端來實現。
表3. 模擬前端和ADC 的噪聲預算

*數據來自一個FIR 濾波器周期和一次瞬時流量計算。
AD7172-2 提供低輸入噪聲和高采樣速度的完美組合,特別適 合電磁流量應用。采用2.5 V 外部基準電壓源時,AD7172-2 的典型噪聲低至0.47μV p-p。這意味著,最終流量結果的刷新 速率可以達到50 SPS,而不需要增加外部放大級。圖10 顯示 了采用AD7172-2 的過采樣前端電路的噪聲曲線。

圖10. 采用AD8220 和AD7172-2 的過采樣架構的折合到輸入 端噪聲測試結果
如何獲得更快的響應以滿足業界對更高效率的需求?
提高傳感器激勵頻率可以提高流量測量的系統更新速率。這種 情況下,傳感器輸出的建立時間會縮短,因而可用于平均的樣 本數會減少。使用更低噪聲的ADC,可以進一步降低折合到 傳感器輸出端的噪聲。采用同樣的前端驅動器AD8220,其增 益配置為×10,可以比較更高更新速率下該模擬前端與主要競 爭產品的性能。表4 和圖11 顯示了與最接近的競爭產品相比, ADI 器件在更高系統更新速率下取得的優勢。
表4. 不同傳感器激勵頻率下的測量精度比較


圖11. 不同傳感器激勵頻率下的測量精度比較
儀表放大器能否直接驅動ADC,我怎樣才能確定?
一般而言,這取決于儀表放大器的驅動能力和ADC 的輸入結 構。許多現代精密ADC 是基于開關電容架構。片內采樣保持 器呈現為上游放大器的瞬態負載,它必須能讓開關電容輸入建 立,以便實現精確采樣。

圖12. 等效模擬輸入電路
下式可用來檢查放大器能否驅動ADC。
其中:
BW 為放大器驅動ADC 所需的最小帶寬。
MCLK 為ADC 調制器時鐘頻率(單位為赫茲)。
T 為短路相位時間(單位為秒)。
FS 為ADC 滿量程輸入范圍(單位為V)。
CMV 為ADC 輸入范圍的共模電壓(單位為V)。
Error 為ADC 采樣的建立誤差。
例如,AD7172-2 的調制器頻率為2 兆赫茲,短路相位時間為 10 ns,滿量程輸入范圍為5 V,共模電壓為2.5 V,建立誤差 為1 ppm。由此得到BW 值為8.7 兆赫茲,這就是當AD7172-2 處于無緩沖模式時,驅動放大器需要的帶寬。它超過1.7 兆赫 茲— AD8220 及許多精密儀表放大器的增益帶寬積能力。 AD7172-2 的兩個ADC模擬輸入上均集成真正的軌到軌精密單 位增益緩沖器。它設計用來在全頻率范圍驅動AD7172-2 輸入 級,降低客戶的設計復雜度和風險。緩沖器提供高輸入阻抗, 典型輸入電流僅5 nA,使得高阻抗信號源可以直接連接到模擬 輸入。緩沖器全面驅動ADC 內置開關電容采樣網絡,簡化了 模擬前端電路要求,而每個緩沖器的典型功耗僅有0.87 mA。 每個模擬輸入緩沖器放大器均完全斬波,就是說,這會使緩沖 器的失調誤差漂移和1/f 噪聲最小。
如何產生磁場?
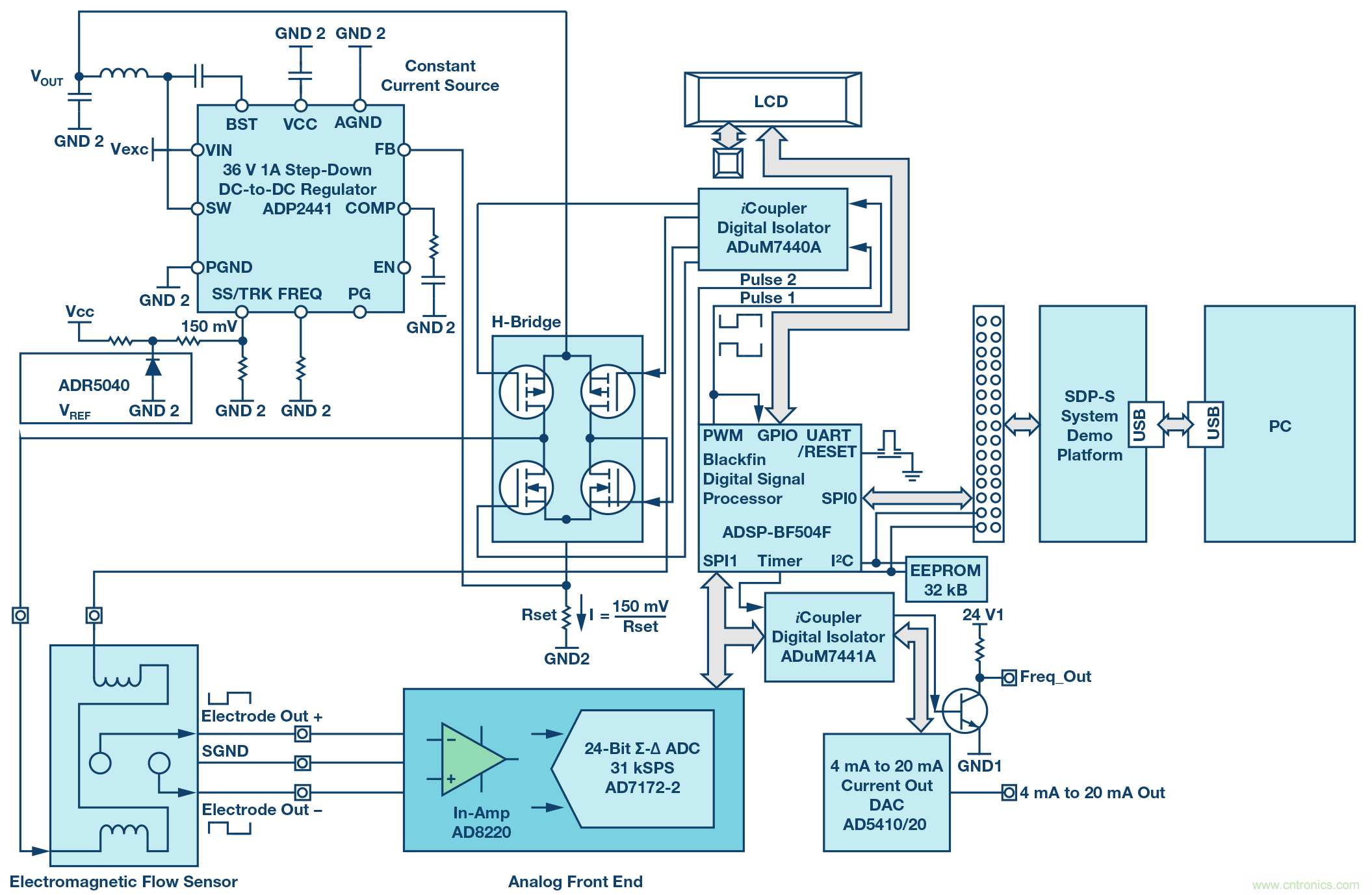
通過線圈施加恒定電流,從而在測量管道內部產生磁場;線圈 安裝在管道外部附近,常常成對存在,并且互相串聯。線圈通 常是數百匝銅線,因此在驅動器電路看來,其是一個較大電感。 線圈電感通常在數十到數百毫亨左右,另外還有50 Ω 到100 Ω 的直流串聯電阻。在每個周期內,通過斷開和閉合H 電橋上不 同的開關對,驅動器電路改變激勵電流方向,因而磁場也改變 方向。為了消除噪聲,交替頻率一般是電力線頻率的整小數倍。 驅動器電路包括一個恒流源和一個H 電橋,受微處理器控制。

圖13. 磁場產生
功耗是否重要?
是的。電磁流量計的激勵電流可能相當大,從針對較小直徑管 道的50 毫安到針對較大直徑管道的500 毫安或1 安培不等。 恒流電路若采用線性穩壓電路,可能會消耗大量功耗和電路板 面積。
與線性穩壓恒流電路相比,開關模式電源可節省功耗。如圖所 示,ADP2441 配置為恒流源輸出模式。1.2 V ADR5040 輸出電 壓由兩個電阻分壓至150 mV。此150 mV 電壓施加于ADP2441 電壓跟蹤引腳,使得電壓反饋引腳也保持在150 mV。當在反 饋引腳上使用一個0.6 Ω 電流設置電阻時,ADP2441 便會將其 輸出電流調節到預設電流ISET 水平。通過調整連接到ADP2441 反饋引腳的電流設置電阻值,便可調節恒流源。


圖14 (a). 利用開關電源和 iCoupler®驅動隔離H 電橋
(b). 利用線性調節電流源和光耦合器驅動隔離H 電橋
表5. 推薦開關穩壓器

該驅動級設計有何其他優勢?
它有顯著的面積優勢。電磁流量傳感器驅動電路,也稱為激勵 電路,通常與信號調理電路(1 千伏基本隔離一般足夠)相隔 離。常規電磁流量變送器普遍使用光耦合器隔離。光耦合器的 可靠性往往很差,而且尺寸相當大。ADuM7440 數字隔離器集 高速CMOS 和單片空芯變壓器技術于一體,在一個16 引腳小 型QSOP 封裝中提供四個獨立隔離通道。

圖15. 光耦合器與數字隔離器設計的面積比較
與采用光耦合器、線性穩壓恒流源、通孔封裝的分立場效應管 H 電橋的常規方案相比,使用數字隔離方法不僅可節省功耗,還能節約80%以上的電路面積。
表6. H 電橋驅動級使用的主要器件比較

如何計算流速?
在數字域中交流流量信號仍需要濾波和同步解調。圖15 說明 算法如何在數字域中實現同步解調。數字信號處理器發出控制 信號1 和2,這是一對互補邏輯信號,用于電磁流量傳感器線 圈激勵。在這兩個信號的控制下,流經電磁流量傳感器線圈的 電流在每個周期都會反向,因而磁場方向和電極上的傳感器輸 出也會反向。

圖16. 數字域中的同步解調和流速計算
例如在第n 個周期,當ADC 樣本輸入時,數字信號處理器(本 例為ADSP-BF504F)知道控制信號1 和2 的時序與邏輯。這 樣,數字信號處理器便可根據線圈驅動控制信號的邏輯狀態將 這些ADC 樣本安排到靜態隨機存儲器的兩個數組中。也就是 說,在正半周期獲得的帶時間戳樣本歸入一組,在負半周期采 集的樣本歸入另一組。隨后,每一組均經過FIR(有限脈沖響 應)低通濾波器。濾波器截止頻率設置為30 赫茲,允許有用 信號通過,但會抑制電力線頻率干擾和高頻噪聲成分。圖17 顯示了過采樣前端設計中的FIR 濾波器幅頻曲線和模擬同步 解調架構中的模擬帶通濾波器幅頻曲線。

圖17 (a). 數字FIR 低通濾波器幅頻曲線
(b). 模擬帶通濾波器幅頻曲線
然后,算法減去這兩個平均值以獲得一個與流速成正比的值。 此值的單位為LSB/(毫米/秒)。該值需要做進一步處理。最終 流速計算如下:

其中:
ΔFlowRate 為從正負激勵階段中減去兩個平均值的結果,單位 為LSB。
VREF 為ADC 基準電壓,單位為V。
N 為ADC 分辨率位數。
G 為模擬前端增益。
Sensitivity 為傳感器的標稱靈敏度,單位為伏特/(毫米/秒)。
KT 為變送器系數。
KS 為傳感器系數。
KZ 為零點失調。
如何選擇合適的處理器?
選擇處理器是一個重要問題。業界越來越需要更高的處理能 力,用以支持更復雜的算法處理或增強的診斷/預測功能。另 外,提高電氣和工業基礎設施的能源效率已成為全球運動。客 戶要求以更低的功耗和更實惠的價格獲得更高處理能力。
電磁流量計的數字濾波器可能需要大量處理能力。32 位FIR 濾波器要消耗80 MIPS。流速計算、外設通信驅動和數據通信 分別需要40 MIPS、32 MIPS 和20 MIPS。這些相加的總和為 172 MIPS。本設計中,上述任務由最高達到400 MIPS 的數字 信號處理器ADSP-BF504F 完成。這樣,已經有將近50%的處 理能力被占用,其中還不包括多層協議堆棧、HART 通信、診 斷、安全監控功能和液晶顯示驅動。
表7. MIPS 消耗

片內外設也很重要。數字信號處理器有多種功能要實現,包括 SPI、UART、 I2C和脈沖輸出通信。有35 個GPIO 可用于硬件 控制和邏輯輸入/輸出,例如控制液晶顯示器、鍵盤輸入、報 警和診斷等。SRAM 存儲器存儲濾波器系數、SPI 數據通信、 LCM 數據緩存、機器狀態數據和內部狀態標志。68 kB 片內靜 態隨機存取存儲器 (SRAM) 滿足系統要求,包括一個32 kB L1 指令SRAM/緩存和一個32 kB L1 數據SRAM/緩存。RS-485 和HART 通信也需要存儲器。ADSP-BF504F 的4 MB 片內閃 存可用來存儲程序數據、濾波器系數和校準參數。

圖18. ADSP-BF504F 外設
未來對處理能力的需求會持續增加。未來滿足這種要求, ADSP-BF70x Blackfin® 處理器系列提供高性能DSP,具有同類 一流的800 MMACS 處理能力,而功耗不足100 mW。此系列 由8 款高性價比成員構成,搭載最高1 MB 內置L2 SRAM,使 許多應用無需采用外部存儲器,而第二種配置則提供可選的 DDR2/LPDDR 存儲器接口。表8 列出了ADSP-BF7xx 系列的 重要特性。
表8. ADSP-BF70x Blackfin 處理器系列

ADI 公司針對電磁流量計解決方案提供何種支持?
ADI 公司開發了一款系統級參考設計,用以支持電磁流量計完 整信號鏈的原型開發。該系列配置靈活,可連接到任何類型的 電磁流量傳感器,施加適當的激勵頻率和電壓即可產生磁場 (由Blackfin 數字信號處理器控制),能夠測量傳感器輸出, 以及應用后處理濾波器和算法來計算流速。ADI 公司在真實的 流量試驗臺環境中對設計進行標定(如圖19 所示),并將標定 系數存儲在非易失存儲器中。支持單點或多點校準,通過多點 線性化可實現更高的性能。這樣做的結果表明:該模擬前端設 計的性能可以達到領先高端流量計的要求。

圖19. ADI 完整解決方案
相比傳統架構,過采樣架構有多方面重要優勢。面積和成本均 有顯著節省 — 分別達到50%和20%。由于能夠節省傳感器信 號并應用后處理,功耗也會降低,系統性能也得以增強。有關 ADI 參考設計的更多信息,請聯系 cic@analog.com.
您是否利用該設計測量過數據?
評估結果
該參考設計進行過測試,我們把它連接到流量標定試驗臺上的 25 毫米直徑電磁流量傳感器,介質為室溫下的水。激勵頻率設 置為6.25 赫茲,在0.5 米/秒到2 米/秒范圍內,基本誤差為讀 數的±0.2%。測試結果數據如表9 所示。
表9. 采用DN25 傳感器的數字過采樣演示板的校準結果

總結
全世界有越來越多的環境法規要求監測和控制來自住宅、商業 和工業的廢棄物,尤以歐洲為甚。電磁流量技術是此類應用的 首選技術。傳統方法基本上是模擬方法,它有一些缺點,表現 在成本、面積、功耗、響應時間、有限的系統信息等方面。行 業趨勢是轉向過采樣方法。這給ADC 要求帶來了重大挑戰, 因為更新速率會提高10 倍左右,但平均值的好處得不到利用, ADC 在高數據速率下的噪聲要求需要進一步提高。另外還有 功耗挑戰需要解決。液體和管道直徑均有很多類型,這就需要 能夠動態控制功耗,通過一種支持所有類型傳感器需求的設計 來將功耗降至最低。Blackfin 數字信號處理器集低功耗和高處 理能力于一體,滿足流量計應用的要求。它執行復雜的FIR 濾 波器算法來計算流速,同時具有領先的800 MMACS 處理能力, 而功耗不足100 mW。完整設計相比于之前的技術大大簡化, 而且可節省成本、功耗和面積,優勢眾多。有關ADI 參考設 計的更多信息,請聯系cic@analog.com.
參考電路
Ardizzoni, John. "高速差分ADC 驅動器設計指南." 模擬對話, 第43 卷,2009 年5 月。
Walsh, Alan. "精密SAR 模數轉換器的前端放大器和RC 濾波 器設計" 模擬對話,第46 卷,2012 年12 月。
推薦閱讀:





