【導讀】本文給大家帶來的是關于FM解調器的相關知識點,主要以電路的形式讓大家了解FM解調器的工作原理,相信經過本文的講解,你通透了解FM解調器真的不費事!
電路原理:
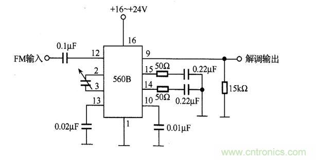
如圖所示,是FM解調器實例,它采用560B把FM中心頻率(10.7MHz)變換為低音頻信號。560B片內有相位比較器、放大器以及壓控振蕩器。壓控振蕩器與輸入信號同步時,利用其控制電壓與輸入信號頻率成比例變化的特性進行FM解調。偏離10.7MHz中心頻率的最大頻率偏離75kHz 時,對應的FM波的低頻輸出電壓的峰-峰值為0.21V。
如圖所示,是FM解調器實例,它采用560B把FM中心頻率(10.7MHz)變換為低音頻信號。560B片內有相位比較器、放大器以及壓控振蕩器。壓控振蕩器與輸入信號同步時,利用其控制電壓與輸入信號頻率成比例變化的特性進行FM解調。偏離10.7MHz中心頻率的最大頻率偏離75kHz 時,對應的FM波的低頻輸出電壓的峰-峰值為0.21V。



