【導讀】隨著集成電路的逐漸開發,集成電路測試儀從最開始的小規模集成電路逐漸發展到中規模、大規模甚至超大規模集成電路。集成電路測試儀分為三大類別:模擬與混合信號電路測試儀、數字集成電路測試儀、驗證系統、在線測試系統、存儲器測試儀等。目前,智能、簡單快捷、低成本的集成電路測試儀是市場上的熱門。
在高等學校的電子實驗教學中,經常要用到如模數轉換器(ADC)、數模轉換器(DAC)、555集成定時電路、3524開關電源控制器等中規模集成電路。由于學生通常是初次接觸使用芯片,經常會由于操作不當造成電路芯片的損傷或損壞,而表面上卻無法作出正確的判斷。在這種情況下,非常需要有適當的集成電路的測試儀,用于測試、判斷芯片的好壞。而市面上又沒有合適的測試儀可供選購。因此,本文設計制作了可用于一些特定的中規模電路的測試儀。根據具體的需要選取了ADC0809、DAC0832、LM555、WC3524等幾種芯片作為測試對象,并設計了相應的專門測試儀。
測試儀結構
測試儀的結構示意框圖如圖1所示。該測試儀器的控制器采用了Atmel公司的八位單片機89C55,用于完成界面管理和自動檢測控制功能。其中采用了Maxim公司的MAX197高精度的A/D轉換器來完成模擬信號的測試。下面分別介紹各類器件的測試原理和方法。

圖1:測試儀結構框圖
一、測試原理和測試電路
測試一個器件的功能或特性參數,通常采取該器件的典型應用電路,把功能體現出來,把參數值直接或間接地反映出來。
1、LM555定時電路的測試
集成定時電路LM555的應用非常廣,其測試電路如圖2所示。這是一個典型的定時電路接法,用于測試內部的2個比較器和RS觸發器是否正常,同時可以測試控制電壓是否正常。

圖2:LM555的測試電路
2、模數轉換器ADC0809的測試
模數轉換器ADC0809的測試電路圖如圖3所示。根據測試電路,ADC0809的8個通道輸入同樣的模擬量,該模擬量同樣也輸送給MAX197??刂破鬟x擇ADC0809的1個模擬通道,并發出啟動轉換信號,使ADC0809開始轉換,然后控制MAX197也開始轉換。等待轉換結束,分別讀取兩者的轉換結果,并進行數值比較,根據誤差限確定器件功能是否正常。改變通道繼續測試,直到8個通道測試完畢,顯示其結果。

圖3:ADC0809測試電路
[page]
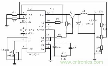
3、SG3524的測試
SG3524內部方框圖如圖4所示。輸入直流電源UIN從15腳進入后分2路:一路作為放大器、比較器、振蕩器以及邏輯電路和控制電路的電源;另一路作為基準電壓源,產生+5 V基準電壓輸出到16引腳,作為外部電壓基準。在振蕩器部分的引腳7和引腳6上外接定時電容CT和定時電阻RT,得到所需的振蕩頻率。SG3524測試原理圖如圖5所示,連接成一個典型的降壓型開關電源電路,利用誤差放大器構成電壓負反饋。通過改變取樣比例系數就可以改變輸出電壓,單片機通過測取引腳3上的脈沖頻率,通過MAX197測取輸出端的電壓,即可判斷SG3524芯片的好壞。測試中暫時沒有考慮過流保護功能的測試。

圖4:SG3524內部方框圖

圖5:SG3524測試原理圖
4、DAC0832的測試
D/A轉換器DAC0832是8位二進制數模轉換器,8個數字量輸入端分別為DI7~DI0,其中DI7為MSB,DI0為LSB。它的模擬量輸出端為電流輸出IOUT1和IOUT2,當輸入的數字量最大時,IOUT1端輸出的電流最大;當輸入的數字量為零時,輸出電流最小。IOUT2端的電流輸出情況正好相反。這兩個端子可以和外部的運算放大器相接實現電流/電壓的變換。此芯片內部還有1個反饋電阻,可以作為外部運算放大器的反饋電阻,DAC0832 測試原理圖如圖6所示。芯片內有兩級輸入寄存器,使之具備雙緩沖、單緩沖和直通3種輸入方式,以適于各種電路的需要,例如要求多路D/A異步輸入、同步轉換等。
t
圖6:DAC0832測試原理圖
二、操作和軟件結構
測試儀的基本工作流程是:接通電源后,電源指示燈亮,表明電源工作正常,顯示器顯示等待測試信息,表明可以開始測試操作。由按鍵1選擇所要測試的芯片,顯示光標停留的芯片型號表示是當前待測芯片。每按1次選擇鍵,光標指向下一個型號,不斷地按鍵可以循環選擇。當光標移到所要測試的芯片時,按下確定鍵2,接下來由單片機控制,開始自動測試該芯片,此時對應該芯片的指示燈亮;然后由外部電路或單片機給待測芯片一定的模擬或數字輸入量,經過每個芯片的測試電路后,通過MAX197進行處理(或直接送到單片機),與單片機中預存的標準值進行比較。如果測試值在標準值附近的一定范圍內,則芯片正常,測試指示燈常亮,液晶顯示器顯示OK;否則,芯片出錯,測試指示燈閃爍,液晶顯示器顯示BAD。此芯片測試完畢,按下復位鍵3,即回到初始狀態,可以進行下一輪測試。軟件流程圖如圖7所示。

圖7:軟件流程圖
結語:經過測試證明,該方案設計準確率達到90%以上,測試結果非常理想。
相關閱讀:
解析:基于運算放大器的性能測試儀的設計過程
技術控:教你接地電阻測試儀的測量方法
如何用一只無緩沖CMOS六反相器做出測試儀器?




