【導讀】隨著集成電路集成度的提高,越來越多的元件集成到芯片上,電路功能變得復雜,工作電壓也在降低。當 一個或多個電路里產生的信號或噪聲與同一個芯片內另一個電路的運行彼此干擾時,就產生了芯片內的EMC問題,最為常見的就是 SSN(Simultaneous Switch Noise,同時開關噪聲)和Crosstalk(串音),它們都會給芯片正常工作帶來影響。
由于集成電路通過高速脈沖數字信號進行工作,工作頻率越高產 生的電磁干擾頻譜越寬,越容易引起對外輻射的電磁兼容方面問題。基于以上情況,集成電路本身的電磁干擾(EMI)與抗擾度(EMS)問題已成為集成電路設計與制造關注的課題。
集成電路電磁兼容不僅涉及集成電路電磁干擾與抗擾度的設計和測試方法,而且有必要與集成電路的應用相結合。針對汽車電子領域來講,將對整車級、零部件級的電磁兼容要求強制性標準,結合到集成電路的設計中,才能使電路更易于設計出符合標準的最終產品。作為電子控制系統里面最為關鍵的單元——微控制器(MCU),其EMC性能的好壞直接影響各個模塊與系統的控制功能。
本文在汽車電子MCU 中采用抗EMI的設計方法,依據IEC61967傳導測試標準,對汽車電子MCU進行電磁干擾的測試。
汽車電子MCU設計方法
下面介紹在汽車電子MCU中使用的可行性設計方法以及其他幾種抗EMI設計技術。
2.1 時鐘電路設計
由于時鐘電路產生的時鐘信號一般都是周期信號,其頻譜是離散的,離散譜的能量集中在有限的頻率上。又由于系統中各個部分的時鐘信號通常由同一時鐘分頻、倍頻得到,它們的譜線之間也是倍頻關系,重疊起來進而增大輻射的幅值,因此說時鐘電路是一個非常大的污染源。
針 對汽車電子MCU 數字前端設計,在抗EMI方面采用門控時鐘的方法改進。任何時鐘在不需要時都應關閉,減低工作時鐘引起的電磁發射問題。根據A8128(汽車電子MCU的 型號)芯片系統功能設計要求,采用Run、Idle、Stop和Debug四種工作模式,在每一種工作模式下針對系統時鐘、外設模塊時鐘進行適當門控。此 外,還有幾種在時鐘方面常見的抗EMI的設計方法,包括:
①降低工作頻率
MCU的工作時鐘應該設定為滿足性能要求所需的最低頻率。從下面的測試結果可以看出,一個MCU的運行頻率由80MHz變為10MHz,可以使頻譜寬頻范圍內的干擾峰值產生幾十dBμV 的衰減,而且能夠有效的降低功耗。
②異步設計
異步電路工作沒有鎖定一個固有頻率,電磁輻射大范圍均勻分布而不會集中在特定的窄帶頻譜中。這一關鍵本質特征決定了即使異步電路使用大量的有源門電路,它所產生的電磁發射也要比同步電路小。
③擴展頻譜
擴 展頻譜時鐘是一項能夠減小輻射測量值的技術,這種技術對時鐘頻率進行1%~2%的調制,擴散諧波分量,在CISPR16或FCC發射測試中峰值較低,但這 并非真正減小瞬時發射功率。因此,對一些快速反應設備仍可能產生同樣的干擾。擴展頻譜時鐘不能應用于要求嚴格的時間通信網絡中,比如FDD、以太網、光纖 等。
2.2 IO端口設計
在汽車電子MCU 的輸入輸出端口設計中,也加入了抗EMI方案,包括翻轉速率(slew rate control)和驅動強度(drive strength)控制方法。通過在所有通用P口引入可配置的翻轉速率和驅動強度寄存器,在需要的時候打開相應功能。翻轉速率有打開和關閉兩種選擇,打開 后能夠有效地平緩上升沿或者下降沿,降低瞬態電流,進而控制芯片產生的電磁干擾強度。驅動強度有強驅動電流和弱驅動電流兩種選擇,在能夠滿足工作驅動強度 的情況下,選擇弱電流驅動會更好的控制電磁干擾現象。
另外,基于GSMC 180nm工藝庫,選擇具有施密特觸發特性的IO,可以有效地平緩輸入信號中帶進來的尖峰或者噪聲信號等,對芯片的電磁抗擾度有所幫助。[page]
汽車電子MCU測試方案
IEC61967標準是國際電工 委員會制定的有關集成電路電磁發射的標準,用于頻率為150kHz到1GHz的集成電路電磁發射測試。標準中涉及到輻射和傳導兩類測試方法,由于傳導方式 的電磁干擾帶給芯片應用上的影響更大一些,本次試驗選取IEC61967-4直接耦合法進行測試。該方法又分為1Ω測試法和150Ω測試法,1Ω測試法用 來測試接地引腳上的總干擾電流,150Ω測試法用來測試輸出端口的干擾電壓。
在測試時,需要在進行測試的電路中接入串聯電阻 為1Ω的電流探針(探針即為1Ω測試網絡,已經集成在EMC測試板的芯片地端與PCB地平面之間),49Ω串聯放置為了形成50Ω匹配,用接收機測量射頻 電流流經該電阻時產生的射頻電壓,所測得的電壓應為所有流回到集成電路的射頻電流在電流探頭上產生電壓的總和,測得的電壓值可以換算為流過探針的電流,測 試環境圖如圖1所示。

圖1 1Ω測試環境
在 150Ω測試中,集成電路的引腳通過標準規定的匹配網絡接到測試接收機,通過150Ω探針(探針即為150Ω測試網絡,已經集成在EMC測試板上)可以測 量SSN在輸入輸出端口和電源兩類引腳上的傳導干擾,通過計算可以將接收機測量的電壓轉換為噪聲電壓幅值,測試環境圖如圖2所示。

圖2 150Ω測試環境
下面是針對EMI進行的1Ω和150Ω測試步驟,包括測試前準備工作以及測試數據分析等。
3.1 測試前裝備工作
①環境溫度
本次實驗集中在晚間進行,現場溫度控制在23±2℃范圍內,符合標準要求。
②環境噪聲電平
將DUT(被測設備)固定在實驗臺上且為斷電狀態,用EMI接收機測量殘留噪聲。本次實驗環境噪聲電平在可接受的測試要求內,詳情請參看圖6。
③其他環境條件
所有其他可能影響測試結果的環境條件,例如環境濕度。本次實驗所測得的相對濕度為45%RH左右。
④確認工作狀態
給DUT供電并檢查確認IC處于正常的工作狀態,同時在實驗時保持周圍的測試條件不變。[page]
3.2 1Ω測試
(1)將SMA連接線一端連接到測試板,另一端連接到接收 機(安捷倫N9030,內置N141A電磁兼容測試軟件),將EMI接收機的測量頻率范圍設置為150kHz到1GHz,根據標準對測試操作的要求,分成 150kHz~30MHz(RBW 為9kHz)和30MHz~1GHz(RBW 為120kHz)兩段。下面測試圖中綠色邊框范圍內的是150kHz~30MHz,范圍外的是30MHz~1GHz。
結合汽車電子MCU 端口特性以及標準要求,將接地端口與1Ω網絡相連,再與SMA口相接,引入EMI接收機進行監控,原理圖如圖3、圖4所示。

圖3 芯片的地網絡引腳

圖4 1Ω網絡
(2)選取可能影響EMC特性的因素,在時鐘上分別測試10MHz、20MHz以及77MHz頻率下電磁干擾大小數值,在測試功能上選取模數轉換程序ADC;
(3)測量每一段頻譜內可能出現的干擾,提取各個諧波的包絡值,接收機的電壓可以換算為流過探針的電流。測試儀器以及EMC測試板如圖5所示;

圖5 實際測試環境
(4)在對每個頻率點測試的時候要進行多次測量,以便排除偶然因素的干擾。下面是各個測試情況的說明;
①時鐘采用外部晶振10MHz,燒錄SRAM 中的程序為ADC。圖6左側為未上電時的環境噪聲信號,右側為上電但未運行程序的測量結果。[page]

圖6 斷電vs.上電
通過對比可以得出上電之后在整個頻譜范圍內干擾強度變大,時鐘的固定周期將使電磁輻射集中在時鐘基波和諧波附近很窄的頻譜范圍內。根據傅里葉級數展開公式可以得出,在時鐘倍頻處的頻點其干擾值也越大,所以在10MHz、20MHz等倍頻點處的現象更明顯,
②為了進一步對比,運行ADC程序,分別在10MHz、20MHz以及77MHz時鐘下進行測試,比較不同時鐘接地引腳總干擾電流大小,測試結果如圖7、圖8、圖9所示。

圖7 10MHz—ADC測試圖

圖8 20MHz—ADC測試圖

圖9 77MHz—ADC測試圖

圖10 10/20/77MHz—ADC測試數據整理
圖 7、圖8、圖9分別是10MHz、20MHz和77MHz的測試圖,圖10是整理后的數據。通過對比可以得出,頻譜大致集中在100MHz以內,在對應工 作時鐘的主頻點處干擾值最大,10MHz、20MHz情況下在相應倍頻點(如40MHz、60MHz等頻點)附近的干擾值也比較集中。[page]
提 取數據得到10 MHz時峰值點為9.999MHz(62.643dBμV),20 MHz 時的峰值點為20.002MHz(61.692dBμV),77MHz時的峰值點為19.264MHz(48.049dBμV)以及 77.042MHz(47.316dBμV)。可以看出,77MHz時干擾強度和密度反而要弱于20MHz,可能是由于77MHz是MCU工作的極限時 鐘,此時工作性能受到一定影響,導致測試的結果有所不同。
③由于汽車電子MCU的工作時鐘可以選擇外部晶振或者內部PLL倍頻,所以要對兩種情況分別測試,以便比較是否有差別。運行ADC程序后的測試結果如圖11所示。

圖11 PLL vs.外部晶振(10MHz)
從圖11中可以看出,在頻譜范圍內各個峰值點的分布大致相同,整個頻譜范圍內沒有明顯差異,MCU通過外部晶振或PLL倍頻兩種方式測得的結果基本一致,時鐘源選擇上不會對芯片的電磁干擾強度帶來影響。
3.3 150Ω測試
(1)設備裝置連接同1Ω測試法的步驟①;
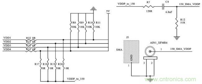
(2) 根據芯片電源類型,電源分為4路,分別是VDD1(數字IO 供電的5V 電源信號)、VDD2(為ADC和PLL供電的LDO 的5V 電壓)、VDD3(數字邏輯LDO的5V電壓輸入)和VDD4(Flash的5V電壓輸入)。可單獨對每一路電源的干擾噪聲進行捕捉,連接方式與1Ω 測試法步驟②相同,如圖12所示;

圖12 VDD連接150Ω網絡145
(3)根據汽車電子MCU應用特點,選取最為典型的PWM、CAN 程序,為了方便以后對眾多引腳進行單獨測量,將P0、P1、P2(P3未涉及到外設功能復用)端口共24個引腳進行了開關控制,再通過150Ω耦合網絡連 接到EMI接收機,圖13是P0端口的電路原理圖,P1和P2的原理圖同P0。

圖13 IO-P0連接150Ω網絡
[page](4)重復測試多次,得到較多測試樣本,經過整理,下面是各個測試情況的說明。
①從電源端口結果來看,區別很小,下面以VDD1為例進行分析說明。VDD1測試選取了ADC和counter(數字計數器)的程序,以比較不同類別的程序對數字供電是否有影響,測試結果如圖14、圖15所示。

②PWM 功能測試
雙通道模式下,在不同占空比和周期大小情況下,測試對應P口引腳處傳導發射強度的大小,測試結果如圖16、圖17所示。
從圖16中的干擾密度可看出時鐘對電磁干擾影響程度。在圖17中,由于period和duty較長,測試結果相差不大,此時時鐘頻率變成次要因素,主要因素取決于輸出引腳處高低電平變化周期長短。
③CAN功能測試
運行Loopback(回路模式)程序,在不同時鐘頻率下進行比較,測試結果如圖18、圖19所示。
從 圖16~19中觀察,隨著時鐘頻率變大,TX和RX端口的傳導輻射強度也變大。對于RX端口,10/40MHz頻點附近的干擾密度比較大,且在40MHz 時候現象更明顯,捕捉到連續三個頻點(圖18右側標注),分別是39.060 MHz(71.063dBμV)、39.360MHz(67.447dBμV)、40.020MHz(39.171dBμV),兩個時鐘下的峰值都在 70~85dBμV 之間,但一般都在10MHz以下,應該是受低頻某一頻點的影響較明顯。
對于TX端口,10/40MHz頻點附近的干擾密度沒有RX明顯,峰值也都在70~85dBμV 之間,且發生在10MHz以下,和RX的特點大致相同。
測試結果分析
從測試數據結果可以總結出以下幾點:
① 在時鐘頻率上,從10 MHz到40 MHz、77MHz,干擾強度或是密度在整體上都會增加,可以是一小段頻譜或者是整個頻譜范圍內,這與測試對象關系比較大。分析原因不難發現,由于時鐘電 路產生的時鐘信號一般都是周期信號,其頻譜是離散的,離散譜的能量集中在有限的頻率上,又由于系統中各個部分的時鐘信號通常由同一時鐘分頻、倍頻得到,它 們的譜線之間也是倍頻關系,會重疊起來進而增大輻射的幅值。
②在程序燒寫方式上,外部晶振或PLL倍頻兩種方式測得的結果基本一致,整個頻譜范圍內沒有明顯差異,時鐘源選擇上不會對芯片的電磁干擾強度帶來影響。
③從VDD1測試結果來看,除了得出頻率越高,干擾強度越大之外,還發現出現干擾的頻譜范圍分別在60~300MHz和550~650MHz兩處,可見電源處的干擾在高頻附近比較明顯。
④ 對于PWM 功能,通過配置輸出波形周期和占空比大小,會導致在不同時鐘下產生的電磁干擾強度有所差異。由于雙通道模式下寄存器為16bit(原單通道模式為 8bit),此時周期和占空比可配置的數值變大,PWM 波輸出引腳處的高低電平翻轉周期就取決于周期和占空比的設置,與時鐘的關系變得沒有之前如此緊密,時鐘變成了次要因素。由此建議在滿足功能要求的前提下, 使用PWM 功能時盡量將周期和占空比數值變得大一些,這樣會較好地改進EMC性能;
⑤對于CAN 總線來講,通過10 MHz和40MHz時鐘對比,當合理地降低時鐘工作頻率,會使一大段頻譜范圍內的干擾值降低,從整體上較好的控制EMI帶來的影響。
結束語
對 于微電子行業來說,芯片級電磁兼容性的設計與測試已經成為一個非常重要的主題。實際上,如果不對集成電路電磁輻射及抗擾度方面進行深入的研究,就很難滿足 電子設備電磁兼容性方面的需要。本文通過對設計方法的引入,并進一步通過測試方案去總結歸納影響電磁發射的因素和原因,從而間接證明了設計方法的必要性和 重要性。





