中心議題:
- 反激變換器傳導EMI產生機理
- 變壓器中寄生電容的分布
- 變壓器中共模傳導EMI的產生機理
解決方案:
- 通過寄生電容的耦合產生在一次側與二次側之間流動的共模傳導EMI電流
以反激式變換器為例,其主電路如圖1所示。
開關管開通后,變壓器一次側電流逐漸增加,磁芯儲能也隨之增加。當開關管關斷后,二次側整流二極管導通,變壓器儲能被耦合到二次側,給負載供電。

圖1反激變換器
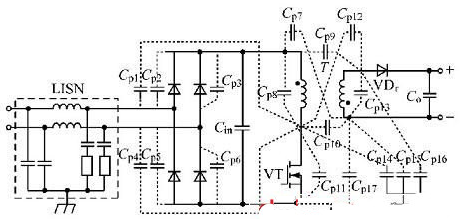
在開關電源中,輸入整流后的電流為尖脈沖電流,開關開通和關斷時變換器中電壓、電流變化率很高,這些波形中含有豐富的高頻諧波。另外,在主開關管開關過程和整流二極管反向恢復過程中,電路的寄生電感、電容會發生高頻振蕩,以上這些都是電磁干擾的來源。開關電源中存在大量的分布電容,這些分布電容給電磁干擾的傳遞提供了通路,如圖2所示。圖2中,LISN為線性阻抗穩定網絡,用于線路傳導干擾的測量。干擾信號通過導線、寄生電容等傳遞到變換器的輸入、輸出端,形成了傳導干擾。變壓器的各繞組之間也存在著大量的寄生電容,如圖3所示。圖3中,A、B、C、D4點與圖1中標識的4點相對應。

圖2反激式開關電源寄生電容典型的分布

圖3變壓器中寄生電容的分布
在圖1所示的反激式開關電源中,變換器工作于連續模式時,開關管VT導通后,B點電位低于A點,一次繞組匝間電容便會充電,充電電流由A流向B;VT關斷后,寄生電容反向充電,充電電流由B流向A。這樣,變壓器中便產生了差模傳導EMI。同時,電源元器件與大地之間的電位差也會產生高頻變化。由于元器件與大地、機殼之間存在著分布電容,便產生了在輸入端與大地、機殼所構成回路之間流動的共模傳導EMI電流。
[page]
具體到變壓器中,一次繞組與二次繞組之間的電位差也會產生高頻變化,通過寄生電容的耦合,從而產生了在一次側與二次側之間流動的共模傳導EMI電流。交流等效回路及簡化等效回路如圖4所示。圖4中:ZLISN為線性阻抗穩定網絡的等效阻抗;CP為變壓器一次繞組與二次繞組間的寄生電容;ZG為大地不同點間的等效阻抗;CSG為輸出回路與地間的等效電容;Z為變壓器以外回路的等效阻抗。

圖4變壓器中共模傳導EMI的流通回路





