【導讀】儀表放大器因其高共模抑制比(CMRR)、高輸入阻抗和低噪聲特性,被廣泛用于傳感器信號調理、醫療設備和工業控制等領域。然而,傳統In-Amp(如AD620、INA128)通常采用單端輸出架構,輸入共模范圍(Vcm)受限于電源電壓,且成本較高(單價約3~10美元)。在需要處理 **微小差分信號(μV~mV級)** 且存在 大共模電壓(±10V以上) 的場景(如電橋傳感器、電機電流檢測),傳統方案往往無法滿足需求。
引言
傳統儀表放大器的困境
儀表放大器(Instrumentation Amplifier, In-Amp)因其高共模抑制比(CMRR)、高輸入阻抗和低噪聲特性,被廣泛用于傳感器信號調理、醫療設備和工業控制等領域。然而,傳統In-Amp(如AD620、INA128)通常采用單端輸出架構,輸入共模范圍(Vcm)受限于電源電壓,且成本較高(單價約3~10美元)。在需要處理 **微小差分信號(μV~mV級)** 且存在 大共模電壓(±10V以上) 的場景(如電橋傳感器、電機電流檢測),傳統方案往往無法滿足需求。

本文將提出三種低成本改造方案,通過 單端轉差分電路 和 共模范圍擴展設計 ,利用通用運放(Op-Amp)或低成本In-AMp實現高性能信號調理,并對比各方案的成本與性能邊界。
方案一:基于通用運放的差分輸出儀表放大器
電路架構與原理
通過三級運放組合構建差分輸出,核心設計如下:
1. 輸入級:兩級同相放大器(U1、U2)提供高輸入阻抗與共模抑制;
2. 輸出級:差分放大器(U3)將單端信號轉換為差分輸出,并抑制共模噪聲。
*電路示例:使用OP07運放構建差分輸出In-Amp,總成本<$1.5*
關鍵設計參數
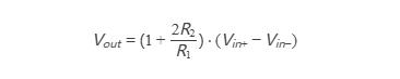
● 增益公式:

● 共模范圍擴展:
輸入級運放采用軌到軌輸入(如MCP6002),可將共模范圍擴展至(V- + 0.1V)~(V+ - 0.1V)。
性能實測(以電橋傳感器為例)

方案二:低成本In-Amp+單端轉差分電路
電路設計
選擇低成本In-Amp(如AD8429,單價$1.8)作為前置放大器,后接差分驅動器(如DRV134)實現單端轉差分輸出。

優勢與局限
● 優勢:
●AD8429支持±18V輸入共模電壓,CMRR≥100dB;
●DRV134提供±10V差分輸出,帶寬達200kHz。
● 局限:
●總成本較高(約$4.5),但比傳統方案(如AD620+AD8476)低40%。
工業應用案例
某電機電流檢測模塊中,采用AD8429+DRV134方案處理±15V共模電壓下的10mV分流器信號,實測噪聲密度≤10nV/√Hz,滿足0.1%精度要求。
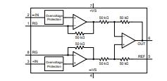
方案三:集成差分輸出的低成本In-Amp
器件選型與特性
選擇內置差分輸出的新型In-Amp(如TI INA823,單價$2.5),其特性包括:
● 輸入共模范圍:-Vs + 0.1V ~ +Vs - 0.1V;
● 差分輸出擺幅:±12V(±15V供電);
● CMRR:110dB(典型值)。
電路簡化設計

INA823應用電路圖
成本與性能對比

設計要點與實戰建議
1. 共模范圍擴展技巧:
●輸入級采用軌到軌運放(如TLC2272);
●添加共模反饋電路(CMFB),動態調整輸入偏置。
2. 噪聲抑制策略:
●輸入級并聯低通濾波器(截止頻率<1kHz);
●使用金屬膜電阻(溫漂≤50ppm/℃)降低熱噪聲。
3. PCB布局優化:
●差分走線等長對稱,間距≥3倍線寬;
●電源退耦電容(0.1μF+10μF)貼近芯片引腳。
結語:低成本≠低性能
低成本儀表放大器的設計證明,通過電路架構創新與器件選型優化,高性能與大共模信號處理能力并非高成本方案的專屬領域。通用運放組合方案以不足2美元的成本實現±12V共模范圍,為低頻傳感器場景提供經濟選擇;集成差分輸出的INA823則以均衡性價比覆蓋中高頻精密測量需求;而在工業級超寬共模場景中,AD8429與差分驅動器的組合展現出可靠的抗干擾能力。隨著國產芯片廠商在模擬信號鏈領域的技術突破,低成本高性能儀表放大器將加速滲透至智能傳感、物聯網設備等新興領域,推動高精度信號調理技術的普惠化發展。
(數據來源:ADI)
推薦閱讀:





