【導讀】許多應用都需要寬輸入和/或輸出電壓范圍,例如電池供電系統。在輸入電壓可能低于或高于輸出電壓的情況下,電源需要調節其輸出電壓。只要不需要接地隔離,四開關降壓-升壓拓撲結構就能為此類應用提供超高的效率和功率密度。此外,降壓-升壓穩壓器非常靈活,可用作單純的降壓電源或升壓(帶短路保護)電源。
新器件如何相比上一代大電流降壓-升壓型μModule穩壓器實現更高的能效比和更好的熱性能。
許多應用都需要寬輸入和/或輸出電壓范圍,例如電池供電系統。在輸入電壓可能低于或高于輸出電壓的情況下,電源需要調節其輸出電壓。只要不需要接地隔離,四開關降壓-升壓拓撲結構就能為此類應用提供超高的效率和功率密度。此外,降壓-升壓穩壓器非常靈活,可用作單純的降壓電源或升壓(帶短路保護)電源。
ADI公司的μModule部門開發了多款降壓-升壓穩壓器。其中,LTM8045、LTM8049、LTM8083和LTM4693適用于低電流應用。而LTM4607系列、LTM8055系列以及新發布的LTM4712降壓-升壓模塊支持大電流應用(高達12 A)。LTM4607/LTM4605/LTM4609系列內部集成了控制器和MOSFET,但需要在PCB上連接外部功率電感和檢測電阻(RSENSE),以構成完整的電源解決方案,如圖1所示。而LTM8054、LTM8055和LTM8056則將功率電感和RSENSE集成到μModule封裝中,從而簡化了客戶的設計和布局工作,如圖2所示。與LTM4607系列相比,LTM8055系列提供了更小尺寸的解決方案,但其輸出電流受限于小尺寸集成電感,因此熱性能和效率方面存在一定局限性。
2023年,ADI發布了新款大電流、四開關降壓-升壓穩壓器LTM4712。這是一款36 VIN(最大值)、12 A功率模塊,采用高密度16 mm × 16 mm × 8.34 mm BGA封裝。它采用ADI專有的先進組件封裝技術,將高性能功率電感集成到封裝中。圖3顯示了該模塊中集成的專有電流檢測方案。這不僅節省了空間,而且還有效減少了額外的功率損耗。該器件采用先進的降壓-升壓控制器和高級ADI封裝,能夠在寬輸入輸出電壓范圍內實現超高的功率水平、功率密度、效率和出色的熱性能。
LTM4712具有快速逐周期電流模式控制功能,有助于實現可靠的保護和平穩的模式轉換。當采用并聯配置以支持更高電流的應用時,它有助于實現出色的均流功能。此外,這款新器件支持可選的恒定輸出電流模式,可用于電池充電應用,同時還允許冗余輸入,從而增強其作為冗余電源的通用性。

圖1:LTM4607功率級原理圖

圖2:LTM8055典型應用電路

圖3.LTM4712典型應用電路
效率提升和熱性能改善
圖4比較了LTM4607、LTM8055和LTM4712在6 V VIN、12 V VIN、24 V VIN及12 V VOUT條件下的效率。評估使用了可在線訂購的標準評估板。根據測試結果,LTM4712在效率方面明顯優于其他兩款產品,并且電流能力更強。
在12 V VIN和12 V VOUT條件下,與LTM8055相比,LTM4712在功率翻倍的同時溫度低了30°C。對于需要12 A電流的應用,如果使用LTM8055,則根據散熱系統的不同,可能需要并聯兩到三個該器件。然而,如果使用LTM4712,那么一個器件就足夠了,PCB占用空間大大減少,電路設計也更簡單。

圖4:LTM4712、LTM4607和LTM8055之間的效率比較
并聯配置下實現良好的均流
LTM4712支持并聯配置,通過簡單的設置即可實現更高的輸出功率。得益于電流模式控制,它具備出色的均流性能。EVAL-LTM4712-A2Z評估套件展示了四個模塊并聯運行的情況,能提供48 A的總輸出電流。
當利用該器件實現并聯配置時,必須參考評估板的設計和配置。為了實現有效均流,并聯模塊時需要連接COMP引腳和FB引腳。PHMODE引腳可用于配置相移。在四個模塊并聯的情況下,PHMODE引腳連接至INTVCC可以產生90°相移,從而實現出色的交錯效果。此外,為了實現頻率同步,應將第一個模塊的CLOCKOUT信號連接到第二個模塊的SYNC引腳。
可選恒流調節
LTM4712可用作恒定輸出電流源,因此適用于電池充電器或LED驅動器等應用。負載電流通過ISET引腳和輸出端附近的外部輸出電流檢測電阻來設置。公式VSENSE = IOUT × RSENSE_IOUT定義了代表平均輸出電流的電壓。最大VSENSE由ISET引腳上的電壓決定,范圍為0.2 V至1.2 V,線性對應0 mV至50 mV。ISET引腳電壓VISET由一個15 μA內部電流源和一個連接在ISET引腳與地之間的電阻RISET決定,表示為VISET = 15 μA × RISET。因此,輸出電流計算公式為:IOUT = (VISET - 0.2 V)/(20 × RSENSE_IOUT)。
需要注意的是,當ISET引腳浮空時,或當ISET引腳電壓超過1.2 V時,內部電路會將最大VSENSE限制為50 mV。由于輸出中存在紋波電流,必須在ISP和ISN引腳上使用RC濾波器,以實現準確的平均電流檢測。此外,在選擇FB引腳和地之間的反饋電阻時,應確保其產生的輸出電壓高于目標VOUT。
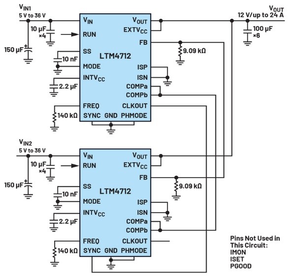
冗余電源
LTM4712支持需要冗余輸入的應用。它可用于需要備用電源的系統,或是那些從不同輸入源獲取電源以支持公共負載的系統。圖5顯示了一個示例電路,其中的兩個模塊由不同輸入(VIN1和VIN2)供電,共同為24 A負載提供12 V輸出。值得注意的是,任一輸入電壓下降都不會影響輸出調節,而且通過連接COMP引腳,峰值電感均流作用始終有效。
圖6顯示了兩種不同條件下的工作臺測試波形。圖6a展示了相位1和相位2都在降壓-升壓模式下運行的情況。最初,相位1提供4 A負載電流,在相位2激活后,二者逐漸各自分擔一半的負載電流。IMON波形顯示,當兩個相位都在運行時,兩個相位平等分擔負載電流。
圖6b展示了相同負載條件但輸入不同的情況。這里,相位1以升壓模式運行,而相位2以降壓模式運行。由于COMP引腳連接在一起,兩個相位的峰值電感電流相同。因此,相位1(升壓)的輸出電流低于相位2(降壓)的輸出電流。每個相位提供的具體負載電流可以根據電感、開關頻率、VIN、VOUT和總負載電流等參數計算得出。在此示例中,相位1提供1.4 A負載電流,而相位2提供2.6 A負載電流。

圖5:輸入冗余應用電路

圖6:輸入冗余應用電路
結語
LTM4712不僅能輕松并聯以支持更高功率的應用,而且在并聯配置中,還表現出良好的均流能力。該器件可以靈活配置為恒定電流輸出,因此非常適合電池充電系統或LED應用。此外,它還支持冗余輸入,從而進一步提高了其適應性。
關于ADI公司
Analog Devices, Inc. (NASDAQ: ADI)是全球領先的半導體公司,致力于在現實世界與數字世界之間架起橋梁,以實現智能邊緣領域的突破性創新。ADI提供結合模擬、數字和軟件技術的解決方案,推動數字化工廠、汽車和數字醫療等領域的持續發展,應對氣候變化挑戰,并建立人與世界萬物的可靠互聯。ADI公司2024財年收入超過90億美元,全球員工約2.4萬人。ADI助力創新者不斷超越一切可能。
(作者:Ling Jiang、Wesley Ballar、Anjan Panigrahy和Henry Zhang,ADI公司)
免責聲明:本文為轉載文章,轉載此文目的在于傳遞更多信息,版權歸原作者所有。本文所用視頻、圖片、文字如涉及作品版權問題,請聯系小編進行處理。
推薦閱讀:






