【導讀】光伏系統通常包括一種儲能方式——電池或超級電容器——在沒有陽光或電源瞬變時為負載提供電力。然而,在可行的情況下,無儲能系統是一種更環保的替代方案,具有更高的 MTBF。
光伏系統通常包括一種儲能方式——電池或超級電容器——在沒有陽光或電源瞬變時為負載提供電力。然而,在可行的情況下,無儲能系統是一種更環保的替代方案,具有更高的 MTBF。
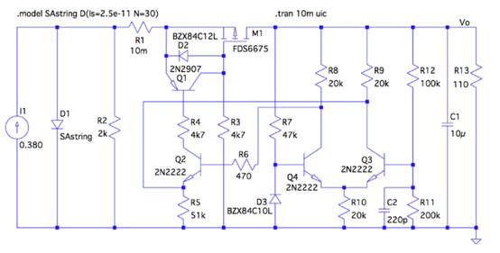
圖 1 所示的設計理念 是一種光伏穩壓器,采用Bang-Bang 式開關模式運行,可實現高效率。它易于擴展,并且僅使用分立元件。
PMOS管M1導通、截止,對輸出電容C1充電。M1開路時,光伏電源達到開路電壓,C1向負載放電;M1導通時,光伏電源被鉗位到輸出電壓V O,C1再次充電。
光伏電源的 SPICE 模型由 I1-D1-R1-R2 給出,代表一串 30 個串聯的低功率硅太陽能電池。
電路操作如下:由于 R3 和齊納二極管 D2 將 V GS設置 為 12V,因此M1 在啟動期間開啟。隨著 C1 充電,齊納二極管 D3 上的電壓上升直至達到 10V,從而設置電壓參考電平。V O 繼續上升,直到由 Q3 和 Q4 組成的差分放大器的輸出打開 Q2 和 Q1,從而關閉 M1。
然后V O 逐漸減小,直到差分放大器的輸出不足以保持 Q2 導通。調節器無限期地保持 Bang-Bang 模式,輸出電壓由下式給出:
(1)
輸出電壓紋波和開關頻率可通過輸出電容器 C1 和反饋網絡電容器 C2 進行調整。增加 C2 值會減慢電壓感測速度,這對于穩定性目的而言可能是必要的,但也會增加輸出紋波。建議根據應用在開關頻率和輸出電壓紋波之間取得平衡。
原型的波形如圖2所示。15V 輸出上的紋波小于 0.5 V P-P ,開關頻率略高于 25 kHz。
圖 2 穩壓器波形。藍色:輸出電壓;綠色:輸入電壓;青色:M1 電流。
總而言之,該電路是一種簡單但堅固且多功能的解決方案,可從光伏電源獲得穩定電壓。該設計可輕松適應其他電壓或電流需求。
免責聲明:本文為轉載文章,轉載此文目的在于傳遞更多信息,版權歸原作者所有。本文所用視頻、圖片、文字如涉及作品版權問題,請聯系小編進行處理。
推薦閱讀:
貿澤電子對FIRST創始人兼發明家Dean Kamen進行視頻專訪



