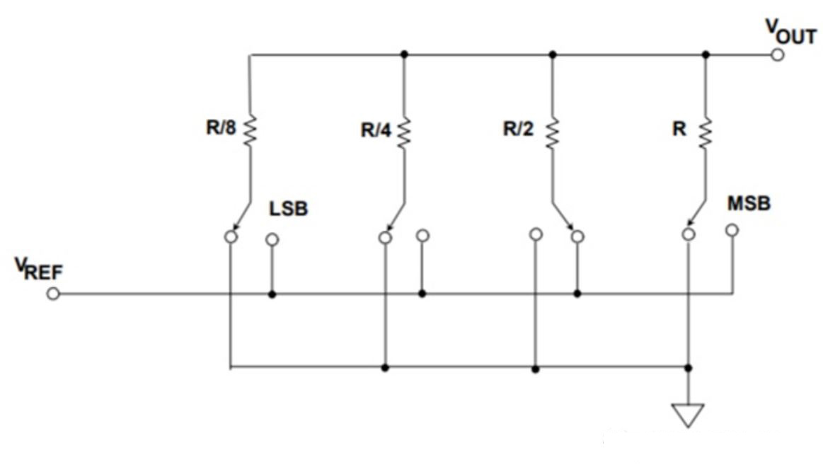
【導讀】數模轉換器 (DAC) 的模擬輸出可以是電壓輸出,也可以是電流輸出。輸出阻抗是任何輸出類型的重要參數之一。對于電壓模式輸出,一般會應用二進制加權電阻網絡進行數模轉換。
問:DAC 的輸出緩沖與無緩沖
數模轉換器 (DAC) 的模擬輸出可以是電壓輸出,也可以是電流輸出。輸出阻抗是任何輸出類型的重要參數之一。對于電壓模式輸出,一般會應用二進制加權電阻網絡進行數模轉換。

圖1.電壓模式二進制加權電阻DAC轉換結構
如果沒有緩沖,輸出通常為高阻抗,這會導致對任何負載出現輸出電壓誤差,這時可以通過添加“緩沖器”(運算放大器)來降低阻抗。

圖2. DAC輸出緩沖
電流輸出DAC具有代碼相關的輸出阻抗,因此其輸出必須在負載之前驅動虛擬接地運算放大器,以保持輸出線性度。以亞德諾半導體(Analog Devices)的AD5545 為例
電流輸出IOUT連接到運算放大器反相輸入,因此運算放大器充當I-V轉換器。
這樣一來,VOUT僅會參考VREF值,因而提高了DAC的輸出穩定性。

圖3.電流模式二進制加權電阻DAC轉換結構
鑒于“緩沖放大器”的必要性,廠商推出了緩沖內置產品,從而降低了零件數量和成本。“緩沖”DAC表示輸出經過了緩沖(規格書上會予以注明),因此輸出阻抗會很低。如果DAC未經過緩沖,則規格書中的相關參數將指定為“未加載”。
此外,廠商還向市場提供“無緩沖DAC”。這樣做的好處是,設計者可以選擇適合其應用的放大器,例如更高的電流驅動、更大的電源范圍或更多的帶寬、放大器等,因而提高了設計的自由度。
免責聲明:本文為轉載文章,轉載此文目的在于傳遞更多信息,版權歸原作者所有。本文所用視頻、圖片、文字如涉及作品版權問題,請聯系小編進行處理。
推薦閱讀:


