【導讀】當您所做的只是繪制原理圖時,電壓源和電流源同樣容易實現。然而,當我們進入電路設計的現實世界后,我們逐漸意識到產生或多或少恒定的電流,不知為何,要比產生或多或少恒定的電壓困難得多。但是,這并沒有改變電流源有時非常有用的事實,而且聰明的工程師創造了各種實用的電流源電路是一件好事。
本文是 AAC 模擬電路文集的一部分,介紹了一種高性能電流源,它只需要幾個現成的組件。
當您所做的只是繪制原理圖時,電壓源和電流源同樣容易實現。然而,當我們進入電路設計的現實世界后,我們逐漸意識到產生或多或少恒定的電流,不知為何,要比產生或多或少恒定的電壓困難得多。但是,這并沒有改變電流源有時非常有用的事實,而且聰明的工程師創造了各種實用的電流源電路是一件好事。
如果您更喜歡使用運算放大器,Howland 電流泵可產生電壓控制電流,并且只需要一個運算放大器和四個電阻器。
Howland 電流泵。
如果您不喜歡使用分立晶體管并且(出于某種原因)手頭沒有任何運算放大器,您可能需要考慮將其中一個線性穩壓器轉換為電流源。
吉姆·威廉姆斯當前資源
這絕不是該電路的名稱,我當然不想暗示它是 Jim Williams 設計的電流源——我不會驚訝于他提出了六個創新的,高性能電流源拓撲結構。盡管如此,他是應用筆記的作者,我不知道該電路還能叫什么。
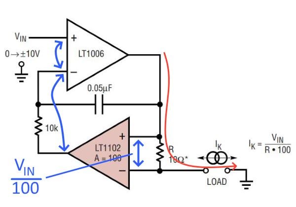
如下圖所示,該電流源需要兩個放大器 IC 和一些無源元件。
圖表取自LT1102 的數據表。
LT1006 是典型的精密運算放大器,LT1102 是高精度儀表放大器。應用筆記是 1991 年出版的,所以這些都是一些舊的 IC。我在仿真中使用了 LT1006 和 LT1102(將在下一篇文章中討論)只是為了確保仿真中的所有內容都與原始設計一致——實際上,Digi-Key 仍將這兩個部分歸類為“有源器件” ” 盡管如此,我鼓勵您嘗試使用一些更新的(并且可能性能更高)替代這些遺留 IC。
以下列表重點介紹了 Jim Williams 電流源拓撲的一些特性。
它是電壓控制和雙向的——負載電流的大小和方向由輸入電壓的大小和極性決定。
它以地面為參考;負載電阻的一側直接接地。
如上圖中包含的等式所示,電流幅度還受 R 影響,即儀表放大器輸入端子之間的電阻值。
如果為 R 使用超高精度電阻,使得該元件引入的誤差可以忽略不計,則電路的初始精度和溫度穩定性對應于儀表放大器的增益精度和溫度系數。
該電路穩定性好,能適應輸入電壓的快速變化。
了解電路
該電流源運行的關鍵是儀表放大器的使用。通過檢測與負載串聯的固定電阻兩端的電壓,我們可以生成不受負載電阻值影響的輸出電流。
下面是我嘗試逐步解釋該電路如何工作的嘗試。
運算放大器 (A1) 在負反饋配置下運行。反饋路徑中儀表放大器 (A2) 的存在不會改變反饋環路已閉合的事實。
負反饋的存在使我們可以使用虛空假設。因此,A2 的輸出必須等于輸入電壓。
虛擬短路情況并非憑空出現;相反,虛擬短路是由運算放大器輸出端子的動作強加的。由于 A2 的增益為 100,A1 的輸出將采取任何必要措施以確保 R 兩端的電壓等于輸入電壓除以 100。
由于 R 是一個固定電阻,并且由于 R 兩端的電壓總是與輸入電壓成正比,我們從歐姆定律知道流過 R 的電流總是與輸入電壓成正比。
由于負載與電阻器 R 串聯,輸出電流始終與輸入電壓成正比,與負載電阻無關(當然在限制范圍內,例如,您無法通過 1 MΩ 驅動 10 mA負載,除非你能找到接受電源電壓高達 10,000 V 左右的放大器)。
電容器和另一個電阻器決定了電路的頻率響應,我假設選擇的值是為了產生理想的相位裕度。
免責聲明:本文為轉載文章,轉載此文目的在于傳遞更多信息,版權歸原作者所有。本文所用視頻、圖片、文字如涉及作品版權問題,請聯系小編進行處理。
推薦閱讀:






