【導讀】為數據處理、網絡、便攜式、可穿戴和其他計算應用設計并優化電源解決方案,需要對電壓和電流進行精確、寬帶、高動態范圍的測量。這些系統可能包含一個、數十個或數百個中央處理單元(CPU)、圖形處理單元 (GPU)、網絡接口、存儲硬件和各種支持電路。為了響應不斷變化的系統需求,這些電路可能在幾微秒內從消耗數微安電流的空閑狀態轉換到消耗數百安培電流的滿載狀態。
為數據處理、網絡、便攜式、可穿戴和其他計算應用設計并優化電源解決方案,需要對電壓和電流進行精確、寬帶、高動態范圍的測量。這些系統可能包含一個、數十個或數百個中央處理單元(CPU)、圖形處理單元 (GPU)、網絡接口、存儲硬件和各種支持電路。為了響應不斷變化的系統需求,這些電路可能在幾微秒內從消耗數微安電流的空閑狀態轉換到消耗數百安培電流的滿載狀態。
自動測試設備(ATE)測試解決方案和功率分析儀通常使用多個通道來精確捕獲電流、電壓或功率曲線,并在更寬帶寬上測量諧波。此外,低壓電源軌具有嚴格的噪聲要求,必須在不同的負載條件、溫度下進行表征,并考慮旁路電容隨時間的退化。
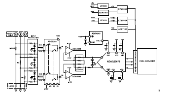
圖1所示ADI電路提供了一個完整的寬范圍電流測量系統,適合這些具有挑戰性的應用。精度、帶寬和漂移性能與適用于生產測試環境的臺式和機架安裝式測試設備處于同一水平。同時,該解決方案足夠小,可以集成到這些需要持續監控的應用中。當對快速瞬變和小信號電平進行數字化處理時,15MSPS的采樣速率大大放寬了抗混疊濾波器要求并最大限度地提高了帶寬。為了適應所執行的特定測量,可以應用額外的過采樣來權衡噪聲和帶寬。

圖1.ADI EVAL-CN0560-FMCZ簡化功能框圖
評估和設計支持
? 電路評估板
? CN0560參考設計板(EVAL-CN0560-FMCZ)
? SDP-H1開發平臺(EVAL-SDP-H1)
? 設計和集成文件
? 原理圖、布局文件、物料清單
電路描述
ADI CN0560使用分流電阻、板載放大器和μModule?的組合提供三個電流量程的高精度測量。盡管有尺寸限制,該解決方案不僅增加了每片電路板的通道數量,緩解了熱挑戰,減輕了自熱引起的系統漂移校準負擔,而且優化了整體精度性能。CN0560非常適合于自動化測試設備、電源(如CPU/GPU供電軌中)監控和分析儀中使用的測試儀器。
最常見的電流測量技術包含分流電阻、模擬前端(AFE)和模數轉換器 (ADC),然后是微控制器或現場可編程門陣列(FPGA)。CN0560提供寬帶寬前端,并將分流電阻上產生的小差分電壓轉換為較大電壓來饋送,然后將其數字化。
● 電流輸入
CN0560能夠測量三種電流輸入范圍:10μA、10mA和10A。電流輸入范圍通過控制高電壓、防閂鎖、低毛刺、快速建立的多路復用器ADG5209來選擇(通過A0、A1);根據板載跳線的配置方式,可以手動或通過軟件進行設置。表1顯示了每個電流量程的跳線配置。圖2顯示了10μA電流量程的簡化CN0560評估設置。
施加來自電流源的10μA、10mA和10A已知電流,使用萬用表通過電壓檢測墊測量每個分流電阻(0.05Ω、5Ω和5kΩ)上產生的差分電壓。通過每個分流電阻的電流產生50mV的最大電壓降。該電壓由ADA4898-1 放大器(默認增益為40)放大,然后饋入ADAQ23878 μModule?的差分輸入。
表1.電流量程選擇
電流量程 | A0 | A1 |
10μA | 1 | 1 |
10mA | 0 | 0 |
10A | 1 | 0 |

圖2.簡化評估測試設置,10μA范圍
將每個分流電阻上的電壓讀數與μModule輸出端的實際電壓讀數進行比較。該電路的整體精度受多個誤差源影響,包括分流器、放大器和μModule的電阻溫度系數(TCR),以及電流源或萬用表本身的精度。然而,分流電阻的選擇在決定該電路的精度方面起著主導作用。圖3和圖4顯示了分流電阻對CN0560的影響。

圖3.CN0560 FFT,無過采樣(使用分流電阻)

圖4.CN0560 FFT,OSR為256(使用分流電阻)
● 輸入保護
36V雙向瞬態電壓抑制器(TVS)二極管和100Ω電阻保護分流器輸入,使其免受靜電放電(ESD)沖擊和過壓狀況的影響。多路復用器輸入可直接承受高達+/-15V的輸入電壓;高于此的電壓會產生額外的電流,受100Ω電阻的限制。
● 增益級
在選定多路復用器輸入之后有兩個低噪聲、高速放大器 ADA4898-1,以及驅動ADAQ23878信號鏈μModule的四通道精密匹配電阻網絡LT5400。LT5400-7提供0.2ppm/°C的匹配漂移和0.01%的電阻匹配,工作溫度范圍很寬,CMRR優于獨立匹配電阻。默認情況下,使用外部增益設置電阻將兩個ADA4898-1放大器設置為增益40的全差分配置。40倍增益在ADAQ23878的輸入端產生2.0V的滿量程電壓,當ADAQ23878配置為+/-2.048V范圍時,SNR得以最大化。
● 數字化前端
圖1中的一個關鍵模塊是ADAQ23878 μModule,它包括一個低噪聲、全差分放大器(FDA)、一個穩定的基準電壓緩沖器、一個15MSPS 18位逐次逼近型ADC,以及實現優化性能所需的關鍵無源元件。
ADAQ23878 μModule是一種系統級封裝(SiP)解決方案,可提供精密性能,減少終端系統元件數量,并在電路板空間約束下提高通道密度。它還緩解了與電流測量測試設備相關的校準負擔和熱挑戰,但沒有與高集成度專用集成電路(ASIC)相關的高成本。
FDA周圍的精密電阻陣列采用ADI專有的iPassives?技術構建。這消除了電路不平衡,減少了寄生效應,提供高達0.005%的出色增益匹配,并實現了0.13ppm/°C的優化漂移性能。與分立無源元件相比,iPassives技術還有尺寸優勢,可最大限度地減少與溫度相關的誤差源并減輕系統級校準負擔。
FDA提供快速建立時間、寬共模輸入范圍以及精確的可配置增益選項(0.37、0.73、0.87、1.38和2.25),允許進行增益或衰減調節,支持全差分或單端轉差分輸入。
● 過采樣和抗混疊
ADAQ23878的高精度性能與高采樣速率相結合,可降低噪聲并支持過采樣,以實現極低的RMS噪聲并在寬帶寬內檢測小幅度信號。
使用4.096V基準電壓并在輸入短接地的情況下進行測量,ADAQ23878的典型動態范圍約為89dB,如圖5所示。由于許多電流測量應用的帶寬低于7.5MSPS,因此可以應用過采樣來提高動態范圍。

圖5.無過采樣的FFT(輸入短路)
過采樣是指以比兩倍信號帶寬(滿足奈奎斯特標準所必需)快得多的速度進行采樣。以兩倍信號帶寬采樣時,模擬抗混疊濾波器存在嚴格的限制,因為任何高于
的噪聲或干擾音都會混疊進入通帶。混疊的傳統解決方案是使用高階濾波器,但這需要權衡精度、通帶紋波、阻帶抑制、群延遲和功耗。低采樣率還將ADC的所有量化和熱噪聲集中在信號頻帶中。過采樣有兩方面效應:
? 模擬抗混疊濾波器可能有更高的截止頻率和/或更低的階數。
? ADC噪聲分布在寬得多的帶寬上,帶內噪聲得以降低。

圖6.過采樣對抗混疊濾波器要求的影響
圖6說明了過采樣的影響。可用信號帶寬為
,模擬濾波器的截止頻率可以提高到
。信號通帶遠低于模擬濾波器的過渡帶,從而將通帶紋波的影響降至最低。信號通帶響應以數字低通濾波器的響應為主,該響應在整個溫度范圍內具有確定性和穩定性,并且對元件容差不敏感(與模擬濾波器不同)。大部分數字濾波器會將輸出數據抽取到較低的速率,從而降低數據處理要求。例如,級聯積分梳狀(CIC)濾波器輸出的抽取因子等于OSR。
過采樣帶來的動態范圍(DR)改善幅度可以使用公式1計算。
![]()
其中:OSR為過采樣數據速率。
過采樣每增加4倍,分辨率就會增加1位,或者動態范圍增加6dB。對ADAQ23878的輸出進行256倍的過采樣會產生58.594kSPS (15MSPS/256)的輸出數據速率。對于不同增益選項,這對應于29.297kHz的信號帶寬和接近111dB的動態范圍,因此它能精確檢測幅度非常小的μV信號,如圖7所示。

圖7.OSR為256的FFT(輸入短路)
● 差分驅動ADAQ23878
選擇ADA4898-1前端放大器是因為它具有寬帶寬、高壓擺率、低噪聲或失真特性。它還能以15MSPS的全速輕松驅動ADAQ23878的低輸入阻抗,并實現優化性能。
● 基準電壓
ADAQ23878內置一個2.048V、20ppm/°C基準電壓源(REF)和一個基準電壓緩沖器(REFBUF),后者相對于REF具有2倍的固定增益。基準電壓緩沖器的4.096V輸出決定了ADAQ23878的滿量程輸入范圍。
在需要較低漂移的應用中,REF或REFBUF都可以過驅。CN0560包括從板載2.048V ADR4520過驅REF的選項,其初始精度為0.025%,漂移為2ppm/°C。或者,板載LTC6655可以過驅REFBUF,其初始精度為0.025%(最大值),溫度系數為2ppm/°C(最大值)。
● 電源樹
EVAL-CN0560-FMCZ使用帶有FPGA夾層卡(FMC)連接器的FPGA控制器板進行數據采集。板上的所有電源軌均由源自控制器板的3.3V電壓軌生成。電源樹是利用系統級電源架構設計工具LTpowerPlanner?設計的。
圖8顯示了CN0560電源樹的框圖。兩個LTM8049雙通道SEPIC或反相μModule DC/DC轉換器從3.3V電源軌產生+7V、-2.5V、+15.5V 和 -15.5V電壓軌。LT3023雙通道、低噪聲、微功耗LDO從 +7V產生+5V和+6.5V電壓軌,而ADP7185超低噪聲LDO從-2.5V產生-2V電壓軌。
+6.5V和-2V電壓軌用于ADAQ23878的集成FDA,而+5V電壓軌用于LTC6655以產生4.096V基準電壓。來自第二LTM8049的+15.5V和-15.5V兩個電壓軌被饋送到LT3032雙通道LDO,為ADA4898-1和ADG5209產生+15V和-15V電壓軌。低噪聲LDO ADP7118為ADR4520生成+2.5V電壓軌,以產生2.048V基準電壓。CN0560的總功耗約為910mW,不包括分流電阻的功耗。

圖8.電源簡化框圖
● PCB布局布線
印刷電路板(PCB)布局對于保持信號完整性和實現最佳性能至關重要。圖9顯示了CN0560板信號鏈部分的PCB布局。此電路板布局使用內置開爾文連接的四端子分流電阻,與兩端子分流電阻相比,它能降低TCR效應并提供更高的溫度穩定性。
必須使用帶開爾文連接的四端子電流檢測電阻,將流過分流電阻的高電流保持在檢測路徑之外。流過電阻的高電流和電壓測量分別有單獨的終端,這有助于最大限度地提高測量精度。
為每個校準電流都實現了最優檢測布局。對于阻值非常低的電阻(5mΩ或更小),焊盤上檢測點的物理位置和流過電阻的電流的對稱性更為重要。例如,具有開爾文連接的四端子高精度金屬箔電阻(5mΩ)用于10A電流量程。該電阻的TCR為± 0.05ppm/°C,容差為0.1%,尺寸非常小(<10mm x 10mm),因此沿焊盤的每毫米電阻都會影響有效電阻。

圖9.信號鏈的PCB布局
建議使用多層板,ADAQ23878 μModule下方第一層中應有干凈的內部接地層。電路板上的各個元件和各種信號的布線也必須小心放置。此外,輸入和輸出信號的布線最好對稱。
μModule的接地引腳必須使用多個過孔直接焊接到PCB的接地層。此外,必須移除μModule輸入和輸出引腳下方的接地層和電源層,以避免出現干擾寄生電容。任何干擾寄生電容都可能影響信號鏈的失真和線性度性能。敏感的模擬部分和數字部分必須在PCB上分開,同時使電源電路遠離模擬信號路徑。快速開關信號(比如CNV±或CLK±)以及數字輸出DA±和DB±不得靠近或越過模擬信號路徑,以防噪聲耦合到μModule。
板載LDO的輸出端應添加至少2.2μF (X5R)的優質陶瓷旁路電容,以最大限度地降低電磁干擾(EMI)敏感度,并減少毛刺對電源線的影響。所有其他必需的旁路電容都包含在ADAQ23878中,從而節省電路板空間并降低成本。
常見變化
具有+2倍固定增益的ADAQ23875和具有與ADAQ23878類似增益選項的ADAQ23876是引腳兼容的16位、15MSPS、低壓差分信號(LVDS)接口信號鏈μModule,可替代ADAQ23878。
低噪聲JFET放大器ADA4627-1是ADA4898-1的引腳兼容替代產品,性能相差不大。請注意,由于帶寬較低,ADA4627-1可能無法以15MSPS的全速驅動ADAQ23878。
電路評估與測試
EVAL-CN0560-FMCZ使用SDP-H1控制板支持高精度數據采集,并使用分析、控制、評估(ACE)軟件采集時域和頻域數據。有關測試設置的完整詳細信息,請參閱EVAL-CN0560-FMCZ用戶指南。
● 設備要求
? EVAL-CN0560-FMCZ
? 電流源
? EVAL-SDP-CH1Z
? 數字萬用表
? 評估軟件
● 開始使用
1.使用EVAL-CN0560-FMCZ板之前,請先下載ACE軟件和SDP-H1驅動程序并將其安裝到PC。
2.將EVAL-CN0560-FMCZ和SDP-H1板連接到 PC。
3.啟動ACE軟件。
4.使用適當的操作設置正確設置多個跳線選項,然后將電源和信號施加到EVAL-CN0560-FMCZ。請注意,EVAL-CN0560-FMCZ板不需要外部電源適配器,它通過160引腳FMC連接器從SDP-H1板獲取電源。
5.斷開EVAL-CN0560-FMCZ與SDP-H1板的連接之前,請先斷開SDP-H1板的電源或撥動mini USB端口附近的復位開關。
● 測量
圖10顯示積分線性度(INL)數據在+/-2.5LSB以內,該數據是使用此板捕獲的,運行速度為15MSPS,增益為1.38,ADAQ23878前端分別設置為10mA和10μA。

圖10.10mA和10μA范圍的INL數據
圖11顯示了三個電流量程的動態范圍。用戶可以在數字域中進行過采樣或平均,以改善噪聲性能,并針對目標帶寬精確捕獲小幅度信號,放寬對抗混疊濾波器的要求。

圖11.動態范圍與ADAQ23878增益的關系
圖12所示曲線的Y軸表示計算得出的理想電壓,對應的是μModule的輸出電壓,其中輸入電流從1mA上升到10mA,增益分別為0.87和1.38。

圖12.信號鏈輸出電壓與輸入電流的關系
圖13顯示了未校準信號鏈的理想輸出電壓誤差與實測輸出電壓誤差,可以看到精度為0.01%,使用的是圖10中收集的數據。增益誤差主要取決于±0.1%容差的電流檢測電阻。

圖13. μModule輸出電壓誤差與輸入電流的關系(未校準)
更多資料
-O'Sullivan, Marcus.改進低值分流電阻的焊盤布局,優化高電流檢測精度。《模擬對話》46-06,2012年6月。
-Pachchigar,Maithil。利用過采樣提高SAR ADC的動態范圍。Analog.com
-Mark Thoren和Sal Afzal。了解電源監控精度。Analog.com
-μModule LGA和BGA封裝考慮和裝配說明。Analog.com
數據手冊和評估板
CN0560電路評估板、ADAQ23878數據手冊、ADAQ23878評估板、ADA4898-1數據手冊、ADA4898-1評估板、LT5400數據手冊、LTM8049數據手冊、LTM8049評估板、LT3023數據手冊、LT3023評估板、LT3032數據手冊、LT3032評估板、ADP7185數據手冊、ADP7185評估板、ADP7118數據手冊、ADP7118評估板、AD8421數據手冊、AD8421評估板、ADG5209數據手冊、ADG5209評估板LTC6655數據手冊、LTC6655評估板、ADR4520數據手冊
ESD警告
ESD(靜電放電)敏感器件。帶電器件和電路板可能會在沒有察覺的情況下放電。盡管本產品具有專利或專有保護電路,但在遇到高能量ESD時,器件可能會損壞。因此,應當采取適當的ESD防范措施,以避免器件性能下降或功能喪失。
Circuits from the Lab?參考設計是經過測試的參考設計,有助于加速設計,同時簡化系統集成,幫助解決當今的模擬、混合信號和RF設計挑戰。如需更多信息和/或技術支持,請訪問www.analog.com/CN0560。 | 連接/參考器件 | |||
ADAQ23878 | 18位、15MSPS μModule數據采集解決方案 | LT3032 | 雙通道150mA正/負、低噪聲、LDO線性穩壓器,寬輸入電壓范圍 | |
ADA4898-1 | 高電壓、低噪聲、低失真、單位增益穩定的高速運算放大器 | ADP7185 | -500mA、超低噪聲、高PSRR、LDO線性穩壓器 | |
LT3023 | 雙通道微功耗、低噪聲、過流/過溫保護穩壓器,10引腳DFN封裝 | ADP7118 | 單通道20V、200mA、低噪聲、CMOS LDO線性穩壓器 | |
LTM8049 | 雙輸出開關電源,寬輸入電壓范圍 | LT5400 | 四通道匹配電阻網絡 | |
ADR4520 | 超低噪聲、高精度2.048V基準電壓源 | LTC6655 | 0.25ppm噪聲、低漂移精密基準電壓源 | |
ADI的Circuits from the Lab?電路由ADI工程師設計構建。每個電路的設計和構建都嚴格遵循標準工程規范,電路的功能和性能都在實驗室環境中以室溫條件進行了測試和檢驗。不過,您需負責自行測試電路,并確定其是否適用。因而,ADI將不對由任何原因、連接到任何所用參考電路上的任何物品所導致的直接、間接、特殊、偶然、必然或者懲罰性的損害負責。
Circuits from the Lab電路僅供與ADI產品一起使用,并且其知識產權歸ADI或其授權方所有。雖然您可以在產品設計中使用參考電路,但是并未默認授予其它許可,或是通過此參考電路的應用及使用而獲得任何專利或其它知識產權。ADI確信其所提供的信息是準確可靠的。不過,Circuits from the Lab電路是以“原樣”的方式提供的,并不具有任何性質的承諾,包括但不限于:明示、暗示或者法定承諾,任何適銷性、非侵權或者某特定用途實用性的暗示承諾,ADI無需為參考電路的使用承擔任何責任,也不對那些可能由于其使用而造成任何專利或其它第三方權利的侵權負責。ADI有權隨時修改任何參考電路,恕不另行通知。
關于ADI公司
Analog Devices, Inc. (NASDAQ: ADI)是全球領先的半導體公司,致力于在現實世界與數字世界之間架起橋梁,以實現智能邊緣領域的突破性創新。ADI提供結合模擬、數字和軟件技術的解決方案,推動數字化工廠、汽車和數字醫療等領域的持續發展,應對氣候變化挑戰,并建立人與世界萬物的可靠互聯。ADI公司2022財年收入超過120億美元,全球員工2.4萬余人。攜手全球12.5萬家客戶,ADI助力創新者不斷超越一切可能。
免責聲明:本文為轉載文章,轉載此文目的在于傳遞更多信息,版權歸原作者所有。本文所用視頻、圖片、文字如涉及作品版權問題,請聯系小編進行處理。
推薦閱讀:





