【導讀】提到直流無刷電機,那不得不提的就是有刷電機了。有刷電機有一個比較令人討厭的缺點:那就是“吵”。因為電刷和換向環需要時刻不停地摩擦,才能給電樞供電。所以,如果你想要一個“靜音風扇”的話,肯定不能選使用了有刷電機的產品。無刷直流電機是在有刷直流電動機的基礎上發展來的,具有無極調速、調速范圍廣、過載能力強、線性度好、壽命長、體積小、重量輕、出力大等優點,解決了有刷電機存在的一系列問題,廣泛應用于工業設備、儀器儀表、家用電器、機器人、醫療設備等各個領域。
引言
提到直流無刷電機,那不得不提的就是有刷電機了。有刷電機有一個比較令人討厭的缺點:那就是“吵”。因為電刷和換向環需要時刻不停地摩擦,才能給電樞供電。所以,如果你想要一個“靜音風扇”的話,肯定不能選使用了有刷電機的產品。無刷直流電機是在有刷直流電動機的基礎上發展來的,具有無極調速、調速范圍廣、過載能力強、線性度好、壽命長、體積小、重量輕、出力大等優點,解決了有刷電機存在的一系列問題,廣泛應用于工業設備、儀器儀表、家用電器、機器人、醫療設備等各個領域。
主流的無刷直流電機的控制方式目前主要有三種:FOC(又稱為矢量變頻、磁場矢量定向控制)、方波控制(也稱為梯形波控制、120°控制、6步換向控制)和正弦波控制。正弦波控制方式使用的是SVPWM波,輸出的是3相正弦波電壓,相應的電流也是正弦波電流。這種方式沒有方波控制換向的概念,或者認為一個電氣周期內進行了無限多次的換向。顯然,正弦波控制相比方波控制,其轉矩波動較小,電流諧波少,控制起來感覺比較“細膩”。
深圳市永阜康科技有限公司現在大力推廣一顆三相無傳感器正弦波驅動直流無刷馬達驅動IC-ACM6753,集成驅動算法+預驅+MOS,內置電流檢測,外圍元件僅需5個電容,應用極其簡單。采用無霍爾傳感器控制的正弦波驅動(支持單霍爾的應用),有助于降低振動與噪聲,適用于直流落地扇、IT設備散熱風扇、冰箱風扇、水泵、空氣凈化器等產品。
ACM6753指標和特性
? 供電電壓范圍:5V-24V
? 上側MOS+下側MOS:250m?
? 3A 連續旋轉電流,4A峰值保護電流
? 連續正弦波180?換向,支持順逆風啟動
? 基于電流檢測的反電動勢計算,無需外部電流檢測電阻
? 靈活的接口控制方式
I2C接口,參數控制和狀態回讀
速度控制(模擬電壓、PWM控制,I2C命令)
FG Pin,速度指示
DIR Pin,正反轉控制
BRAKE Pin,剎車控制
? 內部集成LDO 提供3.3V、5V
? 休眠狀態下,待機電流<200ua
? 保護機制
MOS管過流保護
電機堵轉保護
電壓過沖保護(剎車、堵轉等場景)
供電電壓欠壓、過壓保護
過溫保護
? 封裝QFN-24, 4mm×4mm
ACM6753應用信息
1.ACM6753腳位圖
2.ACM6753管腳說明
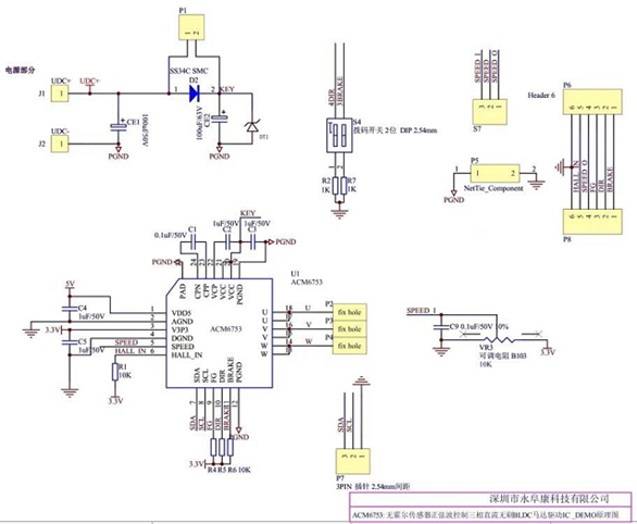
3.ACM6753 DEMO板原理圖
4.ACM6753 DEMO板PCB頂層設計圖
5.ACM6753 DEMO板PCB底層設計圖
6.ACM6753 DEMO板貼片圖
7.ACM6753 DEMO板物料清單
8.ACM6753 DEMO板實物圖
免責聲明:本文為轉載文章,轉載此文目的在于傳遞更多信息,版權歸原作者所有。本文所用視頻、圖片、文字如涉及作品版權問題,請聯系小編進行處理。
推薦閱讀:
2023第二十三屆中山機床模具及塑膠機械展覽會(簡稱:中山機械展)




