【導讀】便攜式電子銷售點終端(EPOS)設備在全球范圍內越來越受歡迎。不同于傳統的臺式設備,便攜式EPOS設備的電池續航時間有限且需要經常通過USD接口或其他連接裝置進行充電。
由于快速充電技術在便攜電子產品市場正日益壯大,便攜式EPOS設備很可能也將采用該功能。由于便攜設備開始采用更大的電池,實現快速充電就需要能夠提供更多電能的充電適配器。不同的制造商都提出了一些方法,但每一種方法都要求電源接頭采用更高的輸入電壓。更高的輸入電壓可以讓更多的電能進入系統,實現快速充電,同時又不會使電流超過接頭的載流容量限制。適配器電壓默認設置為通常的5V(USB VBUS)級別,但外部適配器和移動設備間D+/D-數據線上的信號傳遞可以根據需要協議使適配器輸出更高的電壓。根據適配器容量的不同,典型值包括5、9、12或20V輸出級。系統中的充電集成電路(IC)或應用處理器控制該信號傳遞,使適配器輸出合適的電壓級別。
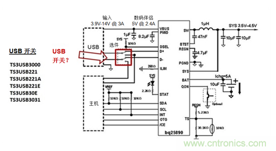
通常,當插入USB連接器時,您需要使用一個模擬開關在微控制器[MCU])和電池充電器間傳輸電能,如圖1所示配備MaxCharge™技術的bq25890快速充電器。首次連接時,MCU便對D+/D-進行控制。其將檢測對象是轉接頭還是USB連接裝置。

圖1:使用USB和充電器應用的典型應用圖
根據所連接設備的不同,通過USB連接器的信號可能被發送到不同的目的地。這就需要USB開關正確地發送信號。這種情況下,可使用任何匹配該設計帶寬、配置和電壓范圍的USB開關。TI提供多種USB開關,其在配置、電壓范圍、導通電阻(RON)和帶寬方面有著廣泛的選擇范圍。
應用處理器無法容許高電壓。由于快速充電通常在9V電壓下操作,而MCU無法容許9V電壓,因此,必須始終避免讓MCU接觸該電壓。
USB連接器插座有四個引腳,如圖2所示從右到左分別為VBUS、D-、D+和GND。協議快速充電狀態后,VBUS的電壓將為9V。

圖2:USB開關和引腳描述
當VBUS電壓達到9V時,若USB插頭未插好或以一定角度拔出可能導致連接器的VBUS引腳與D-引腳發生短路。這便會導致連接D-引腳的MCU暴露于VBUS,從而損壞MCU,如圖3所示。

圖3:9V電壓條件下未使用TS3USB3000發生短路的后果。
TS3USB3000 USB開關可以在9V電壓條件下保護MCU,同時實現MCU與充電器/通用異步接收器/發送器(UART)之間的切換,如圖4所示。將充電器連接至USB端口后,MCU將檢測所連接的充電器并將輸出使能(OE)引腳拉高至禁用開關的高度。MCU將與充電器進行通信,表示其可以與VBUS協議在9V電壓下采用更快的充電模式,亦如圖4所示。TS3USB3000現處于低功率狀態,開關已禁用并可以對MCU進行保護。

圖4:TS3USB3000可以在發生短路時,保護9V電壓條件下的MCU
TS3USB3000開關有兩項用途:在主機和充電器間進行切換以及在5V到9V電壓條件下為MCU提供保護。針對第一項用途,您可以使用任何USB開關,視設計所要求的帶寬和RON類型而定。但針對第二項用途,則需要諸如TS3USB3000這樣專門的USB開關為MCU提供短路保護。
TS3USB3000可以為需要在9V電壓下操作的設計實現這兩項用途。該設備可以輕松實現主機和MCU間的切換,并且,若在插拔USB連接器時在VBUS和D-引腳間發生短路,它可以保護MCU。
推薦閱讀:




