【導讀】為汽車電子系統供電時,不但需要滿足高可靠性要求,還需要應對相對不太穩定的電池電壓,具有一定挑戰性。與車輛電池連接的電子和機械系統具有差異性,可能導致標稱12 V電源出現大幅電壓偏移。事實上,在一定時間段內,12 V電源的變化范圍為–14 V至+35 V,且可能出現+150 V至–220 V的電壓峰值。其中有些浪涌和瞬變在日常使用中出現,其他則是因為故障或人為錯誤導致。無論起因為何,它們對汽車電子系統造成的損害難以診斷,修復成本也很高昂。
通過總結上個世紀的經驗,汽車制造商對會干擾運行、造成損壞的電子狀況和瞬變進行了分類。國際標準化組織(ISO)對這些行業知識進行編譯,制定出適用于道路車輛的ISO 16750-2和ISO 7367-2規范。汽車電子控制單元(ECU)使用的電源至少應該能夠承受這些狀況,且不造成損壞。至于關鍵系統,則必須保持其功能性和容差。這需要電源能夠通過瞬變調節輸出電壓,以保持ECU運行。理想情況下,完整的電源解決方案無需使用保險絲,可以最大限度降低功耗,且采用低靜態電流,在不耗盡電池電量的情況下,支持系統始終保持開啟。
ISO 16750-2汽車電子系統面臨的狀況
ADI公司發布了多份刊物,詳細介紹ISO 7367-2和ISO 16750-2規范,以及如何使用 LTspice®模擬這些規范。1,2,3,4
在最近的迭代中,ISO 7367-2電磁兼容規范主要介紹來自相對較高的阻抗源(2 Ω至50 Ω)的大幅度(>100 V)、短時持續(150 ns至2 ms)瞬變。這些電壓峰值通常可以使用無源組件消除。圖1顯示定義的ISO 7367-2脈沖1,以及增加的330 μF旁路電容。電容將尖峰幅度從–150 V降低至–16 V,完全在反向電池保護電路支持的范圍內。ISO 7367-2脈沖2a、3a和3b的能耗遠低于脈沖1,所需的抑制電容也更少。

圖1.ISO 7367-2:帶和不帶330 μF旁路電容的脈沖1。
ISO 16750-2主要介紹來自低阻抗源的長脈沖。這些瞬變無法輕松過濾,通常需要使用基于穩壓器的主動式解決方案。一些更具挑戰性的測試包括:負載突降(測試4.6.4)、電池反接(測試4.7)、疊加交變電壓測試(測試4.4),以及發動機啟動工況(測試4.6.3)。圖2顯示了這些測試脈沖的視圖。ISO 16750-2中所示條件的差異性,加上ECU對電壓和電流的要求,通常需要合并使用這些方案,以滿足所有要求。

圖2.一些更嚴格的ISO 16750-2測試的概述。
負載突降
負載突降(ISO 16750-2:測試4.6.4)屬于嚴重的瞬態過壓,模擬電池斷開,但交流發電機提供大量電流的情況。負載突降期間的峰值電壓被分為受抑制電壓或未受抑制電壓,由3相交流發電機的輸出是否使用雪崩二極管來決定。受抑制的負載突降脈沖限制在35 V,不受抑制的脈沖峰值范圍則為79 V至101 V。無論是哪種情況,因為交流發電器定子繞組中存儲了大量電磁能量,所以可能需要400 ms進行恢復。雖然大部分汽車制造商使用雪崩二極管,但隨著人們對可靠性的要求不斷增高,使得一些制造商要求ECU的峰值負載突降電壓必須接近未受抑制情況下的電壓。
解決負載突降問題的解決方案之一就是添加瞬變電壓抑制器(TVS)二極管,從局部箝位ECU電源。更緊湊、容差更嚴格的方法則是使用主動浪涌抑制器,例如 LTC4364,該抑制器以線性方式控制串接的N通道MOSFET,將最大輸出電壓箝位至用戶配置的水平(例如,27 V)。浪涌抑制器可以幫助斷開輸出,支持可配置限流值和欠壓鎖定,且可使用背靠背NFET提供通常需要的反向電池保護。
對于線性穩壓功率器件,例如浪涌抑制器,存在的隱患在于,在負載突降期間限制輸出電壓,或者在短路輸出期間限制電流時,N通道MOSFET可能功耗較大。功率MOSFET的安全工作區域(SOA)限制最終會限制浪涌抑制器能夠提供的最大電流。它還給出了在N通道MOSFET必須關閉,以避免造成損壞之前,必須保持穩壓的時長限制(通常使用可配置定時器引腳設置)。這些SOA導致的限制隨著工作電壓升高變得更加嚴重,增加了浪涌抑制器在24 V和48 V系統中使用的難度。
更具擴展性的方法使用降壓穩壓器,該穩壓器可在42 V輸入下運行,例如 LT8640S。開關穩壓器與線性穩壓器不同,并無MOSFET SOA限制,但顯然它更加復雜。降壓穩壓器的效率支持實施大電流操作,其頂部開關則允許輸出斷開,并支持電流限制。至于降壓穩壓器靜態電流問題,已由最新一代器件解決,這些器件僅消耗幾微安電流,在無負載條件下也保持穩壓。通過使用Silent Switcher®技術和展頻技術,開關噪聲問題也得到大幅改善。
此外,有些降壓穩壓器能按100%占空比運行,保證頂部開關持續開啟,通過電感將輸入電壓傳輸到輸出。在過壓或過流條件下,會觸發開關操作,以分別限制輸出電壓或電流。這些降壓穩壓器(例如 LTC7862)作為開關浪涌抑制器使用,實現低噪聲、低損耗操作,同時保持開關模式電源的可靠性。
反向電壓
當電池終端或跳線因為操作員故障反向連接時,會發生反向電壓條件(也稱為反向電池條件)。相關的ISO 16750-2脈沖(測試4.7)反復對DUT施加–14 V電壓,每次60秒。關于此測試,有些制造商增加了自己的動態版本,在突然施加反向偏置(–4 V)之前,先起始地為此器件供電(例如,VIN = 10.8 V) 。
快速研究數據手冊后發現,很少有IC設計可以接受反向偏置,其中IC的絕對最小引腳電壓一般限制在–0.3 V。低于地的電壓如果超過一個二極管的電壓,會導致額外電流流過內部結,例如ESD保護器件和功率MOSFET的體二極管。在反向電池條件下,極化旁路電容(例如鋁電解電容)也可能受到損壞。
肖特基二極管可以防止反向電流,但在正常運行期間,正向電流更高時,這種方法會導致更大功耗。圖3所示為基于串接P通道MOSFET的簡單保護方案,這種方案可以降低功耗損失,但在低輸入電壓下(例如,發動機啟動),因為器件閾值電壓的原因,這種方案可能無法順暢運行。更加有效的方法是使用理想的二極管控制器(例如 LTC4376),以驅動串行N通道MOSFET,該MOSFET在負電壓時切斷輸入電壓。正常運行期間,理想二極管控制器調節N通道MOSFET的源漏電壓降低到30 mV或更低,將正向壓降和功耗降低超過一個數量級(相比肖特基二極管)。

圖3.解決困難的ISO 16750-2測試的不同方法。
疊加交變電壓
疊加交變電壓測試(ISO 16750-2:測試4.4)模擬汽車的交流發電器的交流輸出的影響。正如名字所示,正弦信號在電池軌道上疊加,峰峰值幅度為1 V、2 V或4 V,具體由嚴重程度分類決定。對于所有嚴重性等級,最大輸入電壓為16 V。正弦頻率以對數方式排列,范圍為50 Hz至25 kHz,然后在120秒內回到50 Hz,總共重復5次。
本測試會導致在任何的互連濾波器網絡內產生大幅度諧振低于25 kHz的電流和電壓擺幅。它也會使開關穩壓器出現問題,其環路帶寬限制使其難以通過高頻率輸入信號進行調節。解決方案就像是中間整流元件,例如功率肖特基二極管,但對于反向電壓保護,這并不是一種解決問題的好方法。
在這種情況下,理想的二極管控制器無法像在反向電壓保護應用中一樣發揮作用,因為它無法足夠快速地開關N通道MOSFET,以和輸入保持同步。柵極上拉強度是其中一個限制因素,一般因為內部電荷泵限制在20 μA左右。當理想的二極管控制器能夠快速關閉MOSFET時,開啟速度會非常慢,不適合對極低頻率以外的情況實施整流。
更合適的方法是使用 LT8672 主動整流器控制器,該控制器可以快速開關N通道MOSFET,以按高達100 kHz的頻率整流輸入電壓。主動整流器控制器是帶有兩個重要附加器件的理想二極管控制器:一個由輸入電壓增壓的大型電荷存儲器,一個快速開關N通道MOSFET的強勁柵極驅動器。與使用肖特基二極管相比,這種方法可以降低功率損失達90%以上。LT8672也和理想的二極管控制器一樣,保護下游電路不受電池反接影響。
啟動工況
發動機啟動工況(ISO 16750-2:測試4.6.3)屬于極端欠壓瞬變,有時候指代冷啟動脈沖,這是因為在更低溫度下,會發生最糟糕的電池壓降。特別是,當啟動器啟動時,12 V電池電壓可能立刻降低到8 V、6 V、4.5 V或3 V,具體由嚴重程度分類決定(分別為I、IV、II和III級)。
在有些系統中,低壓差(LDO)線性穩壓器或開關降壓穩壓器足以支持電源電軌應對這些瞬變,只要ECU電壓低于最低的輸入電壓。例如,如果最高的ECU輸出電壓為5 V,且其必須達到嚴重程度等級IV(最低輸入電壓6 V),那么使用壓差低于1 V的穩壓器即可。發動機啟動工況電壓最低的分區只能持續15 ms至20 ms,所以大型旁路電容之后的整流器件(肖特基二極管、理想的二極管控制器、主動整流器控制器)可能能夠經受這部分脈沖,如果電壓凈空短暫地下降至低于穩壓器壓降差。
但是,如果ECU必須支持高于最低輸入電壓的電壓,則需要使用升壓穩壓器。升壓穩壓器可以在高電流電平上,有效保持來自低于3 V的輸入的12 V輸出電壓。但是,升壓穩壓器還存在一個問題:從輸入到輸出的二極管路徑無法斷開,所以自然地電流在啟動時或者短路時不受限。為了防止電流失控,專用的升壓穩壓器(例如 LTC3897 控制器)集成浪涌抑制器前端來支持輸出斷開和限流,以及在使用背靠背N通道MOSFET時提供反向電壓保護。這個解決方案可以利用單個集成電路解決負載突降、發動機啟動和電池反接,但是可用電流受浪涌抑制器MOSFET的SOA限制。
4開關降壓-升壓穩壓器通過共用的電感來聯合同步降壓穩壓器和同步升壓穩壓器,以消除此限制。這種方法可以滿足負載突降和發動機啟動工況測試的要求,且電流電平或脈沖持續時間不會受到MOSFET SOA限制,同時還保有斷開輸出和限流的能力。
降壓-升壓穩壓器的開關操作由輸入和輸出電壓之間的關系決定。如果輸入遠高于輸出,升壓頂部開關持續開啟,降壓功率級則降低輸入。同樣,如果輸入遠低于輸出,降壓頂部開關持續開啟,升壓功率級則增高輸出。如果輸入和輸出大致相等(在10%至25%之間),那么降壓和升壓功率級會以交錯方式同時開啟。如此,可以通過僅對高于、約等于或低于輸出的輸入電壓實施穩壓所需的MOSFET限制開關,分別最大化各個開關區域(降壓、降壓-升壓、升壓)的效率。
ISO 16750-2解決方案匯總
圖3匯總介紹了應對負載突降、反向輸入電壓、疊加交變電壓和發動機啟動工況測試的各種解決方案,以及各種方案的優缺點。可以得出幾個關鍵結論:
● 圖3匯總介紹了應對負載突降、反向輸入電壓、疊加交變電壓和發動機啟動工況測試的各種解決方案,以及各種方案的優缺點。可以得出幾個關鍵結論:
● 涉及反向輸入保護和疊加交變電壓時,使用N通道MOSFET作為整流組件(面向輸入的源極)可以大幅降低功率損失和壓降(與使用肖特基二極管相比)。
● 相比線性穩壓器,使用開關模式電源更合適,因為它可以消除功率器件的SOA導致的可靠性問題和輸出電流限制。它可以無限調節輸入電壓極限值,而線性穩壓器和無源解決方案本身存在時間限制,這種限制會令設計更加復雜。
● 升壓穩壓器可能需要使用,也可能不需要使用,具體由啟動工況的分類和ECU(必須提供的最高電壓是多少)的詳情決定。
如果需要升壓穩壓,那么4開關降壓-升壓穩壓器會將上述需要的特質融合到單個器件中。它可以在高電流電平下,有效調節嚴重欠壓和過壓瞬變,以延長持續時間。從應用的角度來看,這使其成為最可靠和簡單的方法,但其設計復雜性也會增加。然而,典型的4開關降壓-升壓穩壓器存在一些缺點。其一,不能自然提供反向電池保護,必須使用額外電路來解決這個問題。
4開關降壓-升壓穩壓器存在的主要問題在于:它的很大部分運行壽命都消耗在效率更低、噪聲更高的降壓-升壓開關區域。當輸入電壓非常接近輸出電壓(VIN ~ VOUT) 時,所有4個N通道MOSFET都會主動開啟,以保持穩壓。隨著開關損耗增大,以及使用最大的柵極驅動電流,效率降低。當降壓和升壓功率級熱回路都啟用,穩壓器輸入和輸出電流出現斷續,這個區域內的輻射和導電EMI性能會受到影響。
4開關降壓-升壓穩壓器可以調節偶然出現的大幅度欠壓和瞬態過壓,但需要使用高靜態電流、降低效率,并且在更常見、常規的轉換區域產生更高噪聲。
帶通工作模式提供高效率和EMI性能降壓-升壓區域n
LT8210 是4開關降壓-升壓DC/DC控制器,可以按照慣例使用固定輸出電壓運行,且支持新Pass-Thru™工作模式(圖4),可以通過可配置的輸入電壓窗口消除開關損失和EMI。該控制器在2.8 V至100 V范圍內運行,可以調節發動機啟動期間最嚴重的電池壓降,也可以調節未受抑制的負載突降的峰值幅度。它本身提供–40 V反向電池保護,通過增加單個N通道MOSFET實現(圖5中的DG)。

圖4.支持帶通模式的降壓-升壓控制器解決了汽車標準測試帶來的許多問題。

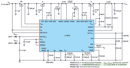
圖5.這個3 V至100 V 輸入降壓-升壓控制器以8 V至17 V帶通輸出運行。
在帶通模式下,當輸入電壓在窗口之外時,輸出電壓被調節至電壓窗口的邊緣。窗口頂部和底部通過FB2和FB1電阻分壓器配置。當輸入電壓在此窗口之內時,頂部開關(A和D)持續開啟,直接將輸入電壓傳輸至輸出。在不開關狀態下,LT8210的總靜態電流降低至數十微安。不開關意味著沒有EMI和開關損失,所以效率高達99.9%以上。
對于兩方面都想實現最佳效果的人來說,可以使用LT8210,它可以通過切換MODE1和MODE2引腳,在不同的工作模式之間切換。換句話說,LT8210在某些情況下可以作為具有固定輸出電壓(CCM、DCM,或Burst Mode™)的傳統的降壓-升壓穩壓器運行,然后,在應用條件變化時,轉而采用帶通模式。對于常開系統和啟停應用而言,這個特性非常有用。
帶通性能
圖5所示的帶通解決方案將窗口中8 V和17 V的輸入傳輸至輸出。當輸入電壓高于帶通窗口時,LT8210將該電壓降低至經過調節的17 V輸出。如果輸入降低至低于8 V,LT8210將輸出電壓升高至8 V。如果電流超過電感限流或設置的平均限流(通過IMON引腳),作為保護特性在帶通窗口中觸發開關操作以控制電流。
圖6、圖7和圖8分別顯示LT8210電路對負載突降、反向電壓和啟動工況測試做出的反應。圖9和圖10顯示在帶通窗口下,實現的效率改善和可以實現的低電流操作(低電流時的效率令人驚訝)。圖11顯示帶通模式和CCM操作之間的動態轉換。關于此電路的LTspice模擬,以及最嚴格的ISO 16750-2測試脈沖的加速版本,請參考:analog.com/media/en/simulation-models/LTspice-demo-circuits/LT8210_AutomotivePassThru.asc。

圖6.對未受抑制的負載突降的帶通響應。

圖7.LT8210對電池反接的響應。

圖8.對發動機冷啟動的帶通響應。

圖9.CCM和帶通操作的效率。

圖10.在帶通模式(VIN = 12 V)下,無負載輸入電流。

圖11.帶通和CCM操作之間的動態轉換。
結論
為汽車電子系統設計電源時,LT8210 4開關降壓-升壓DC/DC控制器通過其2.8 V至100 V輸入工作范圍、內置的反向電池保護和其新帶通工作模式,提供出色的解決方案。帶通模式可以改善降壓-升壓操作,實現零開關噪聲、零開關損失,以及超低的靜態電流,同時將輸出調節至用戶配置的窗口水平,而不是固定電壓。輸出電壓的最小和最大值與例如負載突降和冷啟動期間的大幅度瞬變相綁定,沒有MOSFET SOA或者由線性狀況導致的電流或時間限制。
新型LT8210控制方案支持在不同的開關區域(升壓、降壓-升壓、降壓和不開關)之間實現干凈快速的瞬變,因此能夠調節輸入中的大信號和高頻率交流電壓。LT8210可以在帶通操作模式和傳統的固定輸出電壓、降壓-升壓操作模式(CCM、DCM或Burst模式)之間切換并保持運行,固定輸出可以設置為帶通窗口中的任何電壓(例如,在8 V至16 V窗口中,VOUT = 12 V )。這種靈活性使得用戶能夠在帶通和常規的降壓-升壓操作之間切換,利用帶通模式的低噪聲、低IQ和高效率操作,在CCM、DCM或Burst模式下實現更精確的穩壓和更出色的瞬態響應。
參考電路
1 Dan Eddleman。 “低靜態電流浪涌抑制器:符合ISO 7637-2和ISO 16750-2要求的可靠汽車電源保護。” LT Journal of Analog Innovation,2017年1月。
2 Christian Kueck。 “經過改善的汽車電子設計。” ADI公司,2013年4月。
3 Bin Wu and Zhongming Yi。 “用于惡劣汽車環境的全面電源系統設計占用空間極小,可節約電池電量且具有低EMI特性。” 《模擬對話》,第53卷,2019年8月。
4 Dan Eddleman。 “LTspice:ISO 7367-2和ISO 16750-2瞬變模型。” ADI公司,2019年。
ISO 7637-2:2011。國際標準化組織,2011年3月。
ISO 16750-2:2012。國際標準化組織,2012年11月。
推薦閱讀:




