【導讀】ADI公司的iCoupler®數字隔離器和RS-485收發器產品系列解決了工業應用中的兩大需求:更高的數據速率和更低功耗的工作模式。
對于高性能電機控制編碼器應用而言,通常需要更高的數據速率、更小的RS-485收發器封裝和IEC 61000-4-2 ESD保護。ADM3065E/ADM3066E 50 Mbps收發器采用節省空間的10引腳LFCSP封裝,可提供±12 kV(接觸)和±12 kV(空氣)的IEC 61000-4-2 ESD保護功能,為EnDat編碼器提供了一套可靠的解決方案(請參考AN-1397應用筆記了解更多信息)。此外,在ADM3065E/ADM3066E中添加高速穩定的信號和功率隔離可以通過isoPower® ADuM6401或isoPower ADuM6000及iCoupler ADuM241D來實現,如本應用筆記中所述。
在電池供電系統、井下應用(例如,采礦)以及在4 mA至20 mA環路中工作的過程控制系統中,往往對低功耗工作模式具有較高需求。ADI公司生產的微功耗數字隔離器ADuM1441 在關斷模式下的靜態功耗低于 23 μA 。ADM3483 3.3 V、250 kbps RS-485收發器的靜態功耗極低,關斷模式下通常僅2 nA。
圖1所示為適合井下應用穩定可靠的低功耗隔離式RS-485解決方案。ADM3483和ADuM1441共用可提供一條通往遠程地下測量節點的可靠低功耗鏈路。系統接口卡包括ARM® Cortex® 微控制器單元 (MCU)、ADuCM3027和集成模擬前端 (AFE)AD7124-4,用于遠程溫度和壓力測量。系統接口卡的固件更新通過遠距離RS-485電纜提供,更新后能夠在最長1 km的遠距離內實現低數據速率傳輸(例如,9.6 kbps)。

圖1. 適合井下應用穩定可靠的低功耗隔離式RS-485解決方案
隔離式高速RS-485
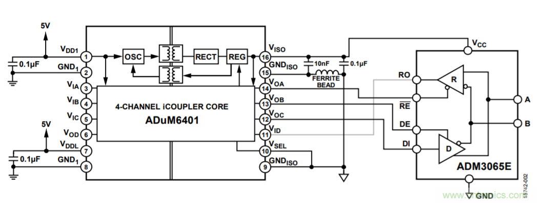
利用iCoupler和isoPower技術,可以向ADM3065E中增添兼具加強絕緣和5 kV rms瞬態耐受電壓的電流隔離。ADuM6401提供了所需的四通道5 kV rms信號隔離、最高25 Mbps 的工作速率以及集成式 DC/DC 轉換器。ADuM6401配合ADM3065E(如圖2所示)需將VISO引腳配置為3.3 V,具體方法是將VSEL引腳連接到GNDISO引腳,并將5V電源連接到VDD1引腳。在3.3V電壓下工作,即使數據速率達 25 Mbps ,也可以確保 ADM3065E 仍保持在ADuM6401的負載能力范圍內。

圖2. 信號和電源隔離的25 Mbps RS-485解決方案(簡化圖,未顯示全部連接)
利用ADuM241D四通道數字隔離器和ADuM6000隔離式DC/DC 轉換器,可以實現 50 Mbps 數據速率以及ADM3065E隔離,如圖3所示。ADuM241D的數據速率最高可達150 Mbps,能夠提供完全支持ADM3065E以50 Mbps數據速率工作所需的精確時序。

圖3. 信號和電源隔離的50 Mbps RS-485解決方案(簡化圖,未顯示全部連接)
不過,以50 Mbps數據速率工作的前提是使ADM3065E工作在3.3 V電壓下。
如果需要在5V電壓下工作,可以將ADuM6000上的VSEL引腳連接到VISO,但支持的最大數據速率會降低(例如,<10Mbps)。更多信息,請參考ADuM241D和ADuM6000數據手冊。
如果需要在5V電壓下工作,可以將ADuM6000上的VSEL引腳連接到VISO,但支持的最大數據速率會降低(例如,<10Mbps)。更多信息,請參考ADuM241D和ADuM6000數據手冊。
ADuM6401和ADuM6000 isoPower器件中的DC/DC轉換器可為ADM3065E(和ADuM241D)提供穩壓隔離電源。這兩款isoPower器件利用高頻開關元件,通過變壓器傳輸功率。用戶必須遵循輻射標準進行印刷電路板 (PCB) 布局。如需PCB布局建議,請參考AN-0971應用筆記。
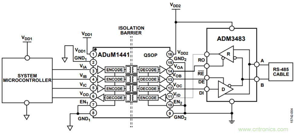
隔離式低功耗RS-485
圖4顯示了ADuM1441微功耗、四通道、數字隔離器和ADM3483低功耗、半雙工RS-485收發器的組合。

圖4. 低功耗、隔離式RS-485節點
當ADM3483處于關斷模式(驅動器使能DE引腳為低電平且接收器使能RE引腳為高電平)時,靜態電源電流通常僅為2 nA(最大規范值為1 μA)。如圖4所示,ADuM1441的引腳7和引腳10分別連接至GND1和GND2。這意味著當ADuM1441隔離器處于無總線通信活動的關斷模式時,其靜態電流低于23 µA。總體來說,該解決方案的靜態功耗低至24 µA以下。
如果ADuM1441的引腳7和引腳10分別直接連接到VDD1和VDD2,則ADuM1441的靜態功耗僅1.2 µA。這可以通過PCB上的跳線連接來實現,用戶可以選擇將引腳7連接到VDD1或GND1,還可以選擇將引腳10連接到VDD2或GND2。將ADuM1441中的1.2 μA靜態功耗特性添加到ADM3483靜態電源中,可實現一個在關斷或待機模式下僅消耗2 μA電流的完全隔離式RS-485節點。為了確保隔離器正常工作,ADuM1441的引腳7和引腳10必須分別連接到GND1和GND2。
推薦閱讀:


