【導讀】集成運算放大器是模擬集成電路中應用最廣泛的器件。在由運算放大器組成的各種系統中,由于應用要求不一樣,對其性能的要求也不一樣。在沒有特殊要求的場合,盡量選用通用型集成運放,這樣即降低成本,又容易保證貨源。當一個系統中使用多個運放時,就盡可能選用多運放集成電路。
評價集成運放性能的優劣,應看其綜合性能。一般用優值系數K來衡量集成運放的優良程度,其定義為:

式中,SR為轉換率,單位為V/ms,其值越大,表明運放的交流特性越好;Iib為運放的輸入偏置電流,單位是nA;VOS為輸入失調電壓,單位是mV。Iib和VOS值越小,表明運放的直流特性越好。所以,對于放大音頻、視頻等交流信號的電路,選SR(轉換速率)大的運放比較合適;對于處理微弱的直流信號的電路,選用精度比較的高的運放比較合適(既失調電流、失調電壓及溫飄均比較小)。
實際選擇集成運放時,除優值系數要考慮之外,還應考慮其他因素。例如信號源的性質,是電壓源還是電流源;負載的性質,集成運放輸出電壓和電流的是否滿足要求;環境條件,集成運放允許工作范圍、工作電壓范圍、功耗與體積等因素是否滿足要求。
集成運算放大器的使用要點
1.集成運放的電源供給方式
集成運放有兩個電源接線端+VCC和-VEE,但有不同的電源供給方式。對于不同的電源供給方式,對輸入信號的要求是不同的。
(1)對稱雙電源供電方式
運算放大器多采用這種方式供電。相對于公共端(地)的正電源(+E)與負電源(-E)分別接于運放的+VCC和-VEE管腳上。在這種方式下,可把信號源直接接到運放的輸入腳上,而輸出電壓的振幅可達正負對稱電源電壓。
(2)單電源供電方式
單電源供電是將運放的-VEE管腳連接到地上。此時為了保證運放內部單元電路具有合適的靜態工作點,在運放輸入端一定要加入一直流電位,如圖3.2.1所示。此時運放的輸出是在某一直流電位基礎上隨輸入信號變化。對于圖中交流放大器,靜態時,運算放大器的輸出電壓近似為VCC/2,為了隔離掉輸出中的直流成分接入電容C3。

運算放大器單電源供電電路
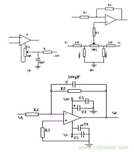
2.集成運放的調零問題
由于集成運放的輸入失調電壓和輸入失調電流的影響,當運算放大器組成的線性電路輸入信號為零時,輸出往往不等于零。為了提高電路的運算精度,要求對失調電壓和失調電流造成的誤差進行補償,這就是運算放大器的調零。常用的調零方法有內部調零和外部調零,而對于沒有內部調零端子的集成運放,要采用外部調零方法。下面以mA741為例,下圖(左)給出了常用調零電路。下圖(右)所示的是內部調零電路;圖(左)是外部調零電路。
3.集成運放的自激振蕩問題
運算放大器是一個高放大倍數的多級放大器,在接成深度負反饋條件下,很容易產生自激振蕩。為使放大器能穩定的工作,就需外加一定的頻率補償網絡,以消除自激振蕩。下圖是相位補償的使用電路。

運算放大器的常用調零電路/運算放大器的自激消除
另外,防止通過電源內阻造成低頻振蕩或高頻振蕩的措施是在集成運放的正、負供電電源的輸入端對地一定要分別加入一電解電容(10mF)和一高頻濾波電容(0.01mF~0.1mF)。如圖3.2.3所示。
4.集成運放的保護問題
集成運放的安全保護有三個方面:電源保護、輸入保護和輸出保護。
(1)電源保護。電源的常見故障是電源極性接反和電壓跳變。電源反接保護和電源電壓突變保護電路見下圖所示。對于性能較差的電源,在電源接通和斷開瞬間,往往出現電壓過沖。圖(b)中采用FET電流源和穩壓管鉗位保護,穩壓管的穩壓值大于集成運放的正常工作電壓而小于集成運放的最大允許工作電壓。FET管的電流應大于集成運放的正常工作電流。
(2)輸入保護。集成運放的輸入差模電壓過高或者輸入共模電壓過高(超出該集成運放的極限參數范圍),集成運放也會損壞。圖(右)所示是典型的輸入保護電路。

集成運放電源保護電路/集成運放輸入保護電路
(3)輸出保護。當集成運放過載或輸出端短路時,若沒有保護電路,該運放就會損壞。但有些集成運放內部設置了限流保護或短路保護,使用這些器件就不需再加輸出保護。對于內部沒有限流或短路保護的集成運放,可以采用下圖所示的輸出保護電路。在下圖電路中,當輸出保護時,由電阻R起限流保護作用。







