放大電路的用途和組成
放大器有交流放大器和直流放大器。交流放大器又可按頻率分為低頻、中源和高頻;接輸出信號強弱分成電壓放大、功率放大等。此外還有用集成運算放大器和特殊晶體管作器件的放大器。它是電子電路中最復雜多變的電路。但初學者經常遇到的也只是少數幾種較為典型的放大電路。
讀放大電路圖時也還是按照“逐級分解、抓住關鍵、細致分析、全面綜合”的原則和步驟進行。首先把整個放大電路按輸入、輸出逐級分開,然后逐級抓住關鍵進行分析弄通原理。放大電路有它本身的特點:一是有靜態和動態兩種工作狀態,所以有時往往要畫出它的直流通路和交流通路才能進行分析;二是電路往往加有負反饋,這種反饋有時在本級內,有時是從后級反饋到前級,所以在分析這一級時還要能“瞻前顧后”。在弄通每一級的原理之后就可以把整個電路串通起來進行全面綜合。
下面我們介紹幾種常見的放大電路:
低頻電壓放大器
低頻電壓放大器是指工作頻率在20 赫~ 20 千赫之間、輸出要求有一定電壓值而不要求很強的電流的放大器。
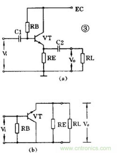
( 1 )共發射極放大電路
圖1 ( a )是共發射極放大電路。C1 是輸入電容, C2 是輸出電容,三極管VT 就是起放大作用的器件, RB 是基極偏置電阻,RC 是集電極負載電阻。1 、3 端是輸入, 2 、3端是輸出。3 端是公共點,通常是接地的,也稱“地”端。靜態時的直流通路見圖1 ( b ),動態時交流通路見圖1 ( c )。電路的特點是電壓放大倍數從十幾到一百多,輸出電壓的相位和輸入電壓是相反的,性能不夠穩定,可用于一般場合。

[page]


( 2 )分壓式偏置共發射極放大電路
圖2 比圖1 多用3 個元件。基極電壓是由RB1 和RB2 分壓取得的,所以稱為分壓偏置。發射極中增加電阻RE 和電容CE , CE 稱交流旁路電容,對交流是短路的; RE 則有直流負反饋作用。所謂反饋是指把輸出的變化通過某種方式送到輸入端,作為輸入的一部分。如果送回部分和原來的輸入部分是相減的,就是負反饋。圖中基極真正的輸入電壓是RB2 上電壓和RE 上電壓的差值,所以是負反饋。由于采取了上面兩個措施,使電路工作穩定性能提高,是應用最廣的放大電路。

( 3 )射極輸出器
圖3 ( a )是一個射極輸出器。它的輸出電壓是從射極輸出的。圖3 ( b )是它的交流通路圖,可以看到它是共集電極放大電路。

這個圖中,晶體管真正的輸入是V i 和V o 的差值,所以這是一個交流負反饋很深的電路。由于很深的負反饋,這個電路的特點是:電壓放大倍數小于1 而接近1 ,輸出電壓和輸入電壓同相,輸入阻抗高輸出阻抗低,失真小,頻帶寬,工作穩定。它經常被用作放大器的輸入級、輸出級或作阻抗匹配之用。
[page]
( 4 )低頻放大器的耦合
一個放大器通常有好幾級,級與級之間的聯系就稱為耦合。放大器的級間耦合方式有三種:①RC 耦合,見圖4 ( a )。優點是簡單、成本低。但性能不是最佳。② 變壓器耦合,見圖4 ( b )。優點是阻抗匹配好、輸出功率和效率高,但變壓器制作比較麻煩。③ 直接耦合,見圖4 ( c )。優點是頻帶寬,可作直流放大器使用,但前后級工作有牽制,穩定性差,設計制作較麻煩。



( 1 )甲類單管功率放大器

圖5 是單管功率放大器, C1 是輸入電容, T 是輸出變壓器。它的集電極負載電阻Ri′ 是將負載電阻R L 通過變壓器匝數比折算過來的:
RC′= ( N1 N2 ) 2 RL=N 2 RL
負載電阻是低阻抗的揚聲器,用變壓器可以起阻抗變換作用,使負載得到較大的功率。這個電路不管有沒有輸入信號,晶體管始終處于導通狀,靜態電流比較大,困此集電極損耗較大,效率不高,大約只有35 %。這種工作狀態被稱為甲類工作狀態。這種電路一般用在功率不太大的場合,它的輸入方式可以是變壓器耦合也可以是RC 耦合。
( 2 )乙類推挽功率放大器

圖6 是常用的乙類推挽功率放大電路。它由兩個特性相同的晶體管組成對稱電路,在沒有輸入信號時,每個管子都處于截止狀態,靜態電流幾乎是零,只有在有信號輸入時管子才導通,這種狀態稱為乙類工作狀態。當輸入信號是正弦波時,正半周時VT1 導通VT2 截止,負半周時VT2 導通VT1 截止。兩個管子交替出現的電流在輸出變壓器中合成,使負載上得到純正的正弦波。這種兩管交替工作的形式叫做推挽電路。乙類推挽放大器的輸出功率較大,失真也小,效率也較高,一般可達60 %。
[page]
( 3 ) OTL 功率放大器

目前廣泛應用的無變壓器乙類推挽放大器,簡稱OTL 電路,是一種性能很好的功率放大器。為了易于說明,先介紹一個有輸入變壓器沒有輸出變壓器的OTL 電路,如圖7 。
這個電路使用兩個特性相同的晶體管,兩組偏置電阻和發射極電阻的阻值也相同。在靜態時,VT1 、VT2 流過的電流很小,電容C 上充有對地為1 2 E c 的直流電壓。在有輸入信號時,正半周時VT1 導通, VT2 截止,集電極電流i c1 方向如圖所示,負載RL 上得到放大了的正半周輸出信號。負半周時VT1 截止, VT2 導通,集電極電流i c2 的方向如圖所示, RL 上得到放大了的負半周輸出信號。這個電路的關鍵元件是電容器C ,它上面的電壓就相當于VT2 的供電電壓。
以這個電路為基礎,還有用三極管倒相的不用輸入變壓器的真正OTL 電路,用PNP 管和NPN 管組成的互補對稱式OTL 電路,以及最新的橋接推挽功率放大器,簡稱BTL 電路等等。
直流放大器
能夠放大直流信號或變化很緩慢的信號的電路稱為直流放大電路或直流放大器。測量和控制方面常用到這種放大器。
( 1 )雙管直耦放大器
直流放大器不能用RC 耦合或變壓器耦合,只能用直接耦合方式。圖8 是一個兩級直耦放大器。直耦方式會帶來前后級工作點的相互牽制,電路中在VT2 的發射極加電阻R E 以提高后級發射極電位來解決前后級的牽制。直流放大器的另一個更重要的問題是零點漂移。所謂零點漂移是指放大器在沒有輸入信號時,由于工作點不穩定引起靜態電位緩慢地變化,這種變化被逐級放大,使輸出端產生虛假信號。放大器級數越多,零點漂移越嚴重。所以這種雙管直耦放大器只能用于要求不高的場合。

( 2 )差分放大器
解決零點漂移的辦法是采用差分放大器,圖9 是應用較廣的射極耦合差分放大器。它使用雙電源,其中VT1 和VT2 的特性相同,兩組電阻數值也相同, R E 有負反饋作用。實際上這是一個橋形電路,兩個R C 和兩個管子是四個橋臂,輸出電壓V 0 從電橋的對角線上取出。沒有輸入信號時,因為RC1=RC2 和兩管特性相同,所以電橋是平衡的,輸出是零。由于是接成橋形,零點漂移也很小。差分放大器有良好的穩定性,因此得到廣泛的應用。

[page]
集成運算放大器
集成運算放大器是一種把多級直流放大器做在一個集成片上,只要在外部接少量元件就能完成各種功能的器件。因為它早期是用在模擬計算機中做加法器、乘法器用的,所以叫做運算放大器。它有十多個引腳,一般都用有3 個端子的三角形符號表示,如圖10 。它有兩個輸入端、1 個輸出端,上面那個輸入端叫做反相輸入端,用“ — ”作標記;下面的叫同相輸入端,用“+”作標記。

集成運算放大器可以完成加、減、乘、除、微分、積分等多種模擬運算,也可以接成交流或直流放大器應用。在作放大器應用時有:
( 1 )帶調零的同相輸出放大電路

圖11 是帶調零端的同相輸出運放電路。引腳1 、11 、12 是調零端,調整RP 可使輸出端( 8 )在靜態時輸出電壓為零。9 、6 兩腳分別接正、負電源。輸入信號接到同相輸入端( 5 ),因此輸出信號和輸入信號同相。放大器負反饋經反饋電阻R2 接到反相輸入端( 4 )。同相輸入接法的電壓放大倍數總是大于1 的。
( 2 )反相輸出運放電路

也可以使輸入信號從反相輸入端接入,如圖12 。如對電路要求不高,可以不用調零,這時可以把3 個調零端短路。輸入信號從耦合電容C1 經R1 接入反相輸入端,而同相輸入端通過電阻R3 接地。反相輸入接法的電壓放大倍數可以大于1 、等于1 或小于1 。
[page]
( 3 )同相輸出高輸入阻抗運放電路
圖13 中沒有接入R1 ,相當于R1 阻值無窮大,這時電路的電壓放大倍數等于1 ,輸入阻抗可達幾百千歐。

放大電路是電子電路中變化較多和較復雜的電路。在拿到一張放大電路圖時,首先要把它逐級分解開,然后一級一級分析弄懂它的原理,最后再全面綜合。讀圖時要注意: ① 在逐級分析時要區分開主要元器件和輔助元器件。放大器中使用的輔助元器件很多,如偏置電路中的溫度補償元件,穩壓穩流元器件,防止自激振蕩的防振元件、去耦元件,保護電路中的保護元件等。② 在分析中最主要和困難的是反饋的分析,要能找出反饋通路,判斷反饋的極性和類型,特別是多級放大器,往往以后級將負反饋加到前級,因此更要細致分析。③一般低頻放大器常用RC 耦合方式;高頻放大器則常常是和LC 調諧電路有關的,或是用單調諧或是用雙調諧電路,而且電路里使用的電容器容量一般也比較小。④ 注意晶體管和電源的極性,放大器中常常使用雙電源,這是放大電路的特殊性。
例1 助聽器電路

圖14 是一個助聽器電路,實際上是一個4 級低頻放大器。VT1 、VT2 之間和VT3 、VT4 之間采用直接耦合方式, VT2 和VT3 之間則用RC 耦合。為了改善音質, VT1 和VT3 的本級有并聯電壓負反饋( R2 和R7 )。由于使用高阻抗的耳機,所以可以把耳機直接接在VT4 的集電極回路內。R6 、C2 是去耦電路, C6 是電源濾波電容。
例2 收音機低放電路

圖15 是普及型收音機的低放電路。電路共3 級,第1 級( VT1 )前置電壓放大,第2 級( VT2 )是推動級,第3 級( VT3 、VT4 )是推挽功放。VT1 和VT2 之間采用直接耦合,VT2 和VT3 、VT4 之間用輸入變壓器( T1 )耦合并完成倒相,最后用輸出變壓器( T2 )輸出,使用低阻揚聲器。此外, VT1 本級有并聯電壓負反饋( R1 ), T2 次級經R3 送回到VT2 有串聯電壓負反饋。電路中C2 的作用是增強高音區的負反饋,減弱高音以增強低音。R4 、C4 為去耦電路, C3 為電源的濾波電容。整個電路簡單明了。
相關閱讀:
【設計指南】如何控制運算放大器增益誤差
http://www.yttele.cn/power-art/80020654
工程師眾議:運算放大器的偏置零漂等應用技巧
http://www.yttele.cn/admin/articlesedit/atrid/80021353
工程師分享:幾類常見運算放大器及設計要點解析
http://www.yttele.cn/sensor-art/80021670



