【導讀】本文討論了客運專線信號設備雷害及綜合防雷技術在客運專線信號設備中實施的必要性和可行性,并討論了集裝箱中繼站的防雷和綜合接地系統的特點,提出客運專線在建設時應當同步建設綜合接地系統和建設綜合防雷系統。標志著中國鐵路高速時代到來的客運專用線大規模建設正蓬勃開展,它為通信信號、列車控制、調度指揮等提出了新的要求。
這些系統設備采用的大量微電子器件,對雷電和電氣化干擾電壓極為敏感。因此,必須研究客運專用線信號設備的雷電防護和電磁兼容問題,以確保信號設備全天候安全運行和列車安全正點運營。
一、客運專線信號設備的電磁兼容和綜合防雷
1.1 過電壓對微電子設備的危害
這里所說的“過電壓”是指可能對電子設備造成損害或使電子設備失效,超過電子設備所能耐受的電壓。過電壓是一個相對的概念,對于機電設備而言,幾百伏甚至數千伏的電壓是“過電壓”,但是對于微電子設備,有時十幾伏就算是“過電壓”了。美國IEEE工業應用學會公布的半導體故障閥值如表1所示。表中看出,電源二極管的破壞能量為1J,而現在的大規模集成電路芯片的破壞能量僅為10-8J,這是一個十分小的數字。比較電源二極管和數字積分電路的破壞能量,它們竟然相差108倍,可見大規模集成電路芯片的耐過電壓能力十分微弱。中國鐵道科學研究院通信信號研究所經過大量試驗發現:用8/20μs波形測試時,有的大規模集成電路芯片的擊穿電壓僅在十多伏的量級。電氣設備過電壓損害電氣電子設備的實質是電氣設備絕緣擊穿、燒毀,電子設備元件損壞燒毀。對于大規模集成電路芯片,很低的過電壓會將集成電路芯片中的場效應二極管PN結擊穿或將電阻或電容的集成單元擊穿,造成元件損壞。

表1 半導體故障閥值表
1.2 電磁兼容
高壓電力輸電線的諧波干擾、電氣化鐵路牽引供電系統的工作和故障干擾,無線電射頻干擾、工業設備諧波干擾、雷電放電浪涌干擾、高壓靜電放電干擾和核磁脈沖干擾等使地球上的電磁環境持續惡化。而與此同時,電子設備小型化對干擾的防衛能力降低,從前不會對設備造成損害的較小的電磁干擾,現在都有可能損壞微電子設備。為了減小惡劣電磁環境對電子設備的危害,必須考慮電磁兼容。
“電磁兼容”是一門關于防止電磁干擾(EMI)的專門學科。它有2個含義:一是電力、電子系統和電氣、電子設備間在電子環境中相互兼顧、相互包容,相互間的干擾都在相互能夠容忍的范圍內,任何設備不能成為影響其他設備的干擾源,同時也應避免被其他設備所干擾;二是電力系統、電子系統和電氣、電子設備間在大自然的電磁環境中,能夠承受干擾并在有干擾的環境中能按設計要求正常工作。根據電磁兼容原理,下列外界電磁場干擾源可以侵入信號設備系統,并危害計算機設備、設施(包括網絡)及其它媒體的安全:
[page]
①雷電電磁脈沖LEMP(Lightning Electromagnetic Pulse);②電網操作過電壓SEMP(Switching Electromagnetic Pulse or Switching Transients);③靜電放電ESD(Electro-Static Dischargs);④核電磁脈沖NEMP(Nuclear Electromagnetic Pulse);⑤微波輻射WR(Microwave Radiation)。其中,雷電電磁脈沖是自然環境中最重要的,也是功率最大而人力不能消除的干擾源。因此只能盡量采取適當的措施,減少其對信號設備系統的危害。目前較為適當的措施就是電磁兼容和綜合防雷技術。
1.3 信號設備電磁兼容和綜合防雷
電氣、電子設備的綜合防雷技術包括防雷和防止其他電磁場對微電子設備的干擾,是目前公認的最有效的防護方法。綜合防雷是一個系統工程,對于建筑物內的電氣電子設備,綜合防雷技術包括外部防護、內部防護和在電氣電子設備端口裝置浪涌保護器等措施。建筑物外部防護由直擊雷防護系統組成,建筑物外部防護的目的是在建筑物遭受雷擊時,減小入地雷電流產生的電磁感應對室內電氣電子設備的影響,內部防護由磁場屏蔽(建筑物空間屏蔽和內部線路屏蔽)、合理布線、等電位連接組成,目的是在建筑物近旁遭受雷擊時,阻擋大氣中雷電電磁脈沖侵入室內。
當建筑物近旁或遠端遭受雷擊時,信號設備的電源線路信號傳輸線路可能受雷電電磁場感應,雷電電磁脈沖沿其侵入室內信號設備造成雷害。設置浪涌保護器的目的是將入侵的雷電流一部分泄放到地下,并將雷電壓鉗制到信號設備耐雷電沖擊安全水平以下。當建筑物遭受雷擊而地電位上升時,信號設備的電源線路、信號傳輸線與地線間有一較高的電位差,設置浪涌保護器可以均衡電源線路、信號傳輸線路與地線間的電位。外部防護、內部防護及浪涌保護器都共同使用了一個良好的接地網。因此客運專線在信號機房建筑物設計時應當按照國家標準“GB/T 21714.4-2008雷電防護第4部分:建筑物內電氣和電子系統”的要求,設置外部防雷系統、內部防雷系統和地網。
軌邊的信號設備,應當安置在接地的金屬箱盒內。對于客運專線,這些金屬箱盒內應當與由綜合接地系統的貫通地線良好連接,并在箱盒內設置接地匯流排和安裝浪涌保護器。
1.4 正確選用和安裝浪涌保護器(SPD)
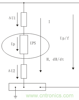
在國家標準“GB/T 21714.4—2008雷電防護 第4部分:建筑物內電氣和電子系統”中,特別強調了安裝能量協調配合的浪涌保護器。浪涌保護器安裝在線路和設備端口,必須滿足浪涌保護器的保護水平Up小于設備的雷電耐受電壓水平Uw的要求即Up
選擇SPD適當的電壓保護水平時,還要考慮SPD的連接線長度。當SPD與被保護設備連接時,連接導線的感應電壓降ΔU將與SPD的電壓保護水平UP疊加。實際的保護水平Up/f定義為SPD的實際輸出電壓,它是SPD的保護水平和連接線的電壓降之和(圖1)。

國際標準IEC 62305-4《雷電防護 第4部分:建筑物內電氣和電子系統》的2008年修訂版認為,限壓型SPD的Up/f=UP+ΔU。SPD流過雷電流時,若連接導線的長度≤1m,每米長度的導線電感為1μH,對于電源SPD,當流過雷電流時,1m線路上的ΔU可以達到1kV,對于智能電源屏,1kV ΔU加上1kV以上的UP可能是災難性的。只有在充分滿足Up/f≤UW,即SPD與設備間的導線長度可以忽略時,內部系統才得到保護。因此,除了在電源線進入建筑物處安裝第1級電源SPD外,在智能電源屏內盡量靠近被保護單元或器件還要設置一級UP極低的SPD,連接線應當極短。
二、集裝箱中繼站的防雷考慮
在客運專線,信號系統大量的采用了集裝箱中繼站。集裝箱中繼站為鐵質,由于鐵磁物質對磁場的良好衰耗,鐵質集裝箱成了一個較好的磁屏蔽體。集裝箱內的信號設備處于良好的雷電電磁環境中,集裝箱的雷電防護主要防止直擊雷對集裝箱的機械損壞和傳導雷對箱內信號設備的損害。
為了防止雷電直擊集裝箱中繼站,條件許可時,應盡量將集裝箱安置不易遭受直擊雷的位置,如高架橋下,安置在空曠地帶的集裝箱應當在箱體上設置避雷帶和在箱體頂面設置小短避雷針,以避免雷擊箱面時造成機械損壞。一般采用滾球法計算小短避雷針的設置位置和高度。小短避雷針的高度應滿足集裝箱中繼站的運輸條件。
[page]
進入箱體的電源線應當設置符合能量配合要求的SPD,由于客運專線電源線都為地下電纜引入,根據國家標準“GB/T 21714.1—2008雷電防護1部分:總則”的描述,建筑物附近雷擊在電源線上的感應電流或雷電傳導進入建筑物內電源線的電流期望最大值為5kA(8/20μs波形),因此,集裝箱中繼站的第1級電源防雷設備可選用8/20μs波形測試時標稱電流為10kA的SPD,在雷害嚴重地區最多選用8/20μs波形測試時標稱電流為20kA的SPD。由于集裝箱面積狹小,電源系統不適于多位置安裝防雷設備,因此選用Up低的SPD至為關鍵。
信號線進入集裝箱時的分線柜,應當采用防雷型分線柜,同樣的理由,防雷型分線柜的SPD不宜選用標稱電流大的SPD,而特別要注意按照電子設備的雷電耐受能力UW選用信號設備用SPD的Up。
集裝箱應安置在有良好地網臺墩上,集裝箱四角必須地網連接,集裝箱地網應當與綜合接地系統在地下連接。集裝箱內應當設備供SPD接地的接地匯流排,進入箱內的第1級電源防護SPD接地,應當單獨設置接地匯流排。集裝箱內的信號機柜可以直接固定在集裝箱箱體上。
三、綜合接地系統
鐵路設備及設施的接地系統工程十分復雜,過去普速鐵路都是各專業地線分別設置。而客運專線牽引電流高,車流密度大,其高牽引電流要有一定的連續性。因此在客運專線,將沿線一定范圍內的牽引供電系統、電力供電系統、信號系統、通信系統及其他電子信息系統、建筑物、道床、站臺、橋梁、隧道、聲屏障等設備的接地系統,通過貫通地線連成一體化的接地系統,即綜合接地系統。由于客運專線的綜合接地系統是一個整體,它提高了接地系統的標準,接地性能好,能夠滿足各系統設備防雷、電磁兼容、人身保護、計算機邏輯等電位連接等要求。目前,歐洲鐵路普遍采用綜合接地系統。
將各子系統連為一體的貫通地線的敷設,應便于設備、設施就近接入和工程實施,并根據不同區段回流的分布情況綜合考慮貫通地線截面積,正常情況下應滿足流過貫通地線最大牽引回流需要和接觸網短路(短路時間按不大于100ms計)時通過瞬間大電流熱穩定的要求。貫通地線應有良好的導電性和可靠性,耐腐蝕并符合環保要求。
四、結束語
客運專線的綜合防雷和普速鐵路比較,信號設備系統的耐雷電能力更弱,考慮的防護重點也有差異,有一定的特殊性。因此應當有一套客運專線的電磁兼容和綜合防雷的規范(目前已有防雷箱和防雷分線柜標準)相信我們在實踐中不斷總結經驗,一定能將客運專線的電磁兼容和綜合防雷做的更好,確保客運專線的安全運行。
相關閱讀:
變頻器防雷保護途徑:端口保護
安防監控系統防雷三步曲
如何設計防雷擊浪涌的開關電源




