- 陣列式瞬態電壓抑制器
- TVS ARRAY RJ45 以態網接口上的應用
- TVS ARRAY 選型原則
陣列式瞬態電壓抑制器
TVS ARRAY 是一種快速抑制靜電的一種保護元件,它能以小于納秒級響應速度將靜電、浪涌電壓限制箝位到一個安全的電壓范圍內,以保護后面電路不受損壞。

• 是一種限壓型的專用于靜電及較低的浪涌過電防護的過電壓保護元件
• 反應速度快小于0.5nS
• 一般電壓規格大約只有2.8、3、5V、12V、15V、24V、36V
• 導通擊穿電壓低
• 體積小、集成度高能同時實現多條數據線保護
• 電容值較低,可達0.4pF,是理想的高頻數據線保護器件
• 漏電流低,一般在幾個uA 級或更低;
• 封裝多樣化,0402、0603、SOD-323、SOT323、SOT23、SOT-143、SOT23-6L、SOT-363、SOIC-08、SOIC-14、SOCI-16 可實現在不同位置、空間、上實現靈活的保護
• 專用于低壓電源及低高頻通迅信號線路進行防護
[page]
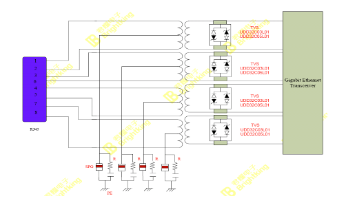
TVS ARRAY RJ45 以態網接口上的應用如下:

TVS 廣泛應用于半導體及敏感器件的保護,通常用于通迅、計算機及相關設備、消費類產品、汽車/工業電子、電源/醫療產品等以保護其內部的IC 免受靜電及低的脈沖浪涌的沖擊和破壞。
• 通訊:電話線、線路卡、傳真機、XDSL(ADSL、ISDN、HDSL、VDSL)、SLIC、PBX、DDN、以太網、光端機、光電轉換器、SDH、MODE、無線AP 及其它無線產品、總配線架、T1/E1、LNB 衛星機頂盒、蜂窩/無繩電話、LCD 顯示、程序口、CATV 有線電視/同軸線保護、小靈通基站、swich、微型信息處理復位及I/0 保護、邏輯電路保護
• 計算機及相關設備:PC 電腦、 RS232/RS422/IEEE1394、POS 設備、USB 接口電路、音頻卡、鍵盤、I/0 接口、488 分界面卡、印刷機與掃描器、紙張進料器、電鍵沖器、光學傳感器、硬盤驅動器、Vcc 保護、筆記本電腦、LCD 顯示、音頻卡、鍵盤、I/0 接口、充電器、PCMCIA 卡、CRT、液晶顯示器、RF 電路、PC 卡和插槽、 ASIC 保護
• 消費產品:數字相機、PDA、MP3、MP4、攝相機、照機機、手機、CDMA、SIM 卡保護電路、太陽能熱水器微控制系統、熱水器、燃煤器灶、空調、電冰箱、飲水機、洗衣機、保障系統、便攜式設備、Camcorder、盒式唱機、CD 唱機、MD 唱機、智慧卡/智能卡閱讀器、揚聲器、傳聲筒
• 汽車/工業電子:ECU 保護、多路I/0 線、ABS 系統、計費器、空調控制系統、空氣袋系統、音頻系統、導航系統、靈巧的傳感器與促動器、發火電路、發動機控制板、車載移動電話、車載電腦、馬達、火警設備、電鍵沖器、激光二極管保護、FETS 保護、煙感器、點火器
• 電源/醫療產品:通迅電源、開關電源、穩壓電源、UPS、多功能電表、電源防雷模塊、電子鎮流器/電子安定器、AC/DC 轉換器、充電器、儀器儀表、電源插座、君耀 TVS ARRAY 產品符合于RoHS WEEE 相應的條款并通過相應的檢測機構檢驗,滿足其相應的測試標準: IEC61000-4-5、IEC61000-4-2、IEC61000-4-4 等標準
TVS ARRAY 選型原則

• VRWM :截止電壓必須≥被保護的電路的最大工作電壓
• Vc:限制電壓必須小于后級被保護電路能承受的最大瞬態峰值電壓
• 在較高數據傳輸頻率上,盡量采用低電容系列的產品UDD32C03/05L01 等其它





