中心議題:
- IGBT失效場合
- IGBT失效機理
- IGBT失效防護
- 柵極過電壓、過電流防護
解決方案:
- 傳統保護模式
- 新型保護模式
引語:目前在使用和設計IGBT的過程中,基本上都是采用粗放式的設計模式,所需余量較大,系統龐大,但仍無法抵抗來自外界的干擾和自身系統引起的各種失效問題。本文將突破傳統的保護方式,探討IGBT系統電路保護設計的解決方案。
IGBT絕緣柵雙極型晶體管是一種典型的雙極MOS復合型功率器件。它結合功率MOSFET的工藝技術,將功率MOSFET和功率管GTR集成在同一個芯片中。該器件具有開關頻率高、輸入阻抗較大、熱穩定性好、驅動電路簡單、低飽和電壓及大電流等特性,被作為功率器件廣泛應用于工業控制、電力電子系統等領域(例如:伺服電機的調速、變頻電源)。為使我們設計的系統能夠更安全、更可靠的工作,對IGBT的保護顯得尤為重要。
目前,在使用和設計IGBT的過程中,基本上都是采用粗放式的設計模式——所需余量較大,系統龐大,但仍無法抵抗來自外界的干擾和自身系統引起的各種失效問題。瞬雷電子公司利用在半導體領域的生產和設計優勢,結合瞬態抑制二極管的特點,在研究IGBT失效機理的基礎上,通過整合系統內外部來突破設計瓶頸。本文將突破傳統的保護方式,探討IGBT系統電路保護設計的解決方案。
IGBT失效場合:來自系統內部,如電力系統分布的雜散電感、電機感應電動勢、負載突變都會引起過電壓和過電流;來自系統外部,如電網波動、電力線感應、浪涌等。歸根結底,IGBT失效主要是由集電極和發射極的過壓/過流和柵極的過壓/過流引起。
IGBT失效機理:IGBT由于上述原因發生短路,將產生很大的瞬態電流——在關斷時電流變化率di/dt過大。漏感及引線電感的存在,將導致IGBT集電極過電壓,而在器件內部產生擎住效應,使IGBT鎖定失效。同時,較高的過電壓會使IGBT擊穿。IGBT由于上述原因進入放大區, 使管子開關損耗增大。
IGBT傳統防失效機理:盡量減少主電路的布線電感量和電容量,以此來減小關斷過電壓;在集電極和發射極之間,放置續流二極管,并接RC電路和RCD電路等;在柵極,根據電路容量合理選擇串接阻抗,并接穩壓二極管防止柵極過電壓。
IGBT失效防護
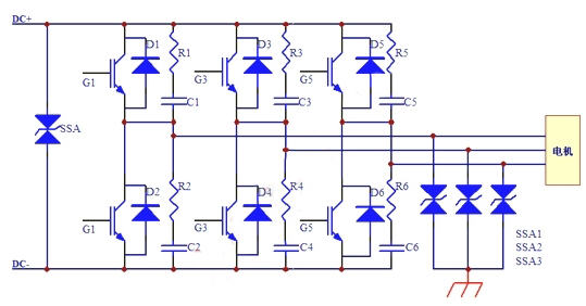
1. 集電極過電壓、過電流防護,以IGBT變頻調速電源主電路為例(圖1)。

圖1:傳統保護模式。
在集電極和發射極之間并接RC濾波電路,可有效地抑制關斷過電壓和開關損耗。但在實際應用中,由于DC電源前端的浪涌突波會使集電極過電壓,并使RC濾波電路部分的抑制效果生效,IGBT通常都會被擊穿或者短路。另外,在電機起動時,由于起動時的大電流,在主線路中分布的電感亦會造成較大程度的感應過電壓,使IGBT損壞。同時,電機勵磁造成的感應電動勢,對電路的破壞也相當地大——工程師們經常沒有考慮到這一點。
針對上述情況,浪涌突波部分可以用防雷電路進行防護(圖2)。瞬雷電子開發的藍寶寶浪涌抑制器(BPSS),在雷擊方面既具有極大的過電流能力,又具有極低的殘壓。同時,針對電機部分,參照ISO7637的相關標準,該產品完全可以使用。而使用其他器件則不能同時達到上述兩種情況。具體問題有:壓敏電阻在ISO7637的長波(P5A)中容易失效,并且不宜長期使用;陶瓷放電管不能直接用于有源電路中,常因續流問題導致電路短路,并且抑制電壓過高。[page]

圖2:新型防護模式。
2.柵極過電壓、過電流防護
傳統保護模式:防護方案防止柵極電荷積累及柵源電壓出現尖峰損壞IGBT——可在G極和E極之間設置一些保護元件,如下圖的電阻RGE的作用,是使柵極積累電荷泄放(其阻值可取5kΩ);兩個反向串聯的穩壓二極管V1和V2,是為了防止柵源電壓尖峰損壞IGBT。另外,還有實現控制電路部分與被驅動的IGBT之間的隔離設計,以及設計適合柵極的驅動脈沖電路等。然而即使這樣,在實際使用的工業環境中,以上方案仍然具有比較高的產品失效率——有時甚至會超出5%。相關的實驗數據和研究表明:這和瞬態浪涌、靜電及高頻電子干擾有著緊密的關系,而穩壓管在此的響應時間和耐電流能力遠遠不足,從而導致IGBT過熱而損壞。
新型保護模式:將傳統的穩壓管改為新型的瞬態抑制二極管(TVS)。一般柵極驅動電壓約為15V,可以選型SMBJ15CA。該產品可以通過IEC61000-4-5浪涌測試10/700US 6kV。
TVS反應速度極快(達PS級),通流能力遠超穩壓二極管(可達上千安培),同時,TVS對靜電具有非常好的抑制效果。該產品可以通過 IEC61000-4-2接觸放電8kV和空氣放電15kV的放電測試。
將傳統電阻RG變更為正溫度系數(PPTC)保險絲。它既具有電阻的效果,又對溫度比較敏感。當內部電流增加時,其阻抗也在增加,從而對過流具有非常好的抑制效果。

圖3:傳統保護模式和新型保護模式電路對比。


