【導讀】圍繞儲能系統(ESS)展開,先介紹其可儲存煤炭、核能等不同發電方式的能量,再聚焦熱門的電池儲能系統(BESS)。BESS 應用廣泛,住宅場景中可作備用電源并幫用戶節省電費,商業場景下能管理清潔能源、緩解電網壓力。文中還給出交流耦合電池儲能系統框圖,推薦安森美解決方案,涵蓋 SiC 器件、IGBT 等關鍵產品,為該領域電源方案選型提供參考。
_20251015143612_566.jpg)
高功率高電壓儲能系統電源方案選型指南 :安森美解決方案架構與性能解析
作者:安森美
儲能系統(ESS)能將來自不同發電方式(煤炭、核能、風能、太陽能等)的能量,以多種形式儲存起來,例如電化學儲能、機械儲能等。電池儲能系統(BESS,Battery Energy Storage System)在住宅和商業場景中均有廣泛應用,是比較熱門的一個研究領域。
在住宅場景下,電池儲能系統可作為備用電源,避免突發停電問題,同時通過將電能從電價低谷時段轉移至電價高峰時段使用,幫助用戶節約用電成本。在商業場景下,儲能系統的規模通常更大,其能高效存儲和管理太陽能逆變器產生的清潔能源,從而實現低碳排放。如今,電池儲能系統的另一關鍵作用在于,它能緩解因電動汽車(EV)充電需求日益增長而帶來的電網壓力。本文將全面介紹儲能系統和市場情況,以及安森美(onsemi)的領先產品與解決方案。
框圖 - 交流耦合電池儲能系統
下圖展示了安森美推薦的交流耦合電池儲能系統解決方案。 該系統通過使用一個逆變器, 可實現交流電儲能, 兼具靈活性和可靠性。 安森美提供其中的關鍵產品,包括分立式碳化硅(SiC) 器件和IGBT, 電源模塊、 隔離柵極驅動器以及電源管理控制器, 適用于住宅和商業應用。
框圖 - 直流耦合電池儲能系統
下圖展示了安森美推薦的直流耦合電池儲能系統解決方案。 該系統直接從光伏組件存儲電能, 最大程度降低轉換損耗, 保障系統效率。 安森美提供的關鍵產品包括分立式碳化硅(SiC) 器件和IGBT, 電源模塊、隔離型柵極驅動器以及電源管理控制器, 適用于住宅、 商業和公用事業應用。

用于電池儲能系統的電源模塊解決方案

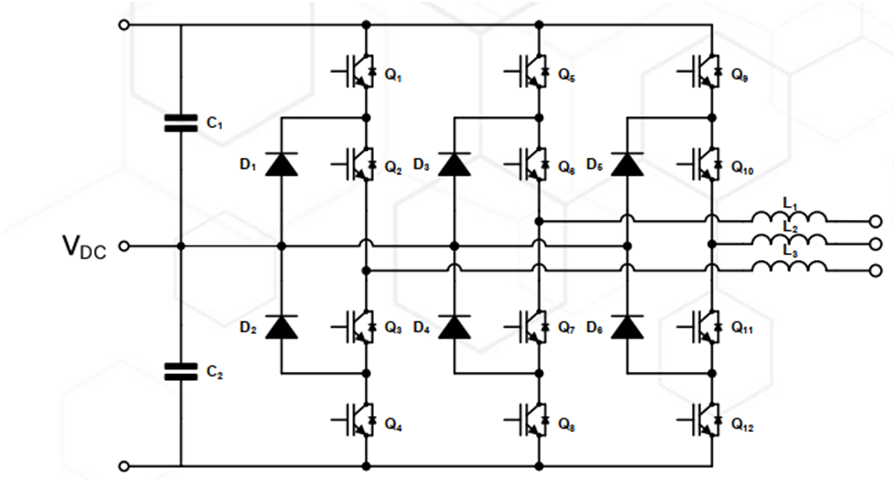
圖 1:三電平 I-NPC 拓撲

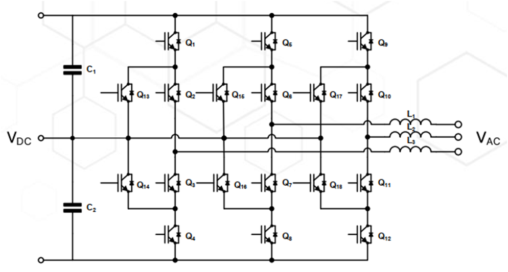
圖 2:三電平 ANPC 拓撲
三電平I-NPC和三電平ANPC是電源轉換系統(PCS) 中常見的雙向拓撲結構, 可滿足輸出功率不斷增長的需求。 與兩電平拓撲相比, 三電平拓撲需要更多的元器件、 驅動信號以及更復雜的控制結構。 但其優勢也十分明顯:三電平結構能夠有效降低功率損耗和電流紋波(由于所承受電壓減半) , 并具有更好的抗電磁干擾(EMI) 性能。
· NXH800H120L7QDSG 是安森美最新推出的 QDual3 系列 1200V 800A 半橋 IGBT 電源模塊, 具有更低的導通損耗和開關損耗, 從而實現高效率和卓越的可靠性。 通過并聯多個 QDual3 模塊, 可以構成三電平 ANPC 模塊, 系統的設定輸出功率可高達 1.6MW 至 1.8MW。
· NXH600N105L7F5S1HG 是安森美最新推出的 F5BP 系列1050V 600A I-NPC IGBT 電源模塊。 該 F5BP 模塊在熱性能方面表現出色, 其熱阻比 F5-PIM 模塊低 9%。 它結合了硅(Si) 和碳化硅(SiC) 器件, 優化了設計靈活性, 支持1500V DC系統, 是公用事業級應用的理想之選。

圖 3: QDual3 封裝

圖 4: F5BP 封裝

DESAT(去飽和) 是大功率轉換中首選的重要保護措施之一。它可以通過盡快關斷開關器件來防止 IGBT/MOSFET 因短路而損壞。
NCD57000 集成了去飽和檢測功能, 當 VCESAT 達到設定閾值時, 內部的 STO(軟關斷) MOSFET 會被激活, 對柵極電容放電, 以降低因高 dV/dt 引起的過壓應力和損耗。
此外, 這款單通道柵極驅動器還具有高達 4A/6A 的拉灌電流能力, 5 kVrms 的電氣隔離, 以及其它保護功能, 如欠壓鎖定(UVLO) 、 有源米勒鉗位等。


