【導讀】功率半導體熱設計是實現IGBT、碳化硅SiC高功率密度的基礎,只有掌握功率半導體的熱設計基礎知識,才能完成精確熱設計,提高功率器件的利用率,降低系統成本,并保證系統的可靠性。
功率半導體熱設計是實現IGBT、碳化硅SiC高功率密度的基礎,只有掌握功率半導體的熱設計基礎知識,才能完成精確熱設計,提高功率器件的利用率,降低系統成本,并保證系統的可靠性。
功率器件熱設計基礎系列文章會比較系統地講解熱設計基礎知識,相關標準和工程測量方法。
功率半導體的電流密度
隨著功率半導體芯片損耗降低,最高工作結溫提升,器件的功率密度越來越高,也就是說,相同的器件封裝可以采用更大電流規格的芯片,使輸出電流更大,但同時實際的損耗和發熱量也會明顯增大。
功率器件中的分立器件、Easy系列模塊,Econo系列模塊都是PCB安裝式封裝,當單個器件電流的增加,對PCB熱設計是個挑戰。
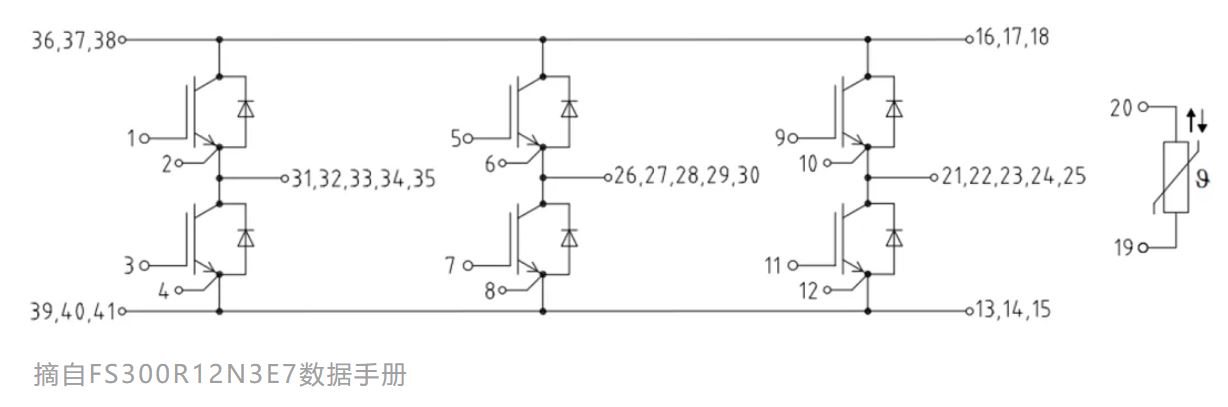
模塊的功率密度提升了,Easy 2B能做到100A,Econo3可以做到300A,雖然單一針腳電流有限,但模塊可以用多針腳并聯保證器件輸出電流能力。譬如FS300R12N3E7 300A 1200V的EconoPACK? 3的三相橋,正負直流母線分別用6針并聯,AC輸出分別用5針并聯以保證300A的電流能力,這時PCB板如果設計不當,就會成為電流的瓶頸。
PCB設計規范
PCB是成熟的技術,已經形成標準化的設計規范,現在也有PCB的創新設計,以提高PCB的載流能力。
在PCB行業中,覆銅板的厚度用重量單位盎司表示,1oz意思是重量1oz的銅均勻平鋪在1平方英尺的面積上所達到的厚度。PCB規格從0.5-10oz不等,常用的規格如下圖,但在制作印刷電路板時還可以加厚,適當提高載流能力。
PCB載流能力的設計原則
印刷電路板載流能力決定于走線損耗,其可通過以下方式估算:
A:銅的橫截面,l:導體的長度,ρ:銅的電阻率,Irms:流過線路板的電流有效值,這些損耗是導致印刷電路板溫度上升的主要因素。但實際溫升還與眾多的因數有關,譬如導線電流、走線寬度、走線在內層或外層,走線厚度、PCB板材、相鄰走線、層間距離、有無阻焊膜、環境條件等諸多因素,非常復雜,為此國際電子工業聯接協會IPC制定了相應的標準,IPC-2152 Standard for Determining Current Carrying Capacity inPrinted Board Design,即《印刷板設計中電流承載能力的確定標準》。
標準有近百頁,內含豐富的圖表以支持PCB的設計。其中最基本的圖表如下所示。
紅色箭頭是從線寬開始查找最大電流,圖中PCB走線寬度140mil,使用1oz的銅厚,垂直找到對應的溫升要求10°C,然后回到Y軸找到可通過的最大電流2.75A。
橙色箭頭是從電流設計目標入手,查找線寬,圖中電流為1A,目標溫升30°C,垂直向下找到不同銅厚下,所需要的走線寬度,如使用0.5oz的銅厚時,走線寬度需要達到40mil。
保守圖表適用于外層和內層走線、常見PCB材料和厚度等,從該圖表中獲得的值非常安全,在任何情況(除真空外的環境)下都有效,不考慮其他變量。
工程師按照保守圖表做設計時,PCB面積、成本、不是最優的,能滿足一般電流和溫升設計要求。
Econo封裝的PCB設計
在設計PCB時,可以利用IPC標準中圖表進行計算,英飛凌的應用指南也給出了針對特定模塊的設計參考。
針腳溫度
在功率線路板熱設計時,第一步應該了解針腳的在實際線路板上載流能力。下圖是Econo 2單一針腳和Econo 3三腳并聯的圖表,由于針腳損耗造成的熱大部分通過線路板散掉,通過模塊銅基板到散熱器路徑可以忽略不計。圖表給出在不同的印刷電路板溫度下的值。
圖表也僅僅是個在一定條件下的案例,整個熱力系統的相互依存關系過于復雜,并取決于各種應用限制,因此無法做出任何一般性說明。
PCB走線上的熱分布
對于一條PCB走線,功率針腳一頭一般比較熱,熱量會沿著走線流向溫度低的另外一頭,分析其溫度分布梯度,發現最熱并不在針腳位置。
仿真案例中,200mm的直線走線,藍線的最熱距離針腳60mm。橫截面大,最高溫度就越低,而且遠離針腳。
仿真僅僅提示一種現象,原型樣機PCB用熱成像儀測試最壞情況是非常必要的。
帶狀導體的溫度曲線示例
總結
PCB熱設計設計是一個工程化設計,與各種條件有關,可以參考國際電子工業聯接協會標準IPC-2221《印制板設計通用標準》和IPC-2152《印刷板設計中電流承載能力的確定標準》,對于原型樣機建議進行必要的熱測試。
(文章來源:英飛凌工業半導體,作者:陳子穎)
免責聲明:本文為轉載文章,轉載此文目的在于傳遞更多信息,版權歸原作者所有。本文所用視頻、圖片、文字如涉及作品版權問題,請聯系小編進行處理。
推薦閱讀:
芯耀輝:從傳統IP到IP2.0,AI時代國產IP機遇與挑戰齊飛





