【導讀】使用傳感器測量電路中不同的功率相關參數時,會遇到不同的挑戰。主要挑戰是保持傳感器和電源電路之間的電氣隔離,以防止電源電路波動對測量的影響。高效隔離還有助于保持高頻開關電路中的測量精度,該電路極易受到這些高頻開關通過接地環路產生的噪聲的影響。
由于世界各國對可持續發展未來的關注,混合動力汽車和純電動汽車近出現了快速增長。許多電子元件和功率元件同步協同工作以成功運行電動汽車。電源模塊位于車輛周圍的不同位置,需要實時測量這些模塊的隔離電壓和電流以進行連續監控。EV 中的一些主要模塊包括車載充電器、電池管理系統 (BMS)、HVAC 系統、牽引逆變器和 DC/DC 轉換器。必須準確監測電流和電壓值以確保正常運行。
本文是 Skyworks 產品線經理 John Wilson 的演講摘要。Wilson 解釋了有效測量和監控 EV 中的電壓和電流以確保運行的重要性。他首先為如何在高壓電路中進行測量奠定了基礎。
測量及其目的
為了監測模塊兩端的電壓和流過它的電流,電流和電壓傳感器被放置在電路中的適當位置。例如,為測量流過電池組的電流,電流傳感器測量串聯分流電阻器兩端的電壓并生成輸出信號,該信號與電路中流動的電流大小成正比。同樣,為了測量電池組兩端的電壓,電壓傳感器會檢測該點的電壓并生成與電壓成比例的輸出。然后將這些傳感器讀數發送到 BMS,然后由 BMS 做出有效操作的決策。車輛中的不同模塊需要來自車輛周圍不同節點的測量,以進行反饋、控制、安全和充電水平評估。
使用傳感器測量電路中不同的功率相關參數時,會遇到不同的挑戰。主要挑戰是保持傳感器和電源電路之間的電氣隔離,以防止電源電路波動對測量的影響。高效隔離還有助于保持高頻開關電路中的測量精度,該電路極易受到這些高頻開關通過接地環路產生的噪聲的影響。低響應時間和波動的溫度也會影響測量的準確性。隔離還有助于電平轉換,即在同一塊電路板上獨立運行兩個邏輯電平。大多數模塊都使用基于 CMOS 的電容耦合來跨隔離邊界進行信號耦合。
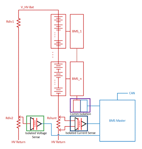
為了更好地理解測量過程,Wilson 展示了一個 BMS 監控鋰離子電池組,其中兩個電池管理 IC 監控兩個電池的電壓和電流水平。一個額外的電壓和電流監控系統允許整個系統保持安全和冗余。主 BMS 通過分壓器電路和電壓傳感器測量系統電壓,如圖 1 所示。單個電池測量值也被發送到 BMS 以進行進一步監控。所有傳感器和各個 BMS 都是隔離的。

圖 1:BMS 中的電壓和電流測量
測量錯誤的后果
確定各種系統參數時的準確性對于 EV 的功能很重要。不準確的測量會導致不便,甚至導致危險和事故。由于電壓和電流測量不準確而導致的一些常見問題包括行駛里程和電池充電水平的錯誤估計、完全充電剩余時間的錯誤估計、實際車廂溫度與所需車廂溫度之間的不匹配,以及對電池的過壓或欠壓DC/DC轉換后的模塊。雖然保留電荷水平和保護帶等一些功能可以幫助解決這些問題,但它們不是性的解決方案,有必要解決問題的根本原因。
可能會發生兩種基本類型的錯誤:靜態錯誤和動態錯誤。當實際值與測量靜態或緩慢變化參數的傳感器的測量值之間存在差異時,就會出現靜態誤差。當傳感器測量失真或易受噪聲影響的參數時,會出現動態誤差。靜態誤差包括增益誤差、失調誤差和非線性。為了有效地測量靜態誤差的不同組成部分,需要將它們轉換為標準單位,在 EV 的 BMS 中,標準單位是電池電量的滿刻度百分比。對這些誤差求平方根和,以統計上準確的方式表示數據。
其他需要測量的主要系統是車載充電系統、DC/DC 轉換器、牽引逆變器和 HVAC 系統。對于這些系統中的每一個,功率參數都是在功率轉換的不同階段測量的,以保持冗余和準確性。
免責聲明:本文為轉載文章,轉載此文目的在于傳遞更多信息,版權歸原作者所有。本文所用視頻、圖片、文字如涉及作品版權問題,請聯系小編進行處理。
推薦閱讀:



