【導讀】現代工業對電力電子設備提出了很多要求:體積小、重量輕、功率大、發熱少。面對這些要求,Si MOSFET因Si材料自身的限制而一籌莫展。SiC MOSFET因SiC材料的先天優勢開始大顯神通。SiC MOSFET大規模商用唯一的缺點就是價格。
現代工業對電力電子設備提出了很多要求:體積小、重量輕、功率大、發熱少。面對這些要求,Si MOSFET因Si材料自身的限制而一籌莫展。SiC MOSFET因SiC材料的先天優勢開始大顯神通。SiC MOSFET大規模商用唯一的缺點就是價格。但隨著良率的提升和采用更大尺寸的晶圓,SiC與Si之間的成本差距正在收窄,在整車系統總體成本反而有明顯的優勢。SiC MOSFET替代Si MOSEFET成為越來越多的廠家的新選擇。
SiC MOSFET的驅動與Si MOSFET的區別之一是驅動電壓不同,傳統Si MOSFET驅動只要單電源正電壓即可,而SiC MOSFET需要單電源正負壓驅動。SiC MOSFET要替代Si MOSFET,就要解決負壓電路如何實現的問題。
目前,SiC MOSFET多為+15/-3V與+20/-5V電壓驅動。要在Si MOSFET單電源正壓驅動電路中中實現負壓電路,可以在驅動回路中增加少量元件產生所需要的負壓,如需要+15/-3V的驅動電壓,則單電壓需要提供+18V即可,具體有如下兩種方案可以實現。
方案一:
用+14V左右的穩壓管Z1加上Z2管正向導通壓降,在開通時候將電壓穩定在+15V左右,這樣在開關管導通時電容C10上就會有3V壓降;開關管關斷時候,驅動芯片內部下管導通加在GS上的電壓為-3V。

圖1
方案二:
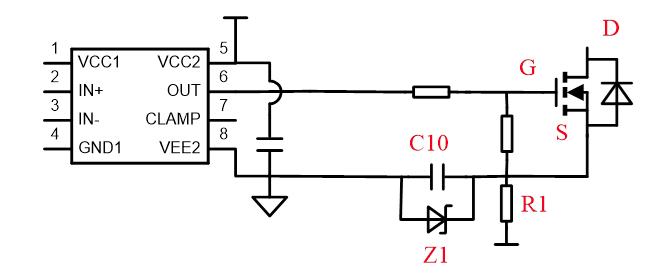
用3V的穩壓管Z1穩定驅動用的負壓,開通的時候電容C10上穩定3V電壓,則驅動正壓就保持為15V,關斷時候加在GS上電壓就是電容C10的電壓為-3V

圖2
方案一和方案二的驅動波形如下:

圖3:方案一驅動波形

圖4:方案二驅動波形
從上述兩張驅動波形圖可以看出:兩個方案均能使用極少的元件實現所需要的驅動負壓,但是器件第一次工作前均為0V,不能在常關狀態下保持穩定負壓,容易被干擾誤開通。針對這一問題,可以通過增加一個電阻R1上拉,在上電后就預先給電容C10進行預充電穩壓在3V,就可以實現未工作時保持負壓,如圖5.

圖5
綜上,在單電源供電的情況下,只需要對電路進行微小的調整,即可實現SiC MOSFET替代Si MOSFET。
派恩杰已量產650V-1700V電壓平臺SiC MOSFET,產品由30年車規歷史的SiC代工廠X-FAB生產制造,符合車規標準,在光伏、新能源汽車等應用領域均可替代Si MOSFET和IGBT。
樣品申請
sales@pnjsemi.com
(來源:派恩杰)
免責聲明:本文為轉載文章,轉載此文目的在于傳遞更多信息,版權歸原作者所有。本文所用視頻、圖片、文字如涉及作品版權問題,請電話或者郵箱editor@52solution.com聯系小編進行侵刪。
推薦閱讀:




