【導讀】鑒于全球能源危機,當前電子設備的重點是實現高功率與低能耗的結合。因此,許多電子公司都在提高其眾多產品規格中的效率標準。然而,常規的硬開關轉換器幾乎無法滿足這些要求。
鑒于全球能源危機,當前電子設備的重點是實現高功率與低能耗的結合。因此,許多電子公司都在提高其眾多產品規格中的效率標準。然而,常規的硬開關轉換器幾乎無法滿足這些要求。所以,電源單元的開發人員已經轉向諸如LLC諧振轉換器之類的軟開關拓撲,以提高效率并實現更高的工作頻率。但是,他們必須考慮以下幾個方面的問題。
諧振LLC半橋可確保整個開關設備在導通之前進行零電壓開關(ZVS)(或在關斷時為零電流)。因此,可以通過在每次轉換期間疊加開關電流和電壓來避免能量損失。利用這種電路,開關損耗可以在高頻下也保持較低水平,從而減小電抗組件的尺寸。當然,較低的損耗也允許使用較小的散熱器。零電壓條件源于MOSFET體二極管的固有導通。在極快的負載變化期間,MOSFET可以從零電壓轉換為零電流開關條件。在這種情況下,高dv/dt值可能會將固有雙極型晶體管切換到導通狀態,這通常會導致MOSFET損壞。
LLC拓撲
LLC拓撲中半橋的基本電路包括兩個機械開關:高邊機械開關(Q1)和低邊機械開關(Q2)。它們由電感器Lr和電容器Cr連接到變壓器(參見圖1)。機械開關由它們的固有二極管(D1和D2)和固有電容輸出電阻(C1和C2)橋接。為了闡明它們在一般工作原理中的作用,它們在圖1中分別被標示。此外,還可以看到另一個電感Lm。這是變壓器的漏感,它在LLC拓撲中起著重要的作用。
圖1:電感器Lr和電容器Cr連接到變壓器
假設變壓器的初級電感值Lm太高以至于對諧振網絡沒有影響,則上圖所示的轉換器充當串聯諧振轉換器。
在諧振單元中,如果輸入信號的頻率(fi)等于諧振頻率(fr),即LC阻抗等于零,則可實現最大放大率。轉換器的工作頻率范圍受兩個特定諧振頻率值所限制。這些數值取決于電路。LLC控制器將MOSFET的開關頻率(fs)設置為等于開關的諧振頻率,以確保諧振的寶貴優勢。
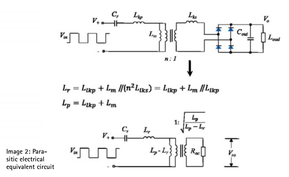
圖2:寄生電氣等效電路
在負載變化期間,諧振頻率從最小值(fr2)變為最大值(fr1):
當fs≥fr1時,LLC用作RC串聯諧振電路。該工作原理適用于高負載,即Lm面對低阻抗的情況。相反地,對于fs≤fr2,LLC則充當RC并聯諧振電路,這是低負載的情況。不過這種情況通常不會發生,因為系統隨后將在ZCS(零電流開關)模式下運行。如果頻率fi處于fr2 <fi <fr1的范圍內,那么這兩種工作原理將結合起來。
圖3
如果以圖形形式顯示諧振單元的放大率,則會得到如圖3所示的曲線,這表明了曲線形狀如何根據Q值而改變。
曲線
LLC諧振轉換器的工作范圍受到最大放大率的限制。特別要注意的是,在fr1或fr2處無法達到最大電壓放大率。實際上,實現最大放大率的頻率在fr2和fr1之間。隨著Q值的降低(即隨著負載的降低),最大放大頻率移向fr2,并且獲得了更高的最大放大率。隨著Q值的提高(即負載的增加),最大放大率的頻率移向fr1,而最大放大率減小了。因此,對于諧振網絡,滿載是最不利的情況。
關于MOSFET,如上所述,帶有LLC的諧振轉換器在軟開關MOSFET方面具有關鍵優勢,而正弦輸出電流可降低整個系統的發射干擾(EMC)。
圖4說明了LLC轉換器的典型波形,它還清楚地表明,漏極電流Ids1在變為正值之前先振蕩為負值。負電流值表示體二極管正在導電。在此階段,MOSFET的漏極-源極電壓非常低,因為它取決于二極管上的壓降電壓。如果在體二極管的電導率實際上為零的同時進行MOSFET開關,則會發生向ZVS的過渡,從而降低了開關損耗。結果可以減小散熱器的尺寸,從而提高系統的效率。
圖4:LLC轉換器的典型波形
如果MOSFET的開關頻率fs小于fr1,則轉換器上的電流呈現不同的形狀。 如果這情況持續足夠長的時間,以至在輸出二極管上產生間歇性電流,則初級側的電流會偏離正弦波形。
此外,如果MOSFET的固有輸出電容C1和C2具有可與Cr相比的數值,則諧振頻率fr也取決于組件。為避免這種情況并使fr值與所使用的組件無關,關鍵是在設計階段選擇大于C1和C2的Cr數值。
圖5:fs_xiaoyu_fr1情況下LLC轉換器的典型波形
續流和ZVS條件
針對與諧振頻率有關的方程式的分析表明,諧振網絡的輸入阻抗在最大放大率的頻率以上為電感性,而諧振網絡的輸入電流(Ip)則保持低于施加到諧振網絡的電壓(Vd)。在低于最大放大率頻率時,諧振網絡的輸入阻抗相比之下是電容性的,并且Ip大于Vd。
在電容性范圍內工作期間,在開關操作過程中,體二極管在電壓方面會發生極性反轉,但體二極管在這個時候仍在承載電流,這會使MOSFET承受很高的故障風險。如綠色圓圈(圖6)中顯示的那樣,內部二極管的反向恢復時間(trr)是非常重要的。
圖6:具有電容性或電感性輸入阻抗的電流的時間響應
圖7:從低負載到高負載的過渡
根據這一點,在從低負載過渡到高負載的期間(見圖8),控制電路(LLC控制器)應能夠使MOSFET切換至ZVS模式并達到正的關斷電流范圍。如果這不能保證,那么MOSFET可能會在危險范圍內工作。
圖8:零電壓_ZV_和零電流_ZC_開關區域的增益
在恒定的低負載下,系統在較低的諧振頻率fr2附近運行。在這種情況下,可以保證ZVS模式和正的關斷漏極電流。在負載變化后(從低到高),開關頻率應遵循新的諧振頻率。如果不是這種情況(如圖8中的綠線所示),則系統狀態處于范圍3(ZCS范圍)。 這意味著ZVS模式和正的關斷漏極電流不可用。如果MOSFET關斷,電流也將流過其體二極管。如果在放大圖中分析從低負載到高負載的過渡,可以建立以下條件:
黑色虛線繪制了過渡過程中的理想路線,而綠線則對應于實際路線??梢钥吹?,在從低負載到高負載的過渡期間,系統在ZCS范圍內運行。這樣,內部二極管的性能就變得非常重要。因此,在體二極管中恢復時間非常短的斷路器,便成為了新型LLC概念的發展趨勢。
評測和參考電路板
為了開發開關電源,我們建議您使用評測板或參考板來收集經驗數值,它們還可用于測試帶有快速體二極管的MOSFET并評估其優勢。這些經驗也可用于儒卓力的不同LLC拓撲型款。
STEVAL-ISA132V1評測板可在限定的時間內提供170 W的連續輸出(VIN = 190 V至264 V AC,VOUT = 24 V),峰值輸出超過300W。它的架構基于不帶PFC的單級LLC諧振變換器和L6699諧振控制器。它具有一些創新功能,例如自調整、可調整的空載時間、對工作模式的抗電容保護,以及可防止啟動過程中發生硬開關的專有安全啟動。
EVLSTNRG-170W評測板提供了通過使用PFC級以及基于STNRG388A數字控制器的LLC轉換器的數字控制獲得經驗的可能性。在這種情況下,上游PFC級將在“增強的恒定導通時間”模式(DCM-CCM邊界)下運行,而LLC轉換器則在“時移控制 ”模式(TSC)下運行。該評測板的設計可提供高達170 W的連續輸出,應用支持多種輸出電壓:主要應用為24 V(6 A),例如12 V (2 A)用于控制器,5 V (2 A)則用于待機操作(始終開啟)。
EVLCMB1-90WADP是另一個較小的輸出評測板,這是專門針對筆記本電腦AC/DC適配器的典型規格而設計的19 V/90 W轉換器。當然,只要在目標設計中對輸出電壓進行相應的調整,該評測板也可以用作進一步應用的基礎。它具有較寬的電源輸入范圍(頻率為45至65 Hz時為90 V至264 V AC),低負載時的功耗非常低。
同樣,其架構基于兩階段方法:過渡模式PFC預調節器和下游LLC半橋諧振轉換器。 PFC級和LLC轉換器的兩個控制器都集成在STCMB1 Combo IC中。
(來源:儒卓力)
免責聲明:本文為轉載文章,轉載此文目的在于傳遞更多信息,版權歸原作者所有。本文所用視頻、圖片、文字如涉及作品版權問題,請電話或者郵箱editor@52solution.com聯系小編進行侵刪。
推薦閱讀:




